首页 > 机械行业标准(JB) > JB/T 5112-1991 冷挤压预应力组合凹模 设计计算图
JB/T 5112-1991

基本信息

标准号: JB/T 5112-1991

中文名称:冷挤压预应力组合凹模 设计计算图

标准类别:机械行业标准(JB)

标准状态:已作废

发布日期:1991-07-15

实施日期:1992-07-01

出版语种:简体中文

下载格式:.rar.pdf

下载大小:312895

相关标签: 冷挤压 预应力 组合 凹模 设计 计算

标准分类号

中标分类号:机械>>工艺装备>>J46模具

关联标准

出版信息

页数:15 页

标准价格:17.0 元

相关单位信息

归口单位:北京机电所

标准简介

本标准规定了冷挤压预应力组合凹模设计计算图。 JB/T 5112-1991 冷挤压预应力组合凹模 设计计算图 JB/T5112-1991 标准下载解压密码:www.bzxz.net

标准图片预览

JB/T 5112-1991 冷挤压预应力组合凹模 设计计算图
JB/T 5112-1991 冷挤压预应力组合凹模 设计计算图
JB/T 5112-1991 冷挤压预应力组合凹模 设计计算图
JB/T 5112-1991 冷挤压预应力组合凹模 设计计算图
JB/T 5112-1991 冷挤压预应力组合凹模 设计计算图

标准内容

中华人民共和国机械行业标准
冷挤压预应力组合凹模
设计计算图
1主题内容与适用范围
本标准规定了冷挤压预应力组合凹模设计计算图。本标准适用于设计冷挤压预应力组合模。2 结构和设计
JB/T5112--91
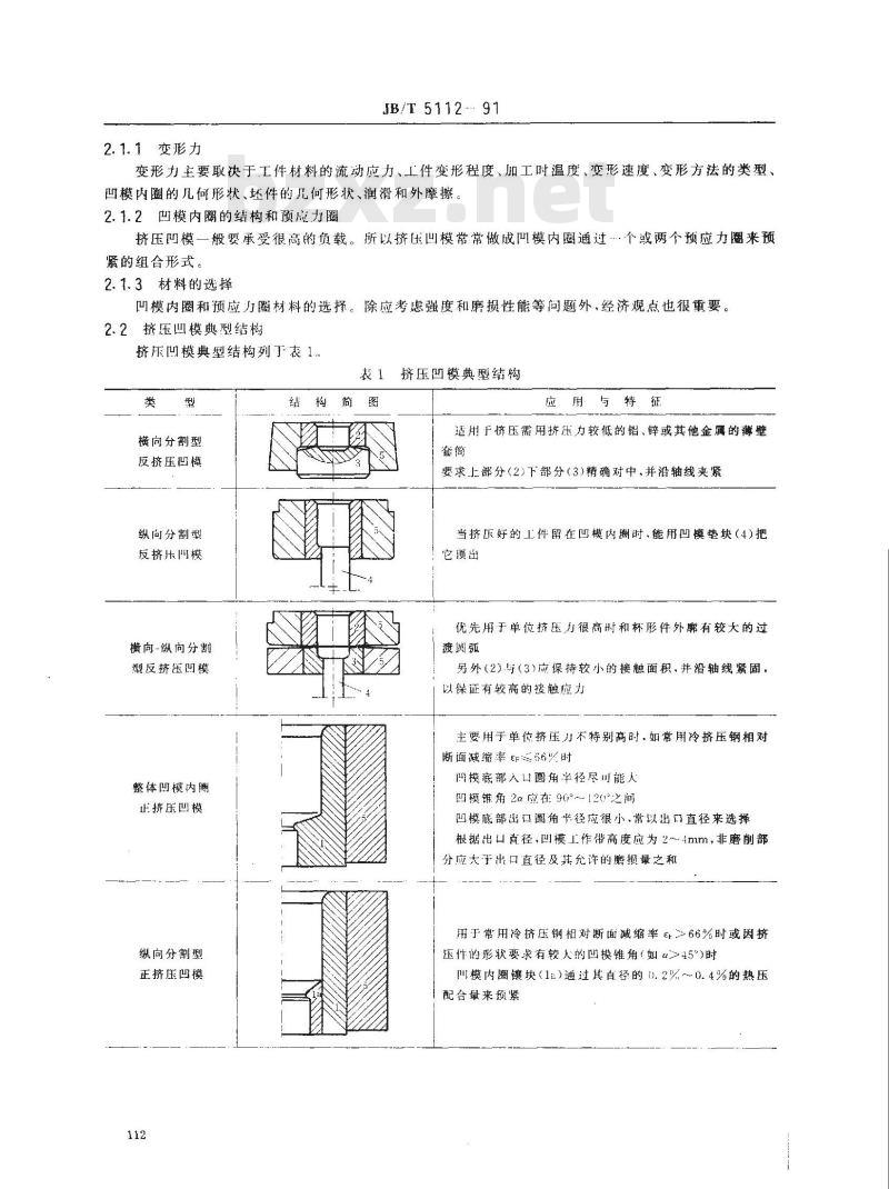
凹模内圈是挤压模具的工作部分,它接纳毛坏件并成形工件的外部形状。根据实际提出的各种要求,凹模内圈可以做成不同形式。图1表示凹模内圈4种构成。了
实心件正挤压
b杯形件反挤压
图1凹模构成
1—凹模内图;2—凹模内圈,上部分;3凹模内圈,下部分;4-凹模垫块;5—预应力图;6—凹模内围内径;7—凹模内圈入口圆角半径;8--凹模内图人口锥面;9—密封锥面,10-—凹模底部入口圆角半径,11—凹模锥角,12—凹模底部出口圆角半径;13—凹模成形工作带;14—出口直径:15--非磨削圆角半径,16-—非磨削部分;17—非磨削锥面2.1凹模内圈和预应力圈的设计
中华人民共和国机械电子工业部1991-07-15批准1992-07-01实施
2.1.1变形力
JB/T5112 --91
变形力主要取决于工件材料的流动应力、工件变形程度、加工时温度、变形速度、变形方法的类型、凹模内圈的凡何形状、坏件的几何形状、润滑和外摩擦。2.1.2凹模内圈的结构和预应力圈挤压凹模一般要承受很高的负载。所以挤压凹模常常做成叫模内圈通过…个或两个预应力圈来预紧的组合形式。
2.1.3材料的选择
叫模内圈和预应刀圈材料的选择。除应考虑强度和磨损性能等问题外,经济观点也狠重要。2.2挤压凹模典型结构
挤压凹模典型结构列于表1,
横向分割型
反挤压凹模
纵向分割型
反挤压闻模
横向-纵向分割
型反挤压凹模
整体凹模内圈
正挤压凹模
纵向分割型
正挤压凹模
挤压凹模典型结构
应用与特征
适用于挤压需用挤压力较低的铝、锌或其他金属的薄壁套筒
要求上部分(2)下部分(3)精确对中,并沿轴线夹紧当挤乐好的工件留在凹模内圈时、能用凹模挚块(4)把它顶出
优先用于单位挤压力很高时和杯形件外廓有较大的过渡圆弧
另外(2)与(3)应保持较小的接触面积、并沿轴线紧固,以保证有较高的接触应力
主要用于单位挤压刀不特别高时,如常用冷挤压钢相对断面减缩率66%时
闽模底部人口圆角半径尽川能人凹模链角2α应在:90°~120之间凹模底部出口圆角半径应很小,常以出口直径来选择根据出口直径,凹模.工作带高度应为2~~4mm,非磨削部分应大于出口直径及其允许的磨损量之和用于常用冷挤压钢相对断面减缩率印66%时或因挤压件的形状要求有较人的凹模锥角(如α>45°)时川模内圈镶块(1a)通过其直径的(.2%~0.4%的热压配台量来预紧
横向分割型
正挤压凹模
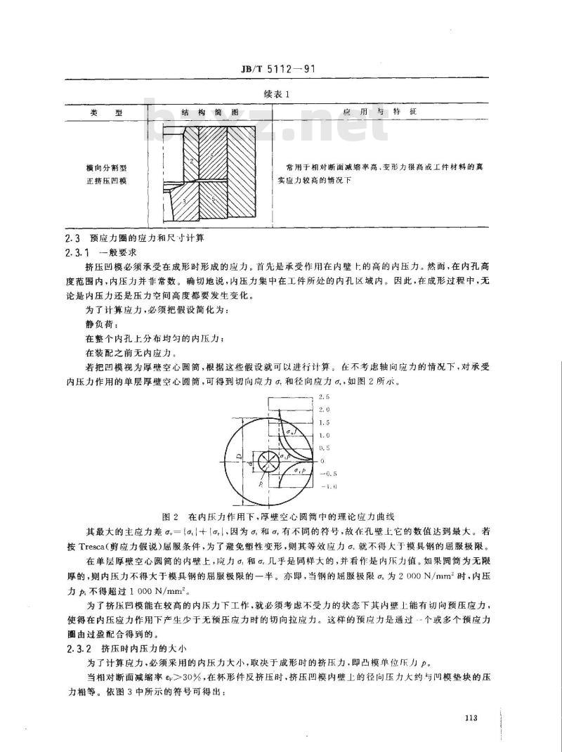
JB/T 5112—91
续表1
结构简图
应用与特征
常用于相对断面减缩率高,变形力很高或工件材料的真实应力较高的情况下
2.3预应力圈的应力和尺寸计算
2.3.1般要求
挤压凹模必须承受在成形时形成的应力。首先是承受作用在内壁上的高的内压力。然而,在内孔高度范围内,内压力并非常数。确切地说,内压力集中在工件所处的内孔区域内。因此,在成形过程中,无论是内压力还是压力空间高度都要发生变化。为了计算应力,必须把假设简化为:静负荷:
在整个内孔上分布均匀的内压力;在装配之前无内应力。
若把凹模视为厚空心圆筒,根据这些假设就可以进行计算。在不考虑轴向应力的情况下,对承受内压力作用的单层厚壁空心圆筒,可得到切向应力.和径向应力,如图2所示。2. 5
图2在内压力作用下,厚壁空心圆筒中的理论应力曲线其最大的主应力差,=十,因为和,有不同的符号,故在孔壁土它的数值达到最大。若按Tresca(剪应力假说)癌服条件,为了避免塑性变形,则其等效应力6、就不得于模具钢的屈服极限。在单层厚壁空心圆筒的内上,应力和几乎是同样大的,并看作是内乐力值。如果圆简为无限厚的,则内压力不得大于模具钢的屈服极限的一半。亦即,当钢的屈服极限αs为2000N/mm2时,内压力p不得超过1000N/mm2。
为了挤压凹模能在较高的内压力下工作,就必须考虑不受力的状态下其内壁上能有切向预压应力,使得在内压应力作用下产生少于无预压应力时的切向拉应力。这样的预应力是通过个或多个预应力圈由过盈配合得到的。
2.3.2挤压时内压力的大小
为了计算应力,必须采用的内压力大小,取决于成形时的挤压力,即凸模单位压力力。当相对断面减缩率印30%,在杯形件反挤压时,挤压凹模内壁上的径向压力大约与凹模垫块的压力相等。依图3中所示的符号可得出:113
JB/T 5112.-- 91
pαpu=Er
模垫块
图3模其上的压力
凸模单位压力:一工件底部压力内压方(1)
该前提也适用于实心件和空心件的挤压,其内压力很容易从变形力亦即凸模力Fx除以原毛坏横截面面积A得到,即
2.3.3设计参考值
图1加双层预应力圈的凹模
图4中列出的有关名称的参考数值列于表2中,可用做粗略的估计,表2预应力圈设计参考值
内压力p
>1 000~1 600
>1 600~2 000
需要的预应力圈数
要求的真径比
过盈尺寸(压缩量):d,或d:的0.2%~0.1%2.3.4单层和双层预应力圈计算
配合点径
1.0.9 VD.d
t/d./d,:1)-/(1.62.8/(2.53.2)/(46)依照2.3.1所述的假设前提,就能找到应用预应力圈的最佳尺小。\最佳\尺寸应该是能承受一定压力所具有的最小尺寸。亦即,让每一个圈在它所受的压方下达到它的极限负这时,必须区别过盈配合的两种形式。一·种形式允许在凹模内壁上出现切向拉应力,另-·种则不允许在凹模内圈内壁上出现切向拉应力。对于钢质的凹模内圈计算如下:已知参数:
内压力
四凹模内圈的屈服极限
第一个预应力圈的服极限
第二个预应力圈的屈服极限
凹模内圈的内径
弹性模量(假设所有过盈配合件都相同)相对内压应力
p,=.pi/ol
N/ntna
N/rmm2免费标准下载网bzxz
kN/mm\
所求参数:
屈服极限比
K,=a.1/os2
K2=ds1/os3
第一个结合面直径
第二个结合面直径
最外部直径
第一个结合面的过盈尺寸
第一个结合面的过盈尺寸
允许凹模内圈承受切向拉应力
JB/T 5112—91
预应力圈的直径和理论过盈量可用式(3)确定:单层预应力圈
d,=d/Q
式中:
武中:
双层预应力圈
QQ: V,
d:=d/Qr
d,=di/Qz
dios2p.+Q2
1 --QQ:
Q2-Q VK,
Q=Q: VK,
Q=QQ:Q:
用上述公式计算的单层预应力圈的结果以图形示于图5中。届服极限比K1=1.2的双层预应力圈的结果示于图6、依法可以作出K,为其他数值的相应图形。对于双层预应力圈必须验算,凹模内圈以过盈配合安装在一起时,是否预压应力过大。如果力值为0.95一1时,必须检验力,是否小于1一Q。否则,由于凹模内圈不允许有高的预应力,就必须用较大的K,或K,的值进行计算。
应用举例:
已知值:0l=2 000N/mm20s2=1 400 N/mm2p,=1400N/mm2d=25mmE=210kN/mm计算得:ps=0.7 K,1.43
以力。与K,作为自变量和变化参数,在图中查得对应的直径比及过盈量导值并计算之。115
即可得:
di=2.6×25=65mm
D=5.7×25=142.5mm
Z,=6. 8×25×2 000× 10-3=340 μm以下诸图用法相同。
JB/T 5112- 91
2.3.4.2不充许凹模内圈承受切向拉应力直径和理论过盈量可用下面的公式来确定:a.
式中:
单层预应力圈
d,=d/Q
donp(1+Q
Q=Q VKip.
Q=Q:Q2
双层预应力圈
d,=d/Q
d2=d:/Q2
1-QQ:
pQ:)
Qz=Q NK1t
Q-Q:QQ:
(23)
(29)
(30)
用上述公式计算的单层预应力圈的结果以图形示于图7中,届服极限比K,一1.2的双层预应力圈的结果示于图8,同样可作出K为其他数值的相应图形。这里也必须检验应力是否过大。要不出现超负荷,若值为0.89~1,则:p(1Q)/(1+Q)
2.3.5加工精度对过盈量的影响
理论上的过盈量,在实际加工中是不能够准确地得到的。因此,在一般的制造精度中要求凹模装配中的实际过盈量与计算过盈量之差小于计算过盈量的10%。如果实际过盈量小丁计算量,则预应力圈能承受较少的内应力,由于凹模内圈没有过高的预应力,致使提前出现流动变形。另一方面,当实际过盈量比计算量大时,预应力圈上就可能提前达到屈服极限,所以,加工的公差带应尽可能的窄。推荐直径公差为IT6级。
N/zug-0Ex
pso/1z
JB/T5112—91
JB/T5112—91
N/stuug-o1x
JB/T 5112---91
JB/T5112-
plo//z-
N/zuug-olx
p1o/\z
3材料的选择
3.1凹模内圈用钢
JB/T 5112-91
一般说来,韧性和强度应尽可能高。对所有淬透的模具钢中,包括高速钢在内,在室温时的加压屈服极限主要是与硬度和显微组织有关。此外必须了解凹模内圈用的钢对温度升高有何反应。工作时,局部温度能达到200℃或者更高,特别是大批量多工位挤压生产。若热处理没有选择足够高的回火温度,则会导致硬度值下降。
在大多数情况下,凹模内圈推荐使用的钢种有W6Mo5Cr4V2和(Cr12MoV。硬质合金也可以用做凹模内圈。但选用时必须认真地考虑其优缺点,简要的说,其优点:耐磨强度很高,抗压极限和刚性很高;缺点:韧性低,抗拉强度低,应力集中敏感性高,价格高。因此,只有在大批量生产,制件公差很窄时,才使用硬质合金模具。若选用硬质合金模具,就要选择最合适的品种,在大多数情况下,推荐含钻25%~~30%的最软硬质合金(950~750HV)。
如果要求较高的耐磨强度,可选用含钻19%~24%的较硬的品种(1050~~950HV)但只有在应力比较低的凹模内圈中才能轴向或纵向分割。冷挤压模具几乎不使用低于含钻19%的较硬的品种。3.2预应力圈用钢
3.2.1预应力圈用钢的选择与所希望的圈的强度、形状、材料和热处理等有关。同样淬透性也很重要,因为要求的机械性能必须在预应力圈的整个截面上是均匀的。用于一般要求的推荐钢种以及选择预应力圈的主要参数见表3。表3用于预应力圈的钢种
要求的强度
钢的名称
4Cr5MoSiV1
4Cr5MoSiV1
4Cr5MoSiV1
40CrNiMa
40CrNiMo
40CrMnMo
1)对于方形和矩形截面可用等效直径。硬
回火温度
20℃至各温度的膨胀系数
给定硬度
10-*/C
200℃300℃400℃500℃
4705301600-55011.7
440~510620~570
330~390/670~590
330~390
620~500
270~330670~550
270~330670~55011.812.413.0
下的伸长率
弹性模量
kN/mm2
3.2.2等效截面为正方形或矩形的钢材横截面转换成在油中率火具有同样淬透性的等效圆截面的直径,如图9所示。
在个别情况下,需要选用的其他钢种,本标准中不作为推荐钢种。121
附加说明:
JB/T 5112--·91
等效直径
80100120140160180200220240260280300320340360长度·mm
图9正方形和矩形钢材横截面转换成在油中淬火具有同样淬透性的圆截面积的等效直径本标准由机械电子工业部北京机电研究所提出并归口。本标准由机械电子工业部北京机电研究所负责起草。本标准起草人武榕、刘蓓令、张蕾。122
小提示:此标准内容仅展示完整标准里的部分截取内容,若需要完整标准请到上方自行免费下载完整标准文档。