首页 > 机械行业标准(JB) > JB/T 6960-1993 铝型材剂压模结构与技术条件
JB/T 6960-1993

基本信息

标准号: JB/T 6960-1993

中文名称:铝型材剂压模结构与技术条件

标准类别:机械行业标准(JB)

标准状态:已作废

发布日期:1993-07-27

实施日期:1994-07-01

出版语种:简体中文

下载格式:.rar.pdf

下载大小:99775

相关标签: 压模 结构 技术

标准分类号

中标分类号:机械>>工艺装备>>J46模具

关联标准

采标情况:DIN 24540 NEQ

出版信息

页数:6 页

标准价格:12.0 元

相关单位信息

归口单位:北京机电所

标准简介

本标准规定了铝型材挤压模的结构尺寸和制造精度、热处理、表在处理等通用技术条件。 JB/T 6960-1993 铝型材剂压模结构与技术条件 JB/T6960-1993 标准下载解压密码:www.bzxz.net

标准图片预览

JB/T 6960-1993 铝型材剂压模结构与技术条件
JB/T 6960-1993 铝型材剂压模结构与技术条件
JB/T 6960-1993 铝型材剂压模结构与技术条件
JB/T 6960-1993 铝型材剂压模结构与技术条件

标准内容

中华人民共和国机械行业标准
铝型材挤压模结构与技术条件
主题内容与适用范围
JB/T6960--93
本标推规定了铝型材挤压模的结构尺寸和制造精度、热处理、表面处理等通用技术条件,本标准适用于民用工业和建筑铝型材挤压模与挤压机配套选用,本标准不适用于硬铝等非民用铝型材挤压模。
2 引用标准
钢的脱碳层深度测定
金属洛氏硬度试验方法
GB 1031
GB1184
GB1299
GB5237
GB6892
金属布氏硬度试验方法
锻制圆钢和方钢尺寸、外形、重量及充许偏差表面粗糙度参数与其数值
形状和位置公差未注公差的规定合金工具钢技术条件
铝合金建筑型材
工业用铝合金热挤压型材
GB/T 1804
3结构与尺寸
一般公差线性尺寸的未注公差
铝型材挤压模有分流组合模、平面模两种结构形式。分别见图1、图2。模具的尺寸见表1。A-A
图1分流组合模
中华人民共和国机械工业部1993-07-27批准142
1994-07-01实施
挤压机
≥4. 9~~7. 84
>7.84~11. 76
>11. 76~15. 97
>15. 97 ~20, 58
>20.58~24.80
模具轮廊
JB/T 6960—93
图2乎面模
70~100
120140
铝型材挤压模具尺寸
/模垫
挤压简
>100130>130~160
140 160 180
140160180
180 200 220
180200
注:①D≥1.45~1.60Dm,Dm为铝型材的最大外接圆直径。②在保证Hi、H,的基础上,允许采用其他结构。130
/平模
≥160~~180
220240免费标准bzxz.net
180200
导流模
1>200-260
>180~200
220240
140150
240 300 360
200 220 240
180200
4技术要求
4.1制造铝型材挤压模具用钢
JB/T6960-93
4.1.1模具用钢采用电渣重熔钢或炉外精炼钢,充许采用电炉钢。模具用4Cr5MoSiV1,模垫用5CrNiMo,钢的化学成分及其他技术条件应符合GB1299的要4. 1. 2
铝型材挤压模具的模坏
模坏尺寸应符合GB908的要求。
模坏应按GB231的方法测定布氏硬度,并满足GB1299要求。模坏的心部与边部的冲击值α比应≥0.80。4.3铝型材挤压模具的制造精度
铝型材挤压模具的制造精度优先满足模具设计图的要求,若无特殊要求应符合表1的规定。4.4铝型材挤压模具的热处理
4.4.1铝型材挤压模具的热处理设备必须有防氧化措施,并优先采用真空炉。4.4.2
模具淬火后必须及时充分回火。模具热处理后应按GB230检验硬度,模具的硬度范围48~52HRC,模垫硬度范围44~49HRC。按GB224检验脱碳层深度0.2mm。有特殊要求按供需双方协议执行。4.5铝型材挤压模具的表面处理
4.5.1为提高模具的耐磨性和工作带的表面质量,可选择渗氮、氮碳共渗或多元共渗等表面处理工艺。:为延长模具寿命提高模具表面硬度,减少应力集中应在模具使用一段时间后再次进行表面处4.5.2
4.5.3铝型材挤压模具经表面处理后应符合:硬度800~1100HV;扩散层厚度0.075~0.15mm。5验收规则
5.1铝型材挤压模具的验收按本技术条件4.34.4条规定进行。5.2铝型材挤压模具的制造精度的检验工具或手段应符合表2的要求5.3铝型材挤压模具的综合质量应在正常的挤压工艺下用试模方法来检验。试模挤压出的铝型材质量,建筑型材符合GB5237、工业型材符合GB6892或铝型材图要求的模具为合格产品。表2
模具外径D,mm
模具厚度Hi.H2,mm
模具端面平行度
止口深度,mm
止口对外圆的同轴度
平面模导流口尺寸
平面模导流口底面粗糙度
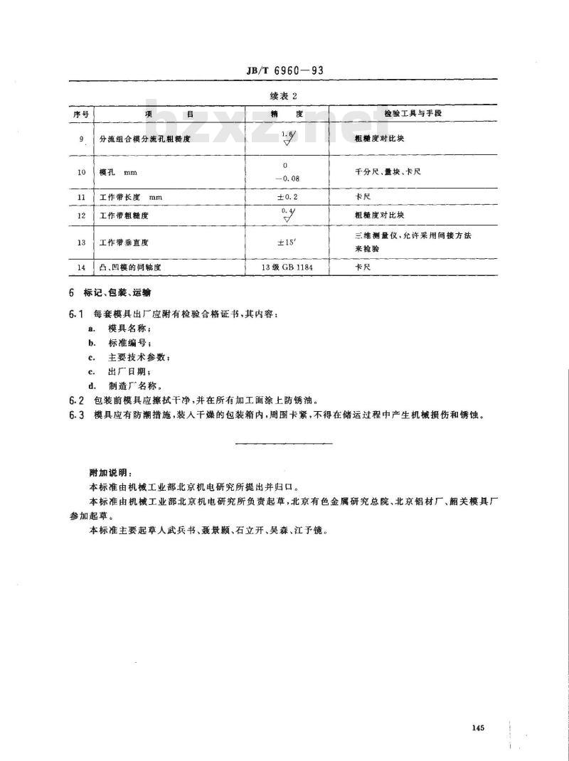
分流组合模分流孔尺寸
6级 GB1184
8级GB1184
15级GB1184
m 级 GB/T 1804
千分表
深度尺
千分表
检验工具与手段
粗髓度对比块
分流组合模分流孔粗髓度
工作带长度
工作带粗糖度
工作带垂直度
凸、凹模的同轴度
标记、包装、运输
JB/T 6960—
续表2
13级GB 1184
每套模具出厂应附有检验合格证书,其内容:8.
模具名称;
标准编号;
主要技术参数;
出广日期;
制造广名称。
包装前模具应擦拭干净,并在所有加工面涂土防锈油。6.2
检验工具与手段
粗糙度对比块
千分尺、量块、卡尺
粗糙度对比块
三维测量仪,充许采用间接方法来检验
模具应有防潮措施,装入干燥的包装箱内,周围卡紧,不得在储运过程中产生机械损伤和锈蚀。6.3
附加说明:
本标推由机械工业部北京机电研究所提出并归口。本标准由机械工业部北京机电研究所负责起草,北京有色金属研究总院、北京铝材厂、韶关模具厂参加起草。
本标准主要起草人武兵书、聂景颢、石立开、昊森、江予镜。145
小提示:此标准内容仅展示完整标准里的部分截取内容,若需要完整标准请到上方自行免费下载完整标准文档。