首页 > 机械行业标准(JB) > JB/T 7343-1994 单双动薄板冲压液压机
JB/T 7343-1994

基本信息

标准号: JB/T 7343-1994

中文名称:单双动薄板冲压液压机

标准类别:机械行业标准(JB)

标准状态:已作废

发布日期:1994-07-18

实施日期:1995-07-01

出版语种:简体中文

下载格式:.rar.pdf

下载大小:486879

相关标签: 单双 薄板 冲压 液压机

标准分类号

中标分类号:机械>>通用加工机械与设备>>J62锻压机械

关联标准

采标情况:JIS B6403-1985 NEQ

出版信息

页数:18 页

标准价格:18.0 元

相关单位信息

归口单位:西安重型机械所

标准简介

本标准规定了框架式和立柱式的单双动薄板冲压液压机的产品型式、基本参数与技术条件。 JB/T 7343-1994 单双动薄板冲压液压机 JB/T7343-1994 标准下载解压密码:www.bzxz.net

标准图片预览

JB/T 7343-1994 单双动薄板冲压液压机
JB/T 7343-1994 单双动薄板冲压液压机
JB/T 7343-1994 单双动薄板冲压液压机
JB/T 7343-1994 单双动薄板冲压液压机
JB/T 7343-1994 单双动薄板冲压液压机

标准内容

中华人民共和国机械行业标准
JB/T 7343-94
单双动薄板冲压液压机
1994-07-18发布
中华人民共和国机械工业部
1995-07-01 实施
中华人民共和国机械行业标准
单双动薄板冲压液压机
1主面内容与适用范巨
IB/T 7343-94
不标准规定了非架支和文式的甲双动恢板冲所敏巨机的产品型式、基本参效与技术杀件。本标准三要活用上单双动薄报冲压波压机(以一简称液压机或卓或滤压矶和双款滤玉机)。25!用标准
GB121!
GB1638
GB3766
CB4879
GB5236
GE Gn7
GB10923
GB11352
JB2214
Jn21a1
JB3819
JB3915
JB/T 611
ZB I62 6CA
JR/ZQ.000.2
JB/2Q4000.3
JB/ZQ 4000. 5
JB/ZQ 4000.6
JB/ZQ4009.7
J/7Q400.8
JB/ZQ1000.9
J3/2Q4000.10
JH/Q4286
JB/7Q4287
JB/ZQ6010
钢制压方穿器
碳求粘拍闷
百分表
冷技或停轧树出无经钢节
股压弱统通同技术紊件
防锈色装
凯床电气投备用技术条件
·般T.程中转造钢
摄压机械情度检验通则
一般工程中传造碳系钢
锻压机械用技术紊件
始验平尺
换压元件避用技术条件
假压机噪声洲母方法
该压机拉术杀件
淤压机安伞技术条件
波压机土参数系列
锻压机械液压系统清持度
切闹加[.件通用技术要求
源接件通用技术要求
铸件通用技术要求
传钢件补焊通用技术杀件
锈件通用技术要求
骨道与容器焊换防锈道用技术要求装配通用装术条件
涂装通用技术条件
包装通用技术条件
优质碳素结构钢
波压机“三大梁”铸制件
机工业部1994-(7-1批准
1995-07-01实施
3 型或与基本娠效
3.1墨式
型式见图1.图2、困3.图1
JE/T7343
图1拒渠式单动液压机
图么框架式双动液压机
JBr7343-94
图3立杜式单动波压机
图式柱式双动液未机
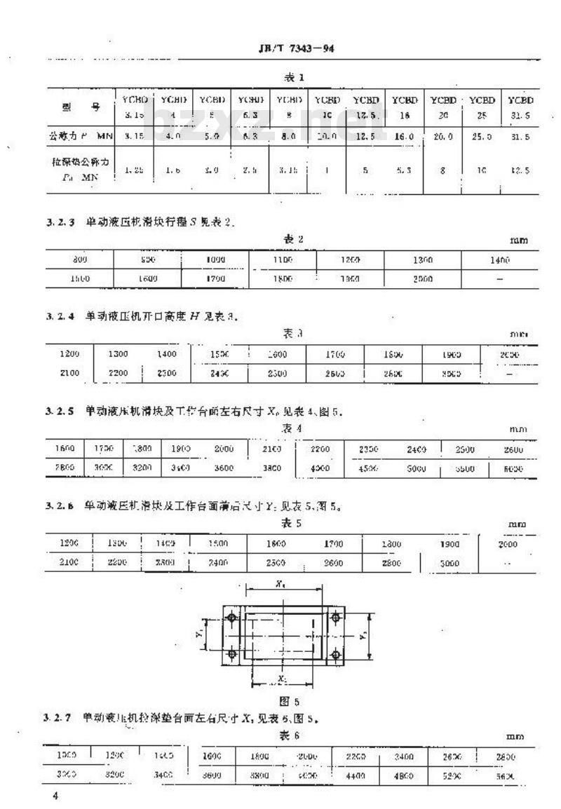
3.2.1基本款数度符合案1~装15的规定:们之可气必领的对应然系,3.2.2单动依压机的公称力及拉欲势公为等参数列十表1型
公称力产
拉深势公环力
单动液压机游块行握S见表2
JR/T 7343—94
单动液压机开口高度所见表.
单动液所机滑块及工作合萌左右尺寸X,见表4、图5表4
单动液压机治块及工作台面后民寸Y:见表5,图5。表5
单动液!压机控深垫台面左右尺中X,见表5、图5,表6
3B/T7343—94
单动液湛机拉探挚分面前后尺寸,比表7、图5,表7
单改动液压机拉深垫行程9见表8250
双动没压机方公你力,位深滑缺公称力,求边滑快公称力,拉深范公你力等参数列于表6。3.2.10
公总总女产
控深法公称计
近快公变力
保快公称力
改动液正机拉深清块行程S卫表10、阅6,YCBS
拉深块
张边滑头
3.2.12效动减压拉深研决并高H,压表11.图3,YCPs
lc/e 3
J/T7343·94
r-toll
双动液压机带块行程S.表?2、图6。12
双动液压机压速滑块十口高演片见表13.图6,t3
3. 2. 15双试浪压机工作台左行尺及压达块尺寸X,同本见图 5、图围7。3.2. 16
双动落乐机工作台前后尺寸及出适降块前后尺文,同表,见图5.至7双动俊正机拉深份面左石尺寸X,见表14、图7。表14
双动液正机拉探滑求前后尺寸Y。见表15.图7.表15
双动液出礼拉深势面有右尺X,向X,,现表1双动激压机拉深垫台值前后尺小Y。同Y,见表15。型发表尔方法
产品结构其大收进代号
三参致公称点
首动MN
动内肾域公称M)外滑块公球力(MN)特唑光号
动:效动
独光号
组代号
类代号
液与机丫
3.2.#证示例
JR/T 7343-94
12.5MN单动博板冲压液压机的标记为:YCBE12.5。3.2.23
单动薄轻冲液压机的季考系列见表15,效动板冲压液压机的垂考系列卫表17。表1单动潮板冲玉波压机参考系列挚数效
公力PMN
拉深垫力户。 MN
设位采探度
摄块行挥S
拉深塑程bzxZ.net
消标放二作
分面患
独深势
公称总序 PMN
拉察讲办公称小P
出滑决公你力
拉公PMIV
微设拉器度
拉率得决行程S
压迎带块行握Smm
拉源热行权S,mm
拉保泽决无山高度Hm
压逆请换天高您
性台台面见寸
拉深滑块改拉
深垫面尺寸
技术要求
4..1一险拉术要求
YCBDCBDYCBDYBIYCBNYRIYCHrYHIHIYCHCB
5c0s00
35nG35
双效滤板冲压液压机案考案列整数: YcIs
4500!
4.1液压机成料查本标准规定,并应按照经规定程序批证的图岸及技术文件制造。1Dr
JB/T7343-94
4.1.2液乐机成弃范用包新:主机(木体,液长传动与控制装世,电气传动与控制装盘,测沿系统及装,必细的专用工具等,随成的载摄件,爸件,特殊附件不也括在内,用户可与制逆厂协商,备可随机估应,成单独供货,优贷内容按订贷会同执行4.1.3液压机的外胸配套件应符合现行标准。4.1.4出厂产品支带出,载术文件,随抗提供支齐文件控装人包靠箱内,文件包活:产品合格证长;
b,产品使用说的书:
产品安表、维护用图样,易摄件图群:d箱单
4.1.5液玉机在正确地恒用和正常的组护保养杀件下.从开始使用到第一次大惨的工作吋问不少下Hccab
4.1.6独压机的性能好,伸用可亲,操数应灵敏4.1.7压机的工作环境温度为5~40,相对湿度慢7U%,如果环境条件不箱台上还要求,用户在订货时应说明
4.1.8用户在遵守液压机的工常运箱,保管,安装,调整便用和维护保养杀件下,在丧18规定的对间内,商正切因制造不良发生担还或不能正范工作时,制造一负声免费齿用户整理或更换率(感损件除外>,时间以先削期计算。
薇压机特性
单动激压机
双动减压机
4.2安全卫生
(月)
(月)
从虹道厂发价之日斯起
4.2.1劳全扩应符JB39E5的规定
从用户开始便用之日剪题
4.2.2液压系统必须设有安全渠护装审,减压坐与移计工作台必领设和安全联续装资.4.23电力传动与控制力面的安全要求应符合GB5226的规定4.2.4夜压机的举作恶求为双手起动式。4.2.5摘压机的噪声功率织和声止就立技JB3623的规定,其值不超过85dB(A),4. 3钝锻焊件酸盟
4.3.1铸件的一般要求应符合JB,ZQ4030.5的规定、4.3.2嵌压机的二大梁应等会JBZQ6U1\的规定。4.3,3待钢件缺陷补件的阻量序得合3仍/7.024000.6的规定,:4.3.4假件的--款要求应行含JB201000.的规定:4.3.5焊接性般要减符/2度000.5韧楚4.3.板冲出波压机的大件如染、杜,为焊接件时心符合规行有关标准及图挫规定:4.3.7舒道的焊接应符合/2Q1153,8的规定。1. 4加工属素
4.4.1零件加1.的般要求适符合/7Q4060.2的规定,4.4.2导板上作面按钟应均勺费触率在全构不小于70为,在金宽上不小于50%,4.4.3主要件对质热处理要求
上横梁,闪块,底座,T作台,如采月效解件,成不低小GB11352中2G2705CC的要求,东月停接其财所应符(70中235A的要求。J9/T 7343-94
b.文柱(指梁柱式求机的文样),其控质成不低于JB/ZQ428?中S45制的要求,并且铅学成符/4000中组要求
L:工作的材质邀不低于JB/ZQ4287中S36钢的规定,较件应符合JB/ZQ4000中7V组要求,其中机准能接划间试样要求,
d.挂寒吸活塞杆的材届应不低十JB/2Q4287中S4钜要求。4.4.4主要件上要求
4.4.4.11.横染、滑决、心率,机果,工作台H.
二一工作面,五孔表面扭度R最大允许筐6.3m.上下平面的平行度不额于7级,
旺孔对基准而的垂直度不低7。
孔及横梁中定位的文柱孔公差带H3.梁杜式压机的立杜孔中心距极胜将荒士1.15rmm4.4.4.2柱废活杆
工作表面粗稳准,放大允许值1.m。直经公差带B
阅柱度公益!级。
端面对基准回的全跳动公差?级,工作航
4. 4. 4. 3
活塞虹孔表而相橙度R,举大分许值1.心m。村套及密封处巡组精度起最人许值63um,断底及送兰台构处表面描垂,最大允许值3.2L活寒缸内孔直格公蔡书HB。
工作外则配含处公差带8。
法兰台肩而对基准回的全跳动了毁,活坐断内孔例柱度公差9敏
4.4.4.4立性(梁性式压机中的立性)a.
导间面表面粗提度R,最人允许值.6μm配合前号间而直径公差带的
导向间医住度公差分级。
操较受少及R处表面牌糖度化,量人充许偿5.2m。d
4.5装配量
4.5.1配的一股技术要求应符合JB/7Q4000.9的现定。4.5.2盘要的接合而,紧固后应紧密贴台,其向赋不火于表9规定,超差部分累计长度不大于检验长度C,且塞入深度不人于10m拍,第要的接面为。大率母与横(上梁,底):
b,上染、底座与机架(指框架式中的立往:流压江法兰台向与慎举:
、活塞杆,牛塞端面与滑块,
4.5.3每台滤压机在制造厂均应进行总装配:大型液压机因制道厂杀件限制不能进行总装配时,由别造与用户协商,制遭」在用处总装并按效方协设或合减执行液机公称MN
>6-- 26
液压机的精度
JB/FT343-州
装性闻院mra
使述机的精度安其用途分为特经及1,【,且四个等级,月户可根据用途选择转度级别,别造厂可接用户要求设计、制造、定价。级别见表纠。表20
要求特划高均特容冲压计
精密种皮作
较转密河压作
·般压件
总整配精应的检验项日
工作台至面及新快下平面的平面度,b.
滑决下平函对工和合上平面软平行宽。滑块上下运动对工作面的垂直度。由偏心引起的带块倾斜(控制号向面的间隙)。推贺式
概状式
拍式性起式
捡没前.应将需压机安互在适当的或础上,并接该策压机的具体规定谢整水平。调水二时,不应4.6.3
采思度部加压的方恢其强翻形。4.6.4工作台上平面及滑块下平面的平而度的公差值与检测方法应符合表21规定。滑块下平面对工作台上平面的平行度公差值与检万法应行合表22现定。4.6.5
4.6.6滑块上下运动到1栏台的重直度公差值与检整方法应符合表21规定。46.了由简心可引起药研块下平面对二作台倾斜公差与检查方送成符合表26规定。4.T深装质量
染装质量应符合J/7Q4000.10的规定。4. 8液压润滑气动婆置的质量
4.8.1外购和自制的液乐元件的技术要求科联接片寸应符合JB2131的规定。4.8.2假适液压血可选行部件试乐,试验力次上作尽力的1.2借。保厌时间不安于1mi,不得漏,不导有影确强度的任何迹案。4.8.3维刚单必块应进行耐压试跑,试融压力为工作压力的1效错,保压时间不下1m证.不得率通,同时应进行自闭性能及调压性能试验,启阅及谢正试验亦可放在负荷试车时逆行。4.8,4液控单向阅、充液断、间门等阀门座封处均需缺煤追诊漏试及闭性能试监。4.8.5情造波压缸、锻焊够压红原则上规定粗加上后应做耐压试频,试验乐力为工作压方的1.25培保压时闻不少于10mim,不将避漏,无永久变形。整体锻造缸,设焊给构波压缸如有好接探衡等工艺保性,可千做户间试医,
4.8.6洲滑元件,气动元件的技要求及联接寸应符合现行有关标准。4.8.正力容券的计与制造些近由取证单这逆行.升符心115的规定。压弃器出时按劳动部版发的玉力容器安全技术监密技术规艳现定差供原六文件。4.8油箱必频做烘沾带渐式监,不得湾漏,并或油范应设空气滤特器。4. 6. 9主系统的-册些求产符合G3 375的定16
检受支达
快登去法
尔意网
JB/T7343-94
工1自(或差席》上平面及滑块一面的平面店左右5月及前后方向
①将平尺放个工作争上的英十带高最决上,百分来效在作台上,表的能头魅到平凡工平而,移动百学来,在台面上的常台,前片间的中心及两端三处的九条战上,量录规上至少测5点,百分放数的敢大长值现为效定点
②骨坛下半四的产面良个加工旁成片效上述与进行规量ao
糖变等级
a.on+9.0e
社,为测量范。
2丘标主操作所在位为前,共右石,选取前活左右中较大值
乎尺的物皮不于JH2214的--效确岁,的拥不2的一级站度
小提示:此标准内容仅展示完整标准里的部分截取内容,若需要完整标准请到上方自行免费下载完整标准文档。