首页 > 国家标准(GB) > GB 17988-2000 食具消毒柜安全和卫生要求
GB 17988-2000

基本信息

标准号: GB 17988-2000

中文名称:食具消毒柜安全和卫生要求

标准类别:国家标准(GB)

标准状态:已作废

发布日期:2000-03-16

实施日期:2001-03-01

作废日期:2005-02-01

出版语种:简体中文

下载格式:.rar.pdf

下载大小:576108

相关标签: 食具 消毒柜 安全 卫生

标准分类号

标准ICS号:家用和商用设备、文娱、体育>>厨房设备>>97.040.40洗碗机

中标分类号:医药、卫生、劳动保护>>卫生>>C53食品卫生

关联标准

替代情况:被GB 17988-2004代替

出版信息

出版社:中国标准出版社

书号:155066.1-16989

标准价格:12.0 元

出版日期:2004-04-16

相关单位信息

复审日期:2004-10-14

起草单位:中国标准化协会

归口单位:国家质量监督检验检疫总局

标准简介

本标准规定了家用和类似用途食具消毒柜的定义、要求和试验方法。本标准适用于家用和类似用途以电能作为主要能源的电热消毒柜、臭氧消毒柜、紫外线消毒柜及以上这几种消毒方式相互组合的消毒柜。本标准不适用于不以食具消毒为主要用途的其他消毒柜。 GB 17988-2000 食具消毒柜安全和卫生要求 GB17988-2000 标准下载解压密码:www.bzxz.net

标准图片预览

GB 17988-2000 食具消毒柜安全和卫生要求
GB 17988-2000 食具消毒柜安全和卫生要求
GB 17988-2000 食具消毒柜安全和卫生要求
GB 17988-2000 食具消毒柜安全和卫生要求
GB 17988-2000 食具消毒柜安全和卫生要求

标准内容

GB 17988—2000
食具消毒柜自1988年问世以来,已由电热食具消毒柜发展到臭氧食具消毒柜,紫外线食具消毒柜以及电热、臭氧等组合型食具消毒柜。为了满足企业生产和市场监督的要求,促进该产品质量的提高,保障用户安全、健康,并为各企业、检验机构提供技术依据,特制订《食具消毒柜安全和卫生要求》国家标准。本标准是在目前国外还没有类似用途食具消毒柜标准情况下制定的。本标准吸收了国内医药行业、轻工总会行业两个行业标准中技术要求和试验方法的优点,在两个行业标准基础上进行统一,并进一步完善和提高,使其更加合理、科学和便于操作。本标准的安全要求与试验方法应与GB4706.1—1998《家用和类似用途电器的安全第一部分:通用要求》配合使用,标准中涉及的卫生要求及技术指标应满足GB14934一1994《食(饮)具消毒卫生标准》和卫生部1991.12《消毒技术规范》中有关食具消毒指标和消毒效果的要求。
本标准附录 A、附录 B是标准的附录。本标准附录C是提示的附录。
本标准由国家质量技术监督局提出。本标准由中国标准化协会负责起草。本标准由中国标准化协会归口。本标准参加起草单位:中国标准化协会、国家质量技术监督局广州电气安全检验所、全国消毒技术与设备标准化技术委员会、广东康宝电器有限公司、广东容声电器股份有限公司、广东万和企业集团、广东家用电器行业协会。
本标准主要起草人:林志力、黄秀莲、易验、梁冠智、洪文清。本标准由中国标准化协会负责解释。725
1范围
中华人民共和国国家标准
食具消毒柜安全和卫生要求
Safety and sanitation requirements fordisinfection tableware cabimetGB 179882000
本标准规定了家用和类似用途食具消毒柜(除定义外以下简称消毒柜)的定义、要求和试验方法。本标准适用于家用和类似用途以电能作为主要能源的电热消柜、臭氧消毒柜,紫外线消毒柜及以上这几种消毒方式相互组合的消毒框。本标准不适用于不以食具消毒为主要用途的其他消毒柜。2引用标准
下列标准所包含的条文,通过在本标准中引用而构成为本标准的条文。本标谁出版时,所示版本均为有效。所有标准都会被修订,使用本标准的各方应探讨使用下列标准最新版本的可能性。GB4706.1-1998家用和类似用途电器的安全第一部分:通用要求GB/T5433---1985日用玻璃透过率测定方法GB7000.1-1996灯具-般安全要求与试验GB9969.1-1998工业产品使用说明书总则GB14934--1994食(饮)具消毒卫生标准卫生部1991.12消毒技术规范
3定义
应符合GB4706.1中的定义要求,本标准另外采用下列定义。3.1 食具消毒disinfection tableware用物理或化学方法杀灭清洗过的自然食具中病源微生物的过程。3.2 食具消毒柜 disinfectjon tableware cabinet有适当的容积和装备,用物理、化学或两者结合为手段来消毒食具的器具。它具有放置食具的个或多个间室。
3.3电热食具消毒柜electric-heatingdisinfection tableware cabinet通过电热元件加热进行食具消的消毒柜。3.4臭氧食具消毒柜ozonedisinfection tablewarecabinet通过臭氧进行食具消毒的消毒柜。3.5紫外线食具消毒柜ultraviolet radiation disinfection tableware cabinet把紫外线作为食具消毒手段之的消毒柜注:仅靠紫外线消的消毒柜是不适用于食具消毒。3.6组台型食具消薄柜combined disinfection tableware cabinet由两种或两种以上消毒方法组合而成,对食具进行消毒的消毒柜。国家质量技术监督商2000-03-16批准726
2001-03-01实施
3.7空载 no-load
食具消毒柜内不放置食具的状态。3.8满载full-load
GB17988—2000
食具消毒柜内按制造厂说明书放入规定重量或体积的食具的状态。3.9臭氧泄漏量amount of ozone leakage在一个温度为23℃士2℃,相对湿度50%士10%的密闭房间内,房间的尺寸为:(宽×长×高)2.5mX3.5m×3.0m,食具消毒柜在额定电压下满载或空载工作,个工作周期内和工作结束10min内,离食具消毒柜外表20cm处的最高臭氧浓度。3.10工作周期operation period消毒柜从开始工作至控制装置切断电源时所需的时间。3.11 消毒时间 time of disinfection消毒柜内中心点温度或臭氧浓度达到规定的消毒温度或浓度值时开始计时,直至控温装置切断电源时停止工作,柜内消毒温度或臭氧浓度下降到规定值以下时终止计时,其时间为消毒时间。3.12消毒级数class of disinfection不同消毒级数表示消毒柜的消毒效果不同,详见4.2.1。3.13正常工作状态normal operation消毒柜在不打开门时的满载工作状态。4技术要求与试验方法
4.1安全要求与试验方法
4.1.1总体要求
应符合GB4706.1-1998第3章的要求。4.1.2试验中的一般条件
应符合GB4706.1一1998第4章的要求,并增加下述要求。4.1.2.1测量臭氧泄漏量、臭氧排放量时应在温度23℃土2℃,相对湿度为50%士10%密闭房间内进行,若对测量结果有疑问时,则环境温度保持在23℃士2℃,相对湿度保持在50%士5%。4.1.2.2除特别注明外,臭氧消毒柜、紫外线消毒柜、组合型消毒柜按联合型器具进行试验。4.1.3分类
应符合GB4706.1-1998第6章的要求,并作下述改动,GB4706.1—1998的6.1用下述内容代替:
消毒柜应是1类、I类、咀类器具中的一种。通过视检和有关试验来检查其合格性。4.1.4标志和说明
应符合GB4706.1—1998第7章的要求,并作下述修改。4.1.4.1GB4706.1--1998的7.1增加下述内容:消毒柜正面位置应标有消毒级数,用以提示不同的消毒结果,一星级消毒用“*”表示;二星级消毒用“**”表示。
在说明书或标志上应注明消毒柜的搁架和抽屉能够放置食具的承载量(kg)和消毒柜的容积(L)。4.1.4.2GB4706.1--1998的7.12.1增加下述内容:臭氧消毒柜在说明书上应注明如在使用过程中发现臭氧泄漏,应马上停止使用,通知专业人员进行维修。
紫外线消毒柜在说明书上应注明如在使用过程中发现可以不经过任何透光物体(如玻璃等)可直接看到紫外线灯管发出的光线时,应马上停止使用,通知专业人员进行维修。在维修过程中,拆开某个盖子727
GB17988—2000
后,可直接看到紫外线灯发出的光线的话,则在这个盖子上应有警告:打开盖子时注意紫外线辐射。若紫外线灯管损坏必须更换相同功率和波长的高臭氧紫外线灯管。4.1.4.3GB4706.1—1998的7.12.5增加下述内容:臭氧、紫外线消毒柜应在说明书中有如下警告:关好门后,才能使消毒柜工作,否则会有臭氧泄漏或紫外线辐射。
消毒柜应有下面相同意义的说明:把食具上的水倒净后才能放进柜内:在消毒柜工作结束20min后才能打开柜门,以免臭氧泄漏或烫伤;不能把非食具放入消毒柜内。如消毒柜不适合用于塑料等不耐高温材料食具消毒,应在说明书中注明。消毒柜应在说明书中说明消毒效果:电热消毒柜应说明消毒温度、消毒时间及误差范围,臭氧消毒柜和紫外线消毒柜应说明臭氧浓度、消毒时间及误差范围。4.1.5对触及带电部件的防护
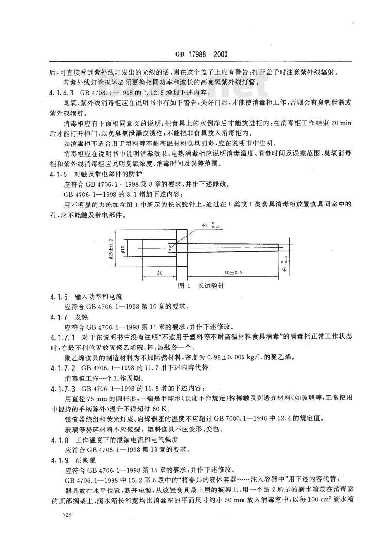
应符合GB4706.1-1998第8章的要求,并作下述修改。GB 4706.1一1998的8.1增加下述内容:用不明显的力施加在图1中所示的长试验针上,通过在1类或Ⅱ类食具消毒柜放置食具间室中的孔,应不能触及带电部件。
$4 -0. 05
4.1.6输入功率和电流
图1长试验针
应符合GB4706.1—1998第10章的要求。4.1.7发热
应符合GB4706.1—1998第11章的要求,并作下述修改。4.1.7.1对于在说明书中没有注明“不适用于塑料等不耐高温材料食具消毒”的消毒柜正常工作状态时,在最不利位置放置聚乙烯碗、杯、汤匙各一个。聚乙烯食具的制造材料为不加阻燃材料,密度为0.96土0.005kg/L的聚乙烯。4.1.7.2GB4706.1—1998的11.7用下述内容代替:消毒柜工作-个工作周期。www.bzxz.net
4.1.7.3GB4706.1—1998的11.8增加下述内容:用直径75mm的圆柱形,一端是半球形(长度不作规定)探棒触及到透光材料(如玻璃等,正常使用中握持的手柄除外)温升不得超过60 K。镇流器绕组和荧光灯座、启辉器座的温度不应超过GB7000.1—1996中12.4的规定值。玻璃等易碎材料不应破裂。塑料食具不应变形、变色。4.1.8工作温度下的泄漏电流和电气强度应符合GB4706.1—1998第13章的要求。4.1.9耐潮湿
应符合GB4706.1—1998第15章的要求,并作下述修改。GB4706.1—1998中15.2第6段中的“将器具的液体容器·注入容器中”用下述内容代替:器具放在水平位置,断开电源,从放置食具最上层的搁架上,用一个图2所示的滴水箱放在消毒室的顶部搁架上,滴水箱长和宽均比消毒室的平面尺寸约小50mm放入消毒室中,以每100cm2滴水箱728
GB 17988-2000
表面积用 10 mL的冷水在 1 min 内均匀地倾注在消毒室内的下表面上。如果消毒柜有超过1个间室的话,则逐个轮流进行试验。图2滴水箱
4.1.10泄漏电流和电气强度
应符合GB4706.1—1998第16章的要求。4.1.11变压器和相关电路的过载保护应符合GB4706.1--1998第17章的要求。4.1.12耐久性
消毒柜在1.1倍额定电压下工作105个空载工作周期,每个工作周期之间应使消毒柜冷却到接近室温,可采用强迫冷却方法。试验结束后,消毒柜不应有危及安全的损坏,消毒效果应符合4.2要求。4.1.13非正常工作
应符合GB4706.11998第19章的要求,并作下述修改。4.1.13.1GB4706.1—1998的19.2用下述内容代替:消毒柜按4.1.7的要求进行空载试验,电源电压应为使消毒柜的输入功率为正常工作状态下稳定的输入功率0.85倍。
对在说明书中注明“不适用于塑料等不耐高温材料消毒柜”的消毒柜(室),应把聚乙烯碗、聚乙烯杯和聚乙烯汤匙各一个放在消毒柜(室)中最不利的搁架位置上,柜中不放其他食具,然后按4.1.7的规定进行试验,但在测试角的底板上铺上一层软纸,试验中有烟或气味时,打开柜门,火焰不得引燃软纸和消毒柜的其他部件。
如果消毒柜有超过1个间室,则依次轮流进行试验。注
1软纸是通常用来包装精致艺术品的一种薄、软、轻韧性强的包装纸,其单位质量在12g/m和80g/m之间。2此试验所用的食具制造材料为不加阻燃材料,密度为0.96士0.005kg/L的聚乙烯。4.1.13.2GB4706.1--1998的19.4增加下述内容:对在说明书中没有注明“不适用于塑料等不耐高温材料食具消毒”的消毒柜(室),试验时,在测试角的底板上铺上一层软纸,试验中有烟或气味时,打开柜门,火焰不得引燃软纸和消毒柜的其他部件。如果消毒柜有超过1个间室,则依次轮流进行试验。注:软纸是通常用来包装精致艺术品的一种薄、软、轻又韧性强的包装纸,其单位质量在12g/m2和80g/m2之间。4.1.13.3紫外线消毒柜应符合GB7000.1—1996中12.5的要求,试验时室温应在15℃~25℃之间,消毒柜应满载和按4.1.7的要求放置。4.1.14稳定性和机械危险
应符合GB4706.11998第20章的要求,并作下述修改。GB4706.1-1998的20.1增加下述内容:非固定安装的消毒柜应能经受下述试验:把门上带有搁架的消毒柜放在水平位置上,把门打开到最不利位置,消毒柜的间室空载或满载按最不利状态进行,对于装有几个门的消毒柜,最多同时打开2个门,依次在门离铰链最远的地方施加一个力,这力为:
垂直铰链15N
一水平铰链 30 N
试验中消毒柜不得翻倒,
GB17988 -2000
对带有抽屉的消毒柜,放在水平位置上,按产品说明书给出的标称承载量,使满载的抽屉置于最不利的位置。消毒柜的其他间室空载或满载,按最不利状态进行,门打开约90°,消毒不得翻倒。对于装有几个门的消毒柜,轮流打开1个门容积60L~200的消毒柜的门应能从内部打开,打开门所需力不应大于70N,门上装有不小于15cm×10cm玻璃或在进行GB4706.1--1998第21章的冲击试验后破裂材料的消毒柜除外。是否合格,通过下面试验来检查门关闭后,用拉力计在离铰链远的门把手上施加一个力,其方向垂直于门正面。4.1.15机械强度
应符合GB4706.1-1998第21章的要求,并作下述修改。4.1.15.1在GB4706.1-1998的21.1中增加下述内容:臭氧、紫外线消柜中的易碎部件,其冲击能量为0.35J士0.04J。奥氧消毒柜在冲击试验后,按4.1.26.1进行试验,臭氧泄漏量不允许超过0.2mg/m。紫外线消毒柜冲击试验后,不得从柜外直接看到紫外线管发出的光。4.1.15.2支承消柜的固定支架或类似装置,以及消毒柜的摘架、抽屉必须具有足够的机械强度。是否合格,通过视检和下面试验来确定:把消毒柜按产品说明规定放置安装好,放入1.5倍制造厂规定的重量的物体,把消毒柜的门、抽置于最不利的位置,经4h后,取出食具,支承消毒柜的固定支架或类似装置和消毒柜的搁架,抽屉应无损坏及明显变形。
4.1.16结构
应符合GB4706.11998第22章的要求,并增加下述内容。4.1.16.1臭氧消囊柜(室)、紫外线消毒柜(室)均应安装门开关。奥氧浓度≥40m/m的臭氧消毒柜(室)、紫外线消毒柜(室)门应安装有联锁开关,使当消毒柜(室)完成消毒周期后,消毒柜(室)门才能打开:奥氧或紫外线消柜(室)应安装有联锁开关,当消毒柜(室)门打开的最大缝漆达到2cm时,翼氧发生装置、紫外线灯管立停止工作。当门重新关上时,才能使臭氧发生器紫外线灯管重新工作。是否合格,通过手动试验和测量来确定。4、1.16.2把紫外线消毒柜的可拆部件全部拆去,应通过光透过率符合表1规定材料,才能从柜外看到紫外线灯管发出的光。
通过视检来确定是否合格。
在有怀疑的情况下,应按GB/T5433测定材料的光透过率是否符合表1规定。注:普通的日用玻璃和钢化玻璃通常被认为是符合要求的。表1光透过率
波长,nm
250320
320<≤400
400550
4.1.16.3臭氧、紫外线消毒柜的门应借助工具才能拆卸。是否合格,通过手动试验来确定。4.1.17内部布线
应符合GB4706.11998第23章的要求,并增加下述内容。最大光透过率,%
4.1.17.1普通橡胶或其他可能受到臭氧、紫外线影响的材料作护套或绝缘导线不应用作臭氧、紫外线消罐柜(室)的内部布线。
4.1.18元件
GB17988—2000
应符合GB4706.1—1998第24章的要求。4.1.19电源连接及外部软缆和软线应符合GB4706.1一1998第25章的要求,并作下述修改。在GB4706.1—1998的25.7中增加下述内容:臭氧、紫外线消毒柜(室)不应使用普通橡胶或其他可能受到臭氧、紫外线影响的材料作护套或绝缘的电源软线。
4.1.20外导线的接线端子
应符合GB4706.1—1998第26章的要求。4.1.21接地措施
应符合GB4706.1—1998第27章的要求。4.1.22螺钉和连接
应符合GB4706.1—1998第28章的要求。4.1.23肥电距离、电气间隙和穿通绝缘距离应符合GB4706.11998第29章的要求,并增加下述内容。消毒柜内镇流器、灯座和启辉器的爬电距离、电气间隙应符合其部件标准的要求。4.1.24耐热、耐燃和耐漏电起痕应符合GB4706.1-1998第30章的要求,并增加下述内容。消毒柜用于照明的镇流器、灯座、启辉器座等的非金属部件应符合GB7000.1一1996中第13章要求。
4.1.25防锈
应符合GB4706.1-1998第31章的要求。4.1.26辐射、毒性和类似危险
应符合GB4706.1—1998第32章的要求,并增加下述内容。4.1.26.1臭氧泄漏量试验
臭氧或紫外线消毒柜在额定电压正常工作状态下工作,按4.1.26.3进行试验,在工作周期内和工作结束10min内,在距柜表面20cm处的最高臭浓度不应超过0.2mg/m。4.1.26.2门系统耐久性试验
臭氧、紫外线消毒柜的门系统,包括铰链、门开关、门缝压条和其他有关部件,必须经正常使用中的正常磨损。
通过10000次的开门试验来检验臭氧、紫外线消毒柜的门系统是否合格。1次开门是把门关上再打开。
将门打开到最大行程,门上的搁架应按厂方说明放上规定重量的食具,开门的速率应不大于6次/min,试验时应接通消毒柜的电源。完成开门试验后,任何机械或电气方面的部件都不应有影响安全的失效,臭氧泄漏量不应超过4.1.26.1的要求。4.1.26.3臭氧浓度的测试方法
在个密闭的房间内进行试验,房间的尺寸为:(宽×长×高)2.5m×3.5m×3.0m,墙壁表面覆盖聚氯乙烯板,臭氧、紫外线消毒柜按照说明书在房间中央放置或安装好,在桌面上使用的臭氧、紫外线消毒柜放置在离地板750mm高度的房间中央进行试验,用紫外线法测量臭氧浓度。房间温度保持在23℃土2℃和相对湿度50%士10%,试验时首先测量原来空气中的臭氧浓度,以便将试验中测得的最大浓度减去原来空气中的臭氧浓度。4.1.27应符合GB4706.1-1998附录的要求。4.2消毒效果及物理性能通用要求和试验方法731
GB17988—2000
4.2.1消毒柜划分为两个星级,其消毒效果分别为:一星级消毒柜:a)对大肠杆菌杀灭率应不小于99.9%;b)对金黄色葡萄球菌杀灭率应不小于99.9%。二星级消毒柜:a)对大肠杆菌杀灭率应不小于99.9%;b)对金黄色葡萄球菌杀灭率应不小于99.9%;c)对乙型肝炎表面抗原(HBsAg)的破坏效果试验应呈阴性反应。是否合格,通过附录A(标准的附录)和附录B(标准的附录)的试验来确定。4.2.2现场消毒效果试验
一星级、二星级消毒柜对自然菌的杀灭率应大于90%,消毒后致病菌不得检出。是否合格,通过下列试验来确定。a)对照组:用无菌棉拭子沾取0.03mol/LPBS缓冲液,在污染的食具(碗、杯、筷子等)5cm×5cm面积范围内,横直来回均勾涂擦10次,并不断转换拭子擦拭面。将拭子棉花端剪入含5.0mL、0.03mol/LPBS缓冲液的试管内,振打100次,以洗下棉签上的细菌,接种普通营养琼脂平板,每个样品接种2个平板。将平板放于37℃恒温箱培养24h,取出进行活菌计数。b)实验组:将与对照组同样的污染食具(碗、杯、筷子等)放入消毒柜上、中、下各层的里外各点,按生产厂的使用说明书规定的方法进行操作消毒,消毒柜消毒周期结束后,取出消毒后的食具,按4.2.2a)对照组的方法进行细菌的采样、接种、培养和活菌计数。试验一般重复3~5次,取其算术平均值。自然菌菌落数的检验方法按GB14934-1994中的6.1.2进行。4.2.3消毒柜的物理性能
电热消毒柜内的消毒温度、消毒时间和允许误差范围,臭氧消毒柜和紫外线消毒柜的臭氧浓度、高臭氧紫外线灯管规格、消毒时间和误差范围均由生产厂在使用说明书中进行规定。试验方法按附录C(提示的附录)进行。本条款仅供生产厂在出厂检验时采用。4.2.4消毒柜的外观与结构
4.2.4.1消毒柜箱体外形应端正,外表面应光洁,色泽均匀,无伤痕;涂覆件表面不应有起泡、流痕和剥落等缺陷
4.2.4.2消毒柜的箱体结构应牢固,门封条应密封良好,与门框帖合紧密,不应有变形,柜门开关和控制器件应方便、灵活、可靠,紧固部位应无松动。是否合格,通过目测和手动试验来确定。4.2.5消毒柜使用说明书
消毒柜的使用说明书应符合GB9969.1要求,并增加下述内容:a)消毒柜的适用范围、操作规程、安装方法和注意事项;b)消毒柜的电源电压使用范围、额定功率;c)消毒柜的体积、容积和标称重量;d)消毒柜的工作周期;
e)消毒柜表示消毒范围和消毒效果的“星级”标志;f)臭氧发生器、高臭氧紫外线灯管的有效使用寿命。732
A1材料和仪器
GB 17988 -2000
附录A
(标准的附录)
食具消毒柜对大肠杆菌、金黄色葡萄球菌消毒效果的试验方法a)大肠杆菌(ATCC25922,8099);b)金黄色葡葡球菌(ATCC6538);注:以上菌种可由卫生部指定单位提供。c)营养琼脂:
d)玻片或培养血(灭菌处理);e)超净间或超净工作台;
f)恒温培养箱;
g)铂金耳接种环、酒精灯、移液管、试管等。A20.03mo1/LPBS缓冲液的配制
成分:磷酸氢二钠2.84g;磷酸二氢钾1.36g;将两种试剂按要求浓度溶于蒸馏水中,加蒸馏水至1000mL,调pH值至7.2~7.4。分装后经压力蒸汽121℃作用20min灭菌备用A3菌液的制备
取第3~14代的菌种,接种于营养琼脂斜面,于37℃恒温箱培养18h~24h。加入3mL、0.03mol/LPBS缓冲液,洗下菌苔,振打2min,用无菌粗滤纸过滤,放4℃冰箱备用,供三天内使用。A4菌液中含量的测定
测定原菌液含菌量,以便试验时确保菌液含菌量为5×10°cfu/mL~5×10°cfu/mL。测定方法:
将上述制备的菌液用比浊法稀释为约含10°cfu/mL菌液,取0.5mL加入4.5mL、0.03mol/LPBS中,进行10倍系列稀释,选适宜稀释度,使每血菌落数在30~300之间菌液,各取0.1mL分别接种普通营养琼脂平板,每样本接种2个平板。将平板放于37℃恒温箱培养24h,取出计数菌落数。并以相应稀释倍数折算回原菌液所含菌量(若有2个或2个以上稀释度样液符合上述要求时,以其菌量的平均值作为原菌液所含菌量)。
A5菌片含菌量的测定
以载玻片为载体,染菌后测其所载菌量,以保证试验所用载菌玻片的含存活菌量为5×10°cfu/ml.~5X10° cfu/mL。
测定方法
取含菌量为5×10°cfu/mL~5×10°cfu/mL的菌悬液10μL滴染于灭菌玻片上。将染菌后的玻片置37℃恒温箱内干燥30min,取出菌片放入含5.0mL、0.03mol/LPBS的试管中振打200次。将洗液作10倍系列稀释,选适宜稀释度菌液,各取0.1mL分别接种普通营养琼脂平板,每个样品接种2个平板。将平板放于37℃恒温箱培养24h,取出计数菌落数,求其平均值,以菌落数在30~300个间者为准,并以相应稀释倍数折算出每片玻片所含菌量(有2个或2个以上稀释度样液符合上述要求时,以其菌量的平均值作为菌片含菌量)。
A6消毒试验
GB 17988--2000
按前法将滴染的干燥玻片装人平皿内,每Ⅲ两片放人消柜的上、中、下各层里外各点,以接近实际使用情况,在满载情况下,相对凝度大于90%条件下,按厂方使用说明书规定方法进行操作消。同时,留一片染菌玻片餐室温下作对照,并记录当时室内温、湿度。消毒柜消毒周期结束,取出玻片置入含5.0mL、0.03mol/LPBS缓冲液的试管中振打200次。选适宜稀释度菌液,取该液0.1ml.接种普通营养琼脂平板,每个样本接种2个平板。将平板放置37℃恒温箱培养24h,观察有无菌落生长,并计算菌落数,求其平均值。消毒前对照组菌片的含菌量按A4的方法进行测定,试验一般应重复5次。杀灭率的计算
杀灭率(%) 消毒前对照组干的薄蓝数平均道毒后平均菌落数 ×100消毒前对照组平均菌落数
具体试验方法和杀灭率计算可参照卫生部1991.12《消毒技术规范》第五章。附录B
(标准的附录)
食具消毒柜对乙型肝炎表面抗原HBSA破坏效果的试验方法B1材料和仪器
a)纯化艺型肝炎表面抗原(HBsAg)悬液浓度为2mg/mL;b)小牛血清(56℃.30min灭活)c)HBsAg标试剂盒(灵缴度为≤3.2ng/mL);d) 0. 02 rmol /L、pH7. 2~~7. 4 PBS 缓冲液;e)酶标仪,振荡器,37℃,43℃恒温箱,微量取样器,微量吸头,灭菌玻片,吸管,试管。B2几种溶液的配制
B2.1pH9.6、0.05mol/L碳酸盐缓冲液碳酸盐(NazCO,)
碳酸氢钠(Na2HCO:)
蒸馅水加至
B2. 2 pH7. 2~7. 4,0. 02 mol /L 的 PBS缓冲液氯化钾(KC!)
磷酸二氢钾(KH,PO)
磷酸氢二钠(Na2HPO4·12H20)
氯化钠(NaC)
蒸馏水加至
B2.3 pH7. 4.0.02 mo1/L Tris-Tween 洗涤液三甲基氨基甲烷(Tris)
1mol/L盐酸(HCL)
吐温20(Tween 20)
蒸馏水加至
B2.4底物缓冲液(显色液)
**+-.( Al )
1000mL
1 000 ml
1 000 ml.
A液:磷酸氢二钠(NazHPO)
B液:柠檬酸(C.H.O·H2O)
蒸馏水加至
B2.5终止液(4mol/LH,SO4)
浓硫酸(H,SO)
加蒸馏水
GB17988-2000
B3酶联免疫吸附法(ELISA)试剂灵敏度的测定3.58g
177. 8 mL
用含10%小牛清的0.02mol/LPBS将HBsAg做10倍系列稀释,使HBsAg的浓度分别为:1.0 μg/mL.*0.1 ng/mL,2.0 μg/mL,....0.2 ng/mL,3.0 μg/mL...0.3 ng/mL,使各浓度试样每管含量为1mL。每管平均测定两份,每份0.1mL,取其平均OD值,测定方法参考试剂盒使用说明书。并设含10%小牛血清PBS为阴性对照,以S/N大于2.1的最高HBsAg稀释度作为该试剂的灵敏度。B4滴染载体
取HBsAg悬液20uL(用含5%小牛血清的PBS稀释,浓度为灵敏度的5万倍,即若灵敏度为2ng/mL,则应取100ug/mL浓度的HBsAg作为消毒试验用抗原浓度),滴染无菌玻片,涂匀后放入37℃恒温箱中待悬液干燥后,进行抗原性的破坏试验(约20min~40min)。B5HBsAg抗原性破坏试验
将上述干燥的载抗原玻片置于平Ⅲ内,每个平皿放两片,然后将该平血放置消毒柜各层里外各点。消毒柜在满载情况下进行消毒试验,消毒柜操作方法按厂方使用说明书规定进行,工作周期结束后,取出玻片,加入含1mL、10%小牛血清的PBS的试管中振打200次。取0.1mL进行ELISA检测,每管平均做两份,具体检测方法参考试剂盒说明书。取其平均OD值,试验重复5次。同时设阳性(未消毒的载抗原玻片加入到含1mL、10%小牛血清PBS试管中)及阴性对照(10%小牛血清的PBS),每管平均做3份,取其平均值。
B6HBsAg抗原性效果的评定
以被检测样品的平均OD值(S)/阴性对照的平均OD值(N)<2.1为阴性作为HBsAg抗原性破坏合格标准。
具体试验方法和HBsAg的破坏试验可参照卫生部1991.12《消毒技术规范》中的5.7。附录C
(提示的附录)
:食具消毒柜的物理性能试验方法C1电热食具消毒柜消薄温度与消囊时间的试验C1.1消毒温度和消毒时间
一星级电热消毒:柜内消毒温度应≥100℃,消毒时间应≥15min。二星级电热消毒:柜内消毒温度应≥120℃,消毒时间应≥15min。本条仅推荐给生产厂在出厂检验时采用C1.2消毒温度的试验
试验在满载状态下进行。柜内各层架按说明书规定的放置方法均勾放入洗净的食具,测量温度传感735
GB17988—2000
器置于消毒柜规定测试点上。测试点的分布以层架为基础,50I以下在柜的中央中间位置设一个点。100L以内的设三个测试点,分别为最上层架后壁与两侧的中间位置;柜的中央层架中央位置;最下层架门与两侧的中间位置。大于100L的设5个测试点,除上述三个测试点外,在最上层架与中央层架的门与两侧中间设一个点;在中央层架与最下层架的后壁与两侧的中间设一个点,测量温度传感器的放置离柜壁和门30mm,并不与其他物体接触。电热食具消毒柜在额定电压下工作,通电至限温器动作为第一次,然后打开柜门,冷却至电源重新能接通,测5次,取第3、第4、第5次测试点的最低温度值应符合产品说明书规定。测试点的分布如图C1、C2所示。图C1100L以内测试点的分布
C1.3消毒时间的试验
图C2大于100L测试点的分布
按C1.2操作。当柜内中心点温度达到规定消毒温度值时开始计时,直至限温器动作后,工作指示灯熄灭,柜内中心点温度低于规定消毒温度值时终止计时,其时间为消毒时间,应符合产品说明书的规定。
C2奥氧和紫外线消霉柜臭氰浓度与消毒时间的试验C2.1臭氧浓度和消毒时间
一星级臭氧消毒:柜内臭氧浓度应≥20mg/m2,湿度≥80%,消毒时间应≥30min。二星级臭氧消毒:柜内臭氧浓度应≥40mg/m,湿度≥80%,消毒时间应≥60min。本条仅推荐给生产厂在出厂检验时采用。C2.2消毒浓度和消毒时间的试验试验在满载状态下进行。臭氧消毒柜或紫外线消毒柜(紫外线灯管为高臭氧紫外线灯)在额定电压下工作,用臭氧浓度测试仪测量柜内中心部分的臭氧浓度,当柜内中心部位臭氧浓度达到20mg/m2或40mg/m2时开始计时,直到臭氧发生器停止工作,柜内臭氧浓度低于20mg/m或40mg/m2时终止计时,其时间为消毒时间。应符合产品说明书的规定。736
小提示:此标准内容仅展示完整标准里的部分截取内容,若需要完整标准请到上方自行免费下载完整标准文档。