首页 > 轻工行业标准(QB) > QB/T 2279-1996 钢琴击弦机
QB/T 2279-1996

基本信息

标准号: QB/T 2279-1996

中文名称:钢琴击弦机

标准类别:轻工行业标准(QB)

标准状态:已作废

实施日期:1995-10-01

作废日期:2005-01-01

出版语种:简体中文

下载格式:.rar.pdf

下载大小:198176

相关标签: 钢琴

标准分类号

中标分类号:轻工、文化与生活用品>>文教、体育、娱乐用品>>Y58乐器

关联标准

替代情况:ZB Y58003-1989;被QB/T 2279-2004代替

出版信息

页数:10页

标准价格:15.0 元

相关单位信息

标准简介

QB/T 2279-1996 钢琴击弦机 QB/T2279-1996 标准下载解压密码:www.bzxz.net

标准图片预览

QB/T 2279-1996 钢琴击弦机
QB/T 2279-1996 钢琴击弦机
QB/T 2279-1996 钢琴击弦机
QB/T 2279-1996 钢琴击弦机
QB/T 2279-1996 钢琴击弦机

标准内容

QB/T 2279--1996
本标准系ZBY58003—1989《钢琴击弦机》的首次修订。ZBY58003一1989《钢琴击弦机》专业标准自1990年5月1日实施以来,对确保钢琴击弦机的产品质量,生产的规范化、标准化起到了促进作用。本次的修订保留了ZBY58003一1989中适合我国钢琴击弦机生产和发展的那些内容,同时作了补充和修改,其主要内容包括:产品分类重新作了编排。
技术要求中补充了对击弦机联动性能、制音性能的要求。一对音头毡应用的材料要求作了补充。本标推自实施之日起,同时代替原轻工业部发布的专业标准ZBY58003-1989。本标准由中国轻工总会质量标准部提出本标准由全国乐器标准化中心归口。本标准起草单位:北京钢琴厂。本标准主要起草人:冯高昆、刘淑香、孙朝平、卢桂芳。185
1范围
中华人民共和国轻工行业标准
钢琴击弦机
QB/T2279—1996
本标准规定了钢琴击弦机的产品分类、技术要求、试验方法、检验规则及标志包装、运输、贮存的方法。
本标准适用于立式钢琴击弦机和卧式钢琴击弦机(以下简称“击弦机”)。2引用标准
下列标准所包含的条文,通过在本标准中引用而构成为本标准的条文。本标准出版时,所示版本均为有效。所有标准都会被修订,使用本标准的各方应探讨使用下列标准最新版本的可能性。GB/T2828--1987逐批检查计数抽样程序及抽样表(适用于连续批的检查)GB/T2829一1987周期检查计数抽样程序及抽样表(适用于生产过程稳定性的检查)GB5938一1986轻工产品金属镀层和化学处理层的耐腐蚀试验方法中性盐雾试验(NSS)法GB5944-1986轻工产品金属镀层腐蚀试验结果的评价3产品分类
根据结构分为立式钢琴击弦机和卧式钢琴击弦机。3.1主要零部件名称
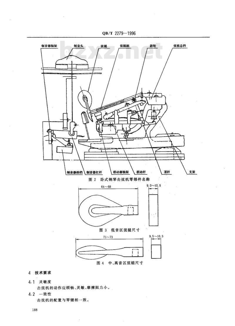
立式钢琴击弦机见图1,卧式钢琴击弦机见2图。3.2结构
3.2.1击弦机可作为一个整体与钢琴琴体分离。3.2.2各轴架与动件之间用直径1.15~1.35mm的轴钉并附有衬套连接。3.2.3击弦机各相对运动部件的接触面要安装专用的呢毡、皮革或性能相同甚至更好的其他材料制成的衬垫,以防杂音。
3.2.4支架的强度应满足击弦机的使用要求。3.2.5弦槌柄应变形小,富于弹性,其直径为5.3~6.3mm。3.2.6弦槌头部应使用优质弦毡,牢固地粘合在木芯上。3.2.7制音器头部应安装制音效果好、富有弹性的毛毡或性能相同甚至更好的其他材料。3.2.8立式钢琴的弦槌长度尺寸、弦槌厚度尺寸在不同的音域内分别按图3、图4所示为原则:前者为低音区弦槌尺寸,后者为中、高音区弦槌尺寸。当对弦槌尺寸有特殊要求时,不受此限。3.2.9立式钢琴击弦机的联动器轴架、制音器轴架、转击器轴架用复合槽盘头螺钉或钢琴专用螺钉紧固在击弦机的总档上。
3.2.10卧式钢琴击弦机弦槌的轴架应用圆头螺钉紧固在弦槌总档上。3.2.11卧式钢琴击弦机的鼓轮、立式钢琴击弦机的转击器凸轮与顶杆的接触面应使用专用皮革,以减少摩擦阻力,使顶杆动作快速、灵敏、有效。中国轻工总会1997-01-27批准
1997-09-01实施
QB/T2279—1996
图1立式钢琴击弦机零部件名称
弦椭木芯
制音头
弦檐柄
制音杆
转击凸轮
制音器轴架
转击器轴架
音器抬档
顶杆轴架
联动杆
联动器轴
制音器轴架
4技术要求
4.1灵敏度
制音头
QB/T 2279—1996
制音器拍档制音器杠杆
弦槌柄
联动器轴架
联动杆
卧式钢琴击弦机零部件名称
图3低音区弦槌尺寸
中、高音区弦槌尺寸
击弦机的动作应顺畅、灵敏、摩擦阻力小。4.2致性
击弦机的配置与琴键相一致。
9.0~~10. 5
弦槌总档
4.3联动性
QB/T 2279---1996
击弦机各活动件联动运动的连续性应无明显的阻力变化。4.4弦槌运动
弦槌运动时不得晃动,击弦应准确。4.5制音性能
制音器动作应灵敏、快速。扳动制音器抬档时,制音头离弦、贴弦应一致,动作整齐,有效。4.6金属零件
各部分所用的金属零件应表面光洁,同类零件的涂、镀层外观色泽基本一致,不得起泡、脱皮、露底。4.7击弦行程
以白键下沉深度9.5~11.5mm为基准,弦槌的击弦距离应达到40~50mm。4.8轴的活动连接
各部件轴的活动应灵敏,无杂音,不得松晃。4.9电镀件的防锈能力
应符合GB5944的要求,耐腐蚀等级不小于六级。4.10耐干耐湿性
击弦机经5.2.10试验后,应符合4.1~4.4和4.6、4.7的要求。4.11耐久性
击弦机经5.2.11试验后,应符合4.1~4.4的要求。4.12耐冷耐热性下载标准就来标准下载网
击弦机经5.2.12试验后,应符合4.1~~4.4的要求。4.13主要原材料
4.13.1击弦机的部分材料除了常用的色木、山毛榉外,允许使用与其性能相同甚至更好的其他材料。4.13.2击弦机各部分使用的木材,要在自然干燥后施以均勾的人工干燥,使其含水率低于14%。4.13.3击弦机各部分使用的木材不得有影响内在和外观质量的缺陷。4.13.4击弦机各部分使用的非木质材料应具有耐老化、耐冲击、耐蠕变、耐磨损的性能。4.13.5弦槌毛毡应用密度为0.4~~0.9g/cm2的钢琴弦槌毡或性能相同甚至更好的其他材料,色泽应均勾一致,无皱折、伤痕。
4.13.6制音器头部所用毛毡密度,按用途不同可分为:平音头毡密度为0.16~0.22g/cm;三角毡落槽毡、开花毡密度为0.25~~0.30g/cm2,其色泽应均匀一致,无分层。4.13.7击弦机上使用的皮革应能充分满足使用要求。4.13.8胶合剂应根据被胶合材料、工艺和强度要求选用动物胶、合成树脂胶或与此性能相同基至更好的其他材料。
5试验方法
5.1抽样
5.1.1样品应从击弦机合格品中抽取。5.1.2击弦机合格品的标志应符合7.1的规定,产品合格证应符合7.2的规定,包装应符合7.3的规定。
5.1.3样品应采取随机抽样的方法,从符合上述规定的击弦机中抽取。5.1.4样品的保存方法应符合7.4的规定。5.2技术要求的试验方法
5.2.1灵敏度
感官检查。
5.2.2一致性
感官检查。
5.2.3联动性
感官检查。
5.2.4弦运动
QB/T 2279—1996
立式琴逐组弹奏和弦,卧式琴逐键弹奏。感官检查。5.2.5制音性能
运用制音踏瓣,逐键弹奏。感官检查。5.2.6金属零件
感官检查。
5.2.7击弦距离
将击弦机装置在钢琴上,用分度值为1mm的长度量具检查。5.2.8轴的活动连接
感官检查。
5.2.9电镀件防锈能力
按GB5938进行,喷雾周期为6h。5.2. 10 耐干耐湿性
将同一击弦机分别在温度为(30士3)℃、相对湿度为35%~45%和温度为(30±3)℃、相对湿度为75%~85%的恒温恒湿器内放置24h,按5.2.1~5.2.4和5.2.6.5.2.9规定的方法检查。5.2.11耐久性
在温度为(25士5)C、相对湿度为55%~~65%的环境中,将击弦机装置在钢琴上,连续击弦20万次,按5.2.1~5.2.4规定的方法检查。5.2.12耐冷耐热性
将同一台击弦机首先在温度为(20士5)℃的试验环境中放置8h,再在温度为(50士5)℃的试验环境中放置16h,以此为一个周期,按5.2.1~5.2.4规定的方法检查。6检验规则
6.1产品应由收购部门验收或委托生产厂质量管理部门检验。合格产品应附产品合格证方可出厂。6.2当对产品有特殊要求时,应由供需双方根据合同协商具体的检验项目。6.3产品的检验分为交收检验和例行检验。6.3.1交收检验
6.3.1.1交收检验的抽样方案应符合GB/T2828中关于正常检查一次抽样方案的规定。6.3.1.2交收检验的抽样、检查水平、合格质量水平(AQL)应符合表1的规定。6.3.1.3交收检验不合格时,该批产品退回生产厂,按不合格项目进行整理和调整。整理、调整后的产品可再次进行交收检验。不合格批的再提交按GB/T2828中4.12中b的要求进行。6.3.2例行检验
6.3.2.1产品的例行检验每年进行一次。在更改结构、制造工艺及主要原材料,或停产三个月以上恢复生产时,亦需进行。
6.3.2.2例行检验的样品应从当前生产的、经交收检验合格的产品中随机抽取。6.3.2.3例行检验的抽样方案,应符合GB/T2829中判别水平亚的一次抽样方案的规定。6.3.2.4例行检验所抽取的全部样品应先按交收检验项目检验,若有不合格品,应以合格品换取,同时分析原因,但不作为例行检验结果的依据。6.3.2.5例行检验对全部项目进行检验,判别水平为Ⅲ,判定数组为(1,2),不合格质量水平(RQL)为190
QB/T 2279-1996
检验合格,则本周期生产的产品为合格品。6.3.2.7
经例行检验的样品,经过整理并得到订货方允许,才能作为合格品出厂。表1交收检验项目的规定
检验项目
标志、包装、运输、贮存
试验方法
7.1每台击弦机产品上应有商标等字样或标志。检查水平
合格质量水平(AQL)
7.2每台击弦机产品出厂均应附有质量合格证和产品说明。合格证上应标明本产品符合有关标准的规定,并有检验员盖章。
7.3成品包装应坚固,包装上应注明产品名称、型号、生产厂名、厂址、商标、出厂日期及放置方向、“轻放”“防潮”“不得倒置”“不得剧烈动”等字样或标志。包装箱内应有防潮、防囊等措施,并应能满足中、长途运输的需要。
7.4产品应在相对湿度不超过85%,温度0~45℃室内存放,不得直接风吹、雨淋、日晒,距热源及有机溶剂的距离至少2000mm。
7.5运输装卸时应小心轻放,不得翻转、倒置和剧烈动,不得雨淋、日晒、受潮。191
小提示:此标准内容仅展示完整标准里的部分截取内容,若需要完整标准请到上方自行免费下载完整标准文档。