首页 > 商业行业标准(SB) > SB/T 10117-1992 锤片粉碎机
SB/T 10117-1992

基本信息

标准号: SB/T 10117-1992

中文名称:锤片粉碎机

标准类别:商业行业标准(SB)

标准状态:已作废

发布日期:1992-12-30

实施日期:1993-06-01

出版语种:简体中文

下载格式:.rar.pdf

下载大小:133711

相关标签: 粉碎机

标准分类号

中标分类号:农业、林业>>农、林机械与设备>>B92畜牧、家禽机械与设备

关联标准

替代情况:转化为LS/T 3604-1992

出版信息

页数:6页

标准价格:12.0 元

相关单位信息

标准简介

SB/T 10117-1992 锤片粉碎机 SB/T10117-1992 标准下载解压密码:www.bzxz.net

标准图片预览

SB/T 10117-1992 锤片粉碎机
SB/T 10117-1992 锤片粉碎机
SB/T 10117-1992 锤片粉碎机
SB/T 10117-1992 锤片粉碎机
SB/T 10117-1992 锤片粉碎机

标准内容

中华人民共和国行业标准
锤片粉碎机
主题内容与适用范围
SB/T 10117—92
本标准规定了锤片粉碎机(以下简称“粉碎机”)的产品分类,技术要求,试验方法,检验规则及标志、包装、运输、贮存。
本标准适用于加工颗粒状饲料原料的粉碎机。引用标准
SB/T10118锤片粉碎机
SB/T 10119
锤片粉碎机
GB6971饲料粉碎机试验方法
GB3768噪声源声功率级的测定
简易法
3产品分类
3.1规格
粉碎机规格用转子工作直径(cm)×粉碎室宽度(cm)表示:56×30,56×40,112×30,112×40。3.2型号
粉碎机型号由专业代号、品种代号、型式代号及规格四部分组成。专业代号、品种代号、型式代号均用汉语拼音字母以大写表示;规格用阿拉伯数字表示。示例:
3.3基本参数
产品主要规格:转子工作直径56cm×粉碎室宽度40cm型式代号:锤片式
品种代号:粉碎机
专业代号:饲料加工机械设备
粉碎机基本参数应符合表1规定。表1
锤片线速度,m/s
转子工作直径
粉碎室宽度cm
SFSP56×30
中华人民共和国商业部1992-12-30批准288
SFSP56×40
SFSP112×30www.bzxz.net
SFSP112X40
1993-06-01实施
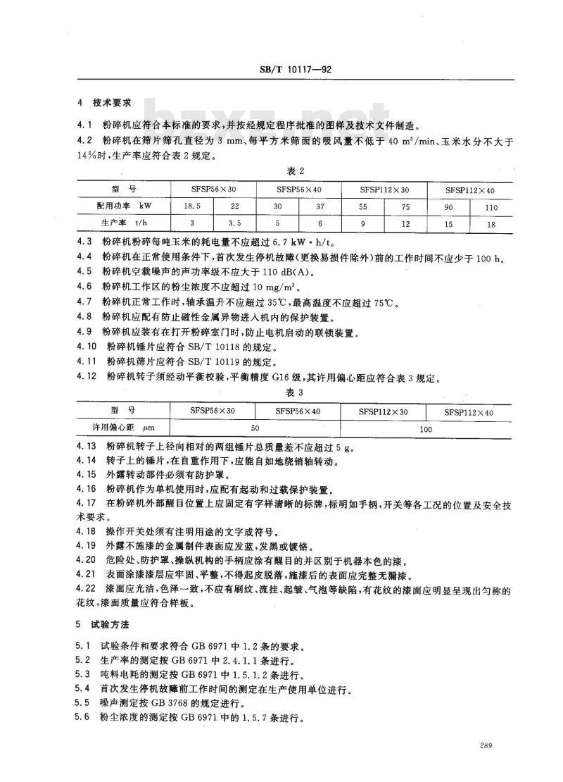
4技术要求
SB/T10117—92
4.1粉碎机应符合本标准的要求,并按经规定程序批准的图样及技术文件制造。4.2粉碎机在筛片筛孔直径为3mm、每平方米筛面的吸风量不低于40m2/min、玉米水分不大于14%时,生产率应符合表2规定。表2
配用功率kw
生产率t/h
SFSP56×30
SFSP56×40
粉碎机粉碎每吨玉米的耗电量不应超过6.7kW·h/t。4.3
SFSP112X 30
SFSP112X 40
粉碎机在正常使用条件下,首次发生停机故障(更换易损件除外)前的工作时间不应少于100h。粉碎机空载噪声的声功率级不应大于110dB(A)。4.5
4. 6粉碎机工作区的粉尘浓度不应超过10mg/m。4.7
粉碎机正常工作时,轴承温升不应超过35℃,最高温度不应超过75℃。粉碎机应配有防止磁性金属异物进人机内的保护装置。4.8
4.9粉碎机应装有在打开粉碎室门时,防止电机启动的联锁装置。粉碎机锤片应符合SB/T10118的规定。4.10
粉碎机筛片应符合SB/T10119的规定。粉碎机转子须经动平衡校验,平衡精度G16级,其许用偏心距应符合表3规定。4.12
许用偏心距μm
SFSP56×30
SFSP56X40
4.13粉碎机转子上径向相对的两组锤片总质量差不应超过5g。4.14转子上的锤片,在自重作用下,应能自如地绕销轴转动。4.15外露转动部件必须有防护罩。4.16粉碎机作为单机使用时,应配有起动和过载保护装置。SFSP112×30
SFSP112×40
4.17在粉碎机外部醒自位置上应固定有字样清晰的标牌,标明如手柄,开关等各工况的位置及安全技术要求。
操作开关处须有注明用途的文字或符号。4.18
外露不施漆的金属制件表面应发蓝,发黑或镀铬。4.19
危险处、防护罩、操纵机构的手柄应涂有醒目的并区别于机器本色的漆。4.20
4.21表面涂漆漆层应牢固、平整,不得起皮脱落,施漆后的表面应完整无漏漆。漆面应光洁,色泽致,不应有刷纹、流挂、起皱、气泡等缺陷,有花纹的漆面应明显呈现出勾称的4.22
花纹,漆面质量应符合样板。
5试验方法
试验条件和要求符合GB6971中1.2条的要求。5.2
生产率的测定按GB6971中2.4.1.1条进行。5.3
吨料电耗的测定按GB6971中1.5.1.2条进行。首次发生停机故障前工作时间的测定在生产使用单位进行。5.4
5.5噪声测定按GB3768的规定进行。5.6粉尘浓度的测定按GB6971中的1.5.7条进行。289
SB/T 10117—92
5.7轴承温度的测定按GB6971中1.5.4条进行。5.8转子动平衡校验在动平衡试验机上进行。5.9表面涂漆漆膜附着强度的测定,在与粉碎机相同工艺“平行施漆”的样板上进行。用双面刀片在漆膜上横竖各划11.条线,间距1mm。然后用氧化锌橡皮胶贴牢,猛揭一次,方格中漆膜脱落的百分比应小于5%。
5.10本标准其他要求用常规方法和目测进行检测。6检验规则
粉碎机的检验分出厂检验和型式检验。6.1出厂检验
6.1.1每台粉碎机须经制造厂检验部门检验合格,并发给产品合格证方可出厂,粉碎机应逐台进行空运转试验,试验应在额定转速下进行。运转时间不少于半小时。6. 1.2
6.1.3检验项目为4.5、4.7、4.8、4.9、4.14~4.22条。6.2型式检验
有下列情况之时应进行型式检验:新产品或老产品转厂生产的试制定型鉴定;正式生产后,如结构、工艺、材料有较大改变,可能影响产品性能时;正常生产时,每三年不少于一次;d.
产品停产满二年,恢复生产时;出厂检验结果与上次型式检验有较大差异时,国家质量监督机构提出进行型式检验的要求时。6.2.2抽样方法
粉碎机型式检验在出厂检验合格产品中抽样进行,每次抽一台。6.2.3型式检验内容应包括本标准第4章的全部项目。6.2.4缺陷分类
被检项目质量不符合本标准技术要求的均称为缺陷,按其对产品质量的影响程度,分为重缺陷和轻缺陷,重缺陷分为A组、B组,轻缺陷为C组,缺陷分类见表4。表4
缺陷分类
重缺陷
轻缺陷
生产率
缺陷名称
转子平衡性
安全装置及标记
吨料电耗
粉尘浓度
噪声值
轴承温度
首次故障前工作时间
锤片质量
筛片质量
锤片绕销轴转动
外露不施漆金属制件表面防腐层漆膜附着强度
漆面质量
6.2.5判定规则
6.2.5.1不合格判定数
A组缺陷的不合格判定数为1.项。B组缺陷的不合格判定数为2 项。C组缺陷的不合格判定数为3项。SB/T 10117--92
B组和C组的不合格判定总数为 3项。6.2.5.2被检项目的不合格项数小于本标准6.2.5.1条规定时,则判该批产品为合格品。6.2.5.3被检项目的不合格项数大于或等于本标准6.2.5.1条规定时,则判该批产品为不合格品。7标志、包装、运输、贮存
7.1标志
7.1.1产品标志
每台粉碎机应在明显位置固定产品标牌,标牌内容应包括:产品名称;
产品型号;
配套动力,
主轴转速;
出厂编号;
出厂日期;
制造厂名。
包装标志
包装箱面应有发货标志和储运指示标志,一般应包括:a.
产品型号及名称;
出厂编号及箱号;
箱体尺寸(长×宽×高);
净重与毛重;
到站(港)及收货单位;
发站(港)及发货单位;
重心点、起吊线、防潮、小心轻放,不可倒置等指示标志。7.2包装
单独发运的粉碎机的外包装应采用箱装。整机及附件在箱内应固定牢靠,并与包装箱壁板间留有一定距离,以防在运输中发生碰撞损伤。包装箱内应有防水层。
随机文件应用塑料袋装好,固定在包装箱内,随机文件应包括:装箱单;
产品出厂合格证;
产品使用说明书。
7.3运输
粉碎机在运输过程中的吊卸、装载,应注意包装箱上的包装储运标志,尤应注意箱上的重心点标志,防止倾倒,包装箱不准重压。
SB/T10117—92
露天存放时应有防雨淋、日晒和积水的设施7. 4. 1
室内存放时应有良好的通风与防潮措施7.4.2
附加说明:
本标准由中华人民共和国商业部提出并归口。本标准由扬州粮食饲料机械厂负责起草。本标准主要起草人李荷娣、李志明。292
小提示:此标准内容仅展示完整标准里的部分截取内容,若需要完整标准请到上方自行免费下载完整标准文档。