首页 > 商业行业标准(SB) > SB/T 10119-1992 锤片粉碎机 筛片
SB/T 10119-1992

基本信息

标准号: SB/T 10119-1992

中文名称:锤片粉碎机 筛片

标准类别:商业行业标准(SB)

标准状态:已作废

发布日期:1992-12-30

实施日期:1993-06-01

出版语种:简体中文

下载格式:.rar.pdf

下载大小:98874

相关标签: 粉碎机

标准分类号

中标分类号:农业、林业>>农、林机械与设备>>B92畜牧、家禽机械与设备

关联标准

替代情况:转化为LS/T 3606-1992

出版信息

页数:4页

标准价格:8.0 元

相关单位信息

标准简介

SB/T 10119-1992 锤片粉碎机 筛片 SB/T10119-1992 标准下载解压密码:www.bzxz.net

标准图片预览

SB/T 10119-1992 锤片粉碎机 筛片
SB/T 10119-1992 锤片粉碎机 筛片
SB/T 10119-1992 锤片粉碎机 筛片
SB/T 10119-1992 锤片粉碎机 筛片

标准内容

中华人民共和国行业标准
锤片粉碎机筛片
主题内容与适用范围
SB/T 10119-92
本标准规定了锤片粉碎机筛片(以下简称筛片\)的产品分类,技术要求,试验方法,检验规则及标志、包装、运输、贮存。
本标准适用于加工颗粒状饲料原料的锤片粉碎机之筛片。2引用标准
GB1804
GB 3943
优质碳素结构钢薄钢板和钢带
公差与配合未注公差尺寸的极限偏差金属洛氏硬度试验方法
圆孔和长孔筛片
GB 2828
3产品分类
3.1型式
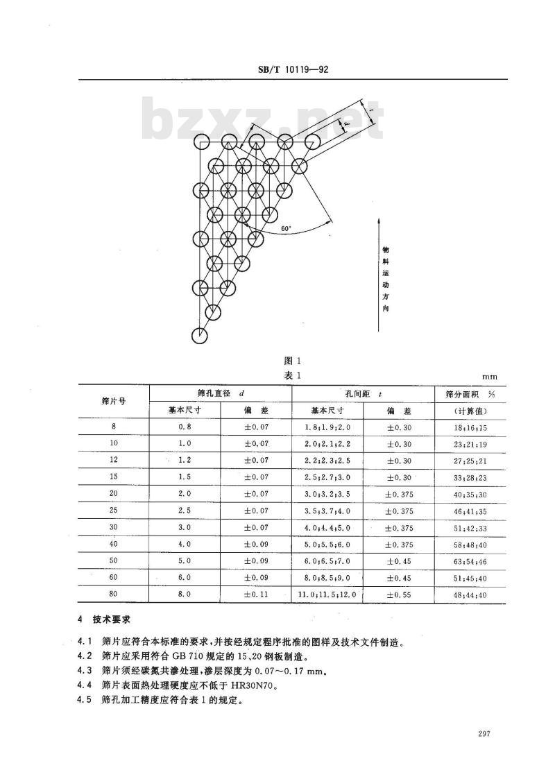
逐批检查计数抽样程序及抽样表(适用于连续批的检查)筛片为圆弧形,筛孔为圆孔,筛孔中心位于等边三角形的顶点上,三角形一边与物料运动方向垂直,如图1所示。
3.2规格
筛片的规格按筛孔直径划分,用筛片号表示,筛片号为筛孔直径乘以10。分为8、10、12、15、20、25、30、40、50、60、80。
3.3标记示例
筛孔直径3mm,筛片长度680mm,宽度396mm的筛片标记:筛片30-680×396SB/T101193.4筛孔基本尺寸
筛孔的基本尺寸应符合表1规定。3.5筛片应优先选用0.5、0.8、1.0、1.2、1.5、2.0、2.5、3.0mm厚度的钢板制造。中华人民共和国商业部1992-12-30批准296
1993-06-01实施
筛片号
技术要求
筛孔直径
基本尺寸
SB/T10119—92
孔间距t
基本尺寸
1.8,1.9;2.0
2.0;2.1,2.2
2.2;2.312.5
2.5,2.7,3.0
3.0;3.2;3.5
3. 5,3.7,4. 0
4.0;4.4,5.0
5.0;5.5;6.0
6.0;6.5;7.0
8.0;8.5;9.0
11.0,11.5,12.0
筛片应符合本标准的要求,并按经规定程序批准的图样及技术文件制造,筛片应采用符合GB710规定的15、20钢板制造。筛片须经碳氮共渗处理,渗层深度为0.07~0.17mm。4.3
筛片表面热处理硬度应不低于HR30N70。4.4
筛孔加工精度应符合表1的规定。4.5
筛分面积%
(计算值)
18;16;15
23;21;19
27;25;21
33;28;23
40;35;30
46;41;35
51;42;33
58;48;40
63;54;46
51;45;40
48;44;40
SB/T 10119—92
4.6筛片展开长度和宽度的尺寸偏差应符合GB1804中h14的规定。4.7筛片的圆度应符合GB3943中2.8条的规定。4.8筛片的外形尺寸应符合GB3943中2.9条的规定。4.9筛片冲孔应从一面进行,卷成圆弧形时应将有毛刺的一面朝里作为工作表面。4.10筛片应平整,不允许有裂纹、剥层、斑痕和锈蚀。不应有断豁、连冲、冲不透和漏冲(8、10、12号筛充许有总数不超过5孔的冲不透和漏冲)。4.11筛片在加工经过除杂的玉米时,其使用寿命应不低于120h。4.12允许采用其它材料制造及其它表面硬化处理方法,但不得低于以上规定的综合性能。5试验方法
5.1凡试验用的仪器、仪表、量具等须经检定合格,并在有效使用期内。5.2碳氮共渗渗层深度取随炉试样用金相组织法检测。5.3表面洛氏硬度的检测按GB230进行。5.4筛孔基本尺寸的检测,先用目测找出筛孔尺寸和孔距的最大超差处,沿纵横两个方向各取长度100 mm,用塞规和刻度值不大于 0.02 mm的游标卡尺进行检测。5.5筛片的展开长度和宽度用卷尺检测。5.6筛片圆度的检测按GB3943中3.4.3条规定的方法进行。*5.7筛片外形尺寸用平板,直尺检测。5.8外观质量用目测。
5.9使用寿命在生产单位进行测定。6检验规则
筛片检验分出厂检验和型式检验。6.1出厂检验
6.1.1筛片须经制造厂检验部门检验合格,并发给产品合格证方可出厂。6.1.2筛片应按筛片号分别提交检验,检验采用GB2828规定的正常检查二次抽样方案进行,检查水平为一般检查水乎Ⅱ,合格质量水平为AQL2.5。6.1.3检验项目为:4.3~~4.10条。6.2型式检验
6.2.1有下列情况之一时,应进行型式检验:新产品或老产品转厂生产的试制定型鉴定;a.
正式生产后,材料、工艺有较大改变,可能影响产品性能时;正常生产时每两年不少于一次;d.
产品停产满两年,恢复生产时,出厂检验结果与上次型式检验有较大差异时,e
国家质量监督机构提出进行型式检验要求时。f.
6.2.2筛片型式检验在出厂检验合格品中随机抽样进行,数量每次不少于4片。6.2.3检验项目为4.3条及第4章的全部项目。6.2.4型式检验结果如有一片不合格时,则应从该批产品中抽取加倍数量的试样,对不合格项目进行复验,如仍有不合格则判该批产品不合格。7标志、包装、运输、贮存
7.1单独发运的筛片应采用木箱包装,包装应牢固可靠,并能防止变形受潮,每件总重不超过80kg,298
并附有制造厂的产品合格证。
SB/T 10119-92
7.2每件内应为同一规格的筛片,如有不同规格,应加以说明。包装箱外部应标明:
产品标记、数量,
出厂编号及箱号;
箱体尺寸(长×宽×高);
净重与毛重;
到站(港)及收货单位;www.bzxz.net
发站(港)及发货单位。
筛片表面应进行防锈处理。
筛片应贮存在清洁、干燥、通风处。7.5
附加说明:
本标推由中华人民共和国商业部提出并归口。本标准由扬州粮食饲料机械厂负责起草。本标准主要起草人:李志明、李荷娣。299
小提示:此标准内容仅展示完整标准里的部分截取内容,若需要完整标准请到上方自行免费下载完整标准文档。