首页 > 石油化工行业标准(SH) > SH 3406-1996 石油化工钢制管法兰
SH 3406-1996

基本信息

标准号: SH 3406-1996

中文名称:石油化工钢制管法兰

标准类别:石油化工行业标准(SH)

标准状态:现行

发布日期:1996-11-25

实施日期:1997-07-01

出版语种:简体中文

下载格式:.rar.pdf

下载大小:1342258

相关标签: 石油化工 钢制 法兰

标准分类号

中标分类号:石油>>石油勘探、开发、集输设备>>E98油、气集输设备

关联标准

替代情况:SHJ 406-1992

出版信息

出版社:机械工业出版社

页数:58页

标准价格:33.0 元

出版日期:1997-07-01

相关单位信息

起草单位:中国石化北京石油化工工程公司

归口单位:中国石油化工总公司配管设计技术中心

提出单位:中国石油化工总公司工程建设部

发布部门:中国石油化工总公司

标准简介

本标准适用于石油化工企业配管工程钢制管道用法兰及法竺盖. SH 3406-1996 石油化工钢制管法兰 SH3406-1996 标准下载解压密码:www.bzxz.net

标准图片预览

SH 3406-1996 石油化工钢制管法兰
SH 3406-1996 石油化工钢制管法兰
SH 3406-1996 石油化工钢制管法兰
SH 3406-1996 石油化工钢制管法兰
SH 3406-1996 石油化工钢制管法兰

标准内容

SH3406--96
修订说明
本标准是根据中国石油化总公司中石化(1995)建标字269粤文的通知·间我公司对《油化钢制管法兰》(SH3406一92)修订而成。在修订过程中,进行了广泛的调查研究.结合国际上同类标准的发展状况,总结了近年来石油化工配管设计中的实践经验和科研成果,并征求了有关设计、施工,生产、科研等方面的意见,对其中主要问题进行了多次讨论,最后经审查定稿。本标准这次修订的主要内容有:1.根据《石油化工介企业钢管尺寸系列SH3405--96)规定,钢管外径尺寸采用单一尺寸系列;2、法兰公称直径系列4+,增加了DN550,取消了DN1050、1150、1250、1350、1450;3.调整了法用材料,取消了25号钢,增加了低温材料和超低碳奥氏体不锈钢牌号。在本标准施行过程中,如发现需要修改或补充之处,请将意见和有关资料提供我公司,以便今后修订时参考。
中国石化北京石油化工工程公司九九六年十月
适用范围
中华人民共和国行业标准
石油化工钢制管法兰
本标准适用于石油化工企业配管工程钢制管道用法兰及法兰盖。2引用标准
GB 711
GB3274
GB3531
GB 4237
GB 7306
优质碳素结构钢热轧厚钢板和宽钢带碳素结构钢和低合金结构钢热轧厚钢板和钢带低温压力容器用低合金钢厚钢板技术条件不锈钢热轧钢板
用螺纹密封的管螺纹
J134726压力容器用碳素钢和低合金钢锻件JB 4727
JB 4728
SH 3405
般规定
低温压力容器用碳素钢和低合金钢锻件压力容器用不锈钢锻件
有油化工企业钢管尺寸系列
3.1公称直径
法兰公称真径DN共33个,规格如下:15
其中带括号的规格不推荐使用。3.2公称压力
(1100)
SH 3406 96
(1 300)
(1500)
法益公称压力共分1.0、2.0、5.0、6.8、10.0、15.0、25.0、42.0MPa八个等级,各公称压力等级的公称真径尺寸范围见表3-1。
表3-1
公称压力PN(MPa)
公称直径DN(mm)
15~300
350~600
650~1500
3.3法兰连接和密封面型式
各公称压力等级的公称直径尺寸范围1.0
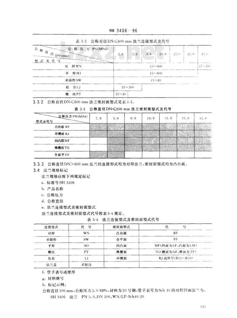
3.3.1公称直径DN≥600mm法兰连接型式见表3-2中国石油化工总公司1996-11-25批准612
1997-07-01实施
SH 3406 --- 96
公称直径DN≤600mm法兰连接型式及代号表3-2
公称直徐DN(mm)
公称E力PN(MPa)
型式及代
对焊WN
平焊S()
承插焊SW
松龚IJ
15~300
3.3.2公称直径DN≤600mm法兰密封面型式见裴3-3。表3-3
公称压力PN(MPa)
型式及代号
凸台面F
环糟面RJ
凹凸面MF
样槽面TG
全面平FF
15~600
15~~600
公称直径DN≤600mm法兰密封面型式及代号2.0
3.3.3公称直径DN>600mm法兰的连接型式均为对焊法兰,密封面型式均为凸台面。3.4法益规格标记
法兰规格应按下列规定标记
:标准号SH3406
b.产品名称
c.公称压力
d.公称直径
e.法羊连接型式及密封面型式
法兰连接型式及密封面型式代号按表3-4规定。表3-4
连接型式
承插焊
法兰盖
f.管子表号或壁厚
&材料牌号
不标注
法兰连接型式及密封面型式代号密封面型式
凸台面
全平面
凹凸面
环槽面
MF(四面为[F.面为M)
TG槽面为GF,样面为TF)
RJ或环号(R11R79)
h、标记示例:
公称壹径100mm,公称压力5.0MPa.材料为20号钢,管子表号为Seh40的对焊面法“为:SH 3406法兰PN 5.0,DN 100、WN/LF-Sch40-20613
4法兰结构及尺寸
SH 3406-96
4.1公称真径DN≤600mm法兰结构尺寸4.1.1PN2.0法兰尺寸见表4-1
平焊法兰
对焊法兰
承插焊法兰(DN15~~80)
表4-1PN2.0法
其余12.5
其余12.5/
其余12.5/
单尺寸
SH 3406- 96
螺纹法兰( DN15 ~ 80)@
法兰盖
环槽面法兰及法兰盖
其余12,
其余12.5
其余12.5
环棉剂面详图
公称,法益
插人礼
法兰颈部尺寸
142.0127.0
78.0160.0
135.0114.1)
164.0110.0
192.0168.0
246.0219.0
328.0305,0365.0325.0
505.01457.0
SH3406--96
法兰商度
密封面
对焊型!
145.())
46.0149.0
螺栓,螺桃
中心圆我征
注:1:法兰与接管连接尺寸H、B、B.系按SH3405《石油化.L企业钢管尺寸系列》的婴求确定。著其他尺寸系列的2)米规定的法兰内径B按订货要求或表4-11和表4-12确定:3法兰与接管焊接部结构尺寸按4.4确定:环槽面法兰密封面高度与环槽深度E的尺寸相间.但环槽深度E的尺寸允许偏差不适用于密封而高度W:5环樽询法兰两法兰间的近似尺寸是指两法兰装配质的尺寸:法丝螺孔及鱼眼坑加工要求按表4-16确定:7密封面为全平面FF时,法兰厚度Q及高度Y按表列尺寸·但不加工1.6mm的巧台;8螺纹连接法兰的锥管螺纹按GR7306-87《用螺纹密封的管螺纹》规定·连接螺纹尺寸按下表舰定标注:法主公称直径IN
连接螺纹尺寸
螺纹端部倒角不大于一个螺距:20
Y为颈部大端尺寸,颈部斜度应不大于。616
环垫号
SH340696
环槽面法兰用螺栓及环槽面尺寸环槽面尺寸
管子连接·应在订货时规定法兰与接管连接尺寸H、B、B:两法兰间
近似尺寸
近似质量
承插焊
法兰荒
4.1.2PN5.0法兰尺寸见表4-2。
SH 3406-96
平焊法兰
对焊法兰
承插焊法兰(DN15~80)
其余12.5/
批余12
表42PN5.0法
其象12.5
兰尺寸
SH 3406-96
法兰蔬
环槽面法兰及法兰盖
其余正
其余12.5
环撸剖面详图
(65)
(125)
插人孔
法兰颈部尺寸
SH3406-96
密封面
34.0 51. 0
127.0178. 0
154.01206.0
276.0254.0
328.0305.0
114.0157.5
140.0186.0
219.0270.0
法兰高度
厚度对焊型
413.0154.0
559.0641.0
610. 0 692.0
螺栓、螺柱
[中心圆丨孔径
螺纹数量
注:①法兰与接管连接尺寸H、B、B,系按SH3405石油化工企业钢管尺寸系列》的要求确定。若与其他尺小系列的②未规定的法兰内径B按订货要求或表4-11和表4-12确定;③法兰与接管焊接部结构尺寸按4.4确定:①环槽面法兰密封面高度W与环槽深度E的尺寸相同,但环槽深度E的尺寸充许偏差不适捌于密封面高度W;?)环槽面法兰两法兰间的近似尺寸S是指两法兰装配后的尺寸,法兰螺孔及鱼眼坑加工要求按表4-16确定(7密封面为全平面FF时.法兰厚度Q及高度Y按表列尺寸,但不加工1.6mm的台;(网)X为颈部大端尺寸.颈部斜度应不大于7°。620
环垫号
SH3406-96
环槽面法兰用螺栓及环槽面尺寸环槽面尺寸
管于连接应在订货时规定法兰与接管连接尺寸H、B、B两法兰间
近似尺寸
近似质量
承插焊
法兰盖
4.1.3PN6.8法兰尺寸见表4-3。
SH 3406--96
平焊法兰
对焊法兰
承插焊法兰(DN15~-80)
其余12、
其余12.
表4-3PN68法wwW.bzxz.Net
其余12.5
小提示:此标准内容仅展示完整标准里的部分截取内容,若需要完整标准请到上方自行免费下载完整标准文档。