首页 > 商业行业标准(SB) > SB/T 10167-1993 祁门工夫红茶
SB/T 10167-1993

基本信息

标准号: SB/T 10167-1993

中文名称:祁门工夫红茶

标准类别:商业行业标准(SB)

标准状态:现行

发布日期:1993-05-05

实施日期:1993-12-01

出版语种:简体中文

下载格式:.rar.pdf

下载大小:121027

相关标签: 工夫 红茶

标准分类号

中标分类号:食品>>饮料>>X55茶叶制品

关联标准

采标情况:ISO 3720-1986 ≠

出版信息

页数:4页

标准价格:8.0 元

相关单位信息

标准简介

SB/T 10167-1993 祁门工夫红茶 SB/T10167-1993 标准下载解压密码:www.bzxz.net

标准图片预览

SB/T 10167-1993 祁门工夫红茶
SB/T 10167-1993 祁门工夫红茶
SB/T 10167-1993 祁门工夫红茶
SB/T 10167-1993 祁门工夫红茶

标准内容

中华人民共和国商业行业标准
夫红茶
本标准参照采用国际标准ISO3720:1986《红茶-定义及基本要求》。1主题内容与适用范围
SB/T 10167.-93
本标准规定了祁门工夫红茶的等级、技术要求、检验方法、检验规则和标志、包装、运输、贮存。本标推适用于祁门工夫红茶产品。2引用标准
GB 5009. 57
.GB7718
GB8302
GB8303
GB8304
GB8305
GB8306
GB8307
GB8308
GB8309
GB 8310
GB 8311
GB9679
茶叶卫生标准的分析方法
食品标签通用标准
磨碎试样的制备及其干物质含量测定水分测定
水浸出物测定
总灰分测定
水溶性灰分和水不溶性灰分测定酸不溶性灰分测定
水溶性灰分碱度测定
粗纤维测定
粉末和碎茶含量测定
茶叶卫生标准
GB11680
食品包装用原纸卫生标准
SB/T 10037
SB/T 10157
3定义
红茶、绿茶、花茶运输包装
茶叶感官审评方法
祁门工夫红茶是从祁红产区的遥制品种的茶树上采摘的芽、嫩叶和嫩茎,采用红茶初制(菱调、揉捻、发酵、干燥)和精制(整形、归类、汰除劣异、复火)的传统工艺加工,制具有“祁门香”品质特征的条形红茶。
4等级
按产品质量的差别,分为特、一、二、三、四、五级。5技术要求
5.1实物标准样
祁门工夫红茶各级由国家主管部门按本标准的技术要求分别设-个实物标准样,各为本级产品品中华人民共和国国内贸易部1993-05-05批准316
1993-12-01实施
质的最低界限、\-般每4~5年换配一次。5.2基本要求
SB/T10167—-93
茶叶洁净、品质正常,无劣变、无异味,不含有非茶类杂物,不添加任何香味的物质。5.3感官指标
各级的感官品质应符合本级的实物标准样茶。5.3.1免费标准bzxz.net
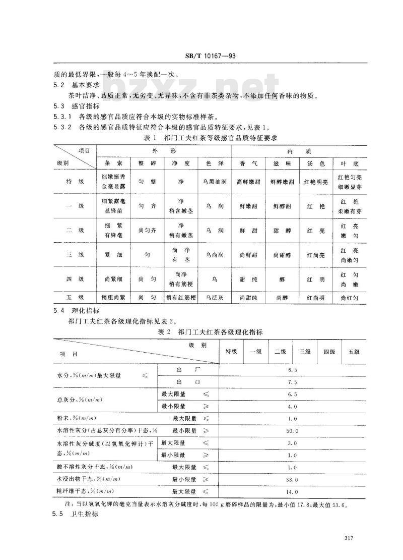
各级的感官品质特征应符合本级的感官品质特征要求,见表1。祁门工夫红茶等级感官品质特征要求表1
细嫩挺秀
金毫显露
细紧露毫
显铮苗
有锋毫
尚紧细
稍粗尚紧
5.4理化指标
尚匀齐
稍含嫩茎
稍有嫩茎
稍有筋梗
稍有红筋梗
祁门工夫红茶各级理化指标见表2。色泽
乌黑油润
乌尚润
乌泛灰
高鲜嫩甜
鲜嫩甜
尚鲜甜
尚甜纯
表2祁门工夫红茶各级理化指标
水分,%(m/m)最大限量
总灰分,%(m/m)
粉末,%(m/m)
水溶性灰分(占总灰分百分率)十态、%水溶性灰分碱度(以氢氧化钾计)干态,%(m/m)
酸不溶性灰分干态,%(m/m)
水没出物于态,%(m/m)
粗纤维干态,%(m/m)
最大限量
最小限量
最大限量
最小限量
最大限量
最小限量
最大限量
最小限量
最大限量
鲜醇嫩甜
鲜醇甜
尚甜醇
红艳明亮
红尚亮
红尚明
红艳匀亮
细嫩显芽
柔嫩有芽
尚嫩匀
尚红勾
注:当以氢氧化钾的毫克当量表示水溶灰分碱度时,每100g磨碎样品的限量为:最小值17.8;最大值53.6。5.5.生指标
按GB9679规定执行。
6检验方法
6.1取样
按GB8302规定执行。
6.2感官品质检验
按SB/T10157规定执行。
6.3理化品质检验
6.3.1样品制备,按GB8303规定执行。6.3.2水分检验,按GB8304规定执行。SB/T 10167—93
6.3.3总灰分检验,按GB8306规定执行。6.3.4粉末检验,按GB8311规定执行。6.3.5水溶性灰分检验,按GB8307规定执行。6.3.6水溶性灰分碱度检验,按GB8309规定执行。6.3.7酸不溶性灰分检验,按GB8308规定执行。6.3.8水浸出物检验,按GB8305规定执行。6.3.9粗纤维检验,按GB8310规定执行。6.4卫生检验
按GB5009.57规定执行。
6.5包装检验
按SB/T10037和GB7718规定执行。7检验规则
7.1规格检验
茶叶产品均应以批(唛)为单位,同批(唛)产品的品质规格应-一致,包装、质量应相同。7.2交收检验
7.2.1每批(唛)茶叶产品交货,应检验感官品质、水分、灰分、粉末和包装规格。7.2.2每批(唛)茶叶产品出厂,应经厂质检部门检验和签发该批(唛)茶叶产品质量检验合格证,才许可出厂。
7.3型式检验
有下列情况之一时,应按技术要求的各项规定进行全面考核产品质量,即包括进行水溶性灰分、水溶性灰分碱度、酸不溶性灰分、水浸出物、粗纤维和卫生指标各项目的型式检验。a.产品如因原料、工艺、机具有较大改变,可能影响产品质量时;b新产品试制定型鉴定时;
c.国家质量监督机构检查产品质量时。7.4检验结果判定
7.4.1凡劣变、污染、异气味和卫生指标不合格的产品.均判为不合格产品。7.4.2交收检验时,按7.2.1规定的检验项目,其中如有一项不符合技术要求的产品,均判为不合格产品。
型式检验时,技术要求规定的各项检验,其中如有一项不符合技术要求的产品,均判为不合格7.4.3
产品。
7.5重复检验
对检验结果有争议时,应对留存样进行复验;或按GB8302规定在同批(唛)产品中取样,对不合格318
项目进行复验。以此复验结果为摧。8标惠、包装、输、存
8.1标志
SB/T10167—93
产品销售包装上的标签应符合GB7718规定。8.2包装
8.2.1包装用茶箱等容器,应采用干燥,清洁、无异气味等不影期茶叶品质的材料制成,包装要求牢固、防潮、整洁、美观、无霉无破损,能保护茶叶品质,适于装卸和贮运。8.2.2接触茶叶的内包装材料应符合GB11680规定。8.2.3批产品包装的规格必须致,应符合SB/T10037规定。8.3运输
装运茶叶的车、船和集装箱等各种工具,应符台清洁、卫生、干媒、无异气味、无污染的要求:运输时,应防潮、防晒,防污染,严禁与有鑫、有异气味等损害茶叫品质的物品混装、混运。8.4贮存
茶叶产品应于清清、干燥、无鼻气味、无污的专用库房。附加说明:
本标准由中华人民共和国国内贸易部提出。本标准由安徽省茶叶公司、安徽省农科院祁门茶叶研究所和安徽省祁门茶厂广负责起草。本标准主要起草人周先宽、江顺珠、江德滋、闵官文、罗影霞、叶进宝。319
小提示:此标准内容仅展示完整标准里的部分截取内容,若需要完整标准请到上方自行免费下载完整标准文档。