首页 > 轻工行业标准(QB) > QB/T 2168-1995 4/4小提琴弓
QB/T 2168-1995

基本信息

标准号: QB/T 2168-1995

中文名称:4/4小提琴弓

标准类别:轻工行业标准(QB)

标准状态:已作废

实施日期:2003-10-01

出版语种:简体中文

下载格式:.rar.pdf

下载大小:107072

标准分类号

中标分类号:轻工、文化与生活用品>>文教、体育、娱乐用品>>Y58乐器

关联标准

替代情况:ZB Y58008-90;被QB/T 2168-2003代替

出版信息

页数:5页

标准价格:8.0 元

相关单位信息

标准简介

QB/T 2168-1995 4/4小提琴弓 QB/T2168-1995 标准下载解压密码:www.bzxz.net

标准图片预览

QB/T 2168-1995 4/4小提琴弓
QB/T 2168-1995 4/4小提琴弓
QB/T 2168-1995 4/4小提琴弓
QB/T 2168-1995 4/4小提琴弓

标准内容

中华人民共和国轻工行业标准
4/4小提琴弓
主题内容与适用范围
QB/T2168—1995
本标准规定了4/4小提琴弓的产品分类、技术要求、试验方法、检验规则及标志、包装、运输、贮存等。
本标准适用于4/4小提琴弓。
引用标准
GB/T2828逐批检查计数抽样程序及抽样表(适用于连续批的检查)GB/T2829周期检查计数抽样程序及抽样表(适用于生产过程稳定性的检查)3产品分类
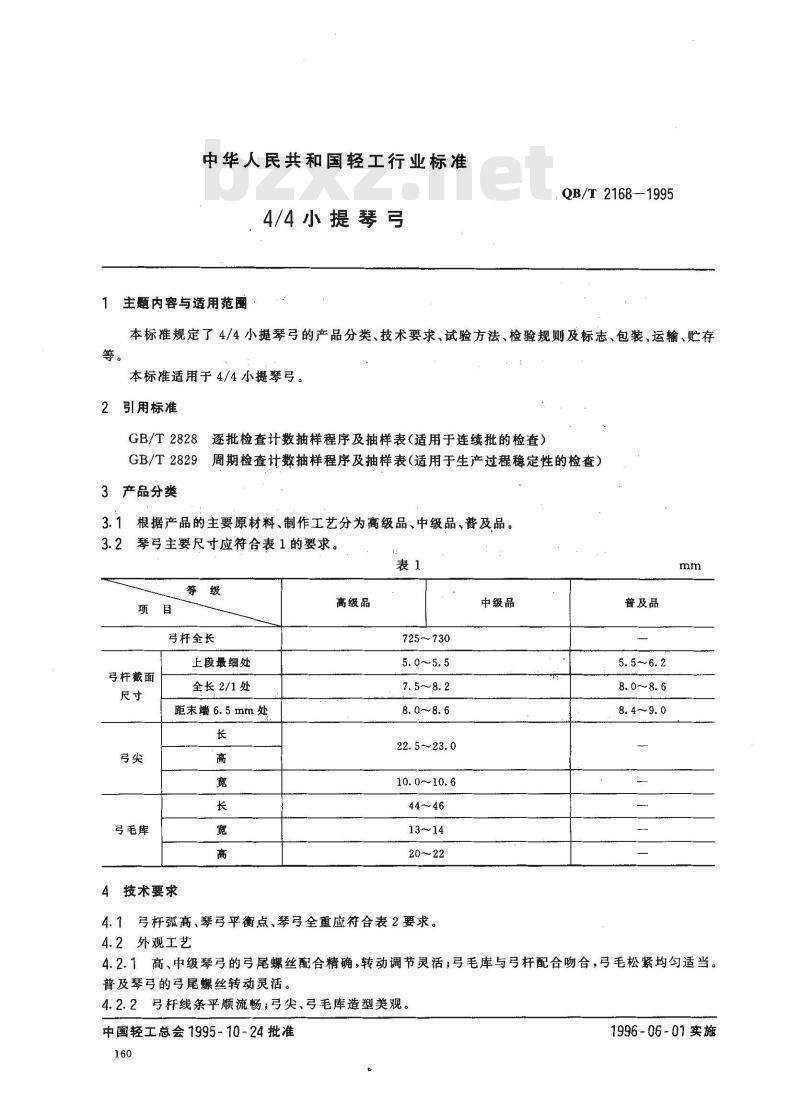
3.1根据产品的主要原材料、制作工艺分为高级品、中级品,普及品。3.2琴弓主要尺寸应符合表1的要求。表1
弓杆截面
弓毛库
弓杆全长
上段最细处
全长2/1处
距末瑙6.5mm处
4技术要求
高级品
725~730
5. 0~5.5
22. 5 -23. 0
10. 0~10. 6
4.1弓杆孤高、琴弓平衡点、琴弓全重应符合表2要求。4.2外观工艺
中级品
普及品
4.2.1高、中级琴弓的弓尾螺丝配合精确,转动调节灵活;弓毛库与弓杆配合吻合,弓毛松紧均勾适当。普及琴弓的弓尾螺丝转动灵活。4.2.2弓杆线条平顺流畅;弓尖、弓毛库造型美观。中国轻工总会1995-10-24批准
1996-06-01实施
弓杆弧高,mm
琴弓平衡点,mmbzxz.net
全重,g
4.3演奏性能
QB/T2168—1995
高级品
内弧最高点距两端最低点构成
水平直线的垂直距离(弓尾螺丝不计在内)
全弓末端(含螺丝)至平衡点的距离
高级琴弓演奏时平稳均勾,弹性适中。4.4主要原材料
4.4.1弓杆
256~272
中级品
普及品
255~285
高级琴弓杆使用苏木或其他材质相似的优质木材。中级琴弓杆可使用红木或其他材质相似的木材。普及琴弓杆使用木材或性能相似的其他材料。4.4.2弓毛库
高级品使用乌木或材质相似并符合其品质要求的其他各类材料。中级品使用红木或材质相似的木材。普及品使用木质材料或性能相似的其他材料。4.4.3弓毛
高、中级品使用白色马尾毛。普及品使用马尾毛或性能相似的其他材料。5试验方法
5.1工具
精度不低于0.1mm的游标卡尺、直尺和精度不低于0.1g的天平。5.2方法
5.2.1弓杆全长
用直尺测量弓尖顶点至弓杆尾端的长度(弓尾螺丝否计在内)。5.2.2弓杆直径
用游标卡尺在弓杆纵向规定部位测量。5.2.3弓杆弧高
放松弓毛,将弓杆外弧向上,内弧两端平放在图1所示的测量台上,弓杆末端与平台的端面平齐(弓尾螺丝伸出端面),用直尺在平台中部的槽内插入,测量内孤最高点与平台面的垂直距离。4
1-挡板;2—平台;3—凹槽:4直尺图1
5.2.4全重
用天平测量。
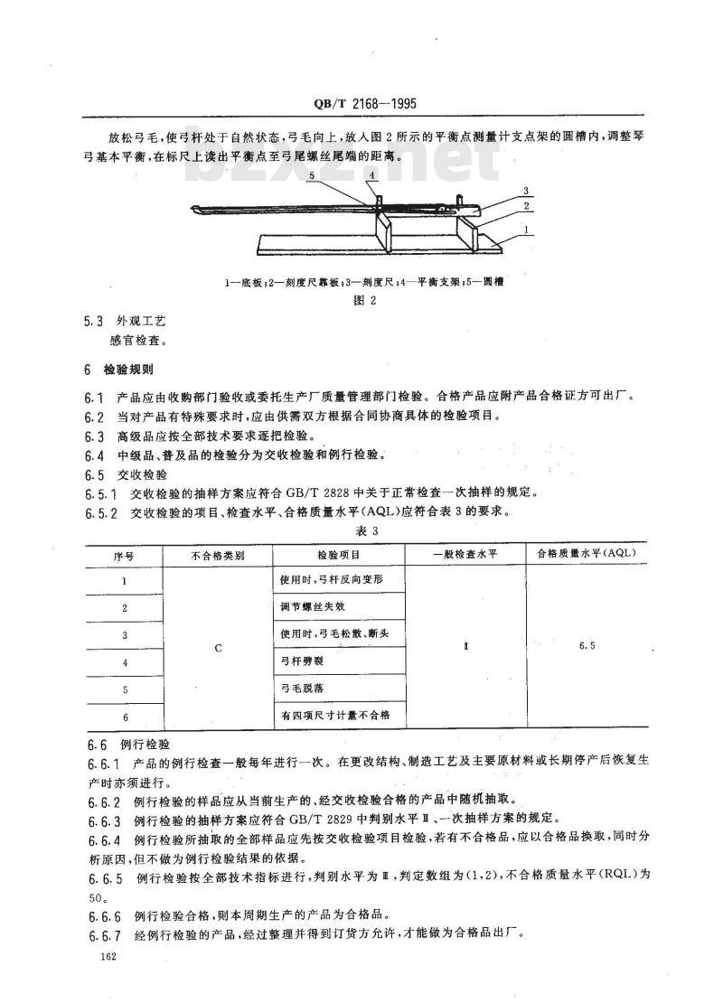
5.2.5平衡点
QB/T 2168--1995
放松弓毛,使弓杆处于自然状态,弓毛向上,放人图2所示的平衡点测量计支点架的圆槽内,调整琴弓基本平衡,在标尺上读出平衡点至弓尾螺丝尾端的距离。5
1底板;2—刻度尺靠板;3—刻度尺4—平衡支架,5-圆槽图2
5.3外观工艺
感官检查。
6检验规则
6.1产品应由收购部门验收或委托生产厂质量管理部门检验。合格产品应附产品合格证方可出厂。6.2当对产品有特殊要求时,应由供需双方根据合同协商具体的检验项目。6.3高级品应按全部技术要求逐把检验。6.4中级品、普及品的检验分为交收检验和例行检验。6.5交收检验
6.5.1交收检验的抽样方案应符合GB/T2828中关于正常检查一次抽样的规定。交收检验的项目、检查水平、合格质量水平(AQL)应符合表3的要求。6.5.2
不合格类别
检验项目
使用时,弓杆反向变形
调节螺丝失效
使用时,弓毛松散、断头
弓杆劈裂
弓毛脱落
有四项尺寸计量不合格
一般检查水平
合格质量水平(AQL)
6.6例行检验
6.6.1产品的例行检查一般每年进行一次。在更改结构、制造工艺及主要原材料或长期停产后恢复生产时亦须进行。
6.6.2例行检验的样品应从当前生产的、经交收检验合格的产品中随机抽取。6.6.3例行检验的抽样方案应符合GB/T2829中判别水平Ⅲ、-次抽样方案的规定。6.6.4例行检验所抽取的全部样品应先按交收检验项目检验,若有不合格品,应以合格品换取,同时分析原因,但不做为例行检验结果的依据。6.6.5例行检验按全部技术指标进行,判别水平为,判定数组为(1,2),不合格质量水平(RQL)为50。
6.6.6例行检验合格,则本周期生产的产品为合格品。6.6.7经例行检验的产品,经过整理并得到订货方允许,才能做为合格品出厂。162
7标志、包装、运输、贮存
QB/T2168—1995
7.1琴弓一般与小提配套使用。如成批出厂时,应有包装、产品合格证、使用说明书。包装上应标明品名、品种、数量、重量、厂名、体积,并应有“轻放”、“防潮”、“防嗮”等字样或标志。产品合格证上应写明本产品符合有关标准的规定,并有检验员盖章。7.2产品应放置在相对湿度60%~~85%、温度0~~40℃的室内保管,不得直接雨淋、日晒。需距热源或有机溶剂2000mm以外,并距地面、墙壁300mm以上。7.3装御和堆码时应小心轻放,不得压以重物;运输时使用有遮盖的运输工具,不得雨淋、曝晒。附加说明:
本标准由中国轻工总会质量标准部提出。本标准由全国乐器标准化中心归口。本标准由广州市乐器工业公司,广州市乐器工业公司研究所、广东乐器厂负责起草。自本标准实施之日起,原轻工业部发布的专业标准ZBY58008—-1990《4/4小提琴弓》作废。163
小提示:此标准内容仅展示完整标准里的部分截取内容,若需要完整标准请到上方自行免费下载完整标准文档。