首页 > 电子行业标准(SJ) > SJ 3225-1989 彩色电视广播接收机用遥控系统基本技术要求和类别
SJ 3225-1989

基本信息

标准号: SJ 3225-1989

中文名称:彩色电视广播接收机用遥控系统基本技术要求和类别

标准类别:电子行业标准(SJ)

标准状态:现行

发布日期:1989-03-20

实施日期:1989-03-25

出版语种:简体中文

下载格式:.rar.pdf

下载大小:220263

相关标签: 彩色电视 广播 接收机 遥控 系统 技术 类别

标准分类号

中标分类号:机械>>机械综合>>J01技术管理

关联标准

出版信息

出版社:电子工业出版社

页数:7页

标准价格:14.0 元

出版日期:1989-03-01

相关单位信息

起草人:刘兆吉、张景源

起草单位:上海无线电九厂

发布部门:中华人民共和国机械电子工业部

标准简介

本标准规定了彩色电视广播接收机用遥控系统的基本技术要求以及分类和型号命名。本标准适用于红外无线遥控彩色电视广播接收机遥控系统中遥控发射器和遥控接收单,作为编制遥控系统中遥控发射器和遥控接收单标准的依据。 SJ 3225-1989 彩色电视广播接收机用遥控系统基本技术要求和类别 SJ3225-1989 标准下载解压密码:www.bzxz.net

标准图片预览

SJ 3225-1989 彩色电视广播接收机用遥控系统基本技术要求和类别
SJ 3225-1989 彩色电视广播接收机用遥控系统基本技术要求和类别
SJ 3225-1989 彩色电视广播接收机用遥控系统基本技术要求和类别
SJ 3225-1989 彩色电视广播接收机用遥控系统基本技术要求和类别
SJ 3225-1989 彩色电视广播接收机用遥控系统基本技术要求和类别

标准内容

中华人民共和国机械电子工业部部标准SJ3225-89
彩色电视广播接收机用
遥控系统基本技术要求和类别
1989-03-20发布
1989-03-25实施
中华人民共和国机械电子工业部批准中华人民共和国机械电子工业部部标准彩色电视广播接收机用
遥控系统基本技术要求和类别
1主题内容和适用范围
SJ3225-89
本标准规定了彩色电视广播接收机用遥控系统的基本技术要求以及分类和型号命名:
本标准适用于红外无线遥控彩色电视广播接收机遥控系统中遥控发射器和遥控接收单元,作为编制遥控系统中遥控发射器和遥控接收单元标准的依据,2名调术语和功能符号
2.1名词术语
2.1.1遥控系统rcmotccontrolSystem遥控系统是指用红外遥控的方法实现在一定距离内对彩色电视机的电、声、光进行控制的系统,遥控系统一出遥控发射器和遥控接收单元两部分组成。2.1.2遗控发射器remotecontroltransmitter遥控系统中用于发送各种控制指令的单元,这些控制指令主要有频道转换、音量调节、电源通断、屏幕显示等
2.1.3遥控接收单元rcmotccontrolrcceivcingunit遥控系统中用于接收控发射器发出的控制指令,并进行解码,最终实现各种控制的单儿,它通常由前贸放大器、微处理器、存贮器、接口电路及外围电路构成2.1.4电位器预置
poleniiometerprc-sct
遥控彩色电视机的-种台方式,采用多档机械式电位器手调预置各节目频道,并可通过操纵避控发射器选择预降的节目频道,其方框图如图1所示发射器
接收电路
本地键盘
显示电路
选台电路
图1电位器预置式原理方框图
中华人民共和国机械电子工业部1989-03-20批准平
电子调谐器
1989-0325实施
SJ3225-89
2.1.5电压合成(电子切换ESS)(voltagccombination(electronicswitchstyle)遥控彩色电视机的一种选台方式,预置节目时,将调谐信息数字化,记人存贮器内,收看节目时,读出相应的数字信号,并经控制电路转换成对应的调谐电压和波段值,达到选台的目的,其方框图如图2所示,发射器
接收电路
本地键盘
显示电路
接口电路
DIA转换
平滑电路
频段译码
图2电压合成式原理方框图
2.1.6频率合成(锁相环路控制PLL)frequencycombination (prclaunch-lockcdloop)UT
遥控彩色电视机的一种选台方式,将调谐器的本振频率按固定分频比进行预分频后,再由“可编程分频器”根据所选频道改变分频比进行再分频:并由基准频率源产生基准频率,把经二次分频的频率和基准频率同时送入鉴相器进行比较得出比较信号后再控制相应的电路,实现各种功能,其方框图如图3所示。UT
发射器
接电路
本地键盘
显示电路
合成控制器
滤波器wwW.bzxz.Net
频率源
鉴相器
预分额
图3频率合成式原理方框图
2.1.7操作码operationcode
遥控指令中用于控制电视机各种操作功能的指令码。2.1.8设备码equipmcntcode
电子惯谐器
SJ322589
遥控指令中用于区分不同控制设备的指令码,2.1.9模拟册analogvalues
时间上是连续的或对某一参盘可取无限个值的信号盘,彩电遥控中的模拟量主要有音量、亮度、对比度、色饱和度等。2.1.10遥控有效距离remotecontroleffectiverange发射器发射面中心垂直轴与接收单元受光面中心垂直轴重合在间一直线上时遥控系统能正常工作的发射器到接收单元的距离,2.1.11遥控有效方位角remotecontroleffectiveangle遥控系统能正常工作的发射器发射面中心垂直轴与接收单元受光面中心垂直轴所组成的方位角、
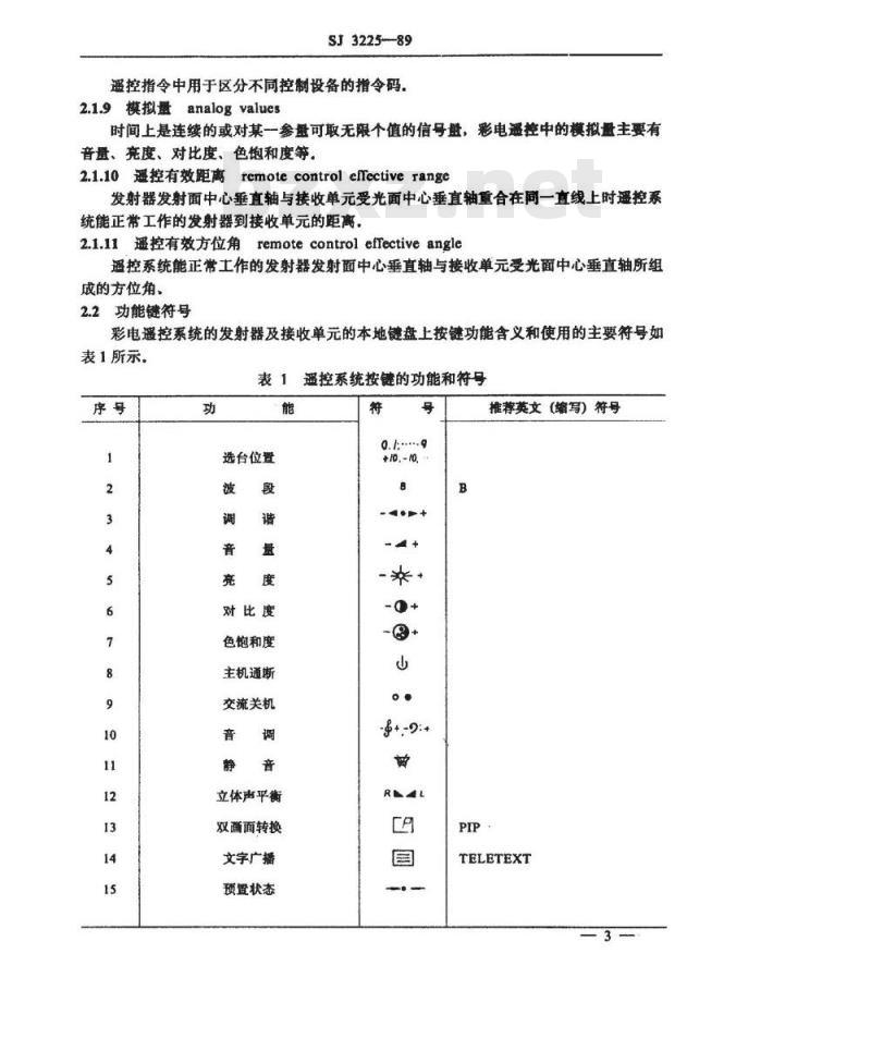
2.2功能键符号
彩电遥控系统的发射器及接收单元的本地键盘上按键功能含义和使用的主要符号如表1所示.
遥控系统按键的功能和符号
选台位置
对比度
色饱和度
主机通断
交流关机
立体声平衡
双面面转换
文字广播
预置状态
+10,-10
-$+-0:+
推荐英文(缩写符号
TELETEXT
屏显重现
电视/录像转换
制式转换
文字目录检索
文字页次查找
文字内容放缩
蘸面静止
SJ3225—89
续表1
注:表中符号只给出表达形状,具体尺寸比例本文件中不作规定、3基本技术要求
3.1使用条件
环境温度:
发射器
10~40,
楼收单元
10~55℃;
相对湿度:45%~85%;
大!力86~106kPa.
3.2按键功能与符号
推荐英文(缩写)特号
MEMORY
SEARCH
RECALL
SYSTEM
F·FWD
遥控系统的发射器与接收单元的按键功能及所标志的符号应符合本标准第2.2条表1的规定。
3.3按键的按力
按键的按力应为0.5~3N,
3.4按键寿命
SJ3225-89
发射器的按键经100000次机械寿命试验后,应能正常动作,其按力应符合第3.3条的要求。
3.5自由跌落
发射器应能经受三个相互垂直轴向各两次的自由跌落试验,跌落高度为500mm,台面为30mm厚硬木板,而后,发射器外壳应无损坏,工作应正常,3.6遥控指令
遥控指令一般包括设备码和操作码两部分,采用脉码调制(PCM)编码方式,完整的指令还可包括预备脉冲,起始脉冲和终止脉冲等3.7遥控有效距离
遥控系统的遥控有效距离应不小于7m。3.8遥控有效方位角
在遥控有效距离大于5m条件下,遥控系统的遥控有效方位角不小于30°,3.9抗环境光干扰
在500L.x的环境光干扰下,遥控系统的遥控有效距离不小于3m。3.10发射器工作电流
在发射器额定工作电压条件下,当有按键被操作时的工作总电流应不大于规定值。3.11发射器静态电流
在发射器额定工作电压条件下,在没有按键被操作时的静态电流应不大于规定值,4类别
4.1分类
4.1.1按选台方式分类
遥控系统按选台方式可分为:电位器预置式、电压合成式和频率合成式三种,4.1.2按控制功能分类
4.1.2.1基本功能
遥控系统的功能至少应有:电源通断(直流)、选台、音量、其它功能如静音、亮度、色饱和度、对比度可以任选。4.1.2.2扩展功能
遥控系统的扩展功能包括:交流关机、多画面转换、设备转换、文字广播等,4.1.3按显示方式分类
遥控系统按显示方式可分为:发光管显示,数码籍显承和屏幕墨示等,4.2型号
4.2.1遥控系统的型号组成为:
4.2.2举列
(1)YKF-S
SJ3225-89
主称代号
表示第5种遥控发射器。
(2)YKJ-2
表示第2种遥控接收单元。
附加说明:
顺序号
一用1,2,3,表示”;
用“F”表示发射器,“J”表示接收单元表示“彩色电视广播接收机用遥控系统”。本标准由上海无线电九厂负责起草;本标准主要起草人:刘兆吉、张景源,6
小提示:此标准内容仅展示完整标准里的部分截取内容,若需要完整标准请到上方自行免费下载完整标准文档。