首页 > 电子行业标准(SJ) > SJ 20277-1993 半导体集成电路 JC4001、JC4002型CMOS或非门详细规范
SJ 20277-1993

基本信息

标准号: SJ 20277-1993

中文名称:半导体集成电路 JC4001、JC4002型CMOS或非门详细规范

标准类别:电子行业标准(SJ)

标准状态:现行

发布日期:1993-05-11

实施日期:1993-07-01

出版语种:简体中文

下载格式:.rar.pdf

下载大小:750657

相关标签: 半导体 集成电路 或非门 详细 规范

标准分类号

中标分类号:石油>>石油综合>>E01技术管理

关联标准

出版信息

出版社:电子工业出版社

页数:24页

标准价格:19.0 元

出版日期:1993-06-01

相关单位信息

起草人:李燕荣

起草单位:中国电子技术标准化研究所

归口单位:中国电子技术标准化研究所

发布部门:中华人民共和国电子工业部

标准简介

本规范规定了硅单片JC4OO1、JC4OO2型CMOS或非门(以下简称器件)的详细要求。本规范适用于器件的研制、生产和采购。 SJ 20277-1993 半导体集成电路 JC4001、JC4002型CMOS或非门详细规范 SJ20277-1993 标准下载解压密码:www.bzxz.net

标准图片预览

SJ 20277-1993 半导体集成电路 JC4001、JC4002型CMOS或非门详细规范
SJ 20277-1993 半导体集成电路 JC4001、JC4002型CMOS或非门详细规范
SJ 20277-1993 半导体集成电路 JC4001、JC4002型CMOS或非门详细规范
SJ 20277-1993 半导体集成电路 JC4001、JC4002型CMOS或非门详细规范
SJ 20277-1993 半导体集成电路 JC4001、JC4002型CMOS或非门详细规范

标准内容

中华人民共和国电子行业军用标准FL5962
SJ20277-93
半导体集成电路JC4001、JC4002型CMOS或非门详细规范
Detail specification for types JC4001.JC4002NOR gates of CMOS semiconductor integrated circuits1993-05-11发布
中华人民共和国电子工业部
1993-07-01实施
1范围
中华人民共和国电子行业军用标准半导体集成电路JC4001、JC4002型CMOS或非门详细规范
Detail specification for types JC4001.JC4002NORgates of CMOS semiconductor integrated circuits1.1主题内容
SJ20277-93
本规范规定了硅单片JC4001、JC4002型CMOS或非门(以下简称器件)的详细要求。1.2适用范围
本规范适用于器件的研制、生产和采购。1.3分类
本规范给出的器件按器件型号、器件等级、封装形式、额定值和推荐工作条件分类。1.3.1器件编号
器件编号应按GJB597《微电路总规范》第3.6.2条的规定。1.3.1.1器件型号
器件型号如下:
器件型号
JC4001
JC4002
1.3.1.2器件等级
器件名称
四2输入或非门
双4输入或非门
器件等级应为GJB597第3.4条规定的B级和本规范规定的B1级。1.3.1.3封装形式
封装形式如下:
封装形式1)
D14S3(陶瓷双列封装)
F14X2(陶瓷扁平封装)
H14X2(陶瓷熔封扁平封装)
J14S3(陶瓷熔封双列封装)
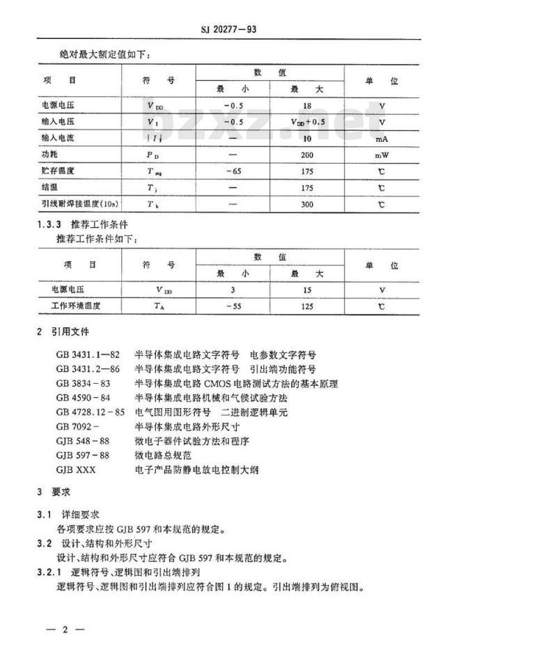
注:1)按GB7092(半导体集成电路外形尺寸)。1.3.2绝对最大额定值
中华人民共和国电子工业部
1993-05-11发布
iiKAoNKAca-
1993-07-01实施
绝对最大额定值如下:
电源电压
输入电压
输入电流
贮存温度
引线耐焊接温度(10s)
1.3.3推荐工作条件
推荐工作条件如下:
电源电压
工作环境温度
引用文件
GB 3431.182
GB 3431.2—86
GB3834-83
GB4590-84
GB4728.12-85
GB7092 -
GJB548-88
GJB597-88
GJBXXX
3要求
3.1详细要求
SJ20277-93
半导体集成电路文字符号电参数文字符号半导体集成电路文字符号引出端功能符号半导体集成电路CMOS电路测试方法的基本原理半导体集成电路机械和气候试验方法电气图用图形符号二进制逻辑单元半导体集成电路外形尺寸
微电子器件试验方法和程序
微电路总规范
电子产品防静电放电控制大纲
各项要求应按GJB597和本规范的规定。3.2设计、结构和外形尺寸
设计、结构和外形尺寸应符合GJB597和本规范的规定。3.2.1逻辑符号、逻辑图和引出端排列逻辑符号、逻辑图和引出端排列应符合图1的规定。引出端排列为俯视图。2
JC4001
逻辑符号
逻辑图
JC4002
逻辑符号
1A(2)
1B3)
逻辑图(1/2)
3.2.2功能表
功能表应如下:
SJ20277-93
(1)1Y
(13)
引出端排列
引出端排列
ub Ypo
逻辑符号、逻辑图和引出端排列-iiKAoNiKAca-
JC4001
SJ20277-93
制造厂在鉴定前应将电原理图提交给鉴定机构。制造厂的电原理图应由鉴定机构存档备L
器件的电试验要求应为本规范表2所规定的有关分组,各个分组的电测试按表3的规定。L
注:H-高电平;L-低电平。
封装形式应符合本规范1.3.1.3条的规定。L
引线材料和涂覆应按GJB597第3.5.6条的规定。H
3.2.3电原理图
3.2.4封装形式
电特性应符合本规范表1的规定。3.3引线材料和涂覆
器件标志应按GJB597第3.6条的规定。3.4电特性
3.5电试验要求
3.6标志
3.6.1总剂是辐射加固标志
SJ20277-93
总剂量辐射加固标志应按GJB597第3.6.2.6条的规定。3.6.2标志的正确性
所有器件在标上器件编号后,应经受表2规定的最后电测试,也可以经受特殊设计经认可的电测试,经验证器件编号标志的正确性。3.7微电路组的划分
本规范所涉及的器件为第36微电路组(见GJB597附录E)。表1电特性(JC4001、JC4002)
输入正猎位电压
输出负箔位电压
电源电流
输出高电平电压
输出低电平电压
输入高电平电压
输入低电平电压
(若无其它规定
Vss =oV)
Vss开路,输出端
开路,lik=1mA
Vss接地,输出端
开路,
VIL=oV,VH\
V=0V.loH=0
VoL=O.SV,
VoH =4.5V,
VoH=9V,
ol≤lμA
Vol.=1.sV.
VoH=13.5V
Fol≤uA
VoH=4.5V,
Vo.=o.5V.
Io≤luA
VoH=9V,
o≤μA
VOH=13.5V,
V oL = 1.5V,
11≤1μA
TA=-55C
规范值
TA=25℃
iiKAoNKAca-
TA=125C
输出低电平电流
输出高电平电流
输入漏电流
输入试验电压
输入电容
输出传输延迟时
输出转换时间
中间(老化前)
电测试
中间(老化后)
电测试
最终电测试
A组检验电测试
B组终点电测试
(若无其它规定,
Vss=0V)
V,=5V,
V,=15V,
Vot.=1.5V
VI =oV,
Vou=13.5V
VH=15V
CL=100pF,
(见4.5.3)
f=IMHz
CL=50pF,
CL=50pF
R,=200km
SJ20277-93
续表1
TA=-55C
表2电试验要求
B级器件
分组(见表3)
A2,A3,A7,A9
A1、A2, A3,A4,
A9.A10.A11
变化量极限
规范值
TA=25℃
TA=125
B1级器件
分组(见表3)
表104极限
A2,A3,A7,A9
A1,A2,A3.
变化量极限
表104极限
C组终点电测试
C组检验增加的电测
试分组
D组终点电测试
E组终点电测试2)
注:1)
SJ20277-93
续表2
B级器件
分组(见表3)
不要求
AI,A2,A3
变化量极限
表104极限
表144极限
该分组要求PDA计算(见本规范4.2条)。B1级器件
分组(见表3)
A1,A2,A3
A10,A11
Al,A2,A3
该分组为辐射加固终点电测试,应按本规范4.5.5条规定。表3-1JC4001的电测试
引用标准
GB3834
(若无其它规定Vss=0,T。=25℃)Vpp接地,Vss开路,输出端开路,被测输入Ik=1mAVon开路,Vss 输出端开路,被测输入Irx=-1mAVpD=15V.Vm=0V,VH=15V
Vpp=15V,被测门所有输入接地,其它所有输入V,=15V.被测输出IoH=0,逐一测试每个门的输出端Vp=15V.被测门输入依次接Vm=15V,其它所有输入V,=0V,被测输出IoL=0,逐测试每个门的输出端变化量极限
表104极限
表144极限
规范值
VpD=5V,被测门任意输入端为3.5V,另端为1.5V,其它门所有输入端接地,被测输出端|1o≤1μA,3.5
Vop=10V,被测门任意输入端为7V,另端为3V,其它门所有输入端接地,被测输出端|Io≤1uA,VoL=1VVpm=15V,被测门任意输出端为11V,另端为4V,其它门所有输入端接地,被测输出端|Io|≤1μA,VoL=1.5V
Vpp=5V,被测门输入端接1.5V其它门输入端接地,被测输出端|o≤1μA,VoH=4.5VVp=10V,被测门输入端接3V,其它门输人端接地,被测输出端Io≤IμA,VoH=9V
Vpp=15V,被测门输入端接4V,其它门输入端接地,被测输出端|To≤1uA,VoH=13.5V此内容来自标准下载网
VnD=5V,被测端V,=5V.其它输入端接地,被测输出接Vo.=0.4V
iiKAoNKAca-
引用标准
GB3834
SJ20277-93
续表3-1
(若无其它规定Vss=0,TA=25C)VDD=15V.被测端V,=15V,其它输入端接地,被测输出接VoL=1.5V
Vpp=5V,被测输入端接地,被测输出接Vo=4.6VVpp=15V,被测输入端接地,被测输出接VoH=13.5V
VpD=15V.被测输人端并接Va=15V(仅25℃条件下测)
VDp=15V,输入端逐一测V15V,其它输入端接地Vm=15V,被测输入端并接V=0V(仅25℃条件下测)
Vpp=15V.输入端逐—测V=0V
T=125℃,除Vk不测外,所有参数、条件同A1分组,规范值按表1TA
-55C,除Vik不测外,所有参数、条件同A1分组,规范值按表13.1
Vpp=0V,每个输入端分别测,f=1MHzVpp
=5V.功能测试按功能表
Vrp=5V,非被测输入V,=0V.见本规范图4A,B+Y
Vpp=5V,非披测输入V,=0V,见本规范图4A,B+Y
TA=125℃,参数,条件同A9分组,规范值按表1T=-55℃,参数,条件同A9分组,规范值按表1规范值
注:25℃条件下测Im、In时,可选取分别测每个输入端或所有输入端并接测量的方法。8
引用标准
GB3834
SJ20277—93
表3-2JC4002的电测试
(若无其它规定Vss=0,TA=25℃)Vpp接地,Vss开路,输出端开路,被测输入Iik=1mAVnn开路,Vss接地,输出端开路,被测输入Irx=-1mAVon=15V,Vn.=0V,VH-15V
VpmH=15V,被测门所有输入接地,其它所有输入V=15V,被测输出IoH=0.逐一测试每个门的输出端Vpo=15V,被测门输入依次接Vm=15V.其它所有输入V,=0V、被测输出Io=0.逐一测试每个门的输出端VDp=5V,被测门任意输入端为3.5V.另端为1.5V,其它门所有输入端接地,被测输出端Io|≤1uA,Vo.=0.5V
VDp=10V,被测门任意输入端为7V,另端为3V,其它门所有输入端接地,被测输出端1o|=1μA,VoL=1VVD=15V,被测门任意输入端为IIV.另端为4V.其它门所有输入端接地,被测输出端[Io≤1μA,VoL<1]5V
Vp=5V,被测门输入端接1.5V,其它门输入端接地,被测输出端|lo<1μA,VoH=4.5VVpo=10V,被测门输入端接3V.其它门输入端接地,被测输出端|lo≤1pA,VoH=9V
Vpp=15V,被测门输入端接4V,其它门输入端接地,被测输出端|Io≤1μA,VoH=13.5VVpo=5V.被测端V,=5V,其它输入端接地,被测输出接VoL=0.4V
Vpp=15V.被测端V,=15V,其它输入端接地,被测输出接VoL=1.5V
Vpp=5V被测输入端接地,被测输出接Vor=4.6VVop=15V,被测输入端接地,被测输出接Vo=13.5VVpp=15V,被测输入端并接Vm=15V(仅25C条件下测)
Vpp=15V,输入端逐一测V15V.其它输入端接地Vmb=15V,被测输入端并接Vm=0V(仅25℃条件下测)
Vpp=15V,输入端遥一测Vm=0V
iiKAoNiKAca-
规范值
引用标准
GB3834
SJ20277-93
续表3-2
(若无其它规定Vss=0,TA=25C)TA=125℃,除Vik不测外,所有参数、条件同A1分组,规范值按表1TA
-55C,除Vuk不测外,所有参数、条件同A1分组,规范值按表13.1
VDp=0V、每个输入端分别测,=1MHzVpp=5V,功能测试按功能表
Vpp=SV,非被测输入V,=0V,见本规范图4A,B,C,D-Y
Vp=5V,非被测输入V,=0V,见本规范图4A,B,C,D+
TA=125℃,参数,条件同A9分组,规范值按表1TA==55C,参数,条件同A9分组,规范值按表1规范值
注:25℃条件下测「iH、Im时,可选取分别测每个输入端或所有输入端并接测量的方法。a.
JC4001
JC4002
SJ20277-93
注:①静态老化I:所有输入端接0V.即开关S,置“1\。②静态老化Ⅱ:所有输入端接VrD,即开关S,置\2\。R
·开路
除V和Vss端外,每个引出端应通过一个2~47kn电阻器相连接。由于使用、受热或老化,所选电?
阻的实测值应不超过其标称值的土20%输出端开关S,可以置“1或“2”。?
Vpo=15~18V;Vss=0V。
图2静态老化试验线路
iiKAoNrkAca=
小提示:此标准内容仅展示完整标准里的部分截取内容,若需要完整标准请到上方自行免费下载完整标准文档。