首页 > 电子行业标准(SJ) > SJ 3121-1988 电子器件详细规范 3DG2464型高频放大环境额定双极型晶体管
SJ 3121-1988

基本信息

标准号: SJ 3121-1988

中文名称:电子器件详细规范 3DG2464型高频放大环境额定双极型晶体管

标准类别:电子行业标准(SJ)

标准状态:现行

发布日期:1988-04-08

实施日期:1988-12-01

出版语种:简体中文

下载格式:.rar.pdf

下载大小:451854

相关标签: 电子器件 详细 规范 高频 放大 环境 额定 双极型 晶体管

标准分类号

中标分类号:能源、核技术>>能源、核技术综合>>F01技术管理

关联标准

出版信息

页数:8页

标准价格:14.0 元

相关单位信息

标准简介

SJ 3121-1988 电子器件详细规范 3DG2464型高频放大环境额定双极型晶体管 SJ3121-1988 标准下载解压密码:www.bzxz.net

标准图片预览

SJ 3121-1988 电子器件详细规范 3DG2464型高频放大环境额定双极型晶体管
SJ 3121-1988 电子器件详细规范 3DG2464型高频放大环境额定双极型晶体管
SJ 3121-1988 电子器件详细规范 3DG2464型高频放大环境额定双极型晶体管
SJ 3121-1988 电子器件详细规范 3DG2464型高频放大环境额定双极型晶体管
SJ 3121-1988 电子器件详细规范 3DG2464型高频放大环境额定双极型晶体管

标准内容

中华人民共和国电子工业部部标准电子元器件详细规范
SJ3121-88
3DG2464型高频放大环境额定双极型晶体管中华人民共和国电子工业部
评定器件质量的根据:
GB4936.1—85
《半导体分立器件总规范》
3DG2464型详细规范
订货资料见本规范第7章
1机械说明
外形标准:GB7581-87《半导体分立器件外形尺寸》中代号E4-06A型
外形图及引出端识别:
标志:见本规范第6章
SJ3121-88www.bzxz.net
简要说明
高频放大用环境额定双极型晶体管半导体材料:硅
封装:塑料封装(非空腔)
应用:用于UHF额段机械调谐器高放及其它高额AGC电路中
3.质量评定类别
参考数据:
Ptot=200mw(Tamb=25C)
Ic=20mA
f>800MHz
G,>12dB
VAGC<6.2V
中华人民共和国电子工业部1988-04-08批准-1
1988-12-01实施
极限值(绝对最大额定值)
除非另有规定,Tamb=25℃
条文号
5电特性
环境温度
贮存温度
SJ3121—88
最大集电极—基极直流电压
最大集电极一发射极直流电压
最大发射极—基极直流电压
最大集电极直流电流
最大集电极耗散功率
最高有效结温
检验要求见本规范第8章
条文号
特性和条件
除非另有规定,Tamb=25t
共发射极正向电流传输比静态值VcB=10V,Ic3mA
特征频率
Vcn=10V
Ic=3mAf=200MHz
集电极一基极截止电流
VcB=30V
高温下的集电极一基极截止电流VcB=20V,IE=0
Tamb=100
发射极一基极截止电流
Vga=2V
最小值
最小值
hpE(1)
IcBo()
IcBO(2)
最大值
最大值
条文号
6标志
特性和条件
SJ3121-88
除非另有规定,Tamb=25c
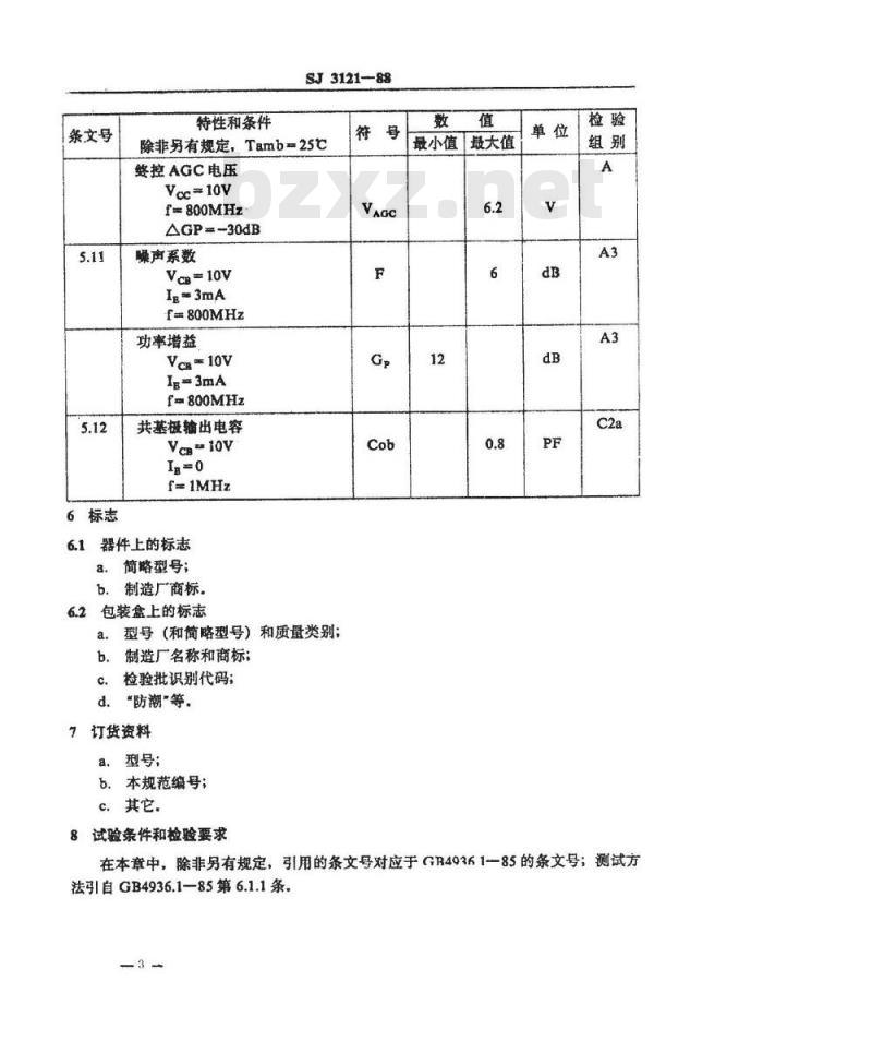
终控AGC电压
Vcc=10V
f=800MHz
AGP=-30dB
噪声系数
Vca=10V
f=800MHz
功率增益
Vca10V
Ig=3mA
f=800MHz
共基极输出电容
Vcm10v
f=1MHz
6.1器件上的标志
8.简略型号;
b.制造厂商标。
6.2包装盒上的标志
a。型号(和简略型号)和质量类别:b,制造厂名称和商标:
c.检验批识别代码;
d.“防潮\等.
7订货资料
a.型号;
b.本规范编号;
c.其它.
8试验条件和检验要求
最大值
最小值
在本章中,除非另有规定,引用的条文号对应于GR40361—85的条文号;测试方法引自GB4936.1-85第6.1.1条
SJ3121-88
A组一逐批
全部试验都是非破坏性的(3.6.6)条
符号引用标准
检验或试验
A1分组
外部目检
A2a分组
不工作器件
共发射圾正向电流传输
比静态值
集电极一基设战止电汽Icaon)
A2b分组
共发射极正向电流传输比hps(1)静态值
集电极一基极减止电流
发时圾一基极截止电流
A3分组
功率增益
噪声系数
A4分组
终控AGC电压
特征频率
GB4587
附录A.3
GB4587
注:1)GB4587《双极型品体臂测试方法》件
除非另有规定
Tamb=25℃
检验要求
(见GB4936.1第4章)
直最大值
最小值
标志清晰表
面无机械损伤
Vcs=10V,1-3mA
Vc30VIg=0
Vcg10V,1-3mA
Vc30V,Ig-0
Vga2V,I0
Vcg-12V,Ig-3mA
f=800MH
Vca-10V,Ic=3mA
f-800mH
V12V,f-200MHz
AGp-30d3
Vc-10V,Ic-3mA
f=200MHz
SJ3121-88
B组一逐批
只有标明(D)的试验是破坏性的(3.6:6)条
除非另有规定
检验或试验
B1分组
B3分组
引出端强度:
弯曲(D)
B4分组
可焊性
B5分组
温度变化
继之以
交变湿热(D)
最后测试:
集电极一基极截止电流
共发射正向电流传输
比静态久值
B8分组
电耐久性
最后测试
集电极一基极截止电流
共发射正向电流传输
比静态值
B9分组
高温贮存
最后测试:
同B8分组
CRRL分组
hpB(t)
引用标准
GB4937,
GB4937,
GB4938,
GB4937
Tamb-25c
检验要求
(见GB4936.1第4章)最小值
最大值
按本规范第1章
方法1
受试引出端数:4
外加力:2.5N
试验b
受试引出端数:4
其它规定见
本规范附录A
TA--55C
T,-125c
t,30min
严酷等级:
温度55℃,
周期数6天
恢复条件:正常的
试验大气条件
按A2b分组
按A2b分组
工作寿命t=168h
Ptor200mW
Vcg15V
Vca-30Vg-0
Vcg=10V
Ic-3mA
t=168h
Tstg-125c
按B8分组
无损伤
按GB4937.
按A2b分组
按A2b分组
按B8分组
就B3.B4、B5、B8和B9分组提供计数检查结果单位
注:1)GB2423.4《电工电子产品基本环境试验规程试验Db:交变湿热试验方法》2)GB4938《半导体分立器件接收和可靠性》5
SJ3121—88
C组一周期
只有标明(D)的试验是破坏性的(3.6.6)引用标准
检验或试验
C1分组
C2a分组
共基极糖出电容
C2b分组
高温下集电极—基极裁止Icao(2)T—001电流
C3分组
引出端强度:
拉力(D)
C4分组
耐焊接热(D)
最后测试:
同B5分组
C7分组
稳态褪热(D)
最后试:
间B5分期
C8分组
电耐久性
最后测试:
同B8分组
C9分组
高温存(D)
最后测试:
同B8分组
CI1分组
标志耐久性
C12分组
易燃性(外部引起)
CRRL分组
GB4937
GB4937,
GB4937
GB4938
GB4937,
GB4937,
GB4937,
除非另有规定
Tamb-25
(见GB4936.1第4章)墩小值最大值按本规范第1章
V-10V-0
f-IMHz
Vca-20V.Ig-0
外如力:5N
受试引出端数:4
方法1A
按B5分组
严格度1.
Vo-25V
t-168h
按B5分组
P-200mw
工作寿命t=1000h
按B8分组
Tstg-125c
t-1000h
按B8分组
方法2
按GB4937,
按GB4937,
按B5分组
按B5分组
按B8分组
按B8分组
按GB4937.
按GB4937
就C2、C3、C4、C7、C9分组提供计数检查结果;提供C8分组试验前后的计盘检查结果。单
组一鉴定批准试验
SJ3121--88
D组试验除鉴定时必须进行外,每12个月应进行一次,仅为了提供资料,不作验收依据。
检验或试验
电耐久性
最后测试:
同B8分组
CRRL分组
符号书用标准
最小值
见GB4936.1第4章)
GB4938
工作寿命t=2000h,
Pt=200mw,
Vee-15V
同B8分组
提供D组试验前后的计量检查结果件
除非另有规定
Tamb=25c
最大值
同B8分组
A.1加速老化
SJ3121--88
附录A
晶体管可焊性
(补充件)
对于在器件制成后,又进行沾锅(或镀锡)的器件,带做加速老化,其条件是:100℃水蒸气中资放一小时,
A.2试验方法
a。优先采用槽焊法,
b必要时,可采用润湿称量法。按国标GB2423·32一85《电工电子产品基本环境试验规程润湿称盘法可焊性试验方法》进行。润湿过程,按使用非活性焊剂时,在3秒钟内达到理论润湿力的35%,
附加说明:
本标准由丹东半导体器件总厂负责起草8
小提示:此标准内容仅展示完整标准里的部分截取内容,若需要完整标准请到上方自行免费下载完整标准文档。