首页 > 电子行业标准(SJ) > SJ 3062.1-1988 冲裁模通用模架 T形槽固定板
SJ 3062.1-1988

基本信息

标准号: SJ 3062.1-1988

中文名称:冲裁模通用模架 T形槽固定板

标准类别:电子行业标准(SJ)

标准状态:现行

发布日期:1988-03-28

实施日期:1988-12-01

出版语种:简体中文

下载格式:.rar.pdf

下载大小:39715

相关标签: 通用 模架 形槽 固定

标准分类号

中标分类号:农业、林业>>农业、林业综合>>B01技术管理

关联标准

出版信息

页数:2页

标准价格:8.0 元

相关单位信息

标准简介

SJ 3062.1-1988 冲裁模通用模架 T形槽固定板 SJ3062.1-1988 标准下载解压密码:www.bzxz.net

标准图片预览

SJ 3062.1-1988 冲裁模通用模架 T形槽固定板
SJ 3062.1-1988 冲裁模通用模架 T形槽固定板

标准内容

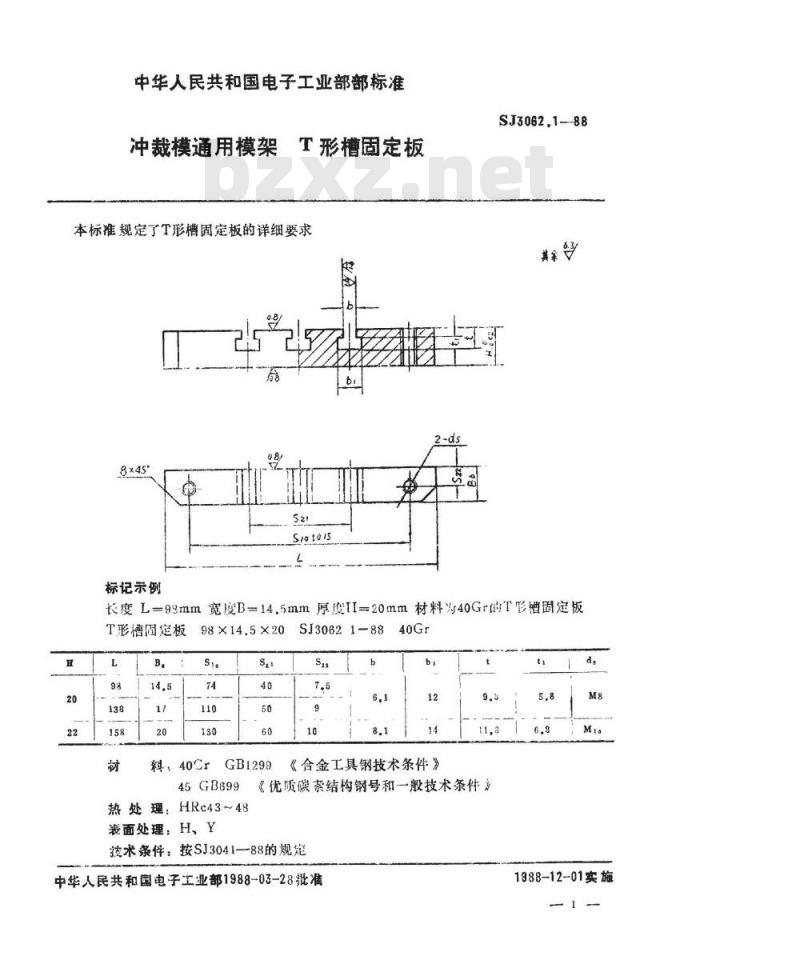
中华人民共和国电子工业部部标准T形槽固定板Www.bzxZ.net
冲裁模通用模架
本标准规定了T形槽固定板的详细要求a
Sratois
SJ3062.1--88
标记示例
长度L=99mm宽度B=14.5mm厚度I=20mm材料为40Gr的T形档固定板T形槽固定板
98×14.5×20
料,40Cr
GB1299
45GB699
热处理:HRc43~48
表面处理:H、Y
SJ30621-88
《合金工具钢技术条件》
《优质碳索结构钢号和一般技术条件》液术条件:按SJ3041-88的规定
中华人民共和园电子工业部1988-03-28批准t
1988-12-01实施
附加说明,
SJ3062.188
本标准由电子工业部标准化研究所,七六一厂、七六八厂、四五二四厂,七四一厂、七七二负责起草。
小提示:此标准内容仅展示完整标准里的部分截取内容,若需要完整标准请到上方自行免费下载完整标准文档。