首页 > 机械行业标准(JB) > JB/T 7273.7-1994 内波纹手轮
JB/T 7273.7-1994

基本信息

标准号: JB/T 7273.7-1994

中文名称:内波纹手轮

标准类别:机械行业标准(JB)

标准状态:现行

发布日期:1994-06-18

实施日期:1995-01-01

出版语种:简体中文

下载格式:.rar.pdf

下载大小:92259

相关标签: 波纹 手轮

标准分类号

中标分类号:机械>>通用零部件>>J27操作件

关联标准

出版信息

出版社:机械工业出版社

页数:6页

标准价格:8.0 元

出版日期:1995-01-01

相关单位信息

起草单位:机械工业部机械标准化研究所

归口单位:机械工业部机械标准化研究所

提出单位:机械工业部机械标准化研究所

发布部门:中华人民共和国机械工业部

标准简介

本标准规定了内波纹手轮的型式、尺寸及技术要求。 JB/T 7273.7-1994 内波纹手轮 JB/T7273.7-1994 标准下载解压密码:www.bzxz.net

标准图片预览

JB/T 7273.7-1994 内波纹手轮
JB/T 7273.7-1994 内波纹手轮
JB/T 7273.7-1994 内波纹手轮
JB/T 7273.7-1994 内波纹手轮
JB/T 7273.7-1994 内波纹手轮

标准内容

中华人民共和国机械行业标准
JB/T7270~7277—94
操作件
1994-06-18 发布
中华人民共和国机械工业部
1995-01-01 实施
中华人民我和国机械行业标准
内波纹手轮下载标准就来标准下载网
主题内与适用范围
本标准规定了内波效手轮的型式、尽寸这技术要求,2引思标难
GB 819
JB/T7270.11
JB/T7276
JB/T727T
3型式与尺寸
--字桥抗头螺钉
螺钉紧轴带挡圈
可折手柄
操作件标记方达
操作件技术条件
3.1内皴效手轮的型式与尺寸按图1及表1的规定、图1
机械工业部194618批准
-JB/TJ273.794
1995-01-01实换
主要尺小
JB/T 7273. 7 94
了轮体!餐而益
112×100
12X125
26×16G
18×22c
22X250
25×25g
1. 2手轮体的型试与尺寸技图 2及表 2的规定,图2
基本尺
最展偏
+g: 027
12×23
15 ×24
22×32
25×33
可许严情
J9/T 7270. :1
GB &1S:
M4×20
M6×16
护弃与量
+: 033
基本尺寸
性阻临英
基本寸
基本尺寸
母限值控Js9
基本尽寸
教限偏垫
避教教
IB/T 7273.794
续表?
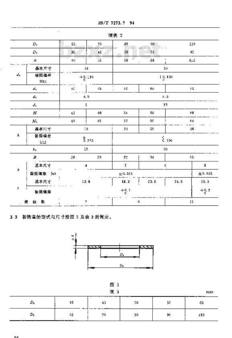
装饰差的型式与尺按图3及表3时规定。3.3
JH/T:7273.7—94
3.4嵌毫的型式与尺接图4及表4的规定★统四33
极限声些
+: 033
极限偏些
te: 279
+9-339
4.1标记方装接B/T127G的现定。4.2标记示例
H4 : M
极融拍垫
416,D160的内被纹手轮的标记为:手轮16×.160JB/T7273.75技术要求
5. 1 材料
手轮体:塑料,
装部盖铝片:
奔Q235-A.
5. 2表面处理
装饰盖,阳极氧化(银白爸)
嵌套:氧化(H·)
5. 3其他技术要求按JB/T 7277的规定,力
损两询垫
极限偏差
JB/ 7273. 7—94
带可折手柄手轮安彩式
(参考件)
A1为手近叠在于轮=,性荐手轮与卵采用如A1所示的发装形式。手销
代:螺灯档蛋分别避用GB9和G胎91规定的布关,附加说明:
达标准由机械工业部机械标准化研究新提山并归目。东标准由机械工业部机械标准化研究所负贡,上海机床附件汇、上避机床厂参酬起堂,68
小提示:此标准内容仅展示完整标准里的部分截取内容,若需要完整标准请到上方自行免费下载完整标准文档。