首页 > 机械行业标准(JB) > JB/T 7273.8-1994 背面波纹手轮
JB/T 7273.8-1994

基本信息

标准号: JB/T 7273.8-1994

中文名称:背面波纹手轮

标准类别:机械行业标准(JB)

标准状态:现行

发布日期:1994-06-18

实施日期:1995-01-01

出版语种:简体中文

下载格式:.rar.pdf

下载大小:69859

相关标签: 波纹 手轮

标准分类号

中标分类号:机械>>通用零部件>>J27操作件

关联标准

出版信息

出版社:机械工业出版社

页数:5页

标准价格:8.0 元

出版日期:1995-01-01

相关单位信息

起草单位:机械工业部机械标准化研究所

归口单位:机械工业部机械标准化研究所

提出单位:机械工业部机械标准化研究所

发布部门:中华人民共和国机械工业部

标准简介

本标准规定了背面波纹手轮的型式、尺寸及技术要求。 JB/T 7273.8-1994 背面波纹手轮 JB/T7273.8-1994 标准下载解压密码:www.bzxz.net

标准图片预览

JB/T 7273.8-1994 背面波纹手轮
JB/T 7273.8-1994 背面波纹手轮
JB/T 7273.8-1994 背面波纹手轮
JB/T 7273.8-1994 背面波纹手轮
JB/T 7273.8-1994 背面波纹手轮

标准内容

中华人民共和国机械行业标准
JB/T7270~7277—94
操作件
1994-06-18 发布
中华人民共和国机械工业部
1995-01-01 实施
中华人民共和国机械行业标准
背面波纹手轮
主题内容与适用范围
本标准规定了肯而波纹手轮的型式.尺寸及技术要求,2引用标准
JB/T7270.5动-F辆
IB/T7275
JR/T7276
J8/T7277
3型式与尺对
操作件标记片法
操作件技术策件
3.1面被效手轮的型式与尺寸按固1及表1的阅定,机械工业部1994-06-银批准
JB/T 7273.8--94
1995-01-01实施
主要尺于
JB/T7273.8-94
于裤体!装频董
12×125
16×160
18×200
22×350
25×25G
手轮体的型式与尺寸按图2及表?的规定。3.2
M6×14
BM8×16
C16×20BM10×18
C18x25BM10x20
C22x28
转动手制
JK/T 7270.S
BM6X51
BM8X63-
M10X80-
KM12× 2EHM12 X1:K: -
C25×28
甚本尺寸
基本尺
JB/T 73.894
基本尺寸
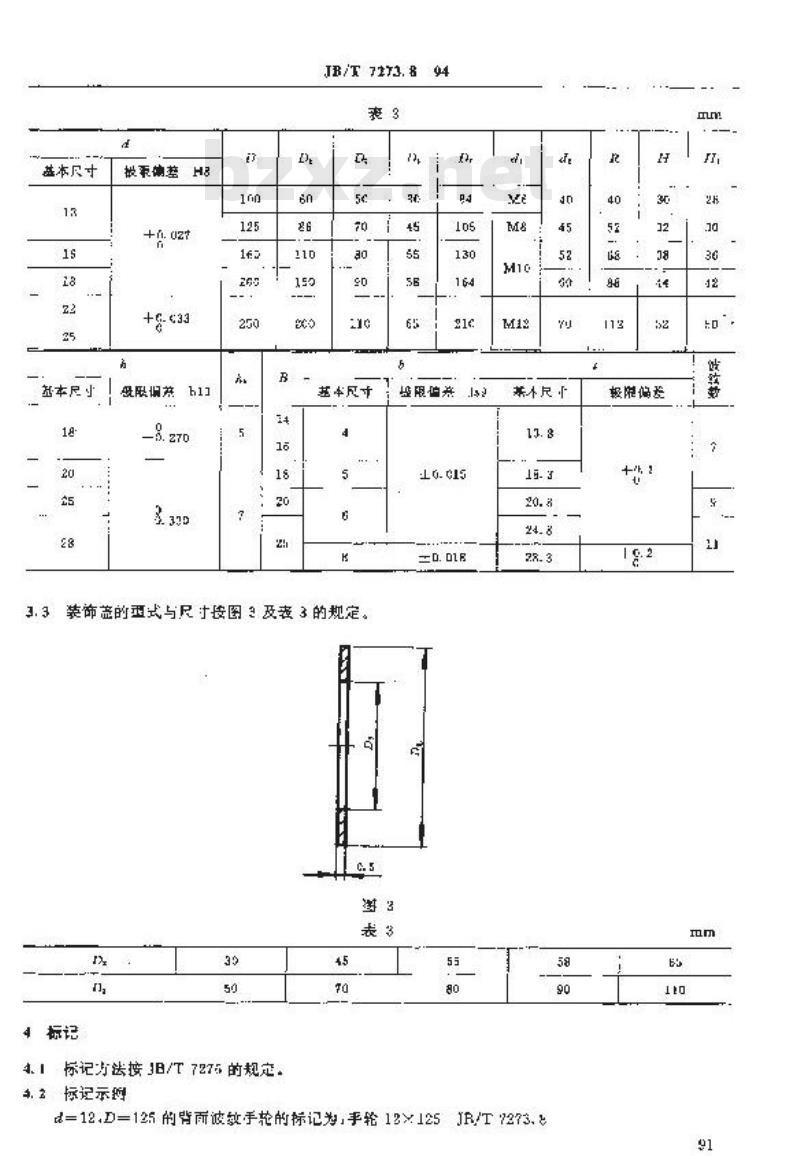
3.3装饰的亚式与尺寸按图3及率3的规定。C.5免费标准下载网bzxz
吸限值来152
4标记
4.!标记方法接B/T7275的规定。4.2标记示短
基外尺
=12.=125的背面波效手轮的标记为手轮12×125JR/T7273.40
投困偏
做妆势
5技术要求
s.1 材料
于轮体:塑料:
装饰差.铝片
5.2表面处理
装饰差:阳极氧化(银白色)。JB/T273.A
其他技术要求按JB/T7277的规定。5.3
附加说明:
本标准出机械工业梯机械标准化研究所提出并归山,94
本标雅由机械工业部机械标准化研究所负击,上机床刷件六厂,上海机床厂参加起革92
小提示:此标准内容仅展示完整标准里的部分截取内容,若需要完整标准请到上方自行免费下载完整标准文档。