首页 > 机械行业标准(JB) > JB/T 7714-1995 精冲模具润滑剂 技术条件
JB/T 7714-1995

基本信息

标准号: JB/T 7714-1995

中文名称:精冲模具润滑剂 技术条件

标准类别:机械行业标准(JB)

标准状态:已作废

发布日期:1995-06-20

实施日期:1996-01-01

作废日期:2008-01-23

出版语种:简体中文

下载格式:.rar.pdf

下载大小:117695

相关标签: 模具 润滑剂 技术

标准分类号

中标分类号:机械>>工艺装备>>J46模具

关联标准

替代情况:该产品技术落后,实用性差,已被市场淘汰。

出版信息

页数:6 页

标准价格:8.0 元

相关单位信息

归口单位:全国模具标准化技术委员会

标准简介

本标准规定了精密冲裁模具油基润滑剂的技术要求、试验方法、使用要求及贮运包装。 JB/T 7714-1995 精冲模具润滑剂 技术条件 JB/T7714-1995 标准下载解压密码:www.bzxz.net

标准图片预览

JB/T 7714-1995 精冲模具润滑剂 技术条件
JB/T 7714-1995 精冲模具润滑剂 技术条件
JB/T 7714-1995 精冲模具润滑剂 技术条件
JB/T 7714-1995 精冲模具润滑剂 技术条件
JB/T 7714-1995 精冲模具润滑剂 技术条件

标准内容

中华人民共和国机械行业标准
精冲模具润滑剂
主题内容与适用范围
技术条件
JB/T 7714 --95
本标准规定了精密冲裁模具油基润滑剂的技术要求、试验方法、使用要求及贮运包装。本标准适用于碳钢、不锈钢、有色金属板材精密冲裁工艺所用模具的润滑。2引用标准
GB260石油产品水份测定法
GB 264
石油产品酸值测定法
石油产品运动粘度测定法
石油产品闪点与燃点测定法(开口杯法)GB510石油产品凝点测定法
GB2540石油产品密度测定法(比重瓶法)润滑剂承载能力测定法(四球法)GB 3142
ZB E34 013
润滑油腐蚀试验法
3术语
3.1精冲工艺
使用精冲模在精冲压力机或改装的普通压力机上一次冲裁得到剪切面粗糙度R。1.6~~0.4μm,尺寸公差IT6~IT8级的工件的工艺过程。3.2精冲模具润滑剂
能满足精冲工艺苛刻要求(如冲裁力大,间隙小,瞬时温度高保证精冲工艺顺利进行而在被冲压的板料上涂覆的油液。
4技术要求
4.1精冲模具润滑剂的技术指标应符合表1的规定。4.2无论用何种涂覆方法,润滑剂均可均勾附着在金属板材表面上。4.3润滑剂应易于清除,对工件无腐蚀,对人体无害,对环境无污染。表1
密度(20℃)
运动粘度(40C)
闪点(开)
凝固点
中华人民共和国机械工业部1995-06-20批准单
0. 900 0~~ 1. 100 0
30.0~170.0
1996-01-01实施
油膜强度
腐蚀性
摩擦系数
贮存期
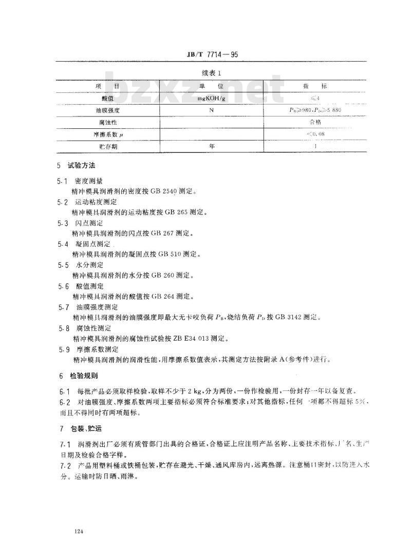
5试验方法
5.1密度测量
JB/T 7714 -- 95
续表1
tngKOH/g
精冲模具润滑剂的密度按GB2540测定。5.2运动粘度测定
精冲模具润滑剂的运动粘度按GB265测定。5.3闪点测定
精冲模具润滑剂的闪点按GB267测定。5.4凝固点测定
精冲模具润滑剂的凝固点按GB510测定。5.5水分测定
精冲模具润滑剂的水分按GB260测定。5.6酸值测定
精冲模具润滑剂的酸值按GB264测定。5.7油膜强度测定
Phz2980,Pn:5 880
精冲模具润滑剂的油膜强度即最大无卡咬负荷Pε,烧结负荷P,按GB3142测定。5.8腐蚀性测定
精冲模具润滑剂的腐蚀性试验按ZBE34013测定。5.9摩擦系数测定
精冲模具润滑剂的润滑性能,用摩擦系数值表示,其测定方法按附录A(参考件)进行。6检验规则
6.1每批产品必须取样检验,取样不少于2kg,分为两份,一份作检验用,一份封存--年以备复查。6.2对油膜强度、摩擦系数两项主要指标必须符合标准要求;对其他指标,任何项都不得超标5%、而且不得同时有两项超标。
7包装、贮运
7.1润滑剂出厂必须有质管部门出具的合格证,合格证上应注明产品名称、主要技术指标、」名、生产日期及检验合格字样。
7.2产品用塑料桶或铁桶包装,贮存在避光、干燥、通风库房内,远离热源。注意桶密封,以防进入水分。运输时防日晒、雨淋。
仪器设备
JB/T 7714-- 95
附录A
圆环粗法测定摩擦系数
(参考件)
压力不小于1000kN的压力机或油压机。A2测试规范
A2.1圆环尺寸比例。
外径:内径:高度一6:3:2。
A2.2圆环尺寸、精度及粗糙度要求(见图A1)。L#9±0.03
$18±0.03
其余学
图A1圆环尺寸、精度及粗糙度
A2.3圆环试样的材料:45钢。
A2.4上下平模块材料:5Cr4W5Mo2V热处理硬度:50~~55HRC;
表面粗糙度:R.≤0.8μm。
A2.5圆环压缩比为45%~55%。
A2.6圆环粗法测摩擦系数的理论校正曲线(见图A2)。A3测定程序
将圆环试片经润滑处理后,放在平模上,进行压缩变形,至少应有三个以上圆环试样,进行次以上模拟压缩试验,分别测量三个或三个以上圆环试样内径和高度的变形平均值。在测量每个圆环试样的内径时,应通过圆环厚度方向内径最小处的四个部位,然后取内径值的平均值,作为每个圆环试样的内径值,然后再分别按式(A1)和式(A2)分别计算内径减缩率和压缩比,通过图A2查得摩擦系数u。A4结果计算方法
压缩比按式(A1)计算:
×100%
式中:H。—原试片高度;
一圆环试片变形后的平均高度。H
内径缩减率按式(A2)计算:
(A1)
式中:D。—原试片内径
JB/T7714--95
D。 D,
×100%
D,-圆环试片变形后的平均内径值。100
压缩比,%
图A2圆环镦粗法测摩擦系数的理论校正曲线附录B
精冲模具润滑剂参考应用范围
(补充件)
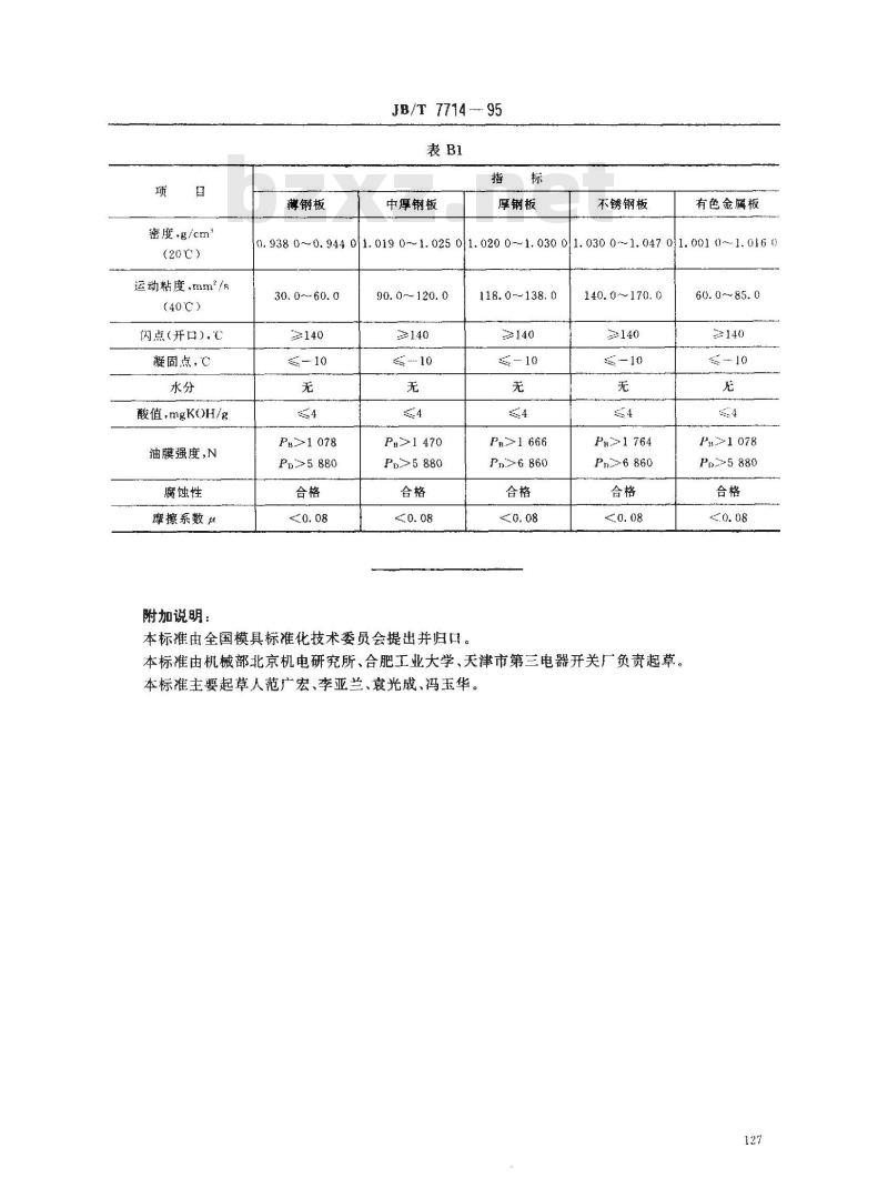
1对于精冲不同材质,不同厚度的零件产品,其润滑剂的选用可参考表B1。126
密度·g/cm
(20℃)
运动粘度,mm*/s
(40℃)
闪点(开口),C
凝固点,℃
酸值,mgKoH/g
油膜强度,N
腐蚀性
摩擦系数
附加说明:
薄钢板
JB/T7714 --- 95
中厚钢板
厚钢板
不锈钢板
有色金属板
0. 938 0~ 0. 944 01. 019 0~1. 025 0/1. 020 0~1. 030 0/1. 030 0~~1. 047 01. 001 0~ 1. 016 0)30.0~~60.0
≥140
Ps>1 078
P>5 880
90. 0~120. 0
P:>1 470
Pr>5 880
本标准由全国模具标准化技术委员会提出并归口。118. 0-138. 0
Ps>1 666
Ph>6 860
140. 0~170. 0
≥140
Ph>1 764
Pn>6 860
本标准由机械部北京机电研究所、合肥工业大学、天津市第三电器开关厂负责起草。本标准主要起草人范广宏、李亚兰、袁光成、冯玉华。60. 0~85. 0
Ph>1078免费标准bzxz.net
Pp>5880
小提示:此标准内容仅展示完整标准里的部分截取内容,若需要完整标准请到上方自行免费下载完整标准文档。