首页 > 环境保护行业标准(HJ) > HJ/T 102-2003 总氮水质自动分析仪技术要求
HJ/T 102-2003

基本信息

标准号: HJ/T 102-2003

中文名称:总氮水质自动分析仪技术要求

标准类别:环境保护行业标准(HJ)

标准状态:现行

发布日期:2003-03-28

实施日期:2003-07-01

出版语种:简体中文

下载格式:.rar.pdf

下载大小:1606953

相关标签: 总氮 水质 自动 分析仪 技术

标准分类号

中标分类号:建材>>公用与市政建设器材设备>>Q81供水、排水器材设备

关联标准

出版信息

页数:9页

标准价格:14.0 元

相关单位信息

标准简介

HJ/T 102-2003 总氮水质自动分析仪技术要求 HJ/T102-2003 标准下载解压密码:www.bzxz.net

标准图片预览

HJ/T 102-2003 总氮水质自动分析仪技术要求
HJ/T 102-2003 总氮水质自动分析仪技术要求
HJ/T 102-2003 总氮水质自动分析仪技术要求
HJ/T 102-2003 总氮水质自动分析仪技术要求
HJ/T 102-2003 总氮水质自动分析仪技术要求

标准内容

中华人民共和国环境保护行业标准HJ/T102—2003
总氮水质自动分析仪技术要求
The technical requirement forwater quality automatic analyzer of total nitrogen2003-03-28发布
国家环境保护总局
2003-07-01实施
国家环境保护总局关于发布
《pH水质自动分析仪技术要求》等9项环境保护行业标准的公告
环发【2003】57号
为费司(中华人民共和国环境保护法)和《中华人民共和国水污染防治法》,提高环境监测工作能力,加谨环境管理,保护水环境,现批准PH水质日动分折仪技术要求》等9项标准为环境保护行业标难:并手以发布。
标连编号
名称如下:
T6—2003
7 972003
T98-2003
799-2003
100—2003
101—2003
T102-2003
H103—2003
HT104—2003
pH水质自动分析仪技术要求
电导率水质自动分析仪技术要求注度水质自动分析仪技术要求
溶解氧(DO)水质自动分新仪技术要求高锰酸盐指数水质白动分析仪技术要求氨氮水质自动分析仪技术要求
总氮水质自动分析仪技术要求
总磷水无自动分析仪技术要求
总有机碳(TOC)水质白动分析仪技术要求以三标准为推荐性标准,由中国环境科学出版社出版,白2003年7月1日起实施。特公告:
2003年3月28日
HJ/T102—2003
为贯彻执行《中华人民共和国环境保护法》,《中华人民共和国水污染防治法》,提高我国水环境监测工作的能力,实现水质监测的自动化和现代化,以期达到地表水水质预督监测、污染源总量监测与控制的目的,制订本标准。本标准规定了总氮水质白动分析仪的研制生产以及性能检验,选型使用,日常校核等方面的主要技术要求。
本标准由国家环境保护总局科技标准司提出。本标准由中国环境监测总站负责起草。本标准由国家环境保护总局负责解释。1宽围
总氮水质自动分析仪技术要求
HJ/T102—2003
主技术要求规定了地表水,工业污水和市政污水的总氮水质自动分析仪的技术性能要求和性能试验方法,适用于该类仪器的研制生产和性能检验。2规范性引用文件
下列文件中的条教通过本标准的引用而成为本标准的条款。凡是注目期的引用文件,其随后所有的修改单(不包括勘误的内容)或修订版均不适用于本标准,然而,鼓励本标准运成协议的各方研究是否可使用这些文件的最新版本,凡是不详日期的引用文件,其最新版本适用于本标准。GB11894—89水质总氮的测定碱性过蔬酸钾消解紫外分光光度法3木语和定义
下列术语和定义适用于本标准。3.1试样
指导人自动分析仪的址表水、工业污水和市政污水3.2校正液
为了获得与试样总氮浓度相同的指示值所配制的按正液。在以下几种3.2.1零点校正液,
3.2.2量程校正波,
3.3零点漂移
指采用本技术要求中规定的零点校正液为试样查续测试。目动分析仪的指水值在一定时间内变化的大小相对于量程的百分率。3.4量程漂移
指采用本技术要求中规定的量程校正液为试样连测试,相对于自动分析仪的测定量程,仅器指示值在一定时间内变化的大小相对于量程的百分率35平均无故障连续运行时间
指自动分析仅在检验期间的总运行时间(日)与发!放障次数(次)的比值,以“MTBF\表示单位为:五次
4测定范围
#定最小范:0-100mg/L
5工作电压与频率
工作电压为单相220=20)V,额车为(50+0.5)Hz6性能要求
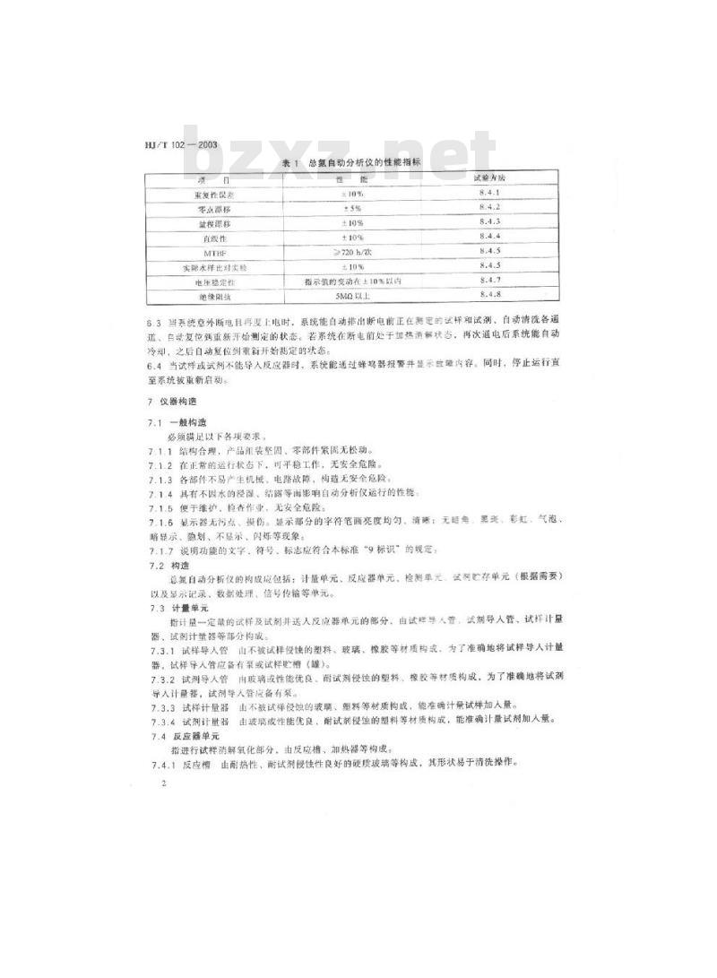
6.1当采用第8项试验时,总氮自动分析仅的性能必须满足表1的技术要求。6.2系统具有设定,校对显示时间功能,包括年、月、日和时、分。1
HJ/T102—2003
重复性误装
零点额移
盘程漯移
直线性
实际水样比对实脸
电压稳定性
绝缘阻推
总氮自动分析仪的性能指标
720h/次
指示值的变动在土10%以内
5MQ以上
试验方法
6.3当系绕意外断电且再度上电时,系统能自动排出断电前正在测定的试样和试剂、自自动清洗各通
道、自动复位到重新开始测定的状态。若系统在断电前处于加热消解状态。再次通电后系统能自动冷却,之后自动复位到重新开始惩定的状态6.4当试样或或剂不能导人反应器时,系统能通过蜂鸣器报警并翌承教意内容。同时,停止运行直至系统被重新启动。
7仪器构造
7.1一般构造
必须满足以下各项要求
结构合理,产品组装坚固、零部件紧固无松动。7.1.1
在正常的运行状态下,可平稳工作,无安全危险。7.12bzxZ.net
各部件不易产生机械、电路故障,构造无安全危险。7.1.3
具有不因水的浸湿、绍露等面影响自动分析仪运行的性能7.1.4
7.1.5便于维护、检查作业,无安全危险。7.1.6显示器无污点、损伤。显示部分的字符笔面亮度均句、清骤:无略角。黑斑、彩虹、气泡、
暗显示、隐划、不显示、闪烁等现象。7.1.7说明功能的文字。符号、标患应符合本标准“9标识”的规定:构造
总氯自动分析仪的构成应包括:计量单元、反应器单元、检测单元、试剂贮存单元(根据需要)以及显示记录、数据处理、信号传输等单元。7.3计量单元
指计量一定量的试样及试剂并送人反应器单元的部分、由试样导入管、试剂导人管、试样计量器、试剂计量器等部分构成。
由不被试样侵蚀的塑料、玻璃、橡胶等材质构成,为了准确地将试样导入计量7.3.1试样导人管
器,试样导入管应备有或试样贮檐(罐)。由玻璃或性能优良、耐试剂慢蚀的塑料、橡胶等材质构成,为了准确地将试剂7.3.2试剂导人管
导人计量器,试剂导人管应备有泵。7.3.3试样计量器出不被试样侵蚀的玻璃、塑料等材质构成,能准确计量试样加入量。7.3.4试剂计量器
由玻璃或性能优良、耐试剂侵蚀的塑料等材质构成,能准确计量试剂加入量。7.4反应器单元
指进行试样消解氧化部分,由反应槽、加热器等构成。7.4.1反应槽
由耐热性,耐试剂侵蚀性良好的硬质玻璃等构成,其形状易于清洗操作。HJ/T102—2003
7.4.2加热器在环境温度为25℃情况下,其有当试剂加人10min后,能使反应槽内液体温度上升85T以上:当试剂加人15min后,能使反应榨内液体温度上升95C以上的加热特性。7.5检测单元
由紫外可见分光光度计等构成。7.5.1终点指示器(如:紫外可见分光光度计)具有将测定值转换成电信号输出的功能,其构造可调整测定范围。7.5.2信号转换器
7.6试剂整存单元
由碱性过硫酸钾溶液,硝酸钾标准溶液,N2OH溶液等的贮存槽组成,所用材质具有不受各贮存试剂慢蚀的性能。各贮存槽贮存的试剂量能保证逆行1周以上。7.7显示记录单元
具有将总氮测定值按比例转换成直流电压或电流输出,或将测定值显示或记录下来的功能。7.8附属装置
根据需要,自动分析仪可配置试样稀释和自动清洗等装置8检验方法
8.1试验条件
8.1.1环境温度
8.1.2相对湿度
在10-40℃之间,温度变化幅度在:5t/d以内。在(65±20)%以内。
8.1.3电压规定的电压(220±20)V规定的额率(50±0.5)Hz
8.1.4电源频率
8.1.5仪器预热时间
8.2试剂
按说明书规定的时间
按(GB11894—89方法获得无题水8.2.2零点校正液
采用8.2.1的水。
采用80%量程值的溶液
8.2.3量程校正液
8.2.4总氮标准液(50.0mg/L)
试验落液
由浓度务100mL的总氢标准贮备溶液稀释获得。作为直线性8.2.5其余试剂按照GB11894-89方法或仅器制造商提供的方法配制。83试验准备及校正
8.3.1仅器预热运行
接通电源后,按操作说明书规定的预然时间进行自动分析仪的预热运行,以使各部分功能及显示记录单元稳定。8.3.2校正按仪器说明书的校正方法,用8.2.2和8.2.3校正液校正仪器零点和量程。8.4性能试验方法
8.4.1重复性误差,在8.1的试验条件下。测定零点校正液6次,各次指示值的平均值作为零点值。在相同条件下。测定量程校正液6次,计算相对标准偏筹,8.4.2零点漂移采用零点校正液,连续测定24h:利用该段时间内的初期零值(最初的3次测定值的平均值)计算最大变化幅度相对于量程值的百分率8.4.3量程漂移采用量程校正液,于零点漂移试验的前后分别测定3次,计算平均值。由减去零点漂移成分后的变化幅度,求出相对于量程值的百分率:8.4.4直线性将分析仪校正零点和量程后,导人直线性试验溶液,读取稳定后的指示值。求出该指示值对应的总鼠浓度与直线性试验溶液的总氮浓度之差相对干量程值的百分率。8.4.5平均无故障连续运行时间采用实际水样,违续运行2个月,记录总运行时间(h)和故障次数(次):计算平均无故障连续运行时间(MTBF)≥720h/次(此项指标可在现场进行考核)。3
HJ/T102—2003
8.4.6实际水样比对实验选择5种或5种以上实际水样,分别以自动监测仪器与国标方法(GB11894一89)对每种水样的高、中、低三种浓度水平进行比对实验,每种水样在高、中、低三种浓度水平下的比对实验次数应分别不少于15次,计算该种水样相对误差绝对值的平均值(A)。比对实验过程应保证自动分析仪与国标方法测试水样的一致性。EIX.-BI
式中:x
一第n次测量值:
水样以国标方法(GB11894—89)测定所得测量值:一为比对实验次数。
8.4.7相对于电压波动的稳定性
采用量程校正液,在指示值稳定后,加上高于或低于规定电压10%的电源电压时,读取指示值。分别测定3次,计算各测定值与平均值之差相对于量程值的百分率。
8.4.8绝缘组抗在正常环境下,在关闭白动分析仪电路状态时,采用国家规定的阻抗计测量(直沉500V绝缘阻抗计)电源相与机壳(接地端)之间的绝缘阻抗。9标识
在仪器上。必须在醒目处端正地表示以下有关事项,并符合国家的有关规定。9.1名称及型号。
9.2测定对象。
9.3测定范围。
使用温度范围。
9.5电源类别及容量。
9.6制造商名称。
生产日期和批号
9.8信号输出种类(必要时)。
10操作说明书
操作说明书中,至少必领说明以下有关事项。10.1安装场所的选择。
10.2试样流量。
10.3配管及配线:
10.4预热时间
10.5使用方法。
10.5.1测定的准备及校正方法。10.5.2校正液的配制方法。
10.5.3测定操作方法。
10.5.4测定停止时的处置。
10.6维护检查。
10.6.1日常检查方法。
10.6.2定期检查方法。
10.6.3反应系统的清洗。
10.6.4故障时的对策。
10.7其他使用上应注意的事项。4
11校验
田学校验
HJ/T102—2003
谦移和响应时间校准周期为每月至少进行一次现场校验,可自动校准或手工校准,承现位
2监管校验
安装的连续监测系统须定期进行校验,并将定期校验结果报送相应的环境保护行政主管部门定期取验由具有相应资质的监测机构承担。定期校验主要包括按环境监测技术规范进行现场比对测试、对运行数据和日常运行记录审核检查等
小提示:此标准内容仅展示完整标准里的部分截取内容,若需要完整标准请到上方自行免费下载完整标准文档。