首页 > 机械行业标准(JB) > JB/T 3631-1992 树脂重负荷钢坯修磨砂轮
JB/T 3631-1992

基本信息

标准号: JB/T 3631-1992

中文名称:树脂重负荷钢坯修磨砂轮

标准类别:机械行业标准(JB)

标准状态:已作废

发布日期:1992-07-01

实施日期:1993-01-01

作废日期:2005-09-01

出版语种:简体中文

下载格式:.rar.pdf

下载大小:59900

相关标签: 树脂 负荷 钢坯 砂轮

标准分类号

中标分类号:机械>>工艺装备>>J43磨料与磨具

关联标准

替代情况:JB 3631-1984;被JB/T 3631-2005代替

采标情况:ISO 6103-1986 NEQ

出版信息

页数:5页

标准价格:8.0 元

相关单位信息

标准简介

JB/T 3631-1992 树脂重负荷钢坯修磨砂轮 JB/T3631-1992 标准下载解压密码:www.bzxz.net

标准图片预览

JB/T 3631-1992 树脂重负荷钢坯修磨砂轮
JB/T 3631-1992 树脂重负荷钢坯修磨砂轮
JB/T 3631-1992 树脂重负荷钢坯修磨砂轮

标准内容

中华人民共和国机械行业标准
树脂重负荷钢坏修磨砂轮
1主题内容与适用范围
JB/T 3631-—92
代替IB3631--84
本标准规定了树脂重负荷钢坏修磨砂轮(以下简称砂轮)的产品分类、技术要求、试验方法,检验规则及标志、包装、运输和贮存。本标准适用于重负荷钢坏(材)修磨机使用的线速度为50~~~60m/s。负荷1500~5000N的树脂重负荷砂轮。
2引用标准
GB 2484
GB2492
GB2493
GB2495
磨具代号
砂轮静平衡检验方法及静不平衡数值砂轮回转强度的检验方法
磨具的标志和包装
GB9202月
磨具的检查方法
3产品分类
砂轮的形状见图1。
3.2砂轮的基本尺寸按表1规定。3.3砂轮标记中所使用的代号按GB2484规定。表1
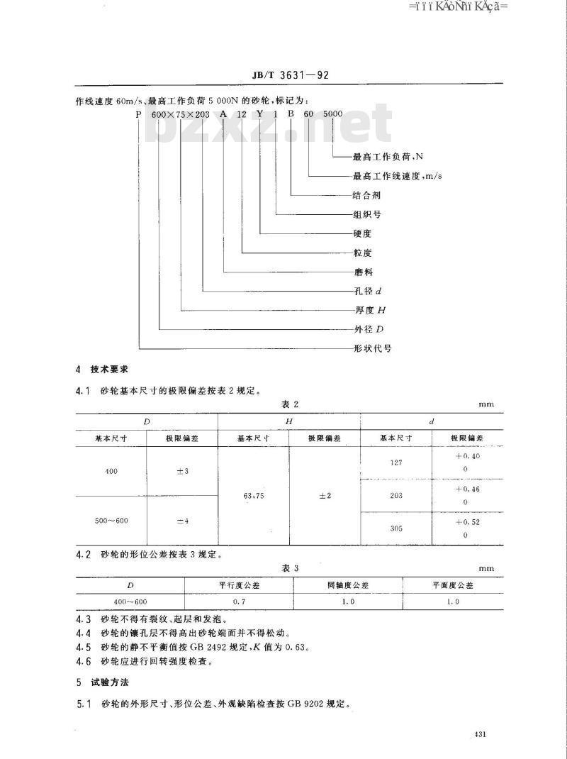
3.4标记示例
尺寸为600mm×75mm×203mm、棕刚玉磨料、12*粒度、Y级硬度、1号组织、树脂结合剂、最高工中华人民共和国机械电子工业部1992-07-01批准430
1993-01-01实施
JB/T3631—92
作线速度60m/s、最高工作负荷5000N的砂轮,标记为:P600X75X203A
4技术要求
砂轮基本尺寸的极限偏差按表2规定。D
基本尺寸
500~600
极限偏差
4.2砂轮的形位公差按表3规定。D
400~600
基本尺寸
平行度公差
4.3砂轮不得有裂纹、起层和发泡。表3
4.4砂轮的镶孔层不得高出砂轮端面并不得松动。极限偏差bZxz.net
iiiKAoNniKAca
最高工作负荷,N
最高工作线速度,m/s
结合剂
-组织号
孔径d
厚度H
外径D
形状代号
基本尺寸
同轴度公差
4.5砂轮的静不平衡值按GB2492规定,K值为0.63。4.6砂轮应进行回转强度检查。
5试验方法
砂轮的外形尺寸、形位公差、外观缺陷检查按GB9202规定。极限偏差
平面度公差
JB/T3631—92
5.2砂轮的静平衡检查按GB2492规定。5.3砂轮的强度检查按GB2493规定。6检验规则
砂轮应按技术要求全检。
7标志、包装、运输和贮存
7.1砂轮的标志和包装按GB2495规定,并在砂轮的表面标志最高工作负荷,三条变速线和使用极限线。变速线直径(D,、D2、D)),使用极限线直径D,及标志按表4和图2规定。表4
7.2砂轮在运输、装卸过程中应防止撞击损坏。7.3砂轮贮存应防潮防冻。
附加说明:
本标准由全国磨料磨具标准化技术委员会提出。本标准由机械电子工业部郑州磨料磨具磨削研究所归口。本标准由第三砂轮厂负责起草。本标准主要起草人曹宏春。
小提示:此标准内容仅展示完整标准里的部分截取内容,若需要完整标准请到上方自行免费下载完整标准文档。