首页 > 商业行业标准(SB) > SB/T 10077-1992 水貂配合饲料
SB/T 10077-1992

基本信息

标准号: SB/T 10077-1992

中文名称:水貂配合饲料

标准类别:商业行业标准(SB)

标准状态:已作废

出版语种:简体中文

下载格式:.rar.pdf

下载大小:217810

相关标签: 配合 饲料

标准分类号

中标分类号:农业、林业>>畜牧>>B46畜禽饲料与添加剂

关联标准

替代情况:转化为LS/T 3403-1992

出版信息

页数:9页

标准价格:8.0 元

相关单位信息

标准简介

SB/T 10077-1992 水貂配合饲料 SB/T10077-1992 标准下载解压密码:www.bzxz.net

标准图片预览

SB/T 10077-1992 水貂配合饲料
SB/T 10077-1992 水貂配合饲料
SB/T 10077-1992 水貂配合饲料
SB/T 10077-1992 水貂配合饲料
SB/T 10077-1992 水貂配合饲料

标准内容

中华人民共和国商业行业标准
合饲料
主题内容与适用范围
SB/T 10077-92
本标准规定了产皮水貂育成期及冬毛生长期配合饲料感宫性状、质量指标、检验方法、判定规则以及包装、运输和贮存等项的技术要求。本标准适用于饲料行业加工、销售、调拨、出口的产皮水貂育成期及冬毛生长期的配合饲料。2引用标准
GB 5918
GB 6435
GB6432
GB6433
GB6434
GB6438
GB6436
GB6437
GB6439
GB 10648
3技术要求Www.bzxZ.net
配合饲料混合均匀度测定方法
饲料水分的测定方法
饲料粗蛋白测定方法
饲料粗脂肪测定方法
饲料中粗纤维测定方法
饲料中粗灰分的测定方法
饲料中钙的测定方法
饲料中总磷量的测定方法光度法饲料中水溶性氯化物的测定方法饲料标签
饲料营养成分测定方法
3.1感官指标
一般规定
色泽正常,无酸败霉变、结块及异味、异嗅。3.2质量标准
3.2.1水分
3.3加工质量指标
3.3.1混合均匀度
配合饲料混合均匀度,经测试后其均匀度之变异系数(CV)应≤10.0%。3.3.2糊化度:淀粉中糊化淀粉与全部淀粉量之比的百分数。I级:≥75.0%
[级:≥50.0%
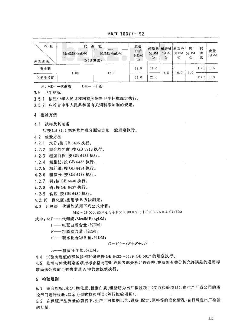
3.4能量与营养成分指标见表:
中华人民共和国商业部1992-08-14批准322
1992-12-01实施
产品名称
育成期
冬毛生长期
代谢能
McalME/kgDM
SB/T 10077-92
MJME/kgDM
≥(计算值)
注·ME代谢能
3.5卫生指标
DM干基
3.5.1按照中华人民共和国有关饲料卫生标准规定执行。3.5.2应符合中华人民共和国有关饲料添加剂的规定。4检验方法
4.1试样及其制备
暂按LS81.1饲料营养成分测定方法一般规定执行。4.2检验方法
4.2.1水分:按GB6435执行。
4.2.2混合均匀度:按GB5918执行。4.2.3粗蛋白质:按GB6432执行。4.2.4粗脂肪:按GB6433执行。
4.2.5粗纤维:按GB6434执行。
4.2.6粗灰分:按GB6438执行。
4.2.7钙:按GB6436执行。
4.2.8磷:按GB6437执行。
4.2.9食盐:按GB6439执行。
糊化度:按附录B方法测定。
4.3计算法代谢能采用下列公式计算:粗脂肪|粗纤维粗灰分
%DM %DM
ME=(P×0.85×4.5+F×0.90×9.5+C×0.75×4.0)/100式中:ME代谢能,McalME/kgDM;P-一粗蛋白质含量,%DM;
一粗脂肪含量,%DM;
-碳水化合物含量,%DM;
C= 100-(P+F+A)
A粗灰分含量,%DM。
4.4试验测定值的双试验相对偏差按GB6432~~6439、GB5917的规定执行。1.0
4.5监测与仲裁判定各项指标合格与否时必须考虑分析允许误差,在我国有关分析允许误差的通用标准尚未公布前可督按附录A中的建议值执行。5检验规则
5.1感官指标、水分、糊化度、粗蛋白质、粗脂肪为出厂检验项目(交收检验项目),由生产厂或公司的质检部门进行检验,其余为型式检验项目(例行检验项目)。5.2在保证产品质量的前提下,生产厂可根据工艺、设备、配方、原料等的变化情况,自行确定出厂检验的批量。
6判定规则
SB/T 10077-
6.1感官指标、水分、混合均匀度(粉料产品)、糊化度、粗蛋白质、粗脂肪、粗纤维、粗灰分、钙、钙磷比、食盐等为判定合格指标,如检验中有一项指标不符合标准,应重新取样进行复验,复验结果中有-一项不合格者即判定为不合格。
6.2代谢能为参考指标,必要时可按本标准检测或验收。7标志、包装、运输、购存
7.1标志
按GB10648规定执行,凡添加药物添加剂的饲料在标签上应注明药物名称及含量。7.2包装、运输、存
配含饲料包装、运输和贮存,必须符合保质、保量、运输安全和分类、分等贮存的要求,严防污染。324
测定项目
混合均勾度
糊化度
粗蛋白质(DM)
粗脂肪(DM)
粗纤维(DM)
粗灰分(DM)
钙(DM)
磷(DM)
食盐(DM)
SB/T 10077-92
附录A
各项指标的分析允许误差建议值(补充件)
标准规定值
附录B
分析允许误差
(绝对误差)
糊化度测定方法
(补充件)
判定合格的界限
0. 4~1. 1
β-淀粉酶在适当的pH值和温度下,能在一定的时间内,将糊化淀粉转化成还原糖及β-糊精,转化的糖量与淀粉的糊化程度成比例。用铁氰化钾法测其还原糖量,即可计算出淀粉的糊化度。B2
仪器和设备
B2.1分析天平;感量0.1mg
多孔恒温水浴锅:可控温度40士1℃定性滤纸:中速,$7~9cm
B2.4碱式滴定管:25mL(刻度0.1mL)B2.5移液管:2mL、5mL、15mL、25mLB2.6玻璃漏头:96cm
B2.7容量瓶:100mL
B3试剂和溶液
SB/T 1007792
B3.110%(V/V)磷酸盐缓冲液(pH=6.8)甲液:溶解71.64g磷酸氢二钠于蒸馏水中,并稀释至1L。乙液:溶解31.21g磷酸氢二钠于蒸馏水中,并稀释至1L。取甲液49mL与乙液51mL合并为100mL,再加入900mL蒸馏水即为10%(V/V)磷酸盐缓冲液。B3.260g/Lβ-淀粉酶溶液
溶解6.0gβ-淀粉酶(pH=6.8,40℃时活力大于8万单位,细度为80%以上通过60目)于100ml10%磷酸盐缓冲液中成乳浊液。(β-淀粉酶贮于冰箱内,用时现配)B3.310%(V/V)硫酸溶液
将10mL浓硫酸用蒸馏水稀释至100mL。B3.4120g/L钨酸钠溶液
溶解12.0g钨酸钠于100mL蒸馏水中。B3.50.1mol/L碱性铁氟化钾溶液溶解32.9g铁氰化钾和44.0g无水碳酸钠于蒸馏水中并稀释至1L,贮于棕色瓶内。B3.6醋酸盐溶液
溶解70.0g氯化钾和40.0g硫酸锌于蒸馏水中加热溶解,冷却至室温,再缓缓加人冰乙酸并稀释至iL。
B3.7100g/L碘化钾溶液
溶解10.0g碘化钾于100mL蒸馏水中,加入几滴饱和氢氧化钠溶液,防止氧化,于棕色瓶内。B3.80.1mol/L硫代硫酸钠溶液
溶解24.82g硫代硫酸钠和3.8g硼酸钠于蒸馏水中,并稀释至1L,贮于棕色瓶内(此液放置二星期后使用)。
B3.910g/L淀粉指示剂
溶解1.0g可溶性淀粉于煮沸的蒸馏水中,再煮沸一分钟,冷却,稀释至100mL。B4试样的制备
取要检测的颗粒饲料样品50g左右,在实验室样品磨中粉碎,其细度通过40目编织筛,混匀,放于密闭容器内,贴上标签作为试样。样品应低温保存(4~10℃)。
B5分析步骤
B5.1分别称取试样1.0000士0.0003g(淀粉含量不大于0.5g)二份,置于二只150mL三角烧瓶中,标上A、B。另取一只150mL三角瓶,不加试样,作空白,并标上C。在这三只三角瓶中各用50mL量简加人40土1mL磷酸盐缓冲液。
B5.2将A置于沸水浴中煮沸30min,取出快速冷却至60℃以下。B5.3将A、B、C置于40土1C恒温水浴锅中预热3min后,各用5mL移液管加入5士0.1mLβ-淀粉酶溶液,保温(40士1C)1h(每隔15min轻轻摇匀一次)。B5.41h后,将三只三角瓶取出,用移液管分别加入2士0.1mL硫酸溶液摇匀,再加入2士0.1mL钨酸326
SB/T 10077--92
钠溶液摇勾。并将它们全部转移到三只100mL容量瓶中(用蒸馏水荡洗三角瓶3次以上,荡洗液也转移至相应的容量瓶内)。最后用蒸馏水定容至100mL,并贴上标签。B5.5摇晃容量瓶,静置2min后,用中速定性滤纸过滤。留滤液作为下面测定试样。B5.6用5mL移液管分别吸取上述滤液5士0.05mL,放入洁净的150mL三角瓶内,再用15mL移液管加入15土0.05mL碱性铁氰化钾溶液,摇匀后置于沸水浴中准确加热20min后取出,用冷水快速冷却至室温,用25mL移液管缓慢加入25土0.1mL醋酸盐溶液,并摇匀。B5.7用5mL移液管加入5士0.05mL碘化钾溶液摇匀,立即用硫代硫酸钠溶液滴定,当溶液颜色变成淡黄色时,加入几滴淀粉指示剂,继续滴定到蓝色消失。各三角瓶分别逐一一滴定,并记下相应的滴定量。B5.8结果计算
所测试样糊化度α(%),按下式计算:X10g
式中:P-空白滴定量,mL,
m—完全糊化样品溶液滴定量,mL;n.样品溶液滴定量,mL。
B5.9精密度
每个试样取两个平行样进行测定,以其算术平均值为结果。双试验的相对误差:糊化度在50%以下时,不超过10%,糊化度在50%以上时,不超过5%。注意事项:
a.β-淀粉酶在贮存期间内会有不同程度的失活,一般每贮藏三个月测一次酶活力(活力测定方法见附录C)。
为了保证样品酶解完全,以酶活力8万单位,酶用量300mg为准,如酶的活力降低,酶用量则按比例加大。
在滴定时,指示剂不要过早地加入,否则会影响测定结果,同一样品滴定时,应在变成一样的淡b.
黄色时加入淀粉指示剂。
附录C
β-淀粉酶活力测定方法(DNS法)(补充件)
(本法由中国科学院提供,但酶的最适温度由原60℃改为40℃)C1适用范围
本方法适用于由大豆粉提取的β-淀粉酶。C2术语
酶活力单位:1mL.酶液或1g酶粉在pH=6.8、40℃条件下,每小时水解1%淀粉液形成的麦芽糖毫克数为该酶的活力单位。
C3原理
还原糖能与DNS溶液发生显色反应,通过比色法作出标准曲线,就可测出还原糖含量。327
C4仪器和设备
C4.1分析天平:感量0.1mg,
C4.2恒温水浴锅:可控温401C;C4.3721分光光度计;
C4.4容量瓶:100mL;
C4.5移液管:1mL、2mL、10mL。5试剂和溶液
SB/T 10077-92
C5.110%(V/V)磷酸盐缓冲液(pH-6.8):配制与B3.1相同C5.2 DNS 溶液
溶解1g3,5-二硝基水杨酸、0.2g苯酚、0.03g亚硫酸钠、1g氢氧化钠、20g酒石酸钾钠于蒸馏水中并加热,冷却定容到100mlL,贮于棕色瓶内,一周后用于作标准曲线(每次配制后要重新作标准曲线)。C5.31%(m/m)淀粉缓冲液
溶解1g可溶性淀粉于煮沸的蒸馏水中,再煮沸1min,冷却,加10mL10%磷酸盐缓冲液再用蒸馏水定容到99mL(用量简定容)。C6标准曲线的绘制(采用DNS半量法)准确称取在105~110C干燥后的葡萄糖50mg,用蒸馏水溶解定容到50mL,即为1mg/mL葡萄糖液,按下表比例在试管中操作后,开小火煮沸15min,冷却,加入10.5ml蒸馏水,在721分光光度计550nm波长处比色,读光密度值O.D值填入下表。编
含糖量
1mg/mL糖液量
蒸馏馅水量
DNS量
以读出的光密度值(O.D值)为横坐标,含糖量为纵坐标,作出标准曲线。C7测定步骤
C7.1稀释酶液试样配制:准确称取β-淀粉酶2g,溶解于10%磷酸盐缓冲液中(测时现配)C7.2吸取9.9ml.1%淀粉缓冲液于40℃预热5min,加入0.1mL稀释酶液反应30min,立即取0.5mL反应液于预先吸有1.5mLDNS溶液的试管中,开水煮沸15min,冷却,加10.5mL蒸馏水,在721分光光度计550nm处比色,读出O.D值,空白试验由蒸馏水代替酶液。C7.3结果计算
酶活力单位/克=X×n×10×2×20×式中:X由测出O.D值在标准曲线上查的糖含量,mg/mL;n—-酶稀释倍数,500;
10-~0.1mL酶液换弹成1mL酶液的倍数;328
2——30min换算成1h的倍数;
SB/T10077—92
20—0.5mL反应液换算成10mL反应液的倍数;K-葡萄糖含量换算成麦芽糖的系数,1.9。所得结果取整数。
附加说明:
本标准由中华人民共和国商业部提出并归口。本标准由南京粮食经济学院、山东省饲料公司等负责起草。本标准主要起草人顾华孝、陈建立、陈恩泽、杜向红、沈新春、苏振渝、盛亚白、谢正军。329
小提示:此标准内容仅展示完整标准里的部分截取内容,若需要完整标准请到上方自行免费下载完整标准文档。