首页 > 国家标准(GB) > GB/T 22889-2008 皮革 物理和机械试验 表面涂层厚度的测定
GB/T 22889-2008

基本信息

标准号: GB/T 22889-2008

中文名称:皮革 物理和机械试验 表面涂层厚度的测定

标准类别:国家标准(GB)

标准状态:现行

发布日期:2008-12-30

出版语种:简体中文

下载格式:.rar.pdf

下载大小:1707354

相关标签: 皮革 物理 机械 试验 表面 涂层 厚度 测定

标准分类号

标准ICS号:纺织和皮革技术>>皮革技术>>59.140.30皮革和裘皮

中标分类号:轻工、文化与生活用品>>皮革加工与制品>>Y46毛皮、皮革

关联标准

采标情况:ISO 17186:2002 MOD

出版信息

出版社:中国标准出版社

页数:12页

标准价格:14.0 元

计划单号:20072806-T-607

出版日期:2009-09-01

相关单位信息

首发日期:2008-12-30

起草人:黄新霞、宋汝强、徐寿春、朱广忠

起草单位:国家皮革质量监督检验中心(浙江)、海宁蒙努集团有限公司、浙江通天星集团股份有限公司

归口单位:全国皮革工业标准化技术委员会(SAC/TC 252)

提出单位:中国轻工业联合会

发布部门:中华人民共和国国家质量监督检验检疫总局;中国国家标准化管理委员会

主管部门:中国轻工业联合会

标准简介

本标准规定了皮革表面涂层厚度的测定方法。本标准适用于各种具有涂层的皮革。 GB/T 22889-2008 皮革 物理和机械试验 表面涂层厚度的测定 GB/T22889-2008 标准下载解压密码:www.bzxz.net

标准图片预览

GB/T 22889-2008 皮革 物理和机械试验 表面涂层厚度的测定
GB/T 22889-2008 皮革 物理和机械试验 表面涂层厚度的测定
GB/T 22889-2008 皮革 物理和机械试验 表面涂层厚度的测定
GB/T 22889-2008 皮革 物理和机械试验 表面涂层厚度的测定
GB/T 22889-2008 皮革 物理和机械试验 表面涂层厚度的测定

标准内容

ICS59.140.30
中华人民共和国国家标准
GB/T22889—-2008
物理和机械试验
表面涂层厚度的测定
Leather-Physical and mechanical tests-Determination of surface coating thickness(IS017186:2002M0D)
2008-12-30发布
中华人民共和国国家质量监督检验检疫总局中国国家标准化管理委员会
2009-09-01实施
GB/T22889—2008
本标准修改采用IS017186:2002《皮革物理和机械试验表面涂层厚度的测定》(英文版)。ISO17186:2002所使用的方法基于国际皮革工艺师和化学师联合会(IULTCS)的方法标准IUP41。
为了方便比较,在附录A中列出了本标准条款和国际标准条款的对照一览表。在附录B中给出了技术性差异及其原因的一览表以供参考。根据我国的实际情况,本标准在采用IS017186:2002时进行了修改。这些技术性差异用垂直单线标识在它们所涉及的条款的页边空白处。为便于使用,本标准还做了下列编辑性修改:a)删除国际标准的前言;
b)将“本国际标准”一词改为“本标准”;c)用小数点“”代替作为小数点的返号“,”。本标准的附录A、附录B为资料性附录。本标准由中国轻工业联合会提出。本标准由全国皮革工业标准化技术委员会(SAC/TC252)归口。本标准负责起草单位:国家皮革质量监督检验中心(浙江)、海宁蒙努集团有限公司、浙江通天星集团股份有限公司。
本标准主要起草人:黄新霞、宋汝强、徐寿春、朱广忠。I
1范围
皮革物理和机械试验
表面涂层厚度的测定
本标准规定了皮革表面涂层厚度的测定方法。本标准适用于各种具有涂层的皮革。2规范性引用文件
GB/T22889—2008
下列文件中的条款通过本标准的引用而成为本标准的条款。凡是注日期的引用文件,其随后所有的修改单(不包括勘误的内容)或修订版均不适用于本标准,然而,鼓励根据本标准达成协议的各方研究是否可使用这些文件的最新版本。凡是不注日期的引用文件,其最新版本适用于本标准。QB/T2706皮革化学、物理、机械和色牢度试验取样部位(QB/T2706一2005,ISO2418:2002,MOD)
QB/T2707皮革物理和机械试验试样的准备和调节(QB/T2707—2005,ISO2419:2002,MOD)
3原理
垂直于皮革涂层表面切割皮革,用显微镜观察并测量切口处皮革表面涂层的厚度。结果可以表示为涂层厚度,也可以表示为涂层厚度占总厚度的百分比。4仪器设备
4.1光学显微镜或电子扫描显微镜,至少20倍的放大倍率。4.2手术刀,显微镜采用上光源或使用电子扫描显微镜时适用。4.3组织切片机,显微镜采用下光源时适用。4.4显微测微尺,精确到0.001mm,5取样和试样准备
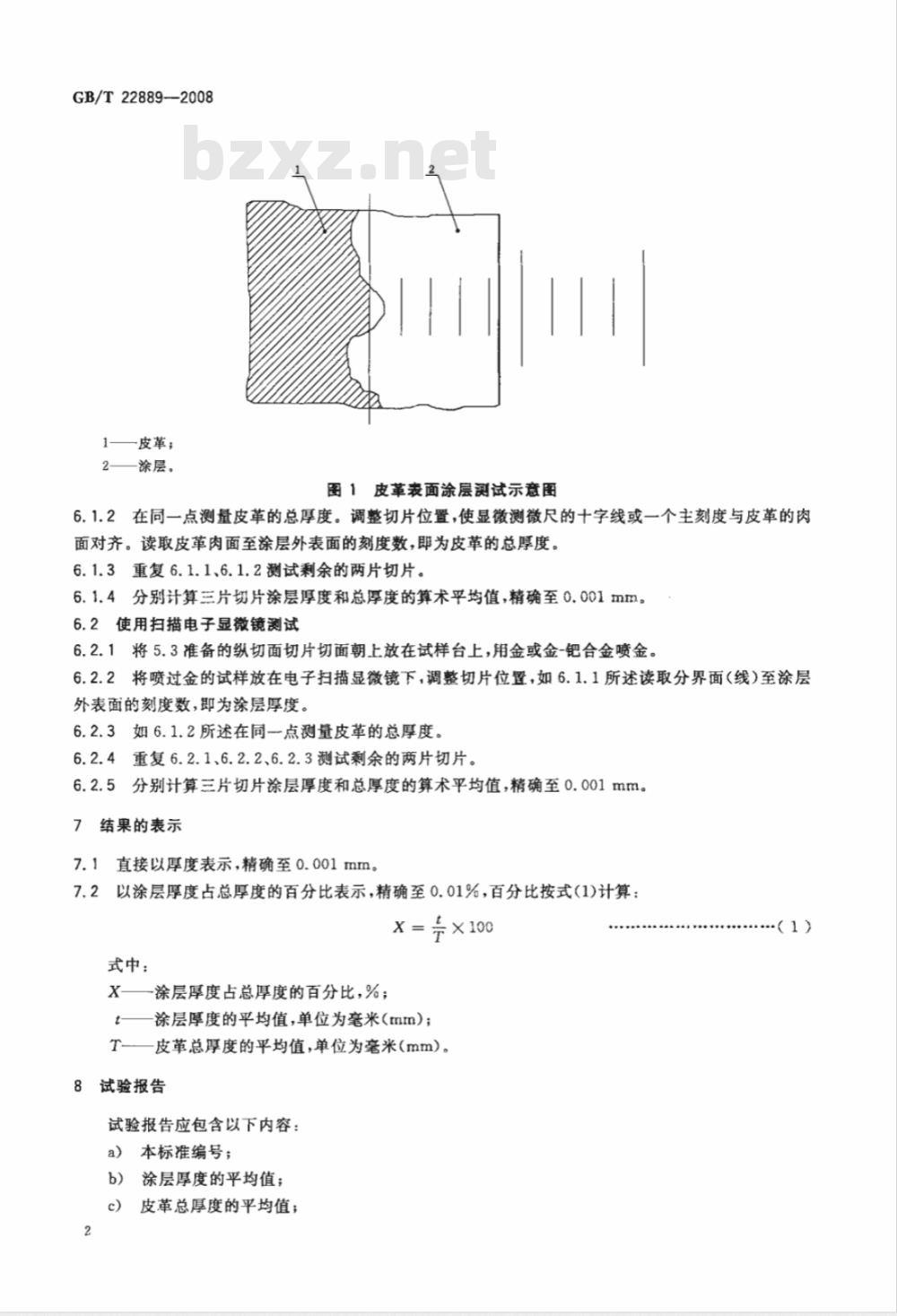
5.1按QB/T2706取样,按QB/T2707进行预处理。5.2切取3片约10mm×10mm的试样,每片试样按5.3或5.4制作纵切面切片。注:如果被测试的一批样品超过2张,则只要每张皮取1片试样,保证试样总数不少于3片。5.3用手术刀(4.2)切穿皮革,确保在切割过程中手术刀的切边垂直于涂层表面。注:按5.3制作的纵切面切片适用于使用上光源的光学显微镜或电子扫描显微镜测试。5.4用组织切片机切取适用于下光源光学显微器测试的试样纵切面切片。6操作步骤
6.1使用带有显微测微尺的光学显微镜测试6.1.1把按5.3或5.4制作的剖面切片放在显微镜下。调整切片位置,使显微测微尺的十字线或一个主刻度与涂层和皮革的分界面(线)对齐。如果涂层和皮革的分界面(线)成波浪形,则使显微测微尺的十字线或主刻度处于涂层和皮革的波浪形分界面(线)的波峰和波谷的中间位置(如图1所示)。读取分界面(线)至涂层外表面的刻度数,即为涂层厚度。1
GB/T22889--2008
1——皮革;
2——涂层。
图1皮革表面涂层测试示意图
6.1.2在同一点测量皮革的总厚度。调整切片位置,使显微测微尺的十字线或一个主刻度与皮革的肉面对齐。读取皮革肉面至涂层外表面的刻度数,为皮革的总厚度。6.1.3重复6.1.1、6.1.2测试剩余的两片切片。6.1.4分别计算三片切片涂层厚度和总厚度的算术平均值,精确至0.001mm。6.2使用扫描电子显微镜测试
6.2.1将5.3准备的纵切面切片切面朝上放在试样台上,用金或金-钯合金喷金。6.2.2将喷过金的试样放在电子扫描显微镜下,调整切片位置,如6.1.1所述读取分界面(线)至涂层外表面的刻度数,即为涂层厚度。6.2.3如6.1.2所述在同一点测量皮革的总厚度。6.2.4重复6.2.1、6.2.2、6.2.3测试剩余的两片切片。6.2.5分别计算三片切片涂层厚度和总厚度的算术平均值,精确至0.001mm。7结果的表示
7.1直接以厚度表示,精确至0.001mm。7.2以涂层厚度占总厚度的百分比表示,精确至0.01%,百分比按式(1)计算:X=÷×100
式中:
X——涂层厚度占总厚度的百分比,%;t—涂层厚度的平均值,单位为毫米(tmtn);T—皮革总厚度的平均值,单位为毫米(mm)。8试验报告
试验报告应包含以下内容:
a)本标准编号;www.bzxz.net
b)涂层厚度的平均值;
皮革总厚度的平均值;
涂层厚度占总厚度的百分比;
试验条件[如:20℃/65%(相对湿度)或23℃/50%(相对湿度)];与本标准规定的方法的任何偏离;样品的详细说明以及与QB/T2706规定的取样方法的任何偏离;试验人员、日期。
GB/T22889—2008
GB/T22889—2008
附录A
(资料性附录)
本标准章条编号与IS017186:2002章条编号对照表A.1给出了本标准章条编号与ISO17186:2002章条编号对照一览表。表A.1本标准章条编号与IS017186:2002章条编号对照一览表本标准章条编号
ISO17186:2002章条编号
4.1的部分内容
4.1的部分内容
4.4、4.5、4.6、4.7
6. 2(6. 2.1~6. 2. 8)
5.3.3~6.3. 4
6.3.7,6.3.9
注:表中的章条以外的本标准其他章条编号与ISO17186:2002其他章条编号均相同且内容相对应。附录B
(资料性附录)
本标准与IS017186:2002技术性差异及其原因的一览表表B.1给出了本标准与ISO17186:2002的技术性差异及其原因的一览表。表B.1本标准与IS017186:2002的技术性差异及其原因本标准的章条编号
6.1.1.6.1.2
技术性差异
调整范国的内容,删除“在没有压力的情况下”的条件限定并明确了适用范围将国际标准引用的ISO标准,改写为引用我国的相关标准(修改采用ISO标准)删除国际标准的4,4“软木片或其他相似材料”、4.5”标准刻度尺”、4.6“涂层装置”、4.7\试样残片”
提高了显微测微尺的精度,由0.01mm精确到0.001mm
删除国际标准的6.1.1“用标准刻度尺(4.5)核准”
删除国际标准的6.2“使用具有照相装置的光学显微镜测试”
翻除国际标准的6.3.1“将准备的切片剖面朝上粘在试样残片上”
副除国际标准的6.3.3、6.3.4照相,获得照片
简化了操作步骤,不用记录、计算,直接读数
精确至0.001mm,精度比国际标准的0.01tmm高
GB/T22889-2008
符合GB/T1.1的编写规定,以适合我国需要
便于我国使用
由于设备的日益创新,ISO17186:2002所引用的设备有些已淘汰,有些已不常使用,因此予以删除
提高测试精度,更好地满足使用需要与删除的4.5\标准刻度尺\相对应所需仪器与设备与6.1相同,但操作步骤繁杂,导致误差较大
与剿除的4.7\试样残片”相对应是否对试样进行照相,应由用户自行选择引用了先进仪器设备,直接从显微镜上读取涂层或皮革的厚度
现有仪器精度高
小提示:此标准内容仅展示完整标准里的部分截取内容,若需要完整标准请到上方自行免费下载完整标准文档。