首页 > 机械行业标准(JB) > JB/T 6361.3-1992 平头螺旋槽钉
JB/T 6361.3-1992

基本信息

标准号: JB/T 6361.3-1992

中文名称:平头螺旋槽钉

标准类别:机械行业标准(JB)

英文名称: Flat head spiral groove nails

标准状态:现行

发布日期:1992-07-15

实施日期:1993-01-01

出版语种:简体中文

下载格式:.rar.pdf

下载大小:440381

相关标签: 平头 螺旋

标准分类号

中标分类号:机械>>通用零部件>>J13紧固件

关联标准

出版信息

出版社:中国机械工业出版社

页数:4页

标准价格:8.0 元

出版日期:1993-01-01

相关单位信息

起草单位:机械电子工业部机械标准化研究所

归口单位:机械工业部机械标准化研究所

提出单位:全国紧固件标准化技术委员会

发布部门:中华人民共和国机械电子工业部

标准简介

本标准规定了直径规格为2.5~4mm的平头螺旋槽钉。 本标准适用于木结构联接用平头螺旋槽钉。 本标准的产品为商品紧固件品种,应优选选用。 JB/T 6361.3-1992 平头螺旋槽钉 JB/T6361.3-1992 标准下载解压密码:www.bzxz.net

标准图片预览

JB/T 6361.3-1992 平头螺旋槽钉
JB/T 6361.3-1992 平头螺旋槽钉

标准内容

中华人民共和国机械行业标准
平头螺旋槽钉
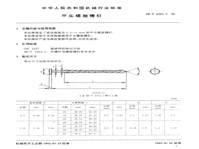
1主题内容与适用范围
本标准规定了直径规格为2.5~4mm的平头螺旋槽钉。本标准适用于木结构联接用平头螺旋槽钉。本标准的产品为商品紧固件品种,应优先选用。引用标准
GB1237
紧固件的标记方法
JB/T6361.5环槽钉及螺旋槽钉技术条件3
型式尺寸
型式尺寸如图及表所示。
b≥41/5;
e见JB/T6361.5第3.3条www.bzxz.net
直径规格d
机械电子工业部1992-07-15批准长度规格2
JB/T6361.392
1993-01-01实施
直径规格d
技术条件
JB/T6361.3-92
长度规格1
技术条件按JB/T6361.5规定。
5标记
5.1标记方法按GB1237规定。
5.2标记示例
d=3.0mm,l=60mm,A型钉尖,材料为低碳钢、不经表面处理的平头螺旋槽钉标记示例:
JB/T6361.3
螺旋槽钉
附加说明:
本标准由全国紧固件标准化技术委员会提出。本标准由机械电子工业部机械标准化研究所归口。本标准由机械电子工业部机械标准化研究所负责起草。6
小提示:此标准内容仅展示完整标准里的部分截取内容,若需要完整标准请到上方自行免费下载完整标准文档。