首页 > 煤炭行业标准(MT) > MT 187.7-1988 刮板输送机紧固件 半圆头方颈螺栓
MT 187.7-1988

基本信息

标准号: MT 187.7-1988

中文名称:刮板输送机紧固件 半圆头方颈螺栓

标准类别:煤炭行业标准(MT)

英文名称: Scraper conveyor fasteners Cup head square neck bolts

标准状态:现行

发布日期:1988-04-13

实施日期:1988-08-01

出版语种:简体中文

下载格式:.rar.pdf

下载大小:34029

相关标签: 刮板 输送机 紧固件 半圆 螺栓

标准分类号

中标分类号:机械>>通用零部件>>J13紧固件

关联标准

出版信息

出版社:中国煤炭工业出版社

页数:2页

标准价格:8.0 元

出版日期:1988-08-01

相关单位信息

起草人:都基安、丛培建

起草单位:哈尔滨煤矿机械研究所

归口单位:煤炭科学研究院太原分院

提出单位:中华人民共和国煤炭工业部技术发展司

发布部门:中华人民共和国煤炭工业部

标准简介

本标准适用于煤矿井下刮板箱送机或转载机采用的半圆头方颈螺栓(以下简称螺栓)。 MT 187.7-1988 刮板输送机紧固件 半圆头方颈螺栓 MT187.7-1988 标准下载解压密码:www.bzxz.net

标准图片预览

MT 187.7-1988 刮板输送机紧固件 半圆头方颈螺栓
MT 187.7-1988 刮板输送机紧固件 半圆头方颈螺栓

标准内容

适用范围
中华人民共和国煤炭工业部部标准刮板输送机紧固件
半圆头方颈螺栓
MT 187.7-88
本标准适用于煤矿井下刮板输送机或转载机采用的半圆头方颈螺栓(以下简称螺栓)。2引用标准
刮板输送机紧固件
3产品分类免费标准bzxz.net
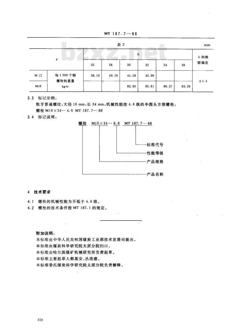
3.1产品有M12和M16两种规格。
螺栓技术条件
3.2型式、尺寸见下图及表1和表2。表1
中华人民共和国煤炭工业部1988-04-13批准极限
1988-08-01实施
每1000个钢
螺栓的重量
3.3标记示例:
MT 187.7-88
粗牙普通螺纹,大径16mm,长34mm,机械性能按4.6级的半圆头方颈螺栓:螺栓M16×34—4.6MT187.7—88
3.4标记说明:
4技术要求
M16X34—8.8
螺栓的机械性能为不低于4.6级。4.1
4.2螺栓的技术条件按MT187.1的规定。附加说明:
MT187.7--88
—标准代号
性能等级
产品规格
产品名称
本标准由中华人民共和国煤炭工业部技术发展司提出。本标准由煤炭科学研究院太原分院归口。本标准由哈尔滨煤矿机械研究所负责起草。本标准主要起草人都基安、丛培建。本标准委托煤炭科学研究院太原分院负责解释。226
L的极
限偏差
小提示:此标准内容仅展示完整标准里的部分截取内容,若需要完整标准请到上方自行免费下载完整标准文档。