首页 > 国家标准(GB) > GB 50162-1992 道路工程制图标准
GB 50162-1992

基本信息

标准号: GB 50162-1992

中文名称:道路工程制图标准

标准类别:国家标准(GB)

英文名称: Road Engineering Drawing Standard

标准状态:现行

发布日期:1992-09-29

实施日期:1994-05-01

出版语种:简体中文

下载格式:.rar.pdf

下载大小:1326608

相关标签: 道路 工程 制图

标准分类号

中标分类号:工程建设>>工程建设综合>>P04基础标准与通用方法

关联标准

出版信息

出版社:中国标准出版社

页数:80页

标准价格:16.0 元

相关单位信息

起草人:马进、林贵昌、万少英

起草单位:交通部公路规划设计院、北京市市政设计研究院

发布部门:国家技术监督局、中华人民共和国建设部

标准简介

本标准适用于公路城市道路、林区道路、厂矿道路、工程的设计、标准设计和竣工的制图。 GB 50162-1992 道路工程制图标准 GB50162-1992 标准下载解压密码:www.bzxz.net

标准图片预览

GB 50162-1992 道路工程制图标准
GB 50162-1992 道路工程制图标准
GB 50162-1992 道路工程制图标准
GB 50162-1992 道路工程制图标准
GB 50162-1992 道路工程制图标准

标准内容

中华人民共和国建设标准
GB50162-92
道路工程制图标准
主编部门:中华人民共和国交通部批准部门:中华人民共和国建设部施行日期:1993年5月1日
(资料来自网络非正式出版物只能参考)建标[1992]664号
关于发布国家标准《道路工程制图标准》的通知根据国家计委计综[1989]30号文的要求,由交通部会同各有关部门共同编制的《道路工程制图标准》已经有关部门会审。现批准《道路工程制图标准》GB50162—92为国家标准,自1993年5月1日起施行。本标准由交通部负责管理,其具体解释工作由交通部公路规划设计院负责。出版发行由建设部标准定额研究所负责组织。中华人民共和国建设部
1992年9月29日
编制说明
本标准是根据国家计委计综[1989]30号文的要求,由交通部公路规划设计院会同北京市市政设计研究院共同编制的,在本标准编制过程中,编制组大量地搜集和查阅了国内外有关的标准,从章节的划分到标准条文的具体内容,都多次进行了重点走访、座谈、函调,广泛征求了全国有关单位的意见,认真总结了我国高等级公路、弯坡斜桥涵及交通工程的设计制图经验,参考了有关国际标准,经多次反复讨论和修改,最后由我部会同有关部门审查定稿。鉴于本标准系初次编制,在执行过程中,希望各单位结合工程实践,认真总结经验,注意积累资料,如发现需要修改和补充之处,请将意见和有关资料寄送交通部公路规划设计院(北京东四前炒面胡同33号,邮政编码100010),以供今后修订时参考,交通部
1992年元月
第一章 总则
第1.0.1条为了统一我国道路工程的制图方法,保证图面质量,提高工作效率,便于技术交流,制订本标准。第1.0.2条本标准适用于公路、城市道路、林区道路、厂矿道路工程的设计、标准设计和峻工的制图。第1.0.3条道路工程制图,除应遵守本标准外,尚应符合国家有关现行标准的规定。第二章
一般规定
第一节图幅及图框
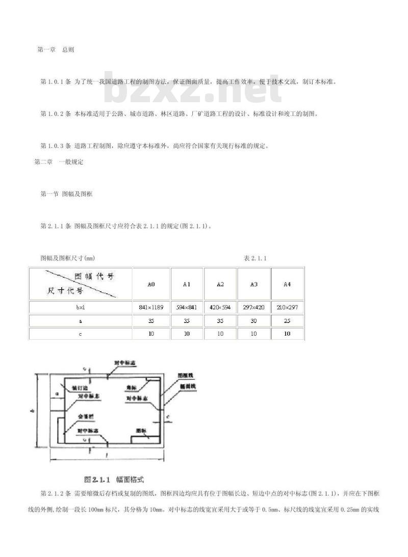
第2.1.1条图幅及图框尺寸应符合表2.1.1的规定(图2.1.1)。图幅及图框尺寸(mm)
图幅代号
尺寸代号
对得达
能舒建
对中标惠
合警型
群中标表
841x1189
对中都市
图2.1.1幅面格式
594 x841
周制线
新副线
420x 594
297x420
210x297
第2.1.2条需要缩微后存档或复制的图纸,图框四边均应具有位于图幅长边、短边中点的对中标志(图2.1.1),并应在下图框线的外侧,绘制一段长100mm标尺,其分格为10mm。对中标志的线宽宜采用大于或等于0.5mm、标尺线的线宽宜采用0.25mm的实线绘制(图2.1.2)。
耐眼坤
妞画栈www.bzxz.net
事际喜
韩R牌
图2.1.2对中标志及标尺(单位:mm)第2.1.3条图幅的短边不得加长。长边加长的长度,图幅A0、A2、A4应为150mm的整倍数:图幅A1、A3应为210mm的整倍数。第二节图标及会签栏
第2.2.1条图标应布置在图框内右下角(图2.1.1)。图标外框线线宽宜为0.7mm:图标内分格线线宽宜0.25mm。第2.2.2条图标应采用图2.2.2所示中的一种净宽h
标(单位:mm)
第2.2.3条会签栏宜布置在图框外左下角(图2.1.1),并应按图2.2.3绘制。会签栏外框线线宽宜为0.5mm:内分格线线宽宜为0.25mm。
内分检
图2.23会签栏(单位,mm)
外题线
招想栈
第2.2.4条当图纸需要绘制角标时,应布置在图框内的右上角,角标线线宽宜为0.25mm(图2.2.4)。图能
线名账或胜号
图22.4角
第三节字体及书写方法
标(单位imm)
第2.3.1条图纸上的文字、数字、字母、符号、代号等,均应笔划清晰、字体端正、排列整齐、标点符号清楚正确。第2.3.2条文字的字高尺寸系列为2.5、3.5、5、7、10、14、20mm。当采用更大的字体时,其字高应按~22的比例递增。
第2.3.3条图纸中的汉字应采用长仿宋体,字的高、宽尺寸,可按表2.3.3的规定采用。长仿宋体汉字的高、宽尺寸(mm)字
注:当采用打字机打印汉字时,宜选用仿宋体或高宽比为√2的字型。第2.3.4条图册封面、大标题等的字体宜采用仿宋体等易于辨认的字体。2.5
第2.3.5条图中汉字应采用国家公布使用的简化汉字。除有特殊要求外,不得采用繁体字。
第2.3.6条图纸中的阿拉伯数字、外文字母、汉语拼音字母笔划宽度,宜为字高的1/10第2.3.7条在同一册图纸中,数字与字母的字体可采用直体或斜体。直体笔划的横与竖应成90°:斜体字字头向右倾斜,与水平线应成75”:字母不得采用手写体(2.3.7)。1234567890
1234567890
上的管商
ABUDEFGHJKLMNOP
ABCDEFGHUKLMNOP.
各写车单真语
abcdefahijklmnop
abcdefahjklmnops
图2.3.7字例
第2.3.8条大写字母的宽度宜为字高的2/3,小写字母的高度应以b、f、h、p、g为准,字宽宜为字高的1/2。a、m、n、o、c的字宽宜为上述小写字母高度的2/3第2.3.9条当图纸中有需要说明的事项时,宜在每张图的右下角、图标上方加以叙述。该部分文字应采用“注”标明,字样“注”应写在叙述事项的左上角。每条注的结尾应标以句号“。”。说明事项需要划分层次时,第一、二、三层次的编号应分别用阿拉伯数字、带括号的阿拉伯数字及带圆圈的阿拉伯数字标注第2.3.10条图纸中文字说明不宜用符号代替名称。当表示数量时,应采用阿拉伯数字书写。如三千零五十毫米应写成3050mm,三十二小时应写成32h。
分数不得用数字与汉字混合表示。如:五分之一应写成1/5,不得写成5分之1。不够整数位的小数数字,小数点前应加0定位。第2.3.11条当图纸需要缩小复制时,图幅A0、A1、A2、A3、A4中汉字字高,分别不应小于10、7、5、3.5mm。第四节图线
第2.4.1条图线的宽度(b)应从2.0、1.4、1.0、0.7、0.5、0.35、0.25、0.18、0.13mm中选取。第2.4.2条每张图上的图线线宽不宜超过3种。基本线宽(b)应根据图样比例和复杂程度确定。线宽组合宜符合表2.4.2的规定。
线宽组合
线宽类别
注:表中括号内的数字为代用的线宽。线宽系列(mm)
0.18(0.2)
第2.4.3条图纸中常用线型及线宽应符合表2.4.3的规定。常用线型及线宽
0.13(0.15)
0.13(0.15)
加粗实
粗交线
中租实线
细交线
中祖虑线
细底线
祖点刻线
中租点划续
细点刻线
祖双点划线
中祖双点刻线
细双点划线
折断线
汝浪线
1.4 --2.0b
第2.4.4条虚线、长虚线、点划线、双点划线和折断线应按图2.4.4绘制。1~1.53-
长面性
国0-5
点划频
新爵城
图线的画法(单位,mm)
图244
第2.4.5条相交图线的绘制应符合下列规定:-
一、当虚线与虚线或虚线与实线相交接时,不应留空隙(图2.4.5a)。三、当实线的延长线为虚线时,应留空隙(图2.4.5b)。三、当点划线与点划线或点划线与其它图线相交时,交点应设在线段处(图2.4.5c)。葡空购
不割空限
图2.4.5图线拍交的画法
第2.4.6条图线间的净距不得小于0.7mm。第五节坐标
第2.5.1条坐标网格应采用细实线绘制,南北方向轴线代号应为X:东西方向轴线代号应为Y.坐标网格也可采用十字线代替(图2.5.1a)。
坐标值的标注应靠近被标注点:书写方向应平行于网格或在网格延长线上。数值前应标注坐标轴线代号。当无坐标轴线代号时图纸上应绘制指北标志(图2.5.1b)。zo
图2.51坐标网格及标线
第2.5.2条当坐标数值位数较多时,可将前面相同数字省略,但应在图纸中说明。坐标数值也可采用间隔标注。第2.5.3条当需要标注的控制坐标点不多时,宜采用引出线的形式标注。水平线上、下应分别标注X轴、Y轴的代号及数值(图2.5.3)。当需要标注的控制坐标点较多时,图纸上可仅标注点的代号,坐标数值可在适当位置列表示出。坐标数值的计量单位应采用米,并精确至小数点后三位X#话0.405
X44,3
Y3-5-000
图2.53控制点坐标的标注
第六节比例
第2.6.1条绘图的比例,应为图形线性尺寸与相应实物实际尺寸之比。比例大小即为比值大小,如1:50大于1:100。第2.6.2条绘图比例的选择,应根据图面布置合理、匀称、美观的原则,按图形大小及图面复杂程度确定。第2.6.3条比例应采用阿拉伯数字表示,宜标注在视图图名的右侧或下方,字高可为视图图名字高的0.7倍(图2.6.3a)。当同一张图纸中的比例完全相同时,可在图标中注明,也可在图纸中适当位置采用标尺标注。当竖直方向与水平方向的比例不同时,可用V表示竖直方向比例,用H表示水平方向比例(图2.6.3b)。44
第七节尺寸标注
图263比例的标注
第2.7.1条尺寸应标注在视图醒目的位置。计量时,应以标注的尺寸数字为准,不得用量尺直接从图中量取。尺寸应由尺寸界线、尺寸线、尺寸起正符和尺寸数字组成。第2.7.2条尺寸界线与尺寸线均应采用细实线。尺寸起止符宜采用单边箭头表示,箭头在尺寸界线的右边时,应标注在尺寸线之上:反之,应标注在尺寸线之下。箭头大小可按绘图比例取值。尺寸起止符也可采用斜短线表示。把尺寸界线按顺时针转45”,作为斜短线的倾斜方向。在连续表示的小尺寸中,也可在尺寸界线同一水平的位置,用黑圆点表示尺寸起止符。尺寸数字宜标注在尺寸线上方中部。当标注位置不足时,可采用反向箭头。最外边的尺寸数字,可标注在尺寸界线外侧箭头的上方,中部相邻的尺寸数字,可错开标注(图2.7.2)。马用点R寸起止份
响解务
新线的佩销
单造赠界寸越业特
鲜妞钱民专超止器
R寸界接
图2.7.2尺寸要素的标注
第2.7.3条尺寸界线的一端应靠近所标注的图形轮廓线,另一端宜超出尺寸线1~3mm。图形轮廓线、中心线也可作为尺寸界线。尺寸界线宜与被标注长度垂直:当标注困难时,也可不垂直,但尺寸界线应相互平行(图2.7.3)。图2.7.3
尺寸界姨的标注
第2.7.4条尺寸线必须与被标注长度平行,不应超出尺寸界线,任何其它图线均不得作为尺寸线。在任何情况下,图线不得穿过尺寸数字。相互平行的尺寸线应从被标注的图形轮廓线由近向远排列,平行尺寸线间的间距可在5~15mm之间。分尺寸线应离轮廓线近,总尺寸线应离轮廓线远(图2.7.4)。不正南
给民理
ZER计
送#10
图27.4尺寸线的标注
第2.7.5条尺寸数字及文字书写方向应按图2.7.5标注,图27.5尺寸数字,文字的标注
第2.7.6条当用大样图表示较小且复杂的图形时,其放大范围,应在原图中采用细实线绘制圆形或较规则的图形圈出,并用引出线标注(图2.7.6)。
实宇卵
图27.6大样图范围的标注
大耀人
第2.7.7条引出线的斜线与水平线应采用细实线,其交角a可按90°、120”、135°、150”绘制。当视图需要文字说明时,可将文字说明标注在引出线的水平线上(图2.7.6)。当斜线在一条以上时,各斜线宜平行或交于一点(图2.7.7)鲜
图27.7引出线的标注
小提示:此标准内容仅展示完整标准里的部分截取内容,若需要完整标准请到上方自行免费下载完整标准文档。