首页 > 化工行业标准(HG) > HG/T 3402-2002 直接深红 4BR(直接耐酸枣红)
HG/T 3402-2002

基本信息

标准号: HG/T 3402-2002

中文名称:直接深红 4BR(直接耐酸枣红)

标准类别:化工行业标准(HG)

标准状态:现行

出版语种:简体中文

下载格式:.zip .pdf

下载大小:159206

相关标签: 直接 深红 耐酸

标准分类号

关联标准

出版信息

相关单位信息

标准简介

HG/T 3402-2002.Direct deep red 4BR(Direct Fast Bordeaux).
1范围
HG/T 3402规定了直接深红4BR(直接耐酸枣红,C.1.直接红23)的要求、采样、试验方法、检验规则以及标志、标签、包装、运输和贮存。
该产品主要用于棉、麻、丝、粘胶等纤维的染色。
相对分子质量:827.75和870. 78(按1997年相对国际原子质量)
2引用标准
下列标准所包含的条文,通过在本标准中引用而构成为本标准的条文。本标准出版时,所示版本均为有效。所有标准都会被修订,使用本标准的各方应探讨使用下列标准最新版本的可能性。
GB/T 2374-1994染料染色测定的一般条件规定
GB/T 2375-1980直接染料染色色光和强度的测定方法
GB/T 2381-1994染料中不溶物 含量的测定方法
GB/T 2383-1980染料筛分细度的测定方法
GB/T 2386-1980 染料 及染料中间体水分的测定方法
GB/T 3920-1997纺织品色牢度试验 耐摩 擦色牢度(eqv ISO 105-X12 : 1993)
GB/T 3921.1-1997纺织品色牢度试验耐 洗色牢度(eqv ISO 105-C01 : 1989)
GB/T 3922-1995 纺织品色牢度 试验耐汗 渍色牢度(eqv ISO 105- E04 : 1994)
GB/T 4841.1-1984 1/1 染料染色标准深度卡
GB/T 5713-1997纺织品色牢度试验 耐水 色牢度(eqv ISO 105-E01 : 1994)
GB/T 6152- -1997 纺织品色牢度试验 耐 热压色牢度(eqv ISO 105-X11 : 1994)
GB/T 6678- 1986化工产品采样总则
GB/T 8427-1998纺织品 色牢度试验耐光色牢度氙弧 (eqv ISO 105- B02 : 1994)

标准图片预览

HG/T 3402-2002 直接深红 4BR(直接耐酸枣红)
HG/T 3402-2002 直接深红 4BR(直接耐酸枣红)
HG/T 3402-2002 直接深红 4BR(直接耐酸枣红)
HG/T 3402-2002 直接深红 4BR(直接耐酸枣红)
HG/T 3402-2002 直接深红 4BR(直接耐酸枣红)

标准内容

备案号:10979—2002
IIG/T3402—2002
本标准是对推荐:化工行业标准IIG/T3402一1980≤自接耐酸枣红》修订而成,本标准与HG/T3402--19&0的主要技术差异:按命名原则对产品名称重新命名。取消了分光曲线。
重新确定了色毕度检验项目和技术指标。本标自实施之日起,同时代替HG/T 3402—1980。本标准由中国石油和化学工业协会提出。本标准出全国染料标准化技术委员会归口。本标准起草单位;沈阳化工研究院。本标雅主要起草人:马君庆。
本标准于1980年首次发布为化工部部颁标准HC2—1313—1980.1999年5片调整为推荐性化T行业标准,并重新编号为HG/T3402—1980。本标推由全国染料标摊化技术委员会负责解释。7
1范围
中华人民共和国化工行业标准
直接深红4BR(直接耐酸枣红)
Direcl deep red4BR(Dircct Fast Rardeaux)HG/T 3402—2002
代替 HG/T 3402---1980
本标准规定了直接深红4BR(直接耐酸速红,C.I.直接红23)的要求,采样、试验方法,检验规则以及标志、标签、包装、运输和贮存,该产品主要用丁棉、麻、丝、粘胶等纤维的染色。结构式:
NHCOXH
分子式CaION,SNa和HOnNSNas
NHCOCFIs
扣对分十质量:827.75和870.78(按1997年相对国际原子质量)2引用标准
NHCCCH
下列标准所包含的条文,通过在本标准中引用而构成为本标准的条文。木标准出版时,所示版本均为有效。所有标准都会被修订,使用本标准的各方应探讨使用下列标难最新版本的可能性。GB/T2374--1994
染料染色测定的一般条件规定
CB/T 2375—1980
直接染料染色色光和强度的测定方法GB/T 2381 1994
染料中不溶物含最的测定方法
G3/T 2383 1980
GB/T 2386—1980
GB/T 3920—1997
染料筛分细度的测定方法
染料及染料中间体水分的測定方法纺织品色牢度试验耐摩擦色牢度(eqvIS()105-X12:1993)GB/T 3921. 1-1997
GB/T 3922—1995
纺织品色牢度试验耐洗色牢度(eqvIS0105-C01:1989)幼织品色牢度试验耐汗液色牢度(eqvISO105-E04:1994)GB/T 4841. 1—1984
1/1染料染色标准深度卡
GB/T 5713—1997
GB/T 6152—1997
纺织品仓
色牢度试验耐水色牢度(eqvIS0105-F01:1994)纺织晶色牢度试验谢热压色牢度(egvISO105-x11:1994)GB/T 6678 1986
化T产品采样总则
GB/T 8427—1998
纺织品
色牢度试验耐光色中度氙弧(ev1S0)105-B02:1994)3要求
3.1外观:深棕色均勾粉末。
中华人民共和国国家经济贸易委员会2002-09-28批准2003-06-01实施
HG/T3402—2002
3.2直接深红4BR的质量应衍合表1要求,表1查接深红4BR的质量要求
强度(为标品的),分
色光(与标唯品)
水不溶物含量,%
水分含量,%
细度(通过孔径180um标准筛的残余物的量),%3.3
直接深红4HR在棉织物上的色牢度应不低于表2的规定。表2直接深红4RR在棉织物上的色牢度染色
(鼠驱)
献江渍
棉沾毛沾
毛沾变色
1)1.5%(owF)相当于1/1染色标准深度,4采样
近似一微
耐摩擦
耐热压
200℃
变色4h
采样以批为单位,生产厂以一次拼混均句的产品为一批。每批采样桶数应符合(G13/T66781986中6.6的规定。所取产品的包装必须完好,取样时勿使外界杂质落人产品中,用探管探取包括上、中、下三部分的样品.采样量不得少于200多。将取得的样品仔细混匀,分装于两个清洁、下燥、密封良好的容器中,其上粘贴标签,注明产品名称、生产名称、批次、取样口期、地点,一个用于检验,一个保存备查。
5试验方法
5.1外观的评定
采用月视评定
5.2染色色光和强度的测定wwW.bzxz.Net
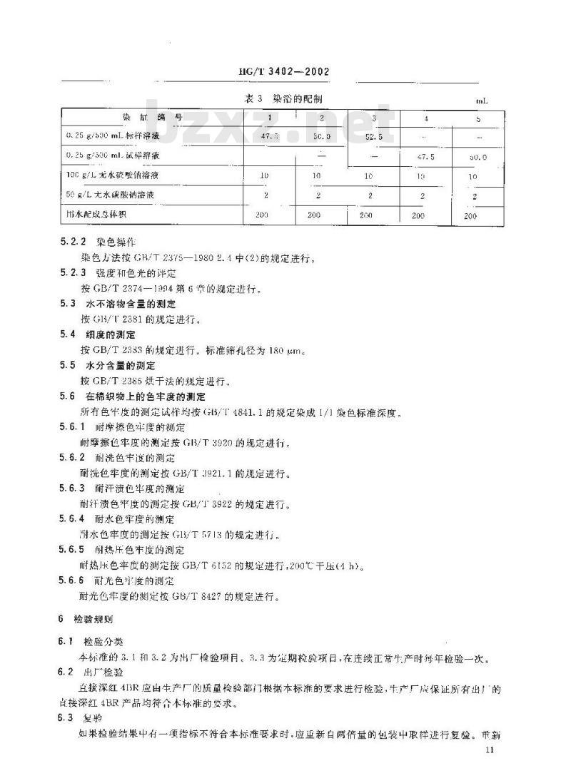
染色时的般条件应符合CB/T2374的有关规定。5.2.1染浴的配制
染色深度规定为0.5%,染色用5多棉布(或棉纱),浴比140。于T个300ml染岳L中,按表3规定配制染浴。10
染缸编号
0.25g/500mL标样济液
0.25 g/500ml.试悼弊液
10C≤/1.无水硫酸销溶液
50g/L无水碳酸钠溶液
H水配成总体积
5.2.2染色操作
HG/T 3402-2002
表3染浴的配制
染色方法按CR/T2375—19802.4中(2)的规定进行,5.2.3强度和色光的评定
按GB/T2374—1994第6竞的规定进行。5.3水不溶物含量的测定
按(G13/T2381的规定进行。
5.4细度的测定
按GB/T2383的规定迹行。标准筛孔径为180μm。5.5水分含量的测定
按GB/T2385烘于法的规定进行
5.6在棉织物上的色牢度的测定
所有色牛度的测定试样均按(13/T4841.1的规定染成1/)染色标准深度。5.6.1耐摔擦色牢度的测定
耐摩擦负牢度的测定按G/T 3920的规定进行5.6.2耐洗色牢度的测定
耐洗色牢度的测定按GB/T3921.1的规定进行。5.6.3耐汗渍包毕度的测定
耐汗渍色牢度的测定按GB/T3922的规定进行。5.6.4耐水色牢度的測定
水他牢度的测定按G13/T5713的规定进行。5.6.5削热乐色牢度的测定
耐热床色牢度的测定按GB/T6152的规定进行,200℃干压(1h)。5.6.6耐光色字度的测定
耐光色牢度的测定按 GB/T 8427 的规定进行。6
检验规则
6.1检验分类
本标雅的3.1和3.2为出厂检验项月。3.3为定期检验项日,在连续正常牛产时每年检验一次,6.2出厂检验
接深红413R应出生产厂的质量检验部门根据本标准的要求进行检验,牛产厂成保证所有出厂的直接深红4BR产品均符介本标准的要求。6.3复验
如果检验结果中有一项指标不符合本标准要求时,应重新自两倍量的包装中取样迹行复验。币新11
HG/T3402—2002
检验的结果,即使只有一项指标不符合本标准要求时,则整批产品不能验收。7标志、标签、包装、运输和存
7. 1 标志,标签
直接深红4BR的每个包装桶上都应涂上牢固,清晰的标志,注明产品名称、规格.注册商标、净含量、牛产名称厂址、标编号、批号、生产日期:也可将批号、生产H期打印在标签上,并和产品质量检验合格的证明一起放人位装拥内的塑料袋外面。7.2包装
直接深红4BR用内衬塑料袋的铁桶包装,并加密封和封印,每捕净含量40kg或45kg。其他包装可与用户协商确定,
7.3运输
运输时避免强烈震荡,搬运时成小心轻放;防火、防晒、防雨。切勿损坏包装。7.4存
产品应贮存于阴凉、干燥、通风的库房内。12
小提示:此标准内容仅展示完整标准里的部分截取内容,若需要完整标准请到上方自行免费下载完整标准文档。