首页 > 其他行业标准 > HG/T 3807-2012分散深红SE-4RL 200%(分散红玉SE-GFL 200%)
HG/T 3807-2012

基本信息

标准号: HG/T 3807-2012

中文名称:分散深红SE-4RL 200%(分散红玉SE-GFL 200%)

标准类别:其他行业标准

英文名称:Disperse deep red SE-4RL 200% (C.I.Disperse rubine SE-GFL 200%)

标准状态:现行

发布日期:2012-12-28

实施日期:2013-06-01

出版语种:简体中文

下载格式:.pdf .zip

相关标签: 分散 深红

标准分类号

标准ICS号:化工技术>>化工产品>>71.100.01化工产品综合

中标分类号:化工>>涂料、颜料、染料>>G57染料

关联标准

替代情况:替代HG/T 3807-2005;公告:工业和信息化部公告 2024年第17号

出版信息

出版社:化工出版社

页数:4页

标准价格:10.0

出版日期:2013-06-01

相关单位信息

复审日期:2024-07-11

起草人:姬兰琴等

起草单位:杭州吉华江东化工有限公司等

归口单位:全国染料标准化技术委员会

发布部门:中华人民共和国工业和信息化部

标准简介

本标准规定了分散深红SE-4RL 200%(C.I.分散红73,分散红玉SE-GFL)产品的要求、采样、试验方法、检验规则以及标志、标签、包装、运输和贮存。 本标准适用于分散深红SE-4RL 200%的产品质量控制。


标准图片预览

HG/T 3807-2012分散深红SE-4RL 200%(分散红玉SE-GFL 200%)
HG/T 3807-2012分散深红SE-4RL 200%(分散红玉SE-GFL 200%)
HG/T 3807-2012分散深红SE-4RL 200%(分散红玉SE-GFL 200%)
HG/T 3807-2012分散深红SE-4RL 200%(分散红玉SE-GFL 200%)
HG/T 3807-2012分散深红SE-4RL 200%(分散红玉SE-GFL 200%)

标准内容

ICS 71.100.01;87.060.10
备案号:38649—2013
中华人民共和国化工行业标准
HG/T3807—2012
代替HG/T3807—2005
分散深红SE-4RL
(分散红玉SE-GFL
200%)
Disperse deep red SE-4RL200%(C.I.DisperserubineSE-GFL200%)2012-12-28发布
中华人民共和国工业和信息化部发布2013-06-01实施
HG/T3807—2012
本标准按照GB/T1.1一2009《标准化工作导则货第1部分:标准的结构和编写》给出的规则起草。本标准代替HG/T3807—2005《分散深红SE-4RL200%(分散红玉SE-GFL
HG/T3807一2005相比,除编辑性修改外主要技术变化如下:更正了错误的分子式和相对分子质量(见1,2005年版的1);删除了水分指标(见2005年版的3.1);修改了分散性和上色率指标(见3.1,2005年版的3.2);修改了色光和强度测定方法的表述内容(见5.2,2005年版的5.2);增加了上色率测定的染色浴比内容(见5.7)。本标准由中国石油和化学工业联合会提出。本标准由全国染料标准化技术委员会(SAC/TC134)归口。本标准起草单位:杭州吉华江东化工有限公司、沈阳化工研究院有限公司。本标准主要起草人:姬兰琴、陈美芬、杨振梅、周火良。本标准于2006年1月首次发布,本次为第一次修订。784
200%)》,与
1范围
分散深红SE-4RL1
200%)
(分散红玉SE-GFL)
HG/T3807—2012
本标准规定了分散深红SE-4RL200%(C.I.分散红73,分散红玉SE-GFL)产品的要求、采样、试验方法、检验规则以及标志、标签、包装、运输和贮存本标准适用于分散深红SE-4RL200%的产品质量控制结构式:
分子式:CHN.O
相对分子质量:348.36(按2009年国际相对原子质量)CASRN:16889-10-4
2规范性引用文件
CH,CH,CN
下列文件对于本文件的应用是必不可少的。凡是注日期的引用文件,仅所注日期的版本适用于本文件。凡是不注日期的引用文件,其最新版本(包括所有的修改单)适用于本文件。GB/T23742007
染料染色测定的一般条件规定
GB/T2394
GB/T2397
GB/T3920
分散染料色光和强度的测定
分散染料提升力的测定
耐摩擦色牢度(modISO105-X12:2001)纺织品色牢度试验
—2008纺织品色牢度试验耐皂洗色牢度(modISO105-C10.2006)GB/T3921
GB/T3922
GB/T4841.1
GB/T5540
GB/T5541
纺织品耐汗渍色牢度试验方法(eqvISO105-E04:1994)2006
染料染色标准深度色卡1/1
分散染料分散性能的测定双层滤纸过滤法分散染料
GB/T5718—1997
GB/T6152—1997
GB/T6678—2003
GB/T8427—2008
GB/T9337—2009
GB19601
GB20814
高温分散稳定性的测定双层滤纸过滤法色牢度试验耐干热(热压除外)色牢度(eqvISO105-P01:1993)纺织品1
纺织品色牢度试验耐热压色牢度(eqvISO105-X11:1994)化工产品采样总则
纺织品色牢度试验耐人造光色牢度:氙弧(modISO105-B02:1994)分散染料高温染色上色率的测定染料产品中23种有害芳香胺的限量及测定染料产品中10种重金属元素的限量及测定GB/T27597
3要求
染料扩散性能的测定
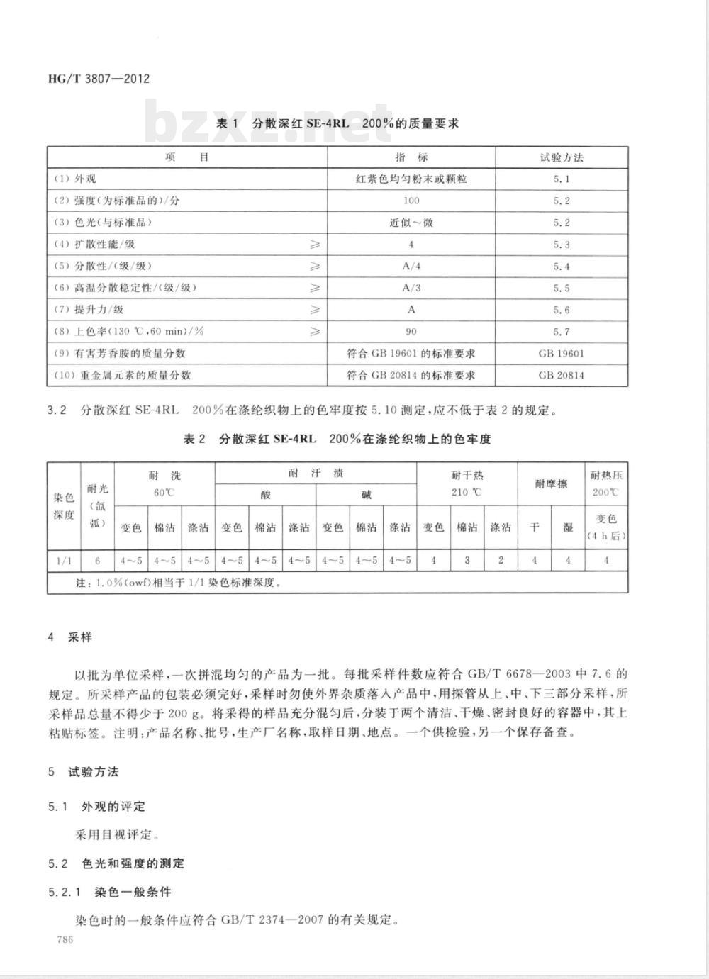
3.1分散深红SE-4RL200%的质量要求应符合表1的规定。785
HG/T3807—2012
(1)外观
(2)强度(为标准品的)/分
(3)色光(与标准品)
(4)扩散性能/级
(5)分散性/(级/级)
(6)高温分散稳定性/(级/级)(7)提升力/级
(8)上色率(130℃,60min)/%(9)有害芳香胺的质量分数
(10)重金属元素的质量分数
分散深红SE-4RL
分散深红SE-4RL
200%的质量要求
红紫色均匀粉末或颗粒
近似~微
符合GB19601的标准要求
符合GB20814的标准要求
试验方法
GB19601
GB20814
200%在涤纶织物上的色牢度按5.10测定,应不低于表2的规定。表2
分散深红SE-4RL
注:1.0%(owf)相当于1/1染色标准深度。4
200%在涤纶织物上的色牢度
耐干热
210℃
耐摩擦
耐热压
200℃
(4h后)
以批为单位采样,一次拼混均匀的产品为一批。每批采样件数应符合GB/T6678一2003中7.6的规定。所采样产品的包装必须完好,采样时勿使外界杂质落入产品中,用探管从上、中、下三部分采样,所采样品总量不得少于200g。将采得的样品充分混匀后,分装于两个清洁、干燥、密封良好的容器中,其上粘贴标签。注明:产品名称、批号,生产厂名称,取样日期、地点。一个供检验,另一个保存备查。5
试验方法
外观的评定
采用目视评定。
色光和强度的测定
染色一般条件
染色时的一般条件应符合GB/T2374一2007的有关规定。786
HG/T3807—2012
染色深度规定为1.0%(owf)。染色用2g涤纶织物,染色浴比为1:100;或用5g涤纶织物,染色浴比为1:20或1:40(在染色均匀的前提下,也可根据实际情况选择其他浴比)。染浴pH值为5~6。5.2.2
染浴的配制
以2g涤纶织物染色为例,于五个染杯中,按表3规定配制染浴。如使用5g涤纶织物,则染料用量增加到2.5倍。
染浴的配制
染样编号和染浴中各组分的体积染浴组分
0.5g/L标样溶液
0.5g/L试样溶液
蒸馏水
5.2.3染色操作
染色操作按GB/T2394—2006中6.2的规定进行。5.2.4
色光和强度的评定
按GB/T2374一2007中第7章的有关规定进行。5.3扩散性能的测定
按GB/T27597的规定进行。
分散性的测定
按GB/T5540的规定进行。
5.5高温分散稳定性的测定
按GB/T5541的规定进行。
5.6提升力的测定
按GB/T2397的规定进行。
5.7上色率的测定
单位为毫升
按GB/T9337一2009中有关“分散染料高温染色上色率的测定”的规定进行。染色浴比规定为1:40,测定波长为最大吸收波长(约510nm)。5.8有害芳香胺的量的测定
按GB19601的规定进行。
重金属元素的量的测定免费标准bzxz.net
按GB20814的规定进行。
HG/T3807—2012
在涤纶织物上色牢度的测定
5.10.1一般规定
所有色牢度的测试样应按GB/T4841.1-2006的有关规定染成1/1染色标准深度。5.10.2耐摩擦色牢度的测定
耐摩擦色牢度按GB/T3920一2008的有关规定进行。5.10.3耐洗色牢度的测定
耐洗色牢度按GB/T3921一2008的规定进行。试验条件采用GB/T3921一2008表2中的试验方法C(3)。
5.10.4耐汗渍色牢度的测定
耐汗渍色牢度按GB/T3922—1995的有关规定进行。5.10.5
耐干热色牢度的测定
耐干热色牢度按GB/T5718—1997的有关规定进行,210℃。5.10.6耐热压色牢度的测定
耐热压色牢度按GB/T6152一1997的有关规定进行,200℃干压(4h后评定)。耐光色牢度的测定
耐光色牢度按GB/T8427—2008的有关规定进行。6检验规则
6.1检验分类
本标准第3章所列的检验项目均为型式检验项目。其中本标准表1中(1)~(6)项为出厂检验项目,应逐批进行检验。在正常连续生产情况下,每年至少进行一次型式检验。但如有下述情况需进行型式检验:
新产品最初定型时;
产品异地生产时;
生产配方、工艺及原材料有较大改变时;停产三个月后又恢复生产时;
客户提出要求时。
6.2出厂检验
分散深红SE-4RL200%应由生产厂的质量检验部门检验合格,附合格证明后方可出厂。生产厂应保证所有出厂的分散深红SE-4RL200%产品均符合本标准的要求。6.3复检
如果检验结果中有一项指标不符合本标准的要求时,应重新自两倍量的包装中取样进行检验,重新788
检验的结果,即使只有一项指标不符合本标准要求,则整批产品判定为不合格。标志、标签、包装、运输、购存7.1标志
HG/T3807—2012
分散深红SE-4RL200%的每个包装容器上都应涂印耐久、清晰的标志,标志内容至少应有:a)
产品名称;
生产厂名称、地址;
生产日期;
净含量。
产品应有标签,标签上应注明产品生产日期、合格证明、执行标准编号、批号7.31
分散深红SE-4RL
200%装于内衬塑料袋的包装容器内,并加密封,每件净含量25kg士0.2kg,其他包装可与用户协商确定。
7.4运输
运输时应防止倒置,小心轻放,避免碰撞,切勿损坏包装7.5购存
分散深红SE-4RL200%应贮存于阴凉、干燥、通风处,防止受潮受热。789
小提示:此标准内容仅展示完整标准里的部分截取内容,若需要完整标准请到上方自行免费下载完整标准文档。