首页 > 化工行业标准(HG) > HG/T 3799-2005 销钉机筒冷喂料挤出机检测方法
HG/T 3799-2005

基本信息

标准号: HG/T 3799-2005

中文名称:销钉机筒冷喂料挤出机检测方法

标准类别:化工行业标准(HG)

标准状态:现行

出版语种:简体中文

下载格式:.zip .pdf

下载大小:65817

相关标签: 销钉 机筒 喂料 挤出机 检测 方法

标准分类号

关联标准

出版信息

相关单位信息

标准简介

HG/T 3799-2005.Pin-barrel cold-feed extruder-Testing and measuring methods.
1范围
HG/T 3799规定了销钉机筒冷喂料挤出机的主要检测项目的检测方法。
HG/T 3799适用于销钉机简冷喂料挤出机的检测。
HG/T 3799应同HG/T 3798-2005《销钉机筒冷喂料挤出机》配合使用。
2规范性引用文件
下列文件中的条款通过本标准的引用而构成为本标准的条款。凡是注日期的引用文件,其随后所有的修改单(不包括勘误的内容)或修订版不适用于本标准,然而,鼓励根据本标准达成协议的各方研究是否可使用这些文件的最新版本。凡是不注日期的引用文件,其最新版本适用于本标准。
HG/T 2108橡胶机械噪声声压级的测定
3主要性能检测
销钉机筒冷喂料挤出机主要性能检测见表1。
序号             检验项目              检测方法                           检验工具
3.1               螺杆转速       用转速表测量螺杆的最高转速。转速表(0. 5级)
测量3次,取其平均值
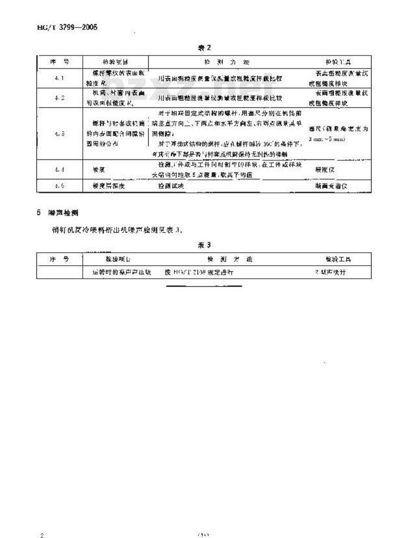
4主要精度检测
销钉机筒冷喂料挤出机主要精度检测见表2。
5噪声检测
销钉机筒冷喂料挤出机噪声检测见表3。

标准图片预览

HG/T 3799-2005 销钉机筒冷喂料挤出机检测方法
HG/T 3799-2005 销钉机筒冷喂料挤出机检测方法
HG/T 3799-2005 销钉机筒冷喂料挤出机检测方法
HG/T 3799-2005 销钉机筒冷喂料挤出机检测方法

标准内容

ICs 71. 120:83. 200
备率号:17272—2006
中华人民共和国化工行业标准
IIG/T 3799—2005
销钉机筒冷喂料挤出机检测方法Pin-barrel cold-feed extruderTestingandmeasuringmethods
2006-01-17发布
2006-07-01实施
中华人民共和国国家发展科改单委员会发布前
本标准出中国名础利化学业协会提出。HG/3799—2005
本标准由全团案胶塑料桃械标准化注术委员会梦胶机械标准化分范术类员会归口。本标准土要起草单位:中国化学[业桂校工程公司(原化学J业部性护橡咬工业设】砸究院》。本标准势加超草单位:广东省湛江机械厂,大津率科技股份有限公司:本标准丰要起节人:吴志历,黎正资、杨锋,苏寿琼,荫攻敏。本标准壳托全国橡胶龈督机械标理化技术零员会橡胶机械标准化分技术委员会负贵群释,:
1范围
销钉机简冷喂料挤出机检剩方法本标准规定了销汀机简冷崛料护山机的业要检谢项月的整测方法,本标准延于矫汀机简冷料护出机的粒测。本标准应司TIG/47U—2Cb销针机简冷喂料挤凹礼多配合使压2规范性引用文件
HG/T3799-2005
下判文件中的案款谢本标准的4:用血执成为本标准的款。从是注H期的引用文丹,其随后皮有的够改单不包括断误的内容)或整版不适习于本标准,然而,鼓励根据本标准达成协没的各方研究尽否可使用这些文件的最新版木,几是不注月期的引用文件,其研版本适用于太标准。HGT2108像胶杭恢弹产卢下级的测定3主要性能触测
销钉机商冷眼书-济山机十要生能控测见表1.表1
主要粘庭检迎
格验项!
蝶环转迷
主电机章
量文将出能力
构测方法
用转这按量您杆的好布转述,测量3该,取其平挤机达到稳定一作状合书,用以中未到内致H平均所
对于交流机仙用三推功率测量,对下方流小机常毛单相动率变测量
螺托战市特述和大加玲的年件下,择山机川机头济达到范定工价状资时,熟量或每以切施山的腔料备,诈续创量了次,取有平关它,计其出最拓山涨方
销钉机折冷喂料挤出机土叉精底检见表7。113)
[精变2. %)
HG/T 3799—2005
声格测
探杆粥纹的表面耗
机筒、升套冈表画
的表向料度长
抢划力坛
川去面制检废能量汉高量效性料实拌版比较川去面组提度泡草仪动嫩或托范恶样版比较对士相难固定式洗控胸望杆,用避尺分别准划供前螺托村套或机筒,端正点方向二,下两点和求平方自左、方两点测昆其中的内书面配间度
而刻除。
用的分
度深控
对军动式结构的以杆,应为螺杆回轻36的录件下,所其量性下部只否村亲或让前保特无到性的读轻测1许或与工件间时剂作样块:在工件或样块劳与勾地职点,取其下均值
销针机简冷喉拼济出机弹六检测见表1。表3
险验项目
证转时的录声产业锁
按HT21W规定进行
天物的议
或典衡度样次
衣面组微废逆量收
避尺(到用患定使为
3 1: ~5 Www.bzxZ.net
硬萨仪
朗面龙率仪
检验工具
小提示:此标准内容仅展示完整标准里的部分截取内容,若需要完整标准请到上方自行免费下载完整标准文档。