首页 > 化工行业标准(HG) > HG/T 2664-2006 反应艳红 X-4B 
HG/T 2664-2006

基本信息

标准号: HG/T 2664-2006

中文名称:反应艳红 X-4B 

标准类别:化工行业标准(HG)

标准状态:现行

出版语种:简体中文

下载格式:.zip .pdf

下载大小:123238

相关标签: 反应 艳红

标准分类号

关联标准

出版信息

相关单位信息

标准简介

HG/T 2664-2006.Reactive brilliant red X-4B.
1范围
HG/T 2664规定了反应艳红X-4B(C.I.反应红2,活性艳红X-3B)产品的要求、采样、试验方法、检验规则以及标志标签、包装、运输和贮存。
HG/T 2664适用于反应艳红X-4B产品质量的检验。该产品主要用于棉、麻、黏胶的染色,也可用于丝绸的染色。
相对分子质量:615.34(按2001年国际相对原子质量)
2规范性引用文件
下列文件中的条款通过本标准的引用而成为本标准的条款。凡是注日期的引用文件,其随后所有的修改单(不包括勘误的内容)或修订版均不适用于本标准,然而,鼓励根据本标准达成协议的各方研究是否可使用这些文件的最新版本。凡是不注日期的引用文件,其最新版本适用于本标准。
GB/T 2374--1994染料染色测定的一般条件规定
GB/T 2381-2006染料及 染料中间体不溶物质含量的测定
GB/T 2386- -2006 染料 及染料中间体水 分的测定
GB/T 2387- -2006 反 应染料色光和强 度的测定
GB/T 2390- -2003 水溶性染料 pH 值的测定
GB/T 2391- -2006反 应染料固色率的测定
GB/T 2392- 2006 反应染料 热稳定性的测定
GB/T 3671.1一1996水溶性染料溶解度和溶液稳定性的测定(idtISO105-Z07:1995)
GB/T 3920- -1997纺织品色牢度试验 耐摩 擦色牢度(eqv IsO 105-X12↑1993)

标准图片预览

HG/T 2664-2006 反应艳红 X-4B 
HG/T 2664-2006 反应艳红 X-4B 
HG/T 2664-2006 反应艳红 X-4B 
HG/T 2664-2006 反应艳红 X-4B 
HG/T 2664-2006 反应艳红 X-4B 

标准内容

ICS71.100.01;87.060.10
备案号:18232—2006
中华人民共和国化工行业标准
HG/T 2664--2006
代替HG/T2664--1995
反应艳红X-4B
Reactive brilliant red X-4B
2006-07-26发布
2007-03-01实施
中华人民共和宝国家发展和致革季园会1范圖
反应艳红 X-4B
HG/T2664-2006
本标准规定了反应艳红X-4B(C.1.反应红2,活性艳红X-3B)产品的要求、采样、试验方法、检验规则以及标志、标签、包装、运输和存。本标准适用于反应艳红X-4B产品质量的检验。该产品主要用丁棉、麻、黏胶的染色,也可用于丝網的樂色。
结构式:
分子式,ChHμN,O,S, Cl, Na2
相对分子质量:615.34(按2001年国际相对原子质量)2规范性引用文件
下列文件中的条款通过本标准的引用而成为本标准的条款。凡是注日期的引用文件,其随后所有的修改单(不包括動误的内穿)惑修订版均不适用于本标准,然而,剪厕根据本标准达成协议的答方研究是否可使用这些文件的最新版本。凡是不注日期的引用文件,其最新版本适用于本标准。GB/T 2374—1994染料染色测定的—一般条件规定染料及染料中间体不溶物质含量的测定GB/T 2381--2006
GB/T 2386 -2006
染料及染料中间体水分的测定
GB/T 2387—2006
反应染料色光和强度的测定
GB/T 2390—2003
水性染料pH值的测定
GB/T 2391—2006
反应染料固色率的测定
GB/T 2392—2006
反应染料热稳庭性的测定
GB/T3671.1—1996水溶性染料溶解度和辫液稳定性的测定(idt1SO105-Z07:1995)GB/T3920—1997纺织品色牢度试验耐摩擦色牢度(e9vISC)105-X12:1993)GB/T8921.4-·1997纺织品色牢度试验耐洗色牢度:试验4(eqvISO[05-C04:1989)GB/T3922:-1995纺织品耐汗渍色率度试验方法(eqvISO105-E04:1994)GB/ 4841.1--2006染料染色标准深度色卡1/1GB/T6152—1997纺织品色牢度试验耐热压色牢度(eQVISO705-X11:1994)GB/T 66782003
化工产品来样总则
GB/T6693—1997染料粉尘飞扬的测定idtISO105-Z06t1996)GB/T8427—1998纺织品色牢度试验耐人造光色牢度:缸弧(e4vISO105-B02:1994)GB/T8433~-1998纺织品色牢度试验耐氟化水色牢度(游泳池水)(eqISO105-F031994)GB/T14576-1993纺织品耐光、汗复合色牢度试验方法GB19601染料产品中23种有害芳香胺的限量及测宽GB20814染料产品中10种重金属元素的限量及测定(5)
-TTKAONKAca-
HG/T 2664—2006
3要求
3.1外观:惠红色均勾粉末。
3.2反应艳红X-4B的质量应符合表1的规定。表1反应艳红X-4B的质量要求
1.强度(为标准品的)/分
2.色比(与标准品)
3.水不溶物(质量分数)/%
4.水分(质量分数)/%
5。弊解度(50 )/(X/L)
7.固包率(所量分数)/%
8.防尘性/级
9. 23 种有害芳吾胶的限量/(mg/kg)10.10)种重金械元素的限年/(mg/kg)11.热毯定性
色光(与原样)
强度(比原样下降)/分
反应艳红X-4B在棉织物上的色牢度应不低于2的规定。标
近拟激
符合GB19601标准要求
符合GB20814标准要求
近似徽
表 2 反应艳红 X-4B 在棉织物上的色牢度耐汁光
(微孤)
95 ℃
注:6%(owl)析当于1/1染色标推深度:4
4--54--5
耐峰擦
4~54~5
耐热压
(1h店)
耐氯化水有
效氯50mg/L
以批为单位恶样,生产」以一次拼混均句的产品为一批。每批采样捕数放符合GB/T6678一2003中7.6的规定。所乐样产品的包装必须完好,采样时勿使外界杂质落人产品中。用探管从桶上,中,下三部分采样,所采样品总量不得少于200店。将所来样品充分混勾后,分装于两个清洁、干燥、密封良好的容器中,其1粘贴标签。注明:产品名称、规格、批号、生产厂名称.采样月期采样地点。一个供检验,一个保存备查。
5试验方法
5.1外观的评定
采用日视评定。
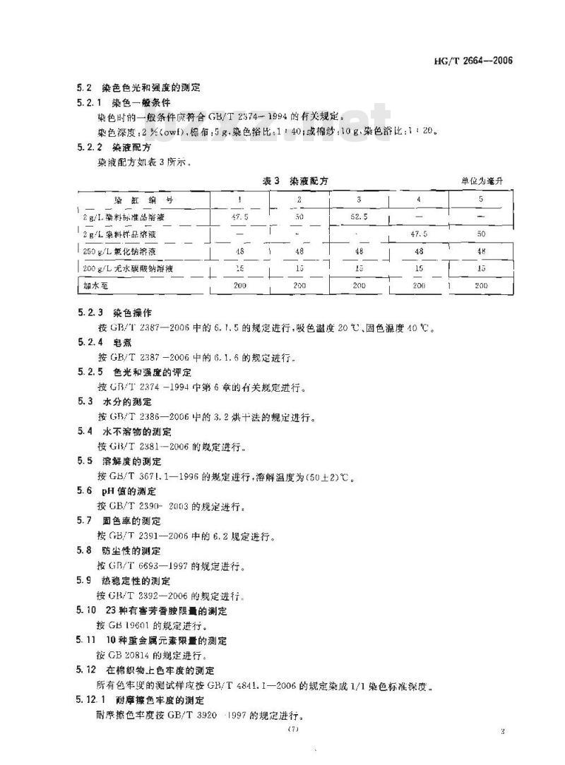
5.2染色色光和强度的测定
5. 2. 1 染色一般条件bzxZ.net
染色时的一般条件应符合GB/T2374--1994的有关规定:HG/T2664—2006
染色深度:2%<0wf),棕布:5B,染色浴比1:40;或棉纱:10g,染色浴比:1:20。5. 2. 2 染液配方
染液配方如表3所示
表3染液配方
梁虹编号
2 g/1. 染料标准品窖液
12B/L染料样品济液
1 250 g/L氯化钠溶液
200g/L无水磁酸钠溶液
加水至
5. 2. 3染色操作
按 GB/T 2387—2006 中的 6. 1. 5 的规定进行,吸色温度 20 ℃、固色温度 40 ℃。5.2.4皂煮
按GB/T2387-2006中的6.1.6的规定进行5.2.5色光和强魔的评定
按GB/T2374—1994中第6章的有关规定进行。5.3水分的测定
按(GB/T2386—2006中的3.2烘十法的规定进行。5.4水不溶物的测定
按G13/T2381—2006的规定进行.5.5溶解度的测定
按GB/T3671.1—1996的规定进行,溶解温度为(50土2)℃。5.6PH值的测定
按GB/T2390-2003的规定进行。
5.7固色率的测定
按GB/T2391—2006中的6.2规定进行。5. 8防尘性的测定
按GB/T6693—1997的规定进行。5.9热稳定性的测定
按G13/T3392—2006的规定进行
5.1023种有害芳香胺限量的测定按GB19601的规定进行。
5.1110种重金属元素限量的测定按CB2081的规定进行。
5.12在棉织物上色牢度的测定
所有色牢度的测试样应按GH/T4841.1—2006的规定染成1/1染色标准深度.5.12.1耐摩擦色牢度的测定
耐摩擦色率度按GB/T3920
1997的规定进行。
-TTKAONIKAca-
单位为升
HG/T2664—2006
5.12.2耐洗色牢度的测定
耐洗色牢度按GB/T3921.小1997的规定进行。5.12.3耐汗渍色牢度的测定
耐汗溃色牢度按GB/T3922—1995的规定进行。5.12.4耐热压色牢度的测定
耐热压色半度按(GB/T6152—1997的规定进行,200℃千压(4h后评定)。5.12.5耐光色牢度的测定
谢光色牢度按GB/T8427--1998的规定进行。5.12.6耐氧化水色牢度的测定
耐氯化水色牢度按G3/T8433—1998的规定进行。5. 12.7耐汗光色年度的测定
按GB/T14576—19937.2的规定进行。6检验规则
6.1检验分类
本标准中3.1和3.2中1-6项为出厂检验项月.3.2中7~11项和3.3为型式检验项目,在正常连续生产时每年至少检验一次。有下列情况之时要随时进行检验,a)新产品最初定型时。
b)产品异地生产时。
生产配方,工艺及原材料有较大改变时。c
停产三个月后义恢复生产付。
客户提出要求时。
6.2出厂检验
反应艳红X-4B应出生产广的质最检验部门进行检验,生产厂应保证所有出广的反应艳红X-4B都符合本标准的要求。
6.3复检
如果检验结果中有一项指标不符合本标准的要求时,应重新自两倍量的包装中取样进行检验,重新检验的结果,即使只有-项指标不符合本标谁要求,则整批产品不能验收。7标志、标签、包装、运输、贮存7.1标志、标签
反成艳红X-马的每个包装桶上都应亲上牢固、清晰的棕志,注明:产品名称,规格、注册商标净含查、生产厂名称、厂址、标准编号、批号、生产H期。也可将批号、生产口期打印在标签上,并和产品质量检验合格的证明一起放人包装桶内的塑料袋外面。7.2包装
反应艳红 X 4B装于内树塑料袋的包装桶内,并加密封和封印,每桶净含量 25 kg.其他包装可与用户协商确定。
7.3运输
运输时应防止倒置,小心轻放,避免碰撞,切勿损坏包装,7.4贮存
反虚艳红X-4B虚忙存于期凉,干燥通风处,断止受潮受热。贮存期一年,4
小提示:此标准内容仅展示完整标准里的部分截取内容,若需要完整标准请到上方自行免费下载完整标准文档。