首页 > 其他行业标准 > YS/T 934-2013氧化物弥散强化铂和铂铑板、片材
YS/T 934-2013

基本信息

标准号: YS/T 934-2013

中文名称:氧化物弥散强化铂和铂铑板、片材

标准类别:其他行业标准

英文名称:Plates or sheets of oxides dispersion strengthened platinum and platinum-rhodium

标准状态:现行

发布日期:2013-10-17

实施日期:2014-03-01

出版语种:简体中文

下载格式:.pdf .zip

相关标签: 氧化物 强化

标准分类号

标准ICS号:冶金>>有色金属产品>>77.150.99其他有色金属产品

中标分类号:冶金>>有色金属及其合金产品>>H68贵金属及其合金

关联标准

出版信息

出版社:中国标准出版社

页数:12页

标准价格:16.0

出版日期:2014-03-01

相关单位信息

起草人:陈松、张昆华、管伟明、熊易芬、朱武勋

起草单位:贵研铂业股份有限公司

归口单位:全国有色金属标准化技术委员会(SAC/TC 243)

发布部门:中华人民共和国工业和信息化部

主管部门:全国有色金属标准化技术委员会(SAC/TC 243)

标准简介

本标准规定了氧化物弥散强化铂和铂铑的板、片材的技术要求、试验方法、检验规则和标志、包装、运输、贮存、质量证明书、使用说明与合同(或订货单)内容。 本标准适用于玻璃纤维制造用漏板的氧化物弥散强化铂和铂铑的板材和片材。
本标准按照GB/T1.1—2009给出的规则起草。
本标准由全国有色金属标准化技术委员会(SAC/TC243)归口。
本标准起草单位:贵研铂业股份有限公司。
本标准主要起草人:陈松、张昆华、管伟明、熊易芬、朱武勋。
下列文件对于本文件的应用是必不可少的。凡是注日期的引用文件,仅注日期的版本适用于本文件。凡是不注日期的引用文件,其最新版本(包括所有的修改单)适用于本文件。
GB/T15072(所有部分) 贵金属合金化学分析方法
GB/T15077 贵金属及其合金材料几何尺寸测量方法
GJB950A(所有部分) 贵金属及其合金微量元素分析方法
YS/T361 纯铂中杂质元素的发射光谱分析
YS/T561 贵金属合金化学分析方法 铂铑合金中铑量的测定 硝酸六氨合钴重量法

标准图片预览

YS/T 934-2013氧化物弥散强化铂和铂铑板、片材
YS/T 934-2013氧化物弥散强化铂和铂铑板、片材
YS/T 934-2013氧化物弥散强化铂和铂铑板、片材
YS/T 934-2013氧化物弥散强化铂和铂铑板、片材
YS/T 934-2013氧化物弥散强化铂和铂铑板、片材

标准内容

ICS77.150.99
中华人民共和国有色金属行业标准YS/T934-2013
氧化物弥散强化铂和铂板、片材Plates or sheets of oxides dispersion strengthened platinum and platinum-rhodium2013-10-17发布
中华人民共和国工业和信息化部2014-03-01实施
本标准按照GB/T1.1一2009给出的规则起草。言
本标准由全国有色金属标准化技术委员会(SAC/TC243)归口。本标准起草单位:贵研铂业股份有限公司。本标准主要起草人:陈松、张昆华、管伟明、熊易芬、朱武勋YS/T934—2013
1范围
氧化物弥散强化铂和铂佬板、片材YS/T934—2013
本标准规定了氧化物弥散强化铂和铂佬的板、片材的技术要求、试验方法、检验规则和标志、包装、运输、贮存、质量证明书、使用说明与合同(或订货单)内容。本标准适用于玻璃纤维制造用漏板的氧化物弥散强化铂和铂的板材和片材。2规范性引用文件
下列文件对于本文件的应用是必不可少的。凡是注日期的引用文件,仅注日期的版本适用于本文件。凡是不注日期的引用文件,其最新版本(包括所有的修改单)适用于本文件。GB/T15072(所有部分)贵金属合金化学分析方法GB/T15077贵金属及其合金材料几何尺寸测量方法GJB950A(所有部分)贵金属及其合金微量元素分析方法YS/T361
纯铂中杂质元素的发射光谱分析YS/T561
3术语和定义
贵金属合金化学分析方法铂合金中佬量的测定下列术语和定义适用于本文件。3.1
硝酸六氨合钴重量法
氧化物弥散强化铂和铂
oxidesdispersionstrengthenedplatinumandplatinum-rhodium以细小的、弥散分布的、氧化物颗粒强化的铂(Pt)或铂(PtRh)合金,该材料是一种颗粒增强贵金属基复合材料,其中的氧化物主要是由锆(Zr)、钇(Y)、铺(Ce)、(Sc)中的至少一种金属的氧化物构成,且总含量(质量分数)在0.08%~0.3%之间。4要求
4.1化学成分
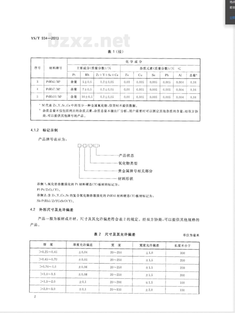
产品牌号及化学成分
产品牌号及化学成分应符合表1的规定。表1牌号及化学成分
化学成分
材料牌号
PtRh3/M*
主要成分(质量分数)/%
Zr+Y+Se+Ce
0.2±0.05
0.2±0.05
杂质元素(质量分数)/%
YS/T934—2013
材料牌号
PtRh5/M
PtRh7/M
PtRh10/M免费标准下载网bzxz
表1(续)
主要成分(质量分数)/%
Zr+Y+Sc+Ce
0.2±0.05
0.2±0.05
0.2±0.05
化学成分
杂质元素(质量分数)/%
·M代表Zr、Y、Sc、Ce中的至少一种金属氧化物,供货时不提供数据。Sn
杂质总量不仅包括列出的杂质元素,杂质总量不做出厂分析,用户需要时可以测定其他杂质的含量,经双方协商,可以提供其他牌号的产品。4.1.2
标记示例
产品牌号表示为:
-0/00)
-产品状态
氧化物类型
贵金属牌号相关部分
材料形状
示例1:氧化锆弥散强化的Pt材料硬态(Y)板材的标记为:PI-Pt/ZrO,(Y)。
示例2:含Zr、Y、Ce、Sc的复合氧化物弥散强化的PtRh5材料硬态(Y)板材标记为:Sh-PtRhs/ZrYCeSco(Y).
外形尺寸及允许偏差
产品一般为板材或片材。尺寸及其允许偏差符合表2的规定。经双方协商,可以提供其他规格的产品。
>0.25~0.45
>0.45~0.70
>0.70~1.0
厚度允许偏差
尺寸及其允许偏差
20~250
20~250
20~250
20~250
20~200
宽度允许偏差
单位为毫米
长度不小于
产品状态
厚度允许偏差
表2(续)
20~150
20~110
宽度允许偏差
产品状态可以分为硬态(Y)、软态(M)。若供货合同中未注明则以硬态(Y)供货。外观质量
YS/T9342013
单位为毫米
长度不小于
表面应光洁、平整,不应有裂纹、起皮等缺陷;允许有不大于尺寸偏差的表面划伤、凹坑、斑点、辊印,允许有轻微的油迹以及个别的气孔和杂质存在。板材的边部应整齐,无毛刺、裂边和卷边。5试验方法
化学成分的测定,Rh含量按YS/T561的规定进行。Zr含量分析参照GB/T15072的规定进行,5.11
Y、Ce、Sc的含量分析参照GJB950A的规定进行。杂质元素含量的测量参照YS/T361的规定进行。5.2产品的尺寸测量按GB/T15077的规定进行。5.3氧化物弥散强化铂和铂的板材表面质量用肉眼进行外观检查,如发现异常现象,则用5倍放大镜鉴别。
6检验规则
检查和验收
6.1.1产品由供方质量检验部门进行检验,保证产品质量符合本标准及合同(或订货单)的规定,并填写质量证明书。
6.1.2需方应对收到的产品按本标准的规定进行检验。检验结果与本标准及合同(或订货单)的规定不符时,应在收到产品之日起一个月内向供方提出,由供需双方协商解决。6.2组批
产品应成批提交检验,每批应由同一牌号、同一炉次、同一状态的产品组成。6.3
检验项目
检验项目、取样位置及数量应符合表3的规定。表3
检验项目
化学成分
尺寸偏差
外观质量
取样位置
任意部分
任意部分
任意部分
检验项目、取样位置及数量
取样数量
每锭一个
逐张检验
逐张检验
要求的章条号
检验的章条号
YS/T9342013
检验结果的判定
化学成分检验不合格时,判该批产品不合格、6.4.1
外观质量、外形尺寸检验结果不合格时,判该件产品不合格。7标志、包装、运输、贮存、质量证明书及使用说明7.1标志
在检验合格的产品上应贴上标签,标签上注明:a)
产品名称;
产品编号、批号、状态;
净重;
生产日期。
包装、运输和贮存
产品包装时,应将产品采用软物隔开,并在外面妥善包扎,装入箱中。运输过程中应避免污染,防止碰伤、擦伤等机械损伤。产品应密封存放于清洁、干燥、无腐蚀性气氛的场所。质量证明书
每批产品应附有质量证明书,注明:a)
供方名称、地址、电话、传真;产品名称;
产品牌号;
产品批号;
产品净重;
各项检验结果和检验部门印记;本标准编号;
出厂日期。
使用说明
产品不宜在高温非氧化气氛或真空中长期使用,且使用中不能与其他金属直接接触,否则容易导致材料发生合金化而失效。
合同(或订货单)内容
本标准所列产品的订货单(或合同)内应包括下列内容:a)
产品名称;
产品牌号;
产品重量;
包装规格;
交货日期;
YS/T934-2013
中华人民共和国有色金属
行业标准
氧化物弥散强化铂和铂板、片材YS/T9342013
中国标准出版社出版发行
北京市朝阳区和平里西街甲2号(100013)北京市西城区三里河北街16号(100045)网址www.spc.net.cn
总编室:(010)64275323发行中心:(010)51780235读者服务部:(010)68523946
中国标准出版社秦皇岛印刷厂印刷各地新华书店经销
开本880×1230
2014年2月第一版
印张0.75
字数12千字
2014年2月第一次印刷
书号:155066·2-26599
如有印装差错
由本社发行中心调换
版权专有侵权必究
举报电话:(010)68510107
小提示:此标准内容仅展示完整标准里的部分截取内容,若需要完整标准请到上方自行免费下载完整标准文档。