首页 > 其他行业标准 > YS/T 944-2013银二氧化锡/铜及铜合金复合板材
YS/T 944-2013

基本信息

标准号: YS/T 944-2013

中文名称:银二氧化锡/铜及铜合金复合板材

标准类别:其他行业标准

英文名称:Composite material of AgSnO2/Copper and its alloy

标准状态:现行

发布日期:2013-10-17

实施日期:2014-03-01

出版语种:简体中文

下载格式:.pdf .zip

相关标签: 二氧化锡 铜合金 复合 板材

标准分类号

标准ICS号:冶金>>有色金属产品>>77.150.99其他有色金属产品

中标分类号:冶金>>有色金属及其合金产品>>H68贵金属及其合金

关联标准

出版信息

出版社:中国标准出版社

页数:12页

标准价格:16.0

出版日期:2014-03-01

相关单位信息

起草人:谢明、杨有才、朱武勋、李汝明、段云喜、陈永泰、崔浩、刘满门、张吉明、王塞北

起草单位:昆明贵金属研究所、贵研铂业股份有限公司

归口单位:全国有色金属标准化技术委员会(SAC/TC 243)

发布部门:中华人民共和国工业和信息化部

主管部门:全国有色金属标准化技术委员会(SAC/TC 243)

标准简介

本标准规定了银二氧化锡/铜及铜合金复合板材产品的要求、检验方法、验收规则与标志、包装、运输、贮存及质量证明书与合同(或订货单)内容。 本标准适用于电力系统高压开关断路器、各种交直流接触器、断路器、继电器、转换开关等用的银二氧化锡/铜及铜合金复合板材。
本标准按照GB/T1.1—2009给出的规则起草。
本标准由全国有色金属标准化技术委员会(SAC/TC243)归口。
本标准起草单位:昆明贵金属研究所、贵研铂业股份有限公司。
本标准起草人:谢明、杨有才、朱武勋、李汝明、段云喜、陈永泰、崔浩、刘满门、张吉明、王塞北。
下列文件对于本文件的应用是必不可少的。凡是注日期的引用文件,仅注日期的版本适用于本文件。凡是不注日期的引用文件,其最新版本(包括所有的修改单)适用于本文件。
GB/T228.1 金属材料 拉伸试验 第1部分:室温试验方法
GB/T231.1 金属材料 布式硬度试验 第1部分:试验方法
GB/T3048.2 电线电缆电性能试验方法 第2部分:金属材料电阻率试验
GB/T5231 加工铜及铜合金牌号和化学成分
GB/T7124 胶粘剂 拉伸剪切强度测定(刚性材料对刚性材料)
GB/T15072(所有部分) 贵金属合金化学分析方法
GB/T15077 贵金属及其合金材料几何尺寸测量方法
GB/T15159—2008 贵金属及其合金复合带材
JB/T9552(所有部分) 铜铬锆合金化学分析方法
YS/T370 贵金属及其合金的金相试样制备方法

标准图片预览

YS/T 944-2013银二氧化锡/铜及铜合金复合板材
YS/T 944-2013银二氧化锡/铜及铜合金复合板材
YS/T 944-2013银二氧化锡/铜及铜合金复合板材
YS/T 944-2013银二氧化锡/铜及铜合金复合板材
YS/T 944-2013银二氧化锡/铜及铜合金复合板材

标准内容

ICS 77.150.99
中华人民共和国有色金属行业标准YS/T944--2013
银二氧化锡/铜及铜合金复合板材Composite material of AgSnO2/ Copper and its alloy2013-10-17发布
数码防伪
中华人民共和国工业和信息化部2014-03-01实施
本标准按照GB/T1.12009给出的规则起草。本标准由全国有色金属标准化技术委员会(SAC/TC243)归口。本标准起草单位:昆明贵金属研究所、贵研铂业股份有限公司。YS/T944—2013
本标准起草人:谢明、杨有才、朱武勋、李汝明、段云喜、陈永泰、崔浩、刘满门、张吉明、王塞北。工
1范围
银二氧化锡/铜及铜合金复合板材YS/T944—2013
本标准规定了银二氧化锡/铜及铜合金复合板材产品的要求、检验方法、验收规则与标志、包装、运输、贮存及质量证明书与合同(或订货单)内容。本标准适用于电力系统高压开关断路器、各种交直流接触器、断路器、继电器、转换开关等用的银二氧化锡/铜及铜合金复合板材。
2规范性引用文件
下列文件对于本文件的应用是必不可少的。凡是注日期的引用文件,仅注日期的版本适用于本文件。凡是不注日期的引用文件,其最新版本(包括所有的修改单)适用于本文件。GB/T228.1金属材料拉伸试验第1部分:室温试验方法GB/T231.1金属材料布式硬度试验第1部分:试验方法GB/T3048.2电线电缆电性能试验方法第2部分:金属材料电阻率试验GB/T5231加工铜及铜合金牌号和化学成分GB/T7124胶粘剂拉伸剪切强度测定(刚性材料对刚性材料)GB/T15072(所有部分)贵金属合金化学分析方法GB/T15077贵金属及其合金材料几何尺寸测量方法GB/T15159—2008贵金属及其合金复合带材JB/T9552(所有部分)铜铬锆合金化学分析方法YS/T370贵金属及其合金的金相试样制备方法3要求
3.1产品牌号、复合形式及供应状态产品牌号、复合形式及供应状态应符合表1的规定。表1牌号、复合形式及供应状态
Ag90SnOz/Cu98.7CrZr
Ag88SnO2/Cu98.7CrZr
Ag90SnO2/TU1
Ag88SnO2/TU1
注:M为软态,Y为硬态。
3.2复合形式
复合形式
局部复合、面复合
局部复合、面复合
局部复合、面复合
局部复合、面复合
供应状态
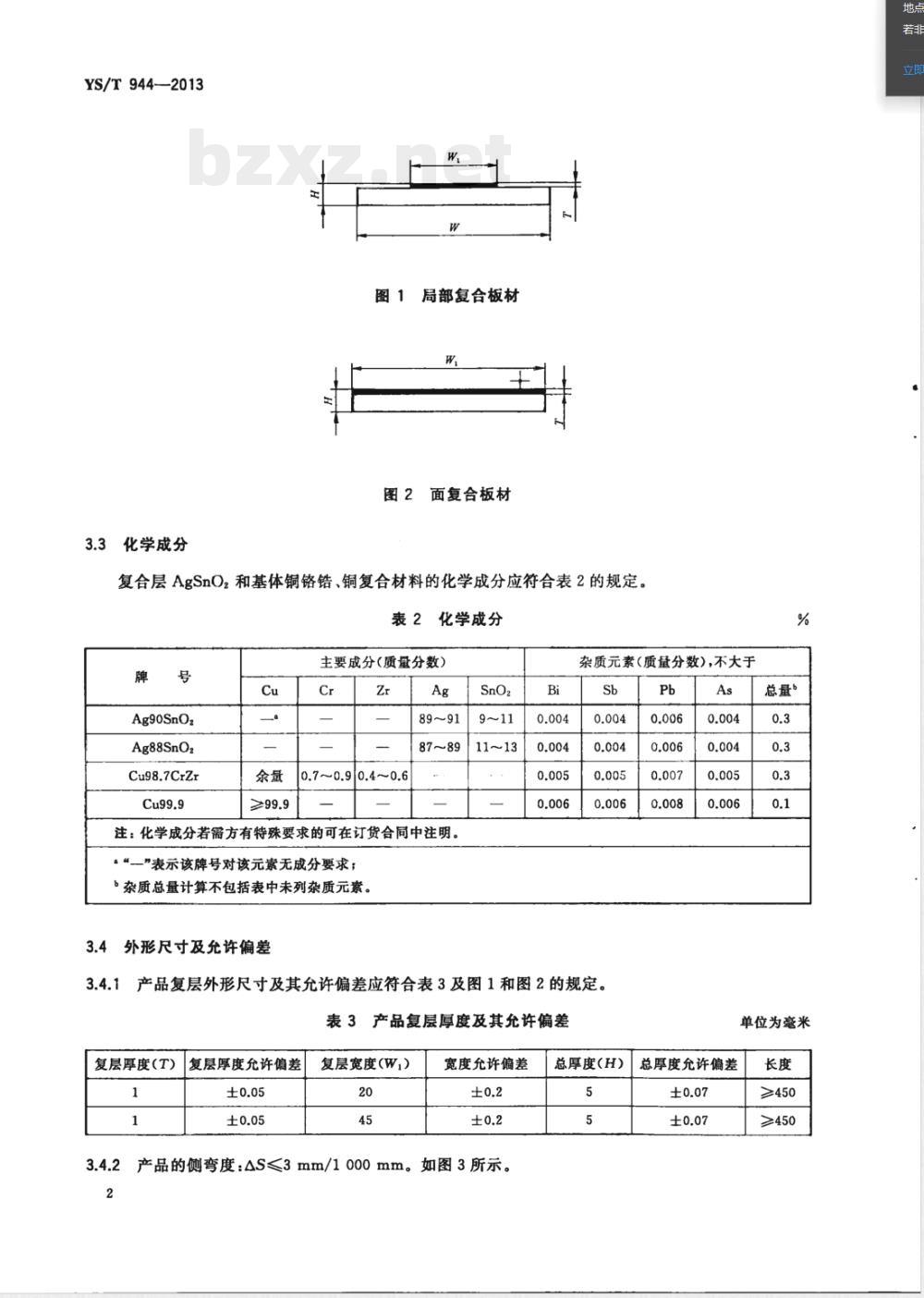
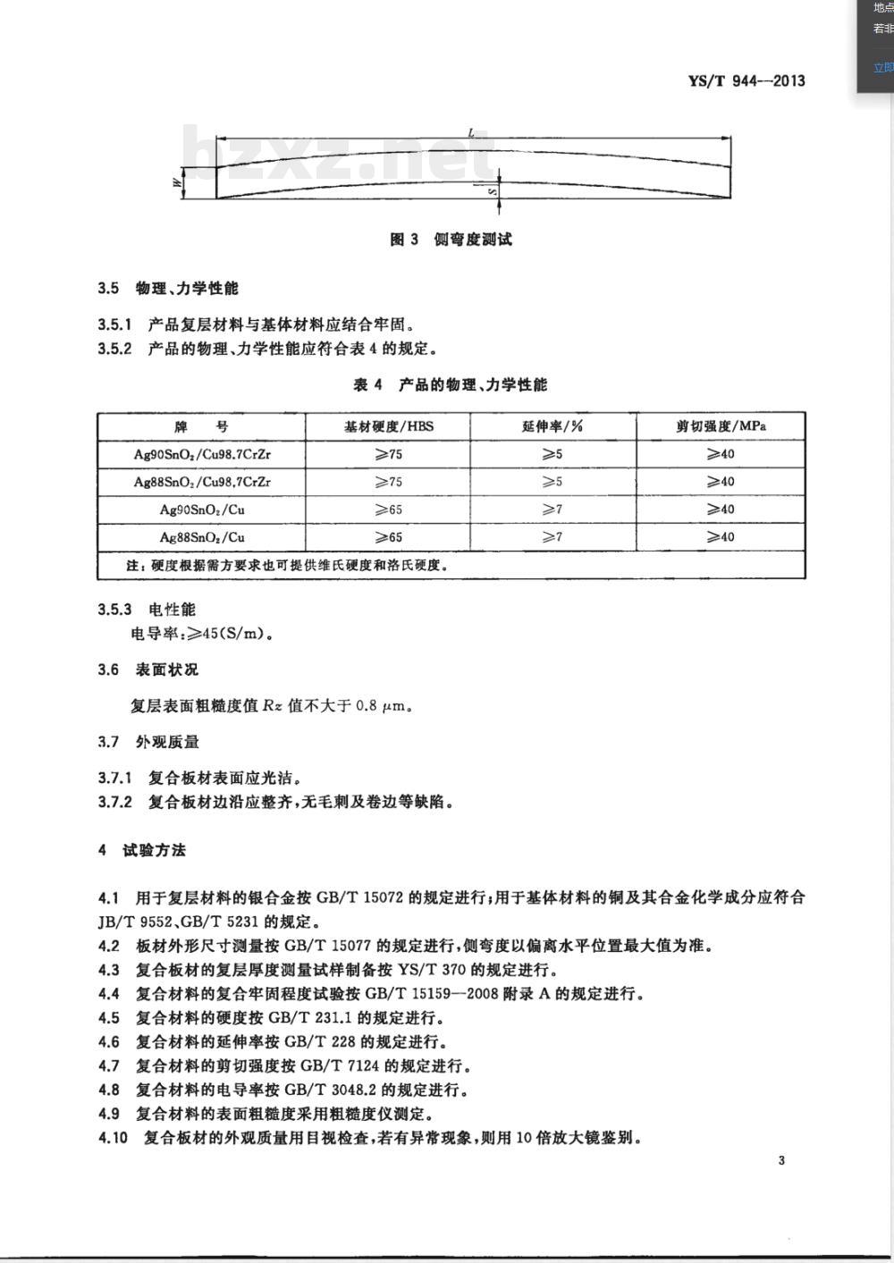
复合横截面按结合方式分为局部复合板材、面复合板材,分别如图1、图2所示。1
YS/T944--2013
3.3化学成分
局部复合板材
图2面复合板材
复合层AgSnO2和基体铜铬锆、铜复合材料的化学成分应符合表2的规定。表2化学成分
Ag90SnO2
Ag88SnO2
Cu98.7CrZr
主要成分(质量分数)
0.7~0.90.4~0.6
注:化学成分若需方有特殊要求的可在订货合同中注明。“-”表示该牌号对该元素无成分要求;杂质总量计算不包括表中未列杂质元素。3.4
外形尺寸及允许偏差
111~13
杂质元素(质量分数),不大于Sb
产品复层外形尺寸及其允许偏差应符合表3及图1和图2的规定。3.4.1
表3产品复层厚度及其充许偏差
复层厚度(T)复层厚度允许偏差1
复层宽度(W,)
宽度允许偏差
3.4.2产品的侧弯度:AS≤3mm/1000mm。如图3所示。2www.bzxz.net
总厚度(H)
总量?
单位为毫米
总厚度允许偏差
≥450
≥450
3.5物理、力学性能
图3侧弯度测试
3.5.1产品复层材料与基体材料应结合牢固。3.5.2产品的物理、力学性能应符合表4的规定。表4产品的物理、力学性能
Ag90SnO2/Cu98.7CrZr
Ag88SnO./Cu98.7CrZr
Ag90SnOz/Cu
Ag88SnOz/Cu
基材硬度/HBS
注:硬度根据需方要求也可提供维氏硬度和洛氏硬度。3.5.3电性能
电导率:≥45(S/m)。
3.6表面状况
复层表面粗糙度值Rz值不大于0.8μm。3.7外观质量
复合板材表面应光洁。
3.7.2复合板材边沿应整齐,无毛刺及卷边等缺陷。4试验方法
延伸率/%
YS/T 944--2013
剪切强度/MPa
4.1用于复层材料的银合金按GB/T15072的规定进行;用于基体材料的铜及其合金化学成分应符合JB/T9552、GB/T5231的规定。
板材外形尺寸测量按GB/T15077的规定进行,侧弯度以偏离水平位置最大值为准。复合板材的复层厚度测量试样制备按YS/T370的规定进行。复合材料的复合牢固程度试验按GB/T15159—2008附录A的规定进行。复合材料的硬度按GB/T231.1的规定进行。复合材料的延伸率按GB/T228的规定进行。复合材料的剪切强度按GB/T7124的规定进行。复合材料的电导率按GB/T3048.2的规定进行。复合材料的表面粗糙度采用粗糙度仪测定。4.10
复合板材的外观质量用目视检查,若有异常现象,则用10倍放大镜鉴别。3
YS/T944--2013
5检验规则
5.1检验和验收
5.1.1每批产品应由供方检验部门进行检验,保证产品质量符合本标准(或订货合同)的规定,并填写产品质量证明书。
5.1.2需方应对收到的产品按本标准的规定进行检验,如检验结果与本标准(或订货合同)的规定不符时,应在收到产品之日起一个月内向供方提出,由供需双方协商解决。如需仲裁,由供需双方在需方收到的产品中共同取样,并在双方认可的单位进行。5.2组批
产品应成批提交验收。每批应由同一合金牌号、同一复层烧结炉号、状态和规格的产品组成。5.3检验项目、取样位置及数量
检验项目、取样位置及数量应符合表5的规定。表5检验项目、取样位置及数量
检验项目
化学成分
外形尺寸
复层厚度
复合牢固度
基材硬度、延伸率、
剪切强度
电导率
表面粗糙度
外观质量
5.4检验结果的判定
取样位置
任意位置
任意部位
头或尾
头或尾
头或尾
头或尾
头或尾
任意部位
取样数量
每批一个
逐片检验
每批一个
每批一个
每批一个
每批一个
每批一个
逐片检验
5.4.1复层化学成分不合格时,判该批产品不合格。5.4.2外形尺寸偏差和外观质量不合格时,判该件产品不合格。要求的章条号
检验的章条号
4.5~4.7
5.4.3复合牢固度、基材硬度、电导率、延伸率、剪切强度、表面粗糙度等不合格时,取双倍试样进行复验,若复验结果仍有试样不合格,则判该批产品不合格。6标志、包装、运输、贮存及质量证明书6.1标志
在已检验合格的每包产品上应附有如下标记:a)产品名称;
b)复合材料牌号;
c)交货状态;
d)批号(炉号);
e)规格;
f)重量;
g)包装日期。
包装、运输和贮存
6.2.1包装
6.2.1.1内包装
YS/T944--2013
面复产品和带复合材料产品应成单片包装,用软质塑料包裹并真空封装,包裹捆扎牢固,每箱产品重量不超过30kg。
6.2.1.2外包装
复合材料产品采用充填物料防震,木箱外包装。6.2.2产品运输过程中应防止碰伤、擦伤和沾污6.2.3产品应保存于干燥、无腐蚀气氛的场所。6.3
质量证明书
每批产品应附有质量证明书,并注明:a)
供方名称、地址、电话、传真;b)产品名称;
c)材料牌号
交货状态;
批号(炉号);
规格;
g)净重;
各项分析检验结果和技术监督部门印记;h)
本标准编号;
出厂日期。
订货单(或合同)内容
本标准所列复合材料产品的订货单(或合同)内应包括下列内容:产品名称;
b)材料牌号;
交货状态;
d)规格;
e)数量;
本标准编号;
g)其他。
YS/T944-2013
打印日期:2014年5月19日
日F002A
中华人民共和国有色金属
行业标准
银二氧化锡/铜及铜合金复合板材YS/T944—2013
中国标推出版社出版发行
北京市朝阳区和平里西街甲2号(100029)北京市西城区三里河北街16号(100045)网址www.spc.net.cn
总编室:(010)64275323
发行中心:(010)51780235
读者服务部:(010)68523946
中国标准出版社泰皇岛印刷厂印刷各地新华书店经销
开本880×12301/16
印张0.75字数12千字
2014年5月第一版2014年5月第一次印刷*
书号:155066·2-26912定价
告由本社发行中心调换
如有印装差错
版权专有侵权必究
举报电话:(010)68510107
小提示:此标准内容仅展示完整标准里的部分截取内容,若需要完整标准请到上方自行免费下载完整标准文档。