首页 > 其他行业标准 > YS/T 954-2014金砷蒸发料
YS/T 954-2014

基本信息

标准号: YS/T 954-2014

中文名称:金砷蒸发料

标准类别:其他行业标准

英文名称:Gold-arsenic alloy for evaporating

标准状态:现行

发布日期:2014-10-14

实施日期:2015-04-01

出版语种:简体中文

下载格式:.pdf .zip

相关标签: 金砷 蒸发

标准分类号

标准ICS号:冶金>>有色金属>>77.120.99其他有色金属及其合金

中标分类号:冶金>>有色金属及其合金产品>>H68贵金属及其合金

关联标准

出版信息

出版社:中国标准出版社

页数:12页

标准价格:16.0

出版日期:2015-04-01

相关单位信息

起草人:陈彪、向磊、杜连民、张蕴、向翠华、闫茹、赵月国、禹洁丽、杨志新、周晓光

起草单位:北京达博有色金属焊料有限责任公司、有色金属技术经济研究院

归口单位:全国有色金属标准化技术委员会(SAC/TC243)

发布部门:中华人民共和国工业和信息化部

标准简介

本标准规定了金砷蒸发料的要求、试验方法、检验规则和标志、包装、运输、贮存及质量证明书与合同(或订货单)等内容。 本标准主要适用于半导体芯片制造背金时用的金砷蒸发料。
本标准按照 GB/T1.1—2009给出的规则起草。
本标准由全国有色金属标准化技术委员会(SAC/TC243)负责归口。
本标准起草单位:北京达博有色金属焊料有限责任公司、有色金属技术经济研究院。
本标准主要起草人:陈彪、向磊、杜连民、张蕴、向翠华、闫茹、赵月国、禹洁丽、杨志新、周晓光。
下列文件对于本文件的应用是必不可少的。凡是注日期的引用文件,仅注日期的版本适用于本文件。凡是不注日期的引用文件,其最新版本(包括所有的修改单)适用于本文件。
GB/T11066.1 金化学分析方法 金量的测定 火试金法
GB/T15077 贵金属及其合金材料几何尺寸测量方法
GB/T25934.1 高纯金化学分析方法 第1部分:乙酸乙酯萃取分离-ICP-AES法测定杂质元素的含量

标准图片预览

YS/T 954-2014金砷蒸发料
YS/T 954-2014金砷蒸发料
YS/T 954-2014金砷蒸发料
YS/T 954-2014金砷蒸发料
YS/T 954-2014金砷蒸发料

标准内容

ICS77.120.99
中华人民共和国有色金属行业标准YS/T954-—2014
金砷蒸发料
Gold-arsenicalloyforevaporating2014-10-14发布
中华人民共和国工业和信息化部发布
2015-04-01实施
本标准按照GB/T1.1一2009给出的规则起草。本标准由全国有色金属标准化技术委员会(SAC/TC243)负责归口。YS/T954—2014
本标准起草单位:北京达博有色金属焊料有限责任公司、有色金属技术经济研究院。本标准主要起草人:陈彪、向磊、杜连民、张蕴、向翠华、闫茹、赵月国、禹洁丽、杨志新、周晓光。地点
1范围
金砷蒸发料
YS/T954—2014
本标准规定了金砷蒸发料的要求、试验方法、检验规则和标志、包装、运输、贮存及质量证明书与合同(或订货单)等内容。
本标准主要适用于半导体芯片制造背金时用的金砷蒸发料。规范性引用文件
下列文件对于本文件的应用是必不可少的。凡是注日期的引用文件,仅注日期的版本适用于本文件。凡是不注日期的引用文件,其最新版本(包括所有的修改单)适用于本文件。GB/T11066.1金化学分析方法金量的测定火试金法GB/T15077贵金属及其合金材料几何尺寸测量方法GB/T25934.1高纯金化学分析方法第1部分:乙酸乙酯萃取分离-ICP-AES法测定杂质元素的含量
3.1产品分类
产品按化学成分分为Z-Au99.80As和Z-Au99.50As两种牌号。产品主要以柱状和线盘状为主,产品形状及供货状态见表1。表1
线盘状
产品形状
直径为0.5mm~8mm、长度为2mm~100mm的线材直径为0.5mm2mm、质量在100g500g的线材盘成线盘状为主,线盘外径为100mm~300mm
产品标记示例
柱状产品标记:
Z-Au99.80As,xmm
供货状态
示例:直径为2mm、长度为3mm、成分为99.80%的柱状金砷蒸发料标记为:Z-Au99.80As,$2×3mm。地点
YS/T954—2014
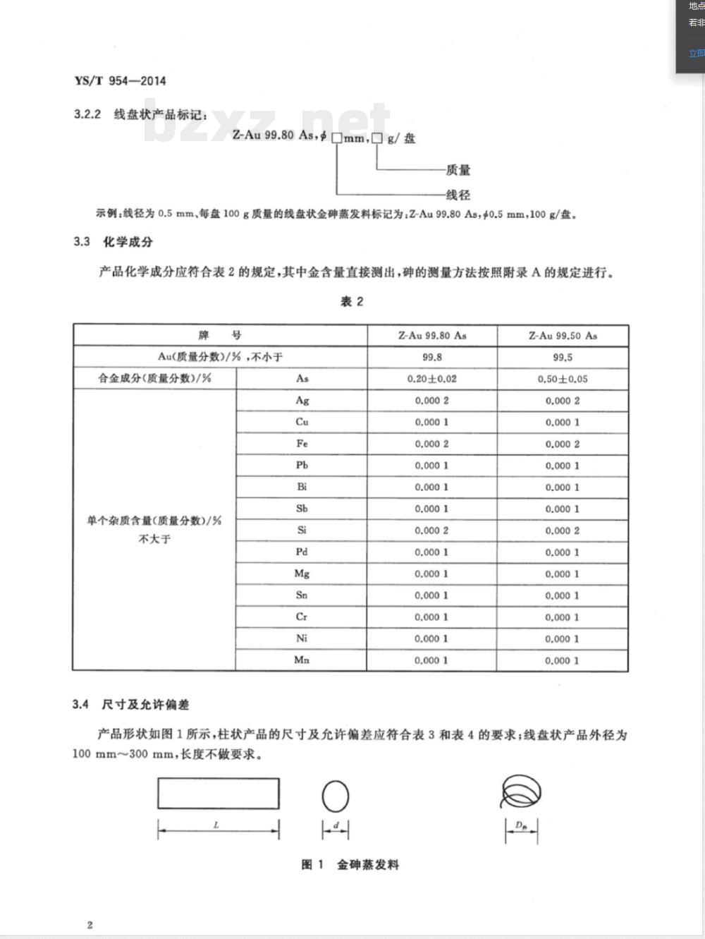
线盘状产品标记:
Z-Au99.80As,$mm,g/盘
示例:线径为0.5mm、每盘100g质量的线盘状金砷蒸发料标记为:Z-Au99.80As,g0.5mm,100g/盘。3.3
化学成分
产品化学成分应符合表2的规定,其中金含量直接测出,砷的测量方法按照附录A的规定进行。表2
Au(质量分数)/%,不小于
合金成分(质量分数)/%
单个杂质含量(质量分数)/%
不大于
3.4尺寸及允许偏差
Z-Au99.80As
0.20±0.02
Z-Au99.50As
0.50±0.05
产品形状如图1所示,柱状产品的尺寸及允许偏差应符合表3和表4的要求;线盘状产品外径为100mm300mm,长度不做要求。
金砷蒸发料
3.5外观质量
直径d
长度L
产品表面应清洁,不应有裂纹、分层、凸起、毛刺等缺陷。产品表面允许有不超出直径允许偏差的凹坑和划痕等缺陷。产品的端部允许有轻微的铸、冲、剪等痕迹。试验方法
允许偏差
允许偏差
YS/T954—2014
单位为毫米
单位为毫米
4.1产品的砷化学成分仲裁分析方法按附录A的规定进行,金含量按GB/T11066.1的规定进行,单个杂质元素含量按GB/T25934.1的规定进行。4.2产品尺寸测量按GB/T15077的规定进行。外观质量检验采用目视进行,必要时可采用5~10倍放大镜或10~25倍双目显微镜检查。4.3
检验规则
检查与验收
产品由供方进行检验,保证产品质量符合本标准规定并填写质量证明书。需方可对收到的产品按本标准规定进行检验,如检验结果与本标准(或订货合同,或技术协议)规定不符合时,应在收到产品之日起30天内向供方提出,由供需双方协商解决。如需仲裁,可委托双方认可的单位进行检验,仲裁取样在需方由双方共同进行。5.2
产品应成批提交验收,每批产品应为同一牌号、同一炉号、同一状态、同一线材直径的产品组成。检验项目
每批产品应进行化学成分、尺寸、外观质量检验。地点
YS/T954—2014
5.4取样
检验项目、取样位置及数量应符合表5的规定。表5
检验项目
化学成分
外观质量
取样规定
按批在每个铸锭的任意部位或半成品时任取一个试样柱状产品按数量的1%进行取样,但不得少于3个;线盘状产品分盘前任意取3个部位进行直径测量,每部位测两次直径,两次互为90°
逐件检验
检验结果的判定
5.5.1化学成分不合格时,则判该批产品为不合格。要求的章条号
检验的章条号
5.5.2尺寸不合格,重新取双倍样进行重复试验,若仍有不合格,则判该批产品不合格。但允许对余下的产品进行逐件检验,合格者重新组批交货。5.5.3表面质量不合格,判该件产品不合格。6
标志、包装、运输、贮存
标志、包装
每件产品应附有标签,其上注明:a)
供方名称;
产品名称及牌号;
规格尺寸;
批号;
净重;
生产日期。
将检验的合格产品按要求分件包装。产品内包装采用真空或容器密封,内外包装间装防震的填充物。运输、贮存
运输中应防止包装箱挤压变形、碰伤、雨淋、受潮及恶劣环境。6.2.2
产品应在清洁、干燥、无腐蚀性环境中贮存。6.3质量证明书
每批产品应附有质量证明书,其上注明:供方名称;
需方名称;
产品名称,产品牌号;
采购技术文件编号或本标准编号;d)
批号、规格尺寸、净重、件数;各项分析检验结果、检验人员及检验部门印记;出厂日期。
合同(或订货单)内容
本标准所列材料的订货单(或合同)应包括下列内容:a)
供方名称;
需方名称;
产品名称;
产品牌号;
规格尺寸;
数量或净重;
本标准编号;
供货时间;
其他标准之外技术协议、采购规范编号、供货要求等。YS/T954—2014
YS/T954—2014
A.1范围
附录A
(规范性附录)
金砷蒸发料中砷含量的测定方法本附录规定了金碑蒸发料中碑含量的测定方法。包括方法提要、使用试剂、分析仪器、分析步骤以及分析结果的计算。
本附录适用于金砷蒸发料中砷的测定,含量的测定范围为0.18%~0.22%和0.45%~0.55%。A.2
2方法提要
试料用王水溶解,采用标准曲线的方法,用电感耦合等离子体光谱仪测定As元素的谱线强度,并计算As元素的含量。
A.3试剂
除非另有说明,在分析中仅使用确认为优级纯(或MOS)的试剂;所用水为去离子水,电导率不低于17MQ/cm。
A3.1盐酸:优级纯(或MOS)。
A.3.2硝酸:优级纯(或MOS)。
A.3.3混合酸:以1份硝酸与3份盐酸混合。A.3.4标准贮存溶液:As的单元素标准溶液采用国家有证标准物质(或标准样品),标准溶液1mL分别含1000μgAs元素。
A.3.5标准溶液A:移取标准贮存溶液(A.3.4)各5mL100mL容量瓶中,加人10mL盐酸稀释至刻度,混匀。此溶液1mL含50μgAs。仪器
电感耦合等离子体光谱仪。
5试样
将试样碾成1mm厚的薄片(丝状或是粉状样也可),用不锈钢剪刀剪成小碎片,放人小石英烧杯中,加人20mL的盐酸溶液(1十1)(粉状除外),于电热板上加热煮沸5min取下,弃去盐酸液,用去离子水反复洗涤样品3次,将试样放入烘箱烘干,备用。A.6
分析步骤
A.6.1试料
称取0.1g金砷蒸发料试样,精确至0.0001g,需称取平行样。6
空自试验
随同试料做空白试验。
YS/T954—2014
A.6.3.1将试料(A.6.1)置于50mL小石英烧杯中,加人10mL混合酸(A.3.3),盖上表面皿,低温加热使试料完全溶解,冷却后用去离子水移至100mL容量瓶中,用去离子水定容值刻线,混匀。A.6.3.2标准曲线法的实施
按表A.1加人标准溶液并用去离子水稀释到刻度线、摇匀。表A.1
50mL容量瓶编号
标准溶液A加人量/mL
混合标准溶液浓度/(μg/mL)
A.6.3.3被测元素波长
被测元素As的波长为189.04nm。A.6.3.4采用标准曲线法进行测定。A.7
分析结果的计算
As的含量以质量分数w(As)计,数值以%表示,按式(A.1)计算:cv
m×10×100
w(As)=
式中:
被测元素As的质量分数,%;
被测元素As的测量浓度,单位为微克每毫升(μg/mL);试液总体积,单位为毫升(mL);试样的质量,单位为克(g)。
(A.1)
YS/T954-2014
中华人民共和国有色金属
行业标准Www.bzxZ.net
金砷蒸发料
YS/T954—2014
中国标准出版社出版发行
北京市朝阳区和平里西街甲2号(100029)北京市西城区三里河北街16号(100045)网址www.spc.net.cn
总编室:(010)68533533发行中心:(010)51780238读者服务部:(010)68523946
中国标准出版社秦皇岛印刷厂印刷各地新华书店经销
开本880×12301/16
5字数16千字
印张0.75
2015年3月第一版2
2015年3月第一次印刷
书号:155066·2-28326定价
如有印装差错
告由本社发行中心调换
版权专有侵权必究
举报电话:(010)68510107
小提示:此标准内容仅展示完整标准里的部分截取内容,若需要完整标准请到上方自行免费下载完整标准文档。