首页 > 国家标准(GB) > GB/T 5191-1985 锡、铅及其合金箔和锌箔
GB/T 5191-1985

基本信息

标准号: GB/T 5191-1985

中文名称:锡、铅及其合金箔和锌箔

标准类别:国家标准(GB)

英文名称: Tin, lead and their alloy foils and zinc foil

标准状态:已作废

发布日期:1985-05-18

实施日期:1986-03-01

作废日期:2007-09-29

出版语种:简体中文

下载格式:.rar.pdf

下载大小:115892

相关标签: 金箔

标准分类号

标准ICS号:冶金>>有色金属>>77.120.60铅、锌、锡及其合金

中标分类号:冶金>>有色金属及其合金产品>>H62重金属及其合金

关联标准

替代情况:调整为YS/T 523-2006

采标情况:NEQ ГОСТ 18394:1973

出版信息

页数:5页

标准价格:8.0 元

相关单位信息

复审日期:2004-10-14

起草单位:上海金属带箔厂

归口单位:全国有色金属标准化技术委员会

发布部门:中国有色金属工业协会

主管部门:中国有色金属工业协会

标准简介

GB/T 5191-1985 锡、铅及其合金箔和锌箔 GB/T5191-1985 标准下载解压密码:www.bzxz.net

标准图片预览

GB/T 5191-1985 锡、铅及其合金箔和锌箔
GB/T 5191-1985 锡、铅及其合金箔和锌箔
GB/T 5191-1985 锡、铅及其合金箔和锌箔
GB/T 5191-1985 锡、铅及其合金箔和锌箔
GB/T 5191-1985 锡、铅及其合金箔和锌箔

标准内容

中华人民共和国国家标准
锡、铅及其合金箔和锌箔
Tin and tin alloy foll
Lead and lead alloy foil
Zinc foil
UDC 669.4/.6
GB 5191-85
本标准适用于电气、仪表等工业部门制造零件使用的锡、铅及其合金箔和锌箔。1品种
1.1牌号、状态、规格
箔材的牌号、状态和规格应符合表1的规定。表1
Sn1、Sn2、Sn3
Snsb1.5,Snsb2.5
SnPb12 - 1.5
SnPb13.5 - 2.5
Pb2、Pb3、Pb4、Pb5
PbSn2- 2
PbSn4.5 - 2.5
Zn2、Zn3
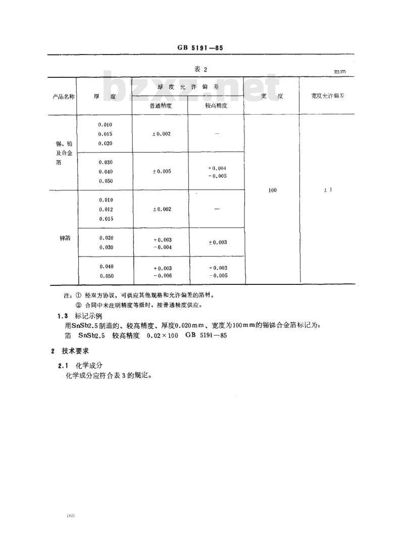
1.2尺寸及允许偏差
供应状态
轧制状态
箔材的尺寸及其允许偏差应符合表2的规定。国家标准局1985-05—18发布
0.015~0,050
0.010 ~0.050www.bzxz.net
不小于
1986-03-01实施
产品名称
锡、铅
及合金
GB 5191--85
厚度允许1
普通精度
较高精度
注:①经双方协议,可供应其他规格和允许偏差的箔材。②合同中未注明精度等级时,按普通精度供应。1.3标记示例
宽度允许偏差
用SnSb2.5制造的、较高精度、厚度0.020mm、宽度为100mm的锡锑合金箔标记为:箔SnSb2.5较高精度0.02×100GB5191—852技术要求
2.1化学成分
化学成分应符合表3的规定。
GB 5191—85
Ino+us
5002000
100°0
foro'o
no+qdl
10009000
s00o900o
sooola
100·0
s~ 9
0'z~ 0
0*2~01
86·66
0°8-0°9
0's~0°f
06°66
sgusad
g'l-ziasus
g'z-g'siqsus
gzqsus
2.2表面质量
GB 519185
2.2.1箔材表面应光滑、清洁,不应有刻印、压折和磨痕。允许有轻微的氧化色、油迹和暗斑。2.2.2箔材表面不应有超出厚度允许偏差的缺陷。2.2.3厚度等于或小于0.03mm的箔材,对光用肉眼观察时,允许有个别的,但不形成条状和扇部聚积的小针眼。
3试验方法
3.1箔材的化学成分仲裁分析方法:锡、铅和锌分别按GB3260.1~3260.9一82《锡化学分析方法》GB472一64《铅化学分析标准方法》和GB473一76《锌化学分析方法》规定进行。锡锑合金和铅锑合金按双方议定方法进行。
3.2箔材的表面质量用肉眼进行检查。3.3箔材的厚度用微米千分尺或杠杆千分尺测量,宽度用钢板尺或游标卡尺测量。4检验规则
4.1检查和验收
4.1.1箔材应由供方技术监督部门验收,并保证产品质量符合本标准要求。4.1.2需方可对收到的产品进行检验。如检验结果与本标准规定不符时,属内在质量在收到产品之日起二个月内,属外形尺寸、表面质量在收到产品之日起十日内向供方提出,双方协商解决。4.2组批
箔材应成批提交验收,每批应由同-牌号,规格和状态所组成。批重不应超过500kg。4.3检查项目
每批箔材均应进行化学成分、外形尺寸和表面质量的检验。4.4取样位置和取样数量
4.4.1化学成分的分析,应从每批产品中任取个试样进行(生产厂允许以铸锭的分析结果报出)。4.4.2箔材应自每卷中取3~5m长的试样,进行尺寸测量和表面质量的检查。4.5重复试验
各项试验即使有一个试样的试验结果不合格,也应从该批中再取双倍试样,进行该不合格项日的复验。复验结果仍有个试样不合格,则整批报废或逐卷检验,合格者单独编批验收。5标志、包装、运输、赔存
5.1标志
箔材的包装箱标志应符合YB730--70《重有色金属加工产品包装、标志、运输和保管般方法》的规定。在验收合格的箔卷上应加贴标签,注明:a。供方名称,
b.产品名称、牌号、状态和规格,c.产品批号。
5.2包装、运输和贮存
5.2.1包装规定如下:
5.2.1.1箔材需缠绕在内径为65~69mm或75~79mm的塑料或其他材料的衬筒上,衬筒的长度应比箔材的宽度大15~20mm。
5.2.1.2箔材在衬筒上须卷得紧实,当卷材移动时不应有松脱现象。5.2.1.3箔材轴卷直径不应小于100mm,每卷张数不应多于5张。成卷后的箔材应以薄纸和塑料薄膜包裹,或按供需双方商定的包装方法进行包装。5.2.1.4箔材的装箱:木箱内衬防潮纸,箔卷用架卡牢在箱中,以防窜动。箱外注明“防”“轻462
GB 5191—85
放”等字样或标志,并以包装带捆紧。木箱毛重不应超过30kg。运输和贮存时,应防止碰撞、受潮和活性化学物质的侵蚀。5.2.2
5.2.3箔材在贮存时,应先拆去包装的木箱,然后将箔卷存放在十燥仓库内的架子1.。5.3质量证明书
每批箔材应附有质量证明书,注明:a.
供方名称;
产品名称;
产品批号、规格、状态和加工精度;d.
批号,批重和件数,
各项分析检验结果及技术监督部门印记;本标准号:
包装H期。
附加说明:
本标准出中国有色金属工业总公司提出。本标准由上海金属带箔」起草。本标准主要起草人岑春田、莫秀民。自本标准实施之日起,原冶金工业部部标准YB709一70《锡、铅合金箔和锌箔》作废。463
小提示:此标准内容仅展示完整标准里的部分截取内容,若需要完整标准请到上方自行免费下载完整标准文档。