首页 > 国家标准(GB) > GB/T 5291.2-2003 电火花成形机 精度检验 第2部分:双立柱机床(移动主轴头型和十字工作台型)
GB/T 5291.2-2003

基本信息

标准号: GB/T 5291.2-2003

中文名称:电火花成形机 精度检验 第2部分:双立柱机床(移动主轴头型和十字工作台型)

标准类别:国家标准(GB)

英文名称: Precision inspection of electric spark forming machines Part 2: Double-column machine tools (moving spindle head type and cross table type)

标准状态:现行

发布日期:2003-01-01

实施日期:2004-06-01

出版语种:简体中文

下载格式:.rar.pdf

下载大小:474165

相关标签: 电火花 成形 精度 检验 立柱 机床 移动 主轴 十字 工作台

标准分类号

标准ICS号:化工技术>>无机化学>>71.060.50盐

中标分类号:化工>>无机化工原料>>G12无机盐

关联标准

采标情况:IDT ISO 11090-2:1998

出版信息

出版社:中国标准出版社

书号:155066.1-20599

页数:30页

标准价格:10.0 元

出版日期:2004-06-01

相关单位信息

首发日期:2003-11-10

复审日期:2004-10-14

起草人:于志三、傅春森、孙洁

起草单位:苏州电加工机床研究所

归口单位:全国特种加工机床标准化技术委员会

提出单位:中国机械工业联合会

发布部门:中华人民共和国国家质量监督检验检疫总局

主管部门:中国机械工业联合会

标准简介

GB/T5291的本部分参照GB/T17421.1和GB/T17421.2规定了一般用途、常规精度的电火花成形机(EDM)的几何精度检验、加工检验及数控轴定位精度和重复定位精度的检验。本部分还规定了与上述检验相对应的允差值。本部分适用于移动主轴头型和十字工作台型的双立柱机床。本部分仅涉及机床精度的检验,而不适于机床运行试验(振动、异常噪声、零部件的爬行等)或其参数(如速度、进给量等)的检查,这些检查通常应在精度检验前进行。 GB/T 5291.2-2003 电火花成形机 精度检验 第2部分:双立柱机床(移动主轴头型和十字工作台型) GB/T5291.2-2003 标准下载解压密码:www.bzxz.net

标准图片预览

GB/T 5291.2-2003 电火花成形机 精度检验 第2部分:双立柱机床(移动主轴头型和十字工作台型)
GB/T 5291.2-2003 电火花成形机 精度检验 第2部分:双立柱机床(移动主轴头型和十字工作台型)
GB/T 5291.2-2003 电火花成形机 精度检验 第2部分:双立柱机床(移动主轴头型和十字工作台型)
GB/T 5291.2-2003 电火花成形机 精度检验 第2部分:双立柱机床(移动主轴头型和十字工作台型)
GB/T 5291.2-2003 电火花成形机 精度检验 第2部分:双立柱机床(移动主轴头型和十字工作台型)

标准内容

GB/T5291《电火花成形机精度检验》分为两个部分:第1部分:单立柱机床(十字工作台型和固定工作台型);第2部分:双立柱机床(移动主轴头型和十字工作台型)。本部分为GB/T5291的第2部分。
GB/T 5291.2-2003/ISO 11090-2: 1998本部分等同采用ISO11090-2:1998《机床电火花成形机(EDM)检验条件术语和精度检验第2部分:双立柱机床(移动主轴头型和十字工作台型)》(英文版)。本部分等同翻译ISO11090-2:1998。为便于使用,本部分做了下列编辑性修改:a)“ISO11090\改为\GB/T 5291\;b)用小数点“”代替作为小数点的逗号“,”;引用标准的顺序号后一律加年号;c)
本部分的名称按中国机床产品标准的命名习惯编写;d)
本部分第6章中的表格参照GB/T1.1一2000《标准化工作导则第1部分标准的结构和编e
写规则》做了修改;
删除国际标准的前言;
用ISO841:2001《工业自动化系统与集成数控机床坐标系和运动命名》代替ISO841《工g)
业自动化系统物理装置控制坐标系和运动命名》(ISO841:1974的修订版),删除了相应的脚注。
请注意本部分的某些内容有可能涉及专利。本部分的发布机构不应承担识别这些专利的责任。本部分的附录A为资料性附录。
本部分由中国机械工业联合会提出。本部分由全国特种加工机床标准化技术委员会(SAC/TC161)归口。本部分起草单位:苏州电加工机床研究所。本部分主要起草人:于志三、傅春森、孙洁。GB/T 5291.2—2003/IS011090-2:1998引言
GB/T5291旨在规范检验电火花成形机(EDM)精度的方法。1范围
GB/T5291.2—2003/IS011090-2:1998电火花成形机精度检验
第2部分:双立柱机床
(移动主轴头型和十字工作台型)GB/T5291的本部分参照GB/T17421.1和GB/T17421.2规定了一般用途、常规精度的电火花成形机(EDM)的几何精度检验、加工检验及数控轴定位精度和重复定位精度的检验。本部分还规定了与上述检验相对应的允差值。
本部分适用于移动主轴头型和十字工作台型的双立柱机床。本部分仅涉及机床精度的检验,而不适于机床运行试验(振动、异常噪声、零部件的爬行等)或其参数(如速度、进给量等)的检查,这些检查通常应在精度检验前进行。本部分规定了用于机床主要部件的术语并参照ISO841:20011规定了坐标轴的命名。注:除了用三种正式ISO语言(英文、法文和俄文)表示的术语外,本部分的附录A给出了荷兰文、德文、意大利文和瑞典文等效术语。这些文种标准的出版由比利时(IBN)、德国(DIN)、意大利(UNI)和瑞典(SIS)国家成员团体负责。但只有用正式语言给出的术语才可视为 ISO术语。2规范性引用文件
下列文件中的条款通过GB/T5291的本部分的引用而成为本部分的条款。凡是注日期的引用文件,其随后所有的修改单(不包括勘误的内容)或修订版均不适用于本部分,然而,鼓励根据本部分达成协议的各方研究是否可使用这些文件的最新版本。凡是不注日期的引用文件,其最新版本适用于本部分。
GB/T17421.1一1998机床检验通则第1部分:在无负荷或精加工条件下机床的几何精度(egvISO230-1:1996)
GB/T17421.2一2000机床检验通则第2部分:数控轴线的定位精度和重复定位精度的确定(eqvISO230-2:1997)
3术语和坐标轴的命名
3.1移动主轴头型
见图1和表1。
注:可以看出图1未遵守ISO841:2001中4.4.2的第二和第三段。X和Y的命名可以互换以适合坐标轴的长度和(或)操作位置,这由制造商任意选择。GB/T 5291.2—2003/IS0 11090-2:199810
中國文
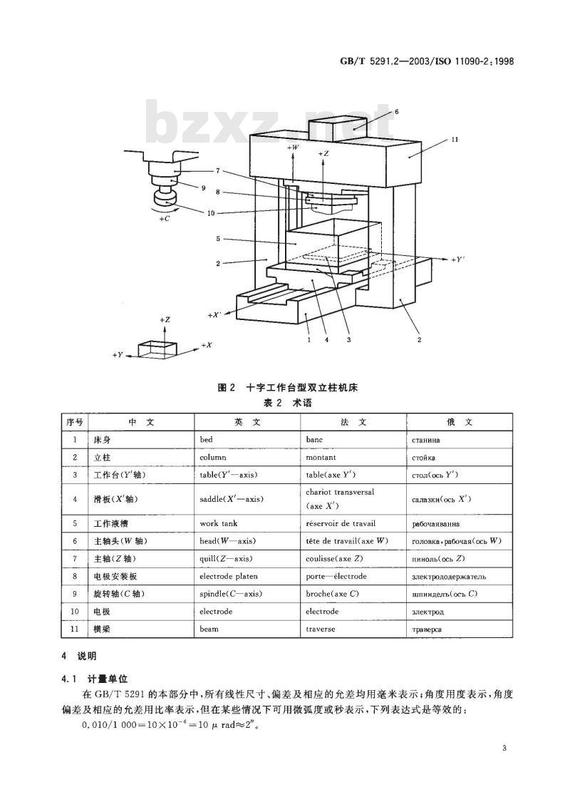
工作台(Y'轴)
滑板(X轴)
工作液槽
主轴头(W轴)
主轴(Z轴)
电极安装板
旋转轴(C轴)
十字工作台型
见图2和表2。
图1移动主轴头型双立柱机床
表1 术语
column
table(Y\--axis)
saddle( X--axis)
work tank
head(W-axis)
quill(Z—axis)
electrode platen
spindle(C—axis)
electrode
montant
table(axe Y')wwW.bzxz.Net
chariot transversal
(axe X)
reservoir de travail
tete de travail(axe W)
coulisse(axe Z)
porte—electrode
broche(axe C)
electrode
traverse
CTaHIHA
CTOI(OChY')
caa3KH(och X)
paboya HBaHHa
ronoBka,pabouaa(ochW)
IHHOJE(OCh Z)
3iekrporonepkatem
IHHIeJb(OCh C)
TpaBepca
工作台(Y'轴)
滑板(X轴)
工作液槽
主轴头(W轴)
主轴(Z轴)
电极安装板
旋转轴(C轴)
4.1计量单位
GB/T5291.2—2003/IS011090-2:1998图2十字工作台型双立柱机床
表2术语
column
table(Y'-axis)
saddle(X'--axis)
work tank
head(W—axis)
quill(Z—axis)
electrode platen
spindle(C—axis)
electrode
montant
table(axe Y')
chariot transversal
(axe X')
réservoir de travail
tete de travail(axe W)
coulisse(axe Z)
porte—electrode
broche(axe C)
electrode
traverse
CTaHHHa
CToika
CTO(OCh Y')
caJia3KH(ocb X')
paCoyaHBaHHa
roJIOBka, paboyag(ocb W)
IHHOJIb(OCb Z)
3JekTponouepkaTeb
IIIHIeI(Och C)
3ekTpon
TpaBepca
在GB/T5291的本部分中,所有线性尺寸、偏差及相应的允差均用毫米表示;角度用度表示,角度偏差及相应的允差用比率表示,但在某些情况下可用微弧度或秒表示,下列表达式是等效的:0.010/1000=10x10-6=10μrad~2\。3
GB/T 5291.2—2003/ISO 11090-2:19984.2引用GB/T17421.1—1998
应用GB/T5291的本部分,应参照GB/T17421.1一1998,特别是机床检验前的安装、旋转轴和其他运动件的预热、计量方法的说明和检验设备的推荐精度。第5、6和7章中所述的检验步骤”栏中,若有关的检验符合GB/T17421.1一1998有关条文的规定,后面附有引用GB/T17421该部分中相关条文的清单。4.3检验次序
本部分给出的检验项目的顺序并不限定检验的实际次序。为了简化仪器或量具的安装,检验可以任意次序进行。
4.4检验的实施
检验机床时,并不总是需要或可能对本部分所规定的全部项目进行检验。当检验项目用于验收目的时,应该在取得供应商(制造商)同意的情况下,由用户选择其关心的机床相关部件或性能指标的检验项目。在订购机床时,应明确指定这些检验项目。仅仅引用本部分的验收检验,但未说明如何实施检验以及在相关费用上未达成一致时,不能视为对任何缔约方有约束力。4.5测量仪器
第5、6和7章中所述的检验项目中指定的测量仪器仅是范例,也可使用能测量同样参数和至少同样精度的其他仪器。指示器应有0.001mm或更高的分辨率。4.6加工检验
加工检验仅用于精加工,不用于易产生明显切削力的粗加工。4.7最小公差
在确定实测长度与本部分规定的长度不同时的允差时(见GB/T17421.1—1998中2.3.1.1),最小公差值应计到0.005mm。
4.8定位精度检验并引用GB/T17421.2—-2000检验项目P2~P5仅适用于数控电火花成形机。实施这些检验时,应引用GB/T17421.2一2000,特别是在环境条件、机床预热、测量方法及结果的计算和数据处理方面。
不包括W轴的检查,因为W轴的移动通常用来调整主轴头的位置。需要时,应按与Z轴相同的检验进行。
5几何精度检验
线性运动轴
X轴运动直线度的检查
a)在XY水平面内;
b)在zX垂直面内。
充允差
对于 a)和 b)
任意500测量长度上为0.015
测量仪器
平尺、指示器和量块,或光学方法检验步骤并参照 GB/T17421.1-—1998中5.2.3.2.1.1指示器固定在主轴头上。
GB/T 5291.2—2003/IS0 11090-2:1998G1
实测偏差
a)在XY平面内放置平尺,使其与X轴平行,指示器触及平尺。在整个测量长度上移动X轴并记下读数。
b)在ZX平面内按同样方法重复检查。GB/T 5291.2-2003/ISO 11090-2: 1998项目
Y轴运动直线度的检查
a)在XY水平面内;
b)在YZ垂直面内。
对于a)和b)
任意500测量长度上为0.015
测量仪器
平尺、指示器和量块,或光学方法检验步骤并参照GB/T17421.1--1998中5.2.3.2.1.1指示器固定在主轴头上。
实测偏差
a)在XY平面内放置平尺,使其与Y轴平行,指示器触及平尺。在整个测量长度上移动Y轴并记下读数。
b)在YZ平面内按同样方法重复检查。6
X轴运动和Y轴运动之间垂直度的检查。简图
任意500测量长度上为0.02
测量仪器
平尺、角尺和指示器
检验步骤并参照GB/T17421.1-—1998中5.5.2.2.4GB/T 5291.2--2003/ISO 11090-2: 1998G3
实测偏差
在工作台上调整平尺,使其与X轴运动平行,并将角尺紧靠在平尺上。指示器固定在主轴头上并使之触及角尺。在整个测量长度上移动Y轴并记下读数。也可以只使用角尺,此时:
a)设置角尺使其长边与X轴运动平行;b)检查Y轴运动与角尺短边之间的平行度。GB/T 5291.2—2003/IS0 11090-2:1998项目
主轴(Z轴)的垂直运动与
a)X轴运动;
b)Y轴运动
之间垂直度的检查。
对于a)和b)
任意300测量长度上为0.02
测量仪器
圆柱角尺、平板、调整块和指示器b)
检验步骤并参照GB/T17421.1-1998中5.5.2.2.4实测偏差
平板放置在工作台上,调整平板使其平面与X轴和Y轴均平行。圆柱角尺放置在平板上。指示器固定在主轴上。
使指示器沿X方向触及圆柱角尺,在整个测量长度上沿Z方向移动主轴并记录若干个a
位置的读数。读数的最大差值不应超过允差。b)在Y方向上按同样方法重复检查。项目
主轴头(W轴)的垂直运动与
a)X轴运动;
b)Y轴运动
之间垂直度的检查。
对于a)和b)
任意500测量长度上为0.02
测量仪器
圆柱角尺、平板、调整块和指示器检验步骤并参照GB/T17421.11998中5.5.2.2.4GB/T5291.2—2003/IS011090-2:1998G5
实测偏差
平板放置在工作台上,调整平板使其平面与X轴和Y轴均平行。圆柱角尺安置在平板上。指示器固定在主轴头上。
a)使指示器沿X方向触及圆柱角尺,在整个测量长度上沿W方向移动主轴头并记录若干个位置的读数。读数的最大差值不应超过充差。b)在Y方向上按同样方法重复检查。GB/T5291.2—2003/ISO11090-2:1998项目
Z轴运动中主轴偏摆的检查。
任意300测量长度上为0.04/200
测量仪器
指示器和圆柱角尺
检验步骤并参照GB/T17421.1—1998中5.2.3.1.3G6
实测偏差
圆柱角尺放置在工作台上,大致与Y轴平行,使装在专用支架上的指示器的测头触及圆柱角尺。记下各个读数并标记圆柱角尺上的各相应高度。将指示器移到主轴的另一侧,移动X轴,使测头沿同一直线再次触及圆柱角尺,X轴运动的可能偏摆量会被测得并计人。指示器重新调零,在原先各位置的同样高度上重新测量并记录。计算每个测量高度上两次读数的差值,选择这些差值中的最大值和最小值,由下式计算的结果:最大差值一最小差值
不得超过允差,式中d为指示器两次位置之间的距离。10
小提示:此标准内容仅展示完整标准里的部分截取内容,若需要完整标准请到上方自行免费下载完整标准文档。