首页 > 国家标准(GB) > GB/T 5340-1985 可转位立铣刀
GB/T 5340-1985

基本信息

标准号: GB/T 5340-1985

中文名称:可转位立铣刀

标准类别:国家标准(GB)

英文名称: Indexable end mills

标准状态:已作废

发布日期:1985-08-31

实施日期:1986-07-01

作废日期:2007-06-01

出版语种:简体中文

下载格式:.rar.pdf

下载大小:109500

相关标签: 转位 立铣刀

标准分类号

标准ICS号:机械制造>>切削工具>>25.100.20铣刀

中标分类号:机械>>工艺装备>>J41刀具

关联标准

替代情况:被GB/T 5340.1-2006;GB/T 5340.2-2006;GB/T 5340.3-2006代替

采标情况:≈ISO 6262/1~2-82

出版信息

出版社:中国标准出版社

页数:6页

标准价格:14.0 元

相关单位信息

复审日期:2004-10-14

起草单位:成都工具所

归口单位:全国刀具标准化技术委员会

发布部门:国家标准局

主管部门:中国机械工业联合会

标准简介

本标准适用于装硬质合金可转位刀片的立铣刀。 GB/T 5340-1985 可转位立铣刀 GB/T5340-1985 标准下载解压密码:www.bzxz.net

标准图片预览

GB/T 5340-1985 可转位立铣刀
GB/T 5340-1985 可转位立铣刀
GB/T 5340-1985 可转位立铣刀
GB/T 5340-1985 可转位立铣刀
GB/T 5340-1985 可转位立铣刀

标准内容

中华人民共和国国家标准
可转位立铣刀
Endmilling cutters with indexable inserts本标准适用于装硬质合金可转位刀片的立铣刀。UDC 621.914
GB534085
本标准铣刀的“型式和尺寸”部分是参照国际标准ISO6262/1-1982《装可转位刀片立铣刀-第一部分:削平型直柄立铣刀》和ISO6262/2-1982《装可转位刀片立铣刀一第二部分:莫氏锥柄立铣刀》制订的。
1型式和尺寸
1.1削平型直柄立铣刀的型式和尺寸按图1和表1。L
D (js14)
基本尺寸
d,(h6)
基本尺寸bzxZ.net
国家标准局1985-08-31发布
L(h16)
基本尺寸
1986-07-01实施
GB5340—85
莫氏锥柄立铣刀的型式和尺寸按图2和表2。图?
D (js 14)
基本尺寸
L(h 16)
基本尺寸
莫氏锥柄
莫氏锥柄号
1.3削平型直柄按GB6131--85《直柄铣刀的柄部尺寸》。1.4莫氏锥柄按GB1443-85《工具柄座锁圆锥的尺寸和公差》20
参考值
1.5铣刀刀片的型式和尺寸按GB2076一80《切削刀具用可转位刀片型号表示规则》和GB208180《铣削具用硬质合金可转位刀片》优先选用。1.6铣刀的代号和表示规则按本标准附录A:可转位立铣刀标记示例(补充件)。2技术要求
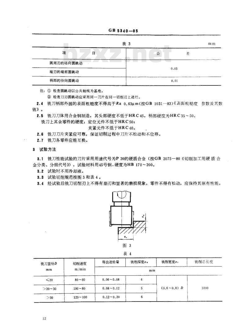
2.1铣刀刀片不得有裂纹、崩刃,其余零件不得有裂纹、刻痕和锈迹等影响使用性能的缺陷。2.2铣刀刀片定位面和铣刀柄部的位置公差按表3。,2.3专业生产的铣,其装用刀片的精度不得低1C级(按GB2081一80)。11
圆周刃的径向圆跳动
端刃的端面圆跳动
柄部的径向圆跳动
注:①检查圆既动以公共轴线为基准。GB5340—85
②检查刀刃圆跳动应采用同一刀片在同一切削刃上进行。公
铣刀柄部外圆的表面粗糙度不得高于Ra0.63um(按GB1031—83)《表面粗糙度参数及其数2.4
值》。
铣刀刀体用合金钢制造,其头部硬度不低于HRC45,柄部硬度为HRC35~50。2.5
铣刀上其余零件的硬度:定位元件不低于HRC50;夹紧元件不低于HRC40。
2.6铣刀刀片夹紧应可靠,保证切削过程中刀片不松动和不位移。铣刀各零件应能互换。
3试验方法
3.1铣刀性能试验的刀片采用用途代号为P20的硬质合金(按GB2075一80《切削加工用硬质合金分类、分组代号》),试验材料用45号钢,硬度为HB170~200。3.2试验时不用冷却液。
3.3试验切削规范按图3和表4。
经试验后铣刀切削刃上不得有崩刃和显著的磨损现象,零件不得有松动,应保持其原有性能。图3
铣刀直径D
>20~30
切削速度
80~60
100~80
120~100
每齿进给量
0.06 ~0.08
0.08 ~0.12
0.12~0.20
铣削深度a
铣削宽度ar
(0.6~0.8)D
铣削总长度
标志和包装
4.1标志
GB5340-85
4.1.1铣刀上应标志:制造厂商标、铣刀直径和刀片刃口长度。2铣刀刀片上应标志硬质合金牌号和用途代号(按GB2075—80)。4.1.2
4.1.3铣刀的包装盒上应标志:国标号、产品名称、制造厂名称和商标、铣刀直径和刀片刃口长度、制造年月。
4.2包装
铣刀在包装前应经防锈处理,成包的铣刀应防止损伤。13
1镜刀直径
2铣刀类型和上偏角
3铣刀齿数
Z - 1、2、3
4铣刀铣方向
GB5340—85
附录A
可转位立铣刀标记示例
(补充件)
5铣刀伸出长度
伸出长应
伸出长度
6刀柄型式
削华型直柄
莫氏锥柄
刀柄尺寸
削平型直柄
莫氏锥柄
8刀片夹紧方式
刀片顶面夹紧
刀片前模块夹需
9力片形
空角形
带85角
四边形方片
刀片法向后角
刀片切削刃长离
GB 5340-85
附录B
可转位刀片的三点定位尺寸
(参考件)
本附录适用于三角形刀片和正方形刀片在铣刀刀片座内的定位以及磨制、检測时刀片在夹具内的定位。其定位尺寸见下表
三角形月片
正方形月片
注:尺寸界限的起始位置在三角形或正方形的理论交点处,不考虑刀片转角形状。附加说明:
本标准由华人民共和国机械工业部提出。本标准由机械工业部成都「具研究所负责起草。本标准主要起草人陆芙英。
小提示:此标准内容仅展示完整标准里的部分截取内容,若需要完整标准请到上方自行免费下载完整标准文档。