首页 >  化工行业标准(HG) >  HG/T 3154-1985 卧式椭圆形封头贮罐系列

基本信息

标准号: HG/T 3154-1985

中文名称:卧式椭圆形封头贮罐系列

标准类别:化工行业标准(HG)

标准状态:现行

发布日期:1985-11-13

实施日期:1985-12-01

出版语种:简体中文

下载格式:.rar.pdf

下载大小:10.09 MB

相关标签: 卧式 椭圆形 封头 贮罐

标准分类号

标准ICS号:化工技术>>71.120化工设备

中标分类号:化工>>化工机械与设备>>G92化工机械

关联标准

替代情况:由HG 5-1580-1985改号

出版信息

页数:27页

标准价格:20.0 元

相关单位信息

标准简介

原标准号HG 5-1580-1985 HG/T 3154-1985 卧式椭圆形封头贮罐系列 HG/T3154-1985

标准内容

中华人民共和国化学工业部部标准卧式椭圆形封头贮罐系列
HG-5158085
HG 314
本贮罐标准系列的设计压力p为2.5(25)、6(59)、10(98)、16(157)、18(176)、20(196)、22(216)、25(245)、30(294)、40(392)kgf/cm2(×10=2MPa),设计温度为-20℃1.1结构型式(见图1和表1):
中华人民共和国化学工业部1985-11-13发布90
1985-12-01实施
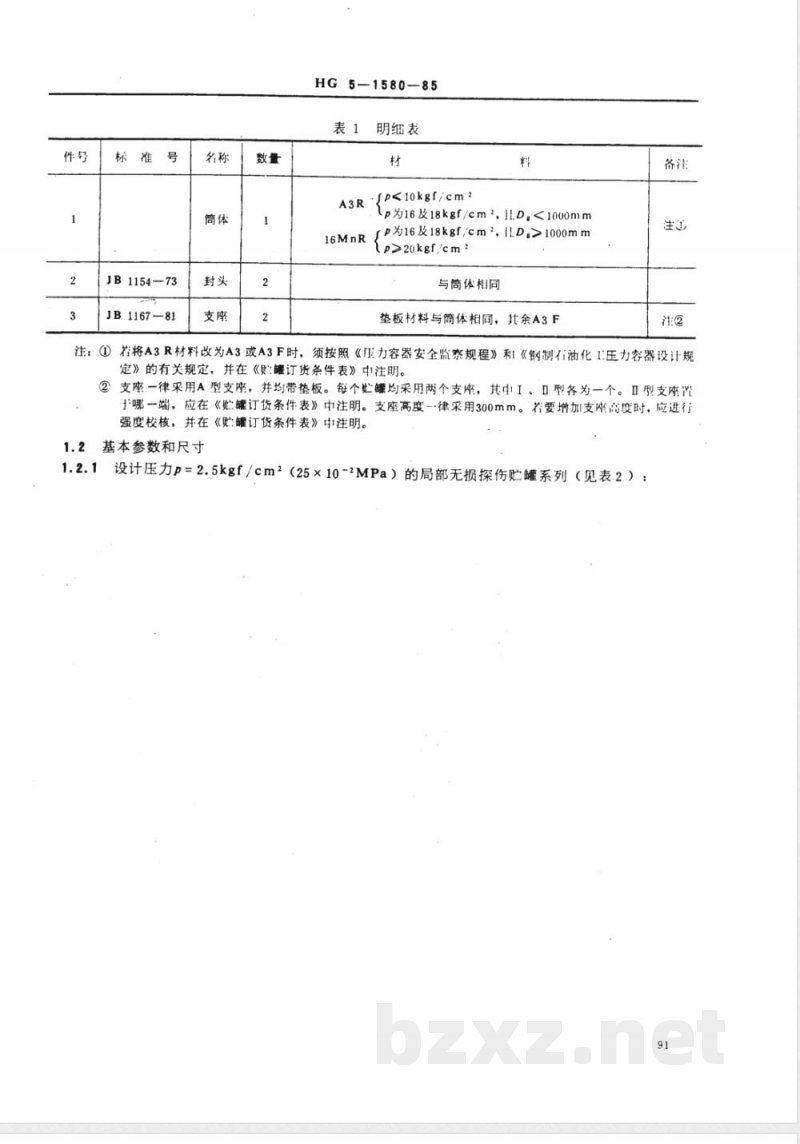
JB1154--73
JB1167—81
HG 5-1580-85
明细表
Jp<10kgf/cm 2
p为16及18kgf/cm2,11.D,<1000mmp为16及18kgf/cm2,il.Dg>1000mm16MnR
p>20kgf/cm:
与简体相同
垫板材料与筒体相同,其余A3F
注:①格将A3R材料改为A3或A3F时,须按照《压力容器安全监察规程》和《钢制石i油化1.压力容器设计规定》的有关规定,并在《:罐订货条件表》中注明。②支座一律采用A型支座,并均带垫板。每个些罐均采用两个支座,其中I、Ⅱ型各为一个。Ⅱ型支座置于哪一端,应在《贮罐订货条件表》中注明。支座高度-·律采用300mm。若要增加支座离度时,应进行强度校核,并在《贮:罐订货条件表》中注明。1.2基本参数和尺寸
设计压力p=2.5kgf/cm2(25×10-2MPa)的局部无损探伤贮罐系列(见表2):1.2.1
容积,
全容积
主要结构尺寸,
111500
G5-158085
支座位置
总长度
准序号
HG5-1580—85-1
5-1580
5-1580-
HG 5-1580-85-4
HG 5-1580—85- 5
-1580-
HG 5-1580--85 - 7
5-1580
—85-10
5-1580-
-85-14
—85-16
5-1580
HG 5-1580—85-17
-85-18
-1580-
-1580-
HG5-1580—
-85-24
-1580-
-85-27
HG5-1580-85-29
HG5—1580—
-85-30
1580—85-31
-85-32
HG5-1580
HG5-1580—-85-33
158085-34
158085-35
5-1580--85-36
容积,
G5-1580-85
设计压力p=2.5kgf/cm2(25×10-2MPa)100%无损探伤贮罐系列(见表3):
全容积
主要结构尺寸,mm
支座位置
总长度
充允许
HG5—1580-85-37
-85-38
HG 5-1580-
—85-40
-85 - 42
HG5-1580-85-·43
HG 5158085 - 44
-85-45
—85- 46
1580—85-47
1580-85
-1580-
—85 - 51
-1580-85-
HG5-—
1580-85
设计压力p=6kgfcm?
容积,
全容积
HG5-1580-85
局部无损探伤贮罐系列
(59×10-2MPa)
主要结构尺寸,mm
支座位置
总长度
1350-4
焊缝系数
贮罐重最
(见表4):
5-1580-
65-1580-
HG5—1580
HG5-1580-
HG5—
5--1580
—1580-
-85-72
-85-73
HG5--1580-
1580-85-100
85-101
85-103
HG5-158C-85
设计压力p=6kgf./cm2
(59×102MPa)100%无损探伤贮罐系列(见表5):
容积,
全容积
主要结构尺寸,
支座位置
总长度
挺系数
贮罐重
5-1580—85-104
HG5-158085-105
5-1580-
-85-106
-85-107
-85-108
85-109
85-110
1580—85-111
HG5—1580-
5-1580
—1580
-85-112
85-113
85-114
85-115
-85-118
85-120
85-121
85-122
-85-124
HG5—1580
85-125
—85-126
85-127
85-128
1580-85
-85-131
85-132
85-133
-1580-85-134
5-158085
设计压力p=10kgf/cm2(98×10
0-2MPa)
容积,m
全容积bzxz.net
主要结构尺寸,
支座位置
局部无损探伤贮罐系列
总长度
焊缝系糕
(见表6):
-1580-85-135
5-1580-85136
G5-1580-
85-137
1580—85-138
85-139
5-1580
5-1580
5-1580
-85-140
-85-141
5—1580-85-142
—158085-143
-85-144
85-145
85-146
85-148
-85-149
85-150
-85-151
-85-152
-85-153
85-154
-85-155
—85-156
5-1580
-85-157
85-158
-85-159
85-163
85 - 165
-1580-
1580-85-
158085-167
1580-85-168
1580-85-169
1580-85-170
容积,
设计压力p=10kgf/cm2
全容积
5—1580--85
(98×10-2MPa)100%无损探伤贮罐系列表7
主要结构尺寸,
支座位置
总长度
·3866
焊缝系数
(见表7):
5-1580-85-171
85-172
—85 -173
5—1580-
HG5—
1580—85-174
5-1580
85-175
5-1580-
—85-176
5-1580-85-177
HG5-1580-
85-178
-85-179
1580-85-180
HG5-1580
-85-181
-85-184
-85-185
-85-188
-85-189
HG5-1580-
-85-190
HG5-1580-85-191
5—1580—85-192
85-193
-1580-
HG5-1580
85-194
-85-195
-85-196
-85-197
85-198
85-200
85-201
HG5—1580—85
(157×10-2MPa))
局部无损探伤贮罐系列(见表8):设计压力p=16kgf/cm2
容积,m
全容积
主要结构尺寸,
支座位置
总长度
70014844
焊缝系数
标准序号
198 00
243 00
51580-85-202
HG5-1580-85-203
HG5—158085-204
HG 5-1580—85-205
HG 5—1580—85-206
158085-207
51580-85-208
85-209
5-1580
85-218
-1580-85
5-1580
5—1580
5-1580
85-225
-85-231
85-233
1580-85
容积,
HG5—1580—-85
设t压力p=16kgf/cm2
(157×10-MPa)100%无损探伤贮罐系列(见表9):表9
全容积
主要结构尺寸,
支座位置
总长度
5-158085-238
1580---85239
1580—85-240
1580-85-241
85-242
-85-243
-85-244
-85-245
85-246
85-247
-85-249
85-250
85-251
-1580-
-85-252
-85-253
-85-254
5-1580-
-1580-
85-255
85-256
-85-257
-85-258
85-259
85-260
5—1580-85-261
-1580—85-262
5-1580-85-263
85-264
-85-265
1580-85
1580-85-268
HG5-1580-85
(176×10-MPa)局部无损探伤贮罐系列(见表10):设t力p=18kgf/cm2
积,m3
全容积
主要结构尺寸,mm
支座位置
赋“罐
总长度
-85-270
-85-271
85·272
HG5—1580—85273
85·274
85-275
85-276
5-1580-
85-281
5-1580-
5-1580
85-282
85-283
85-284
85-285
85-286
85-287
85-288
1580--85-289
5-1580-
85-290
-1580-8
85-291
-1580-
85-292
85-293
85-294
85-295
85-296
5-1580--85-297
-1580-
5—1580-
5-1580
85-298
85-299
85~300
85-301
85-302
85-303
85-304

小提示:此标准内容仅展示完整标准里的部分截取内容,若需要完整标准请到上方自行免费下载完整标准文档。

标准图片预览

HG/T 3154-1985 卧式椭圆形封头贮罐系列 HG/T 3154-1985 卧式椭圆形封头贮罐系列 HG/T 3154-1985 卧式椭圆形封头贮罐系列 HG/T 3154-1985 卧式椭圆形封头贮罐系列 HG/T 3154-1985 卧式椭圆形封头贮罐系列