首页 > 化工行业标准(HG) > HG/T 3466-1999 化学试剂 磷酸二氢铵
HG/T 3466-1999

基本信息

标准号: HG/T 3466-1999

中文名称:化学试剂 磷酸二氢铵

标准类别:化工行业标准(HG)

标准状态:现行

发布日期:1999-06-16

实施日期:2000-06-01

出版语种:简体中文

下载格式:.rar.pdf

下载大小:141487

相关标签: 化学试剂 磷酸二氢铵

标准分类号

标准ICS号:化工技术>>分析化学>>71.040.30化学试剂

中标分类号:化工>>化学试剂>>G62一般无机试剂

关联标准

替代情况:HG/T 3466-1984

采标情况:JIS K9006-1992 NEQ

出版信息

页数:5页

标准价格:8.0 元

相关单位信息

标准简介

HG/T 3466-1999 化学试剂 磷酸二氢铵 HG/T3466-1999 标准下载解压密码:www.bzxz.net

标准图片预览

HG/T 3466-1999 化学试剂 磷酸二氢铵
HG/T 3466-1999 化学试剂 磷酸二氢铵
HG/T 3466-1999 化学试剂 磷酸二氢铵
HG/T 3466-1999 化学试剂 磷酸二氢铵
HG/T 3466-1999 化学试剂 磷酸二氢铵

标准内容

备案号:3873-1999
HG/T3466—1999
本标准是在化工行业标准HG/T3466一1984《化学试剂磷酸二氢铵》的基础上修订而成的。本标准给出分析纯、化学纯二个级别,分析纯非等效采用日本工业标准JISK9006:1992《磷酸二氢铵》。
本标准与JISK9006的主要差异如下:本标准比JIS标准多水不溶物;硫化合物代替JIS标准的硫酸盐,重金属严于JIS标准;碑宽于JIS标准。
本标准含量、硝酸盐的测定方法与JIS标准基本相同;钾、钠采用火焰原子吸收光谱法,而JIS标准采用火焰光度法;其他项目采用我国已制定的化学试剂通用试验方法标准。本标准与HG/T3466--1984的差异为:增加钾、钠二项,取消碱金属一项。本标准自实施之日起,同时代替HG/T3466—1984。本标准由中华人民共和国原化学工业部技术监督司提出。本标准由全国化学标准化技术委员会化学试剂分会归口。本标准起草单位:上海试剂二厂。本标准主要起草人:孙筱林。
本标准于1977年首次发布,于1984年修订。893
中华人民共和国化工行业标准
化学试剂磷酸二氢铵
Chemical reagent-Ammonium dihydrogen phosphate分子式:NH,H,PO4
相对分子质量:115.02(根据1995年国际相对原子质量)1范围
HG/T 3466—1999
代替HG/T3466—1984
本标准规定了化学试剂磷酸二氢铵的要求、试验方法、检验规则、包装及标志。2引用标准
下列标准所包含的条文,通过在本标准中引用而构成为本标准的条文。本标准出版时,所示版本均为有效。所有标准都会被修订,使用本标准的各方应探讨使用下列标准最新版本的可能性。GB/T 601一1988化学试剂滴定分析(容量分析)用标准溶液的制备GB/T 602—1988
化学试剂杂质测定用标准溶液的制备化学试剂试验方法中所用制剂及制品的制备GB/T 603-1988
GB/T610.2—1988化学试剂砷测定通用方法(二乙基二硫代氮基甲酸银法)(eqvISO6353-1:1982)
GB/T 619—1988
化学试剂采样及验收规则
GB/T 6682--1992
GB/T 9723—1988
GB/T 9724-
GB/T 9728--1988
GB/T 9729—1988
GB/T 9735—1988
GB/T 9738—1988
GB/T 9739-—1988
GB 15346—1994
分析实验室用水规格和试验方法(neqISO3696:1987)化学试剂
化学试剂
化学试剂
化学试剂
化学试剂
化学试剂
化学试剂
火焰原子吸收光谱法通则
pH值测定通则(eqvISO6353-1:1982)硫酸盐测定通用方法(eqvISO6353-1:1982)氯化物测定通用方法(egyISO6353-1:1982)重金属测定通用方法(eqvISO6353-1:1982)水不溶物测定通用方法(eqvISO6353-1:1982)铁测定通用方法(eqvISO6353-1;1982)化学试剂包装及标志
HG/T 3484—1999
3性状
化学试剂标准玻璃乳独液和澄清度标准本试剂为无色结晶,溶于水。
4规格
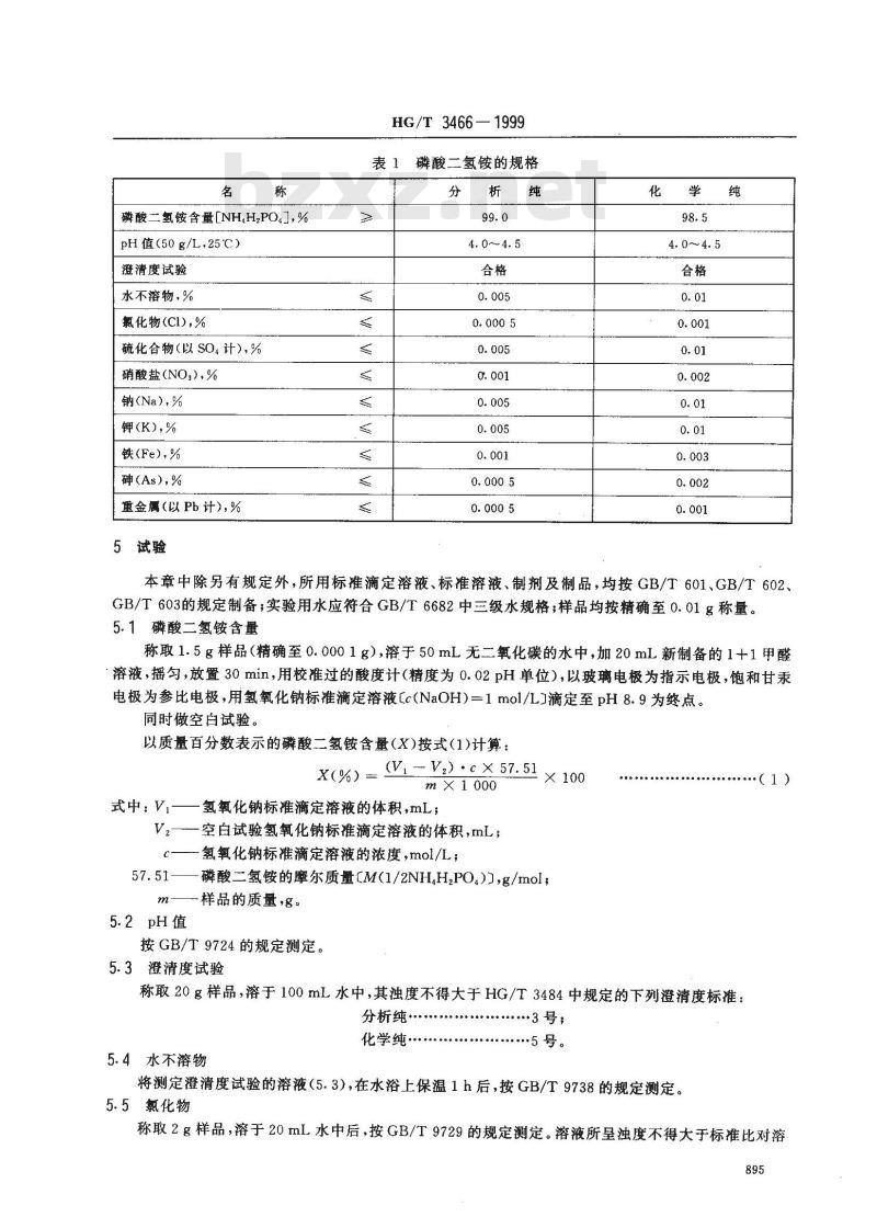
磷酸二氢铵的规格见表1。
国家石油和化学工业局1999-06-16批准894
2000-06-01实施
磷酸二氢铵含量[NH,H,PO,],%
pH 值(50 g/L,25℃)
澄清度试验
水不溶物,%
氯化物(CI),%
硫化合物(以SO.计),%
硝酸盐(NO),%
钠(Na),%
钾(K),%
铁(Fe),%
碑(As),%
重金属(以Pb计),%
5试验
HG/T 3466— 1999
表1磷酸二氢铵的规格
4.0~4.5
本章中除另有规定外,所用标准滴定溶液、标准溶液、制剂及制品,均按GB/T 601、GB/T 602、GB/T603的规定制备;实验用水应符合GB/T6682中三级水规格;样品均按精确至0.01g称量。5.1磷酸二氢铵含量
称取1.5g样品(精确至0.0001g),溶于50mL无二氧化碳的水中,加20mL新制备的1+1甲醛溶液,播匀,放置30min,用校准过的酸度计(精度为0.02pH单位),以玻璃电极为指示电极,饱和甘汞电极为参比电极,用氢氧化钠标准滴定溶液(c(NaOH)=1mol/LJ滴定至pH 8.9为终点。同时做空白试验。
以质量百分数表示的磷酸二氢铵含量(X)按式(1)计算:(Vi - V,) :c X 57. 51
X(%) =
m X 1 000
式中:Vi
氢氧化钠标准滴定溶液的体积,mL;V2——空白试验氢氧化钠标准滴定溶液的体积,mL;氢氧化钠标准滴定溶液的浓度,mol/L;57.51-
磷酸二氢铵的摩尔质量(M(1/2NH,H,PO.)J,g/mol;-样品的质量,名。
按GB/T9724的规定测定。
5.3澄清度试验
称取20g样品,溶于100mL水中,其浊度不得大于HG/T3484中规定的下列澄清度标推:分析纯·
5.4水不溶物
化学纯
+3号#
5号。
将测定澄清度试验的溶液(5.3),在水浴上保温1h后,按GB/T9738的规定测定。5.5氯化物
·(1)
称取2g样品,溶于20mL水中后,按GB/T9729的规定测定。溶液所呈浊度不得大于标准比对溶895
HG/T 3466— 1999
标准比对溶液的制备是取含下列数量的氯化物标准溶液:分析纯…·
化学纯·
与样品同时同样处理。
5.6硫化合物
..0. 01 mg Cl :
.0. 02 mg Cl.
称取0.5g样品,溶于20mL水中,加100g/L氢氧化钠溶液4mL及30%过氧化氢0.5mL,缓缓煮沸至氨逸尽(体积约剩10mL),冷却,用20%盐酸溶液中和,稀释至20mL,加20%盐酸溶液0.5mL酸化后,按GB/T 9728的规定测定。溶液所呈浊度不得大于标准比对溶液。标准比对溶液的制备是取含下列数量的硫酸盐标准溶液:分析纯
化学纯
与样品同时同样处理。
5.7硝酸盐
...0. 025 mg SO4;
**0. 050 mg SO4 .此内容来自标准下载网
称取2g样品,溶于10mL水中,加100g/L氯化钠溶液1mL及靛蓝二磺酸钠溶液[c(C1sHgN,Na2OgS,)=0.001mol/LJ1mL,在摇动下于10~15s内加10 mL硫酸,放置10 min。溶液所呈蓝色不得浅于标准比对溶液。
标准比对溶液的制备是取含下列数量的硝酸盐标准溶液:分析纯
化学纯
与样品同时同样处理。
按GB/T9723的规定测定,其中:5.8.1仪器条件
光源:钠空心阴极灯;
波长:589.0nm;
火焰:乙炔-空气。
5.8.2测定方法
...0. 02 mg NO3;
....0. 04 mg NO3.
称取2g样品,溶于水,稀释至100mL,取10mL,共四份,按GB/T9723—1988中6.2.2的规定测定。
按GB/T9723的规定测定,其中:5.9.1仪器条件
光源:钾空心阴极灯;
波长:766.5nm;
火焰:乙炔-空气。
5.9.2测定方法
称取10g样品,溶于水,稀释至100mL。取10mL,共四份,按GB/T9723一1988中6.2.2的规定测定。
称取0.5g样品,溶于15mL水中,用15%盐酸溶液将溶液pH值调至2后,按GB/T9739的规定测定。溶液所呈红色不得深于标准比对溶液。标准比对溶液的制备是取含下列数量的铁标准溶液:896
与样品同时同样处理。
分析纯
化学纯
HG/T3466—1999
..0. 005 mg Fe;
0.015mgFe
称取1g(化学纯取0.5g)样品,溶于30mL水中后,按GB/T610.2的规定测定。吸收液所呈紫红色不得深于标准比对溶液。
标准比对溶液的制备是取含下列数量的砷标准溶液:分析纯
与样品同时同样处理。
5.12重金属
化学纯
...0. 005 mg As;
-0. 010 mg As.
称取4g样品,溶于水,稀释至20mL。取15mL后,按GB/T9735的规定测定。溶液所呈暗色不得深于标准比对溶液。
标准比对溶液的制备是取剩余的5mL试液及含下列数量的铅标准溶液:分析纯·
化学纯
稀释至15mL,与同体积试液同时同样处理。6 检验规则
按GB/T619的规定进行采样及验收。7
包装及标志
...0. 01 mg Pb;
...0. 02 mg Pb.
按GB15346的规定进行包装、贮存与运输,并给出标志,其中:包装单位:第4、5类;
内包装形式:NB-4、NBY-4、NB-5、NBY-5、NB-7、NB-8、NB-10、NB-11、NB-13、NB-15;隔离材料:GC-2、GC-3、GC-4;外包装形式:WB-1、WB-2、WB-3。897
小提示:此标准内容仅展示完整标准里的部分截取内容,若需要完整标准请到上方自行免费下载完整标准文档。