首页 > 化工行业标准(HG) > HG/T 2099-2003 釜用机械密封试验规范
HG/T 2099-2003

基本信息

标准号: HG/T 2099-2003

中文名称:釜用机械密封试验规范

标准类别:化工行业标准(HG)

标准状态:现行

发布日期:2004-01-09

实施日期:2004-05-01

出版语种:简体中文

下载格式:.rar.pdf

下载大小:116767

相关标签: 机械 密封 试验 规范

标准分类号

标准ICS号:71.120.10;21.140

中标分类号:化工>>化工机械与设备>>G91化工机械与设备零部件

关联标准

替代情况:替代HG 2099-1991

出版信息

出版社:化工出版社

页数:6页

标准价格:12.0 元

出版日期:2004-05-01

相关单位信息

起草人:虞培清、吴建明、王黎明、周福兴、李继和

起草单位:浙江长城减速机有限公司、昆山釜用机械密封件厂、锦西化机(集团)有限责任公司、丹东克隆集团有限公司、北京化工大学

归口单位:化工专用密封标委会

提出单位:中国石油和化学工业协会

发布部门:中华人民共和国国家发展和改革委员会

标准简介

本标准规定了釜用机械密封产品常规性能试验的基本原则和试验方法。本标准适用于碳钢、不锈钢反应釜的搅拌轴以及类似的立式旋转轴机械密封,其工作参数为介质压力1.33X10-5 MP.(绝压)-6.3MPa(表压);介质温度不大于3500℃;搅拌轴(或轴套)外径30mm-220mm;线速度不大于2 m/s;介质除强氧化性酸、高浓度碱以外的各种流体。 HG/T 2099-2003 釜用机械密封试验规范 HG/T2099-2003 标准下载解压密码:www.bzxz.net

标准图片预览

HG/T 2099-2003 釜用机械密封试验规范
HG/T 2099-2003 釜用机械密封试验规范
HG/T 2099-2003 釜用机械密封试验规范
HG/T 2099-2003 釜用机械密封试验规范
HG/T 2099-2003 釜用机械密封试验规范

标准内容

ICS : 71. 120. 10 ;21. 140
备编号:13276—2004
中华人民共和国化工行业标准
HG/T 2099—2003
HG/ 20559
鑫用机械密封试验规范
Mechauical seal testing codc for stirrcd yessels2004-01-09发布
20040501实施
中华人民基和国国家发展和改革委员会发布前言
本标准苦23—1091
1整用机使密试验规范。
本标准的谢求A和附录B资料性附录本标作由中国石油和化学工业协会拱出。本标准出化学工业安用密封标准化技术委员会归口,H心/12099—2003
本标准起卓单空,断江长减城建机有限公、民山益市机械密封件厂、锦西化机《集团)有果卖公司、丹东克崖禁团有限公司,北京化大学。本标准兰要起草人:离培治、建阳、王整明、周相兴、李范和。本标准所代替标满的奶次傲木发情况为:IG/T20时—191,(9)
1范围
等用机械密封试验规范
本标温现定产用机实整时产品常规性能试验的原测和试整示法HG/T2099—2003
本标消磁钊,不锈钢反应签的搅择轴以及类似的文式缺转轴机械划,其工作寿数为介质压1.×1C-MF绝压6.3MPz表压):介质组度不大于350搅轴或轨套外轻3)rLn~22!\11线速度不大于>1m/介质除温氧化性醛、高银度贼以外的各种流价,2规范性引用文件
下列文件的条款进过本标消的引月而或为本标准的案放。儿是注月期的引用文件,其随后所有的能改单不他括益设的内落或悠打效均不适用下本标节,然而效励期本标非达花协的各力到究是心可倪用这当文件的受新本,小民小注日期的引用文件,其感新版本证历十求标谁,H12263签压机械察封技术条件
3验分类
3. 1型验
为判定新议门的机减整封否且少现定的性能而进行的战验,种格应进行型式试验。3.2山厂武验
显成诚验合路的准安封产成片!前度同一见格的每他产品全少抽圾一变出心出性服点整,4试验内齐
4.1型式试验内弃位挤整正试验和运单试验。圆量泄品量,升在达到见定付间后好抗测量密封环常而的磨抵正:
4.2自厂试食内案为静压试验和运转试临.5试验案件
5.1资H机披率时试验系统的呆离液采同清水或20号机泪(作丑封效或润带股!:特需要则另行商定。5.2格压成验保出时间
节成验的架时间少15mi。
静式验正力火产品设计正力的1.2信。逻转式验的尽力为产品敏高使用压大。独用压大低于.1MPa绝压时,丘州运转试验压方与为产品的最伤压方.5.4转速
按产品的设计转沌
5.5网离滤温度
网商液温贸为字源,石有情录实求,供需效力务行前定5.6试验时间
5.6.1到式试验时闯为续转10,前21免陷1量录次,此后,隔2上测量记录一次,
HG/T 2099-2003
5.6.2白!运转试股冬连续选转51.隔1h测景并让录次,5.7试验报告
静压试教和运转诚验结求后,将有关数培填人计验报告!比附录A)6试验装置
试验装置示总图见附录1.并应装置排气了,6.2装胃应有压力常定借施,在过行静下和阅转试验叫,求力值的极限偏差应为规定直的十5给,点表垂其地压小俊虚工件成直接与率执晚连接6.3试验装需轴的线选度允差为规定消的上乐。6.4应各为适当的斐置.收集并测量通过规密过处所摘山的流体,6.5
机抵密封的安装部位及安装过邦按HG/12269的规定6.6
亲资抖腔述及系统附性床像承受游位压方好,试绝台架应有足够的刚性和稳定性。6.7
应在出封腔的适当位露正境吸改谢定两液温废的传感元件,试验的收器仪表
所用书位器仅表应有卡量部门校验,并出兵有效所内的合证。7.2
试验所月仅器安表应符合表的规定。表1
测量内密
收焕来
指计式去
其化乐工管技器
江宜的到温权器设表
各种逐表或人计
深积圳
分表,尺或兵法泌填仪器
准确脏感精应
十低级
=bt/rniT.
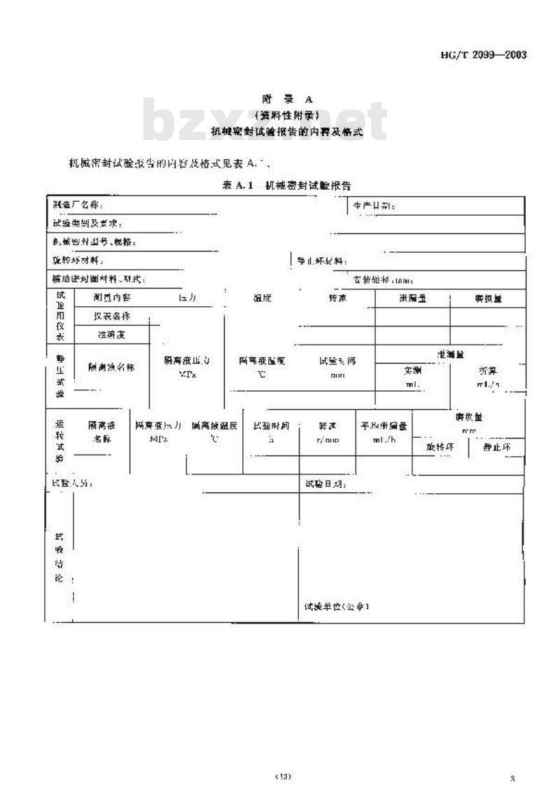
(资料性附录)
机密封试验报告的内再及将式
机施害封试验求当的内容恪式见表4表A.1机械密封试险报告
满道厂名称:
能及求:
康咨村山号、规格:
茂转坏对料:
连均图对料、烈式:
谢内窖
投表各标
阴制源名称
隔商液
两高流止.0
阿高通
两商批担
阿高液温厦
一孕环然科:
生产口别:
支按缩格.nm:bZxz.net
式验时
rinuti
试验日期:
试境单位(公守)
HG/T2099—2003
淮消量
英转环
静止坏
HG/T2099—2003
B.1上部传动的试验台架
(资料性睡录
签用凯械密封试验装量示意图
B.1.1试收单端面策用机振密(见图T.1),只可定性兆案在渐快H1.2试验双端面用机抵将过!也断.2)叫收集泄报的阿高采.医验产
项李满
B.2下部传动的试验台架
州高展出
微拼求
B.2.1试验单端面签月机效整时(见图B.3),可收生计涡气比B.2.2试焕双端面等月机诚率封(0网H.4),收案证筛的满离微:我系气体
w四成
试验作
动线,
系高波
压为设
至成证选
网波进
小提示:此标准内容仅展示完整标准里的部分截取内容,若需要完整标准请到上方自行免费下载完整标准文档。