首页 > 国家标准(GB) > GB/T 18241.3-2000 橡胶衬里 第3部分 浮选机衬里
GB/T 18241.3-2000

基本信息

标准号: GB/T 18241.3-2000

中文名称:橡胶衬里 第3部分 浮选机衬里

标准类别:国家标准(GB)

标准状态:现行

发布日期:2000-10-27

实施日期:2001-05-01

出版语种:简体中文

下载格式:.rar.pdf

下载大小:125694

相关标签: 橡胶 浮选机

标准分类号

标准ICS号:橡胶和塑料工业>>橡胶和塑料制品>>83.140.99其他橡胶和塑料制品

中标分类号:化工>>橡胶制品及其辅助材料>>G40橡胶制品综合

关联标准

出版信息

出版社:中国标准出版社

书号:155066.1-17541

页数:8页

标准价格:8.0 元

出版日期:2004-04-17

相关单位信息

首发日期:2000-10-27

复审日期:2004-10-14

起草单位:北京市橡胶制品设计研究院

归口单位:全国橡胶与橡胶制品标准化技术委员会

发布部门:国家质量技术监督局

主管部门:中国石油和化学工业协会

标准简介

本标准规定了浮选机衬里的产品分类、技术要求、试验方法、检验规则、标志、包装、运输与贮存。本标准适用于矿山、冶金、化工、煤炭等行业实现目的矿物与脉石矿物分离所使用的浮选机衬里。 GB/T 18241.3-2000 橡胶衬里 第3部分 浮选机衬里 GB/T18241.3-2000 标准下载解压密码:www.bzxz.net

标准图片预览

GB/T 18241.3-2000 橡胶衬里 第3部分 浮选机衬里
GB/T 18241.3-2000 橡胶衬里 第3部分 浮选机衬里
GB/T 18241.3-2000 橡胶衬里 第3部分 浮选机衬里
GB/T 18241.3-2000 橡胶衬里 第3部分 浮选机衬里
GB/T 18241.3-2000 橡胶衬里 第3部分 浮选机衬里

标准内容

ICS83.140.99
中华人民共和国国家标准
GB/T18241.3—2000
橡胶衬里
第3部分
浮选机衬里
Rubber liningPart 3-Lining for floatation machine2000-10-27发布
2001-05-01实施
国家质量技术监督局发布
GB/T18241.3—2000
GB/T18241在《橡胶衬里》总标题下分三部分出版:第1部分(GB/T18241.1):设备防腐衬里;第2部分(GB/T18241.2):磨机衬里:第3部分(GB/T18241.3):浮选机村里。本标准为第3部分。
浮选机是矿山作业的主要设备,浮选机的转子和定子对其性能起着重要的作用,其橡胶配件一一浮
选机衬里是浮选机的易损部件,它的质量影响浮选机的使用寿命和性能,该产品目前尚无国家标准和行业标准,为保证和提高浮选机衬里的质量,更好地满足整机发展的需要,特制定该国家标准。本标准由国家石油和化学工业局提出。本标准由全国橡标委橡胶杂品分技术委员会归口。本标准由北京市橡胶制品设计研究院负责起草,铜陵有色金属(集团)公司橡胶制品厂、浙江三门飞达橡胶厂、内蒙黄金机械修造厂参加起草。本标准主要起草人:朱宝清、曹建国、吴有站、杨树森。1范围
中华人民共和国国家标准
橡胶衬里
第3部分
浮选机衬里
Rubber lining--Part3-Liningfor fioatationmachineGB/T18241.3—2000
本标准规定了浮选机衬里(以下简称衬里)的产品分类、技术要求、试验方法、检验规则、标志、包装、运输与贮存。
本标准适用于矿山、冶金、化工、煤炭等行业实现目的矿物与脉石矿物分离所使用的浮选机衬里。2引用标准
下列标准所包含的条文,通过在本标准中引用而构成为本标准的条文。本标准出版时,所示版本均为有效。所有标准都会被修订,使用本标准的各方应探讨使用下列标准最新版本的可能性。GB/T528—1998硫化橡胶或热塑性橡胶拉伸应力应变性能的测定(egvISO37:1994)GB/T531—1999橡胶袖珍硬度计压人硬度试验方法(idtISO7619:1986)GB/T1689-~1998硫化橡胶耐磨性能的测定(用阿克隆磨耗机)GB/T1690—1992硫化橡胶耐液体试验方法(neqISO1817:1985)GB/T3512—1983(89)橡胶热空气老化试验方法GB/T11211—1989硫化橡胶与金属粘合强度的测定拉仲法(eqvISO814:1986)3产品分类
3.1村里按使用要求分为两类
FA类:普通衬里,FB类:耐油衬里。3.2产品标记
3.2.1标记方法产品名称、类别。3.2.2标记示例普通型浮选机村里,标记如下:浮选机衬里FA
产品名称wwW.bzxz.Net
4技术要求
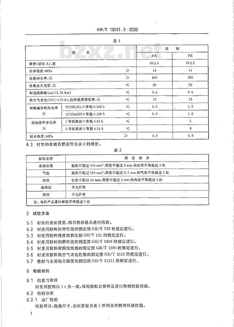
4.1衬里的结构和规格尺寸按图纸要求。4.2衬里用胶料的物理机械性能(见表1)。国家质量技术监督局2000-10-27批准2001-05-01实施
硬度(邵尔A),度
拉伸强度,MPa
扯断伸长率,%
扯断永久变形,%
阿克隆磨耗(cm/1.61km)
GB/T18241.3--2000
热空气老化(70℃×72h),拉伸强度降低率,%耐酸碱体积变化率
耐油体积变化率
粘合强度,MPa
20%HS0.×常温×168h
10%NaOH×常温×168h
1号标准油×常温×24h
3号标准油×常温×24h
4.3衬里的表面质量应符合表2的规定。表2
缺陷名称
表面杂质
海绵状
质量要求
面积不超过100mm,深度不超过2mm的杂质不得超过3处面积不超过100mm,深度不超过2.5mn的气泡不得超过3处长度不超过10mm,深度不超过2mm的沟纹不得超过2处不充许有
不允许有
注:每件产品累计缺陷不得超过5处5
试验方法
5.1衬里的表面质量,用目测和量具进行检验。5.2衬里用胶料拉伸性能的测定按CB/T528的规定进行。5.3衬里用胶料硬度的测定按GB/T531的规定进行。5.4衬里用胶料耐磨性能的测定按GB/T1689的规定进行。5.5衬里用胶料耐腐蚀性能的测定按GB/T1690的规定进行。5.6衬里用胶料热空气老化性能的测定按GB/T3512的规定进行。橡胶与金属粘合强度的测定按GB/T11211的规定进行。5.7
检验规则
6.1组批与取样
衬里用胶料以1t为一批,每批抽取足够样品进行物理性能检验。6.2检验分类
6.2.1出厂检验
检验项目:规格尺寸、表面质量及表1所列全项物理机械性能。2
TKNKea
GB/T18241.3—2000
规格尺寸、表面质量百分之百进行检验,表1所列各项物理机械性能按批进行检验。6.2.2型式检验
6.2.2.1衬里应在下列情况之一时进行型式检验:a)新产品或老产品转厂生产的试制定型鉴定;b)正式生产后,如结构、材料、工艺有较大改变,可能影响产品性能时;c)正常生产时,每半年进行一次;d)产品长期停产后,恢复生产时;e)出厂检验结果与上次型式试验有较大差异时;f)国家质量监督机构提出进行型式试验要求时。6.2.2.2检验项目:本标准所列全部技术要求均为型式检验项目。6.3判定规则
规格尺寸或表面质量如有一项不合格则该件为不合格品,其他性能如有一项不符合要求,则应另取双倍试样进行该项复试,如仍有一个样品不符合要求则该批产品为不合格品。
7标志、包装、运输与贮存
7.1·产品的非工作面上应印有明显的永久性标志,内容包括:标记、制造厂名称或商标、批号及检验员代号。
7.2产品应按供需双方协议要求进行包装,并附有产品质量合格证。内容包括:产品名称、产品标记、生产日期、制造厂名、厂址、商标、执行标准号。7.3产品在运输与贮存时,应保持清洁,避免阳光直射,并应禁止与汽油、煤油等有机溶剂及酸碱等有害物质接触,并距热源1m以外。7.4产品运输与贮存时的温度为-15℃~+35℃,相对湿度为50%~80%7.5在遵守7.3、7.4规定的条件下,产品自制造日期起,在一年的贮存期内,其质量性能应符合本标准要求。
中华人民共和
国家标准
橡胶衬里第3部分
浮选机衬果
GB/T18241.3—2000
中国标准出版社出版
北京复兴门外三里河北街16号
邮政编码:100045
电话:6852394668517548
中国标准出版社秦皇岛印刷厂印刷新华书店北京发行所发行各地新华书店经售*
开本880×12301/16印张1/2字数7千字2001年4月第一版2001年4月第一次印刷印数1-1500
书号:155066·1-17541
网址bzcbs.com
科目566-492
版权专有侵权必究
举报电话:(010)68533533
小提示:此标准内容仅展示完整标准里的部分截取内容,若需要完整标准请到上方自行免费下载完整标准文档。