首页 > 国家标准(GB) > GB/T 182-1963 每米43公斤钢轨型式尺寸
GB/T 182-1963

基本信息

标准号: GB/T 182-1963

中文名称:每米43公斤钢轨型式尺寸

标准类别:国家标准(GB)

标准状态:已作废

发布日期:1963-09-26

实施日期:1964-01-01

作废日期:2008-02-01

出版语种:简体中文

下载格式:.rar.pdf

下载大小:48043

相关标签: 每米 公斤 钢轨 尺寸

标准分类号

标准ICS号:铁路工程>>45.080钢轨和线路构件

中标分类号:冶金>>钢铁产品>>H52铁道用钢

关联标准

替代情况:部分被GB 2585-1981代替;被GB 2585-2007代替

采标情况:EQV ГОСТ 7173:1954

出版信息

页数:2页

标准价格:8.0 元

相关单位信息

复审日期:2004-10-14

归口单位:全国钢标准化技术委员会

发布部门:中国钢铁工业协会

主管部门:中国钢铁工业协会

标准简介

GB/T 182-1963 每米43公斤钢轨型式尺寸 GB/T182-1963 标准下载解压密码:www.bzxz.net

标准图片预览

GB/T 182-1963 每米43公斤钢轨型式尺寸
GB/T 182-1963 每米43公斤钢轨型式尺寸

标准内容

中华人民共和国
科学技术委员会
GUOJIABIAOZHUN
每米43kg钢轨
型式尺寸
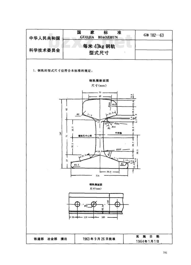
1.钢轨的型式尺寸应符合本标准的规定:钢轨横断面图
尺寸(mm)
螺栓孔中心线
轨侧面图
尺寸(mm)
铁道部
治金部
1963年9月26日批准
GB 182--63
实施日期
1964年1月1日
GB 182-63
2.钢轨计算数据:
钢轨类型
43kg/mbZxz.net
每米43kg钢轨型式尺寸
横断面重心距轨重心距轨对水平轴对垂直轴下部上
部底侧边
距 离线的惯性线的惯性断面系数断面系数断面系数面
底距离头
3.钢轨的理论重量及金属分配:cm
理论重
量,kg
12.5m长的重量
钢轨类型
海米重量未扣除
螺栓孔
43kg/m
每蹦扣
除三个
25. 0m 长的重量
海根钢轨
每端扣
未扣除
螺栓孔
除三个
螺栓孔
44.653558.162557.6901116.3251115.853注:钢轨理论重量,按钢的比重 7. 83 计算。4.钢轨尺寸允许偏差:
轨头高度及凸出
轨头宽度
轨腰厚度
轨底宽度
轨腰高度
螺栓孔部
分重量
钢轨的金属分配
(各部分占总面积
的百分数)
42.8321.3135.86
螺栓孔尺寸、每个螺栓孔到钢轨端部的距离及螺栓孔在钢轨高度方向的位置
专业中
断面不与其垂直轴线成对称
其他尺寸
注:1钢轨腰部的高度应在鱼尾饭模人部分测量之。2有关其他尺寸的检验项目由生产、使用单位双方协商检查。±1.0mm
5.钢轨的标准长度为12.5m及25m;由线缩短轨的长度为12.46、12.42、12.38、24.96、24.92及24.84m。
小提示:此标准内容仅展示完整标准里的部分截取内容,若需要完整标准请到上方自行免费下载完整标准文档。