首页 > 电子行业标准(SJ) > SJ/T 10554-1994 敏感器件文字符号
SJ/T 10554-1994

基本信息

标准号: SJ/T 10554-1994

中文名称:敏感器件文字符号

标准类别:电子行业标准(SJ)

标准状态:现行

发布日期:1994-08-08

实施日期:1994-12-01

出版语种:简体中文

下载格式:.rar.pdf

下载大小:426417

相关标签: 敏感 器件 文字 符号

标准分类号

中标分类号:通信、广播>>通信、广播综合>>M01技术管理

关联标准

出版信息

页数:20页

标准价格:18.0 元

相关单位信息

标准简介

SJ/T 10554-1994 敏感器件文字符号 SJ/T10554-1994 标准下载解压密码:www.bzxz.net

标准图片预览

SJ/T 10554-1994 敏感器件文字符号
SJ/T 10554-1994 敏感器件文字符号
SJ/T 10554-1994 敏感器件文字符号
SJ/T 10554-1994 敏感器件文字符号
SJ/T 10554-1994 敏感器件文字符号

标准内容

中华人民共和国电子行业标准
SJ/T10554-94
敏感元器件文字符号
Lettersymbolsforsensor
1994-08-08发布
1994-12-01实施
中华人民共和国电子工业部发布中华人民共和国电子行业标准
敏感元器件文字符号
Letter symbolsfor sensor
1主题内容与适用范围
SJ/T10554-94
本标准规定了敏感元器件文字符号的组成原则和热(温)敏、光敏、压敏、湿敏、气敏、磁敏及力敏元器件的主要文字符号。本标准适用于编写敏感元器件有关标准和技术资料。2引用标准
GB4475
GB11499
3总则
敏感元器件名词术语
半导体分立器件文字符号
3.1文字符号的组成
敏感元器件的文字符号由基本符号和下标组成,基本符号一般采用一个大写字母表示。下标一般采用一个或一个以上小写字每表示。3.1.1电参数名称文字符号
推荐的参数名称符号:
I—电流
V,U—电压
P功率
R—电阻
C电容
3.1.2其他参数名称文字符号
推荐的其他参数名称符号
T.6——温度
t-时间
P—压力,压强
S,K灵敏度
——应变
中华人民共和国电子工业部
1994-08-08批准
1994-12-01实施
α-温度系数
t-时间常数,寿命
E—能量
3.1.3下标
推荐用来表示状态的常用下标:M,max,m-最大(最高)值
min,一最小(最低)值
n标准(额定)值
AV,av一平均值
一工作点值,工作
一响应
一恢复
in输入
out—输出
on-开通(启)
off——并断、截止
文字符号的名称
SJ/T10554—94
文字符号的名称按GB4475中的定义。4热(温)敏元器件
4.1热敏电阻器
4.1.1热敏电阻器下标的补充规定热敏电阻器下标的补充规定如下所示:p-—功率
b开关
c—临界
iso绝缘
T—温度
4.1.2热电阻器文字符号
4.1.2.1电参数
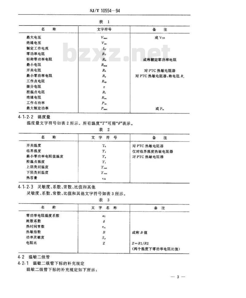
电参数文字符号如表1所示。
—2—
最大电压
绝缘电压
额定工作电流
零功率电阻
标称零功率电阻
最小电阻
开关电阻
最小零功率电阻
工作点电阻
微分电阻
控温点电阻
绝缘电阻
工作点功率
最大额定功率
4.1.2.2温度量
SJ/T10554-94
文字符号
温度量文字符号如表2所示。所有温度“T”可用“”表示。表2
开关温度
临界温度
最小零功率电阻值温度
控温点温度
上限类别温度
下限类别温度
热容量
文字符号
4.1.2.3灵敏度、系数、常数、比值和其他灵敏度、系数、常数、比值和其他文字符号如表3所示。表3
零功率电阻温度系数
耗散系数
热时间常数
热敏指数
功率灵敏度
电阻比
4.2温敏二级管bZxz.net
4.2.1温敏二级管下标的补充规定文字名称
温敏二级管下标的补充规定如下所示:备注
或称额定零功率电阻
对PTC热敏电阻器
对PTC热敏电阻器,称电阻R
或P。
对PTC热敏电阻器
仅对临界温度热敏电阻器
对PTC热敏电阻器
或称B值
Z=R1/R2
(两个温度下零功率电阻比值)3
F———正向
R—反向
c—临界
一绝缘
stg—贮存
L线性度
th——热
广\结一环境
4.2.2温敏二极管文字符号
SJ/T1055494
温敏二级管文字符号按GB11499第3.2条的有关规定。并补充下列文字符号:4.2.2.1电参数
电参数文字符号如表4所示。
标称正向电压
反向电压
反向漏电流
标称工作电流
绝缘电阻
额定功率
4.2.2.2温度量
温度量文字符号如表5所示。
最高工作温度
最低工作温度
临界温度
贮存温度
焊接允许温度
文字符号
文字符号
4.2.2.3灵敏度、系数、因子、常数及其他灵敏度、系数、因子、常数及其他文字符号如表6所示。4
灵敏度
标称灵敏度
稳定度
耗散系数
热时间常数
非线性误差
使用寿命
温敏晶体管
SJ/T10554-94
文字符号
△Ve/Ve
或△V/S
温敏晶体管的文字符号按GB11499第8.2条的有关规定。并补充下列文字符号(见表7);
基极发射极电压容差
结——环境热阻
工作温度范围
存贮温度
焊接允许温度
温度容差
温度系数
热时间常数
4.4温敏晶体闸流管
文字符号
Rath)i-
Tmx~Tmn
1。一定
或称温度跟踪精度容差
温敏晶体闸流管的文字符号按GB11499第7.2条的有关规定。并补充下列文字符号(见表8):
开关温度
贮存温度
开并电压温度系数
热时间常数
5光敏元器件
5.1光敏电阻器
5.1.1光敏电阻器下标的补充规定文字符号
光敏电阻器下标的补充规定如下所示:0-一初始
b-—平衡
或Tsw
R——暗(无光照射),电阻
P—一亮(或光、照射),峰值
r—上升
f——下降
c-—颜色
Z相对,比
H—高
入——波长
5.1.2光敏电阻器文字符号
5.1.2.1电参数
电参数文字符号如表9所示。
最高工作电压
暗电流
亮电流
初暗电流
初充电流
平衡暗电流
平衡亮电流
暗电阻
亮电阻
初暗电阻
初亮电阻
平衡暗电阻
平衡亮电阻
额定功耗
5.1.2.2灵敏度、系数、常数及其他SJ/T10554-94
文字符号
灵敏度、系数、常数及其它文字符号如表10所示。表10
电阻灵敏度
电流灵敏度
比灵敏度
光谱灵敏度
相对光谱灵敏度
单色电流灵敏度
照度指数
电阻温度系数
电流温度系数
文字符号
或称暗阻
或称亮阻
或称光电灵敏度,积分灵敏度
或称比光电灵敏度,
比积分灵敏度
响应时间
上升时间
下降时间
光阈值
阻值比
响应峰值波长
光谱响应范围
色温误差
5.2光敏(光电)二极管
SJ/T10554—94
文字符号
光敏(光电)二极管的文字符号按GB11499第6.2条的有关规定。5.3光敏(光电)晶体管
光敏(光电)晶体管的文字符号按GB11499第6.3条的有关规定。6压敏元件
6.1压敏电阻器
6.1.1压敏电阻器下标的补充规定压敏电阻器下标的补充规定如下所示:0-—零功率点
s—静态
d—动态
一电压敏
一峰值,脉冲
I—漏电
iso—绝缘
c一等级
6.1.2压敏电阻器文字符号
6.1.2.1电参数
电参数文字符号如表11所示。所有电压符号“V”也可用“U”表11
零功率电压
压敏电压
标称压敏电压
最大连续直流电压
最大连续交流电压
绝缘电压
电源电压
文字符号
V_(DC)
脉冲电压
等级电压
零功率电流
漏电流
最大峰值电流
等级电流
脉冲电流
静态电阻
动态电阻
绝缘电阻
固有电容
额定功率
能量容量
6.1.2.2指数、系数、比值及其他SJ/T10554--94
文字符号
指数、系数、比值及其他文字符号如表12所示表12
电流指数
电压指数
电压温度系数
电压变化率
对称度
上限类别温度
下限类别温度
脉冲电流寿命
能量寿命
电压比
响应时间
视在波前时间
视在半蜂值宽度
方波脉冲电流的
视在峰值宽度
方波脉冲电流的
视在总宽度
7湿敏元器件
7.1湿敏电阻器
7.1.1湿敏电阻器下标的补充规定文字符号
湿敏电阻器下标的补充规定如下所示:st—启动
H-—加热、湿度
或称通流容量
A—绝对
R相对
d露点
D-—漂移
h——上限,滞后
——下限
HC-—加热清洗
th——热
7.1.2湿敏电阻器文字符号
7.1.2.1电参数
电参数文字符号如表13所示。
额定电压
工作电压
加热清洗电压
额定电流
起动电流
器件阻值
起动功率
加热清洗功率
工作效率
7.1.2.2湿度量
混度量文字符号如表14所示,
绝对湿度
相对显度
露点温度
上限显度
下限湿度
7.1.2.3灵敏度、系数、常数及其他SJ/T10554—-94
文字符号
文字符号
灵敏度、系数、常数及其他文字符号如表15所示备注
或称回路电压
仅用于加热式露点元件
仅用于加热式露点元件
灵敏度
温度系数
准确度
线性度
漂移率
分辩率
耐热温度
平衡温度
热滞时间
响应时间
升湿响应时间
降湿响应时间
起动时间
加热情洗时间
显带回差
气敏元器件
8.1气敏电阻器
8.1.1气敏电阻器下标的补充规定SJ/T10554—94
文字符号
气敏电阻器下标的补充规定如下所示:回路
L——负载
H—加热,湿度
a-—清洁空气
加热清洁
标定气体
dg——检测气体
ig——干扰气体
气敏电阻器文字符号
8.1.2.1电参数
电参数文字符号如表16所示。
或称感显温度系数
仅用于加热式露点元件
测量电压
干抗气体中电压
检测气体中电压
标定气体中电
加垫电压
清洁空气中电压
加热情洗电压
达到响应时间时输出电压
达到恢复时间时输出电压
测量电流
干扰气体中电流
检测气体中电流
标定气体中电流
清洁空气中电流
加热电流
加热情洗电流
清洁空气中电阻
达到响应时间输出电阻
达到恢复时间时输出电阻
标定气体中电阻
千扰气体中电阻
检测气体中电阻
加热电阻
负载电阻
加热功率
8.1.2.2其他
其他文字符号如表17所示。
灵敏度
气体分辩率
温度系数
温度系数
特征浓度气体中电阻比
加热情洗时间
初期稳定时间
响应时间
恢复时间
8.2气敏肖特基二极管
SJ/T10554--94
文字符号
文字符号
或称回路电诉
或称回路电流
气敏肖持基二极管文字符号按GB11499中第3.2条中的规定。并补充下列文字符号(见11
小提示:此标准内容仅展示完整标准里的部分截取内容,若需要完整标准请到上方自行免费下载完整标准文档。