首页 > 电子行业标准(SJ) > SJ/T 11052-1996 电子器件详细规范 3DG162型高频放大环境额定双极型晶体管(可供认证用)
SJ/T 11052-1996

基本信息

标准号: SJ/T 11052-1996

中文名称:电子器件详细规范 3DG162型高频放大环境额定双极型晶体管(可供认证用)

标准类别:电子行业标准(SJ)

标准状态:现行

发布日期:1996-11-20

实施日期:1997-01-01

出版语种:简体中文

下载格式:.rar.pdf

下载大小:666623

相关标签: 电子器件 详细 规范 高频 放大 环境 额定 双极型 晶体管 认证

标准分类号

中标分类号:能源、核技术>>能源、核技术综合>>F01技术管理

关联标准

替代情况:原标准号GB 10271-88

采标情况:IEC 47(co)816 MOD

出版信息

出版社:中国标准出版社

页数:11页

标准价格:15.0 元

出版日期:1997-01-01

相关单位信息

起草单位:上海市勤奋半导体器件厂

发布部门:国家技术监督局

标准简介

本标准规定了3DG162型高频放大环境额定双极型晶体管的详细要求。本标准适用于3DG162型高频放大环境额定双极型晶体管。 SJ/T 11052-1996 电子器件详细规范 3DG162型高频放大环境额定双极型晶体管(可供认证用) SJ/T11052-1996 标准下载解压密码:www.bzxz.net

标准图片预览

SJ/T 11052-1996 电子器件详细规范 3DG162型高频放大环境额定双极型晶体管(可供认证用)
SJ/T 11052-1996 电子器件详细规范 3DG162型高频放大环境额定双极型晶体管(可供认证用)
SJ/T 11052-1996 电子器件详细规范 3DG162型高频放大环境额定双极型晶体管(可供认证用)
SJ/T 11052-1996 电子器件详细规范 3DG162型高频放大环境额定双极型晶体管(可供认证用)
SJ/T 11052-1996 电子器件详细规范 3DG162型高频放大环境额定双极型晶体管(可供认证用)

标准内容

中华人民共和国国家标准
电子元器件详细规范
3DG162型
高频放大环境额定双极型晶体管Detail specification forelectronic componentBipolar transistor for ambient-ratedhigh-frequencyamplificationoftype3DG162(可供认证用)
本标准规定了3DG162型高频放大环境额定双极型晶体管的详细要求。GB10271--88
降为SJ/T11052-96
本标准适用于3DG162型高频放大环境额定双极型晶体管。本标准是按GB6217《高低额放大环境额定双极型晶体管空白详细规范》制订的,符合GB4936.1《半导体分立器件总规范》I类的要求。中国电子元器件质量认证委员会标准机构是中国电子技术标准化研究所。中华人民共和国电子工业部1988-04-22批准1
TTTKKAca
1999-08-01实施
评定器件质量的根据,
GB4936,1《半导体分立器件总规范》3DG162型详细规范
订货资料:见本规范第7章
1机械说明
GB10271--88
外形标准:GB7581《半导体分立器件外形尺寸》中代号A3-01B
外形图及引出端识别:
453~4,95
标志:见本规范第6章
GB10271-88
2简略说明
高频放大用环境额定双极型晶体管半导体材料:N型硅
装,金码(空腔)
用,电子线路中作高频放大。
质盘评定类别
参考数据
Pt=300mW(Tam6==25℃)
Ic=50mA
fT250MHz
VcB0≥100V(3G162A)
VcBo150V(3DG162B)
VcB0>200V(3DG162C)
VcB0>250V(3DG162D)
按本详细规范鉴定合格的器件,其制造厂的有关资料,见合格产品一览表。YYKAONYKCa
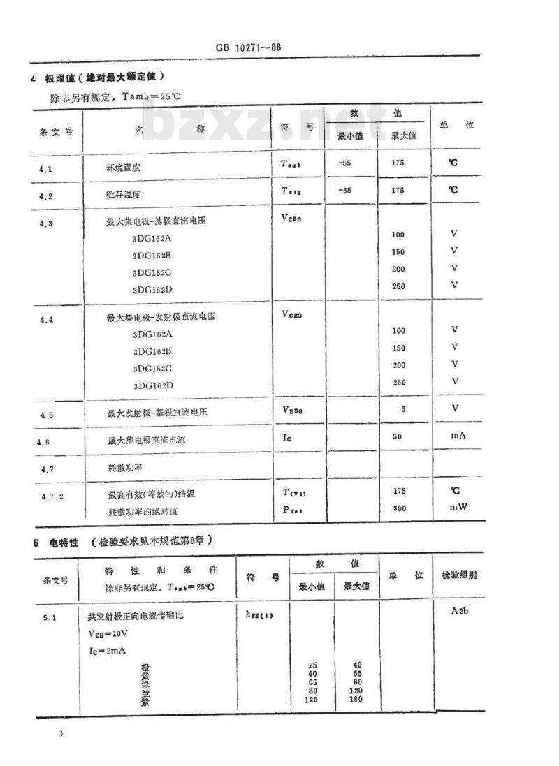
4极限值(绝对最大额定值)
除非另有规定,Tamb=25℃
条文号
电特性
条文号
环境温度
贮存温度
最大集电极-基极直流电压
3DG162A
3DG162B
3DG162C
3DG162D
GB10271--88
最大集电极-发射极直流电压
3DG162A
3DG162B
3DG162C
3DG162D
最大发射极-基极直流电压
最大集电极直流电流
耗散功率
最高有效(等效的)结温www.bzxz.net
耗散功率的绝对值
(检验要求见本规范第8章)
除非另有规定,Taab-25℃
共发射极正向电流传输比
VcE10V
Ie=2mA
橙黄绿兰紫
最小值
YYKAONTKAa
最小值
最大值
最大值
检验组别
条文号
除非另有规定,T,==25℃
特征频率
Vc-10V
Ic=2mA
f=30MHz
集电极-基极截止电流
Vc-100V.Ig0,3DG162A
VcB=150V,Ig=0,3DG162B
VcB=200V,Ig=0,3DG162C
VcB=250V,Ig=0,3DG162D
集电极-发射极截止电流
Vce-100V,Is=0,3DG162A
Vc=150V,Ig=0,3DG162B
Vc=200V,IB-0,3DG162C
VcE=250V,IB=0,3DG162D
高温下的集电极-基极截裁止电流Taab=125℃
Vca=65V,Je-0,3DG162A
Vc=100V,Ig=0,3DG162B
VcB=130V,Ig=0,3DG162C
VcB-165V.Ie=0..3DG162D
发射极-基极截止电流
VeB-5V
基极-发射极电压
Vce=-10V
Ie-2mA
集电极-发射极饱和电压
Ic-10mA
共基极输出电容
Vc=-10V
f-1MHz
结到环境的热阻
注,h#p的允许测试误差为士10%。GB10271-88
IcBo(i)
IcBoce)
VeetSet)
Rth(i-aab)
YYKAONYKCa
最小值
最大值
检验组别
8标惠
GB10271-88
6.1器件上的标志
a。型号和质量类别(放在型号后面):b。制造厂商标,
c。检验批识别代码,
d。认证合格标志(适用时),
e。hrE分档(按本规范5.1条)。6.2包装盒(袋)上的标志
a.型号和质量类别,
b。制造厂名称和商标,
c.检验批识别代码;
d。认证合格标志(适用时),
e.hrE分档(按本规范5.1条)
f.“怕湿”等。
7订货资料
a。型号,
b.本规范编号,
c。hre分档,
d。其它。
8试验条件和检验要求
在本章中,除非另有规定,引用的条文号对应于GB4936.1的条文号,测试方法引自GB4936,1第6.1.1条。
全部试验都是非破坏性的(3.9.9)检验或试验
A1分组
外部目检
A2a分组
不工作器件
集电极-基极截止电
发射极-基极截止
共发射极正向电流
传输比
IcBa(1)
hgF(I)
引用标准
A组一-逐批
除非另有规定,T.m=25℃
(见GB4936.1第4章)
VcB=100V,Iz-0,3DG162A
Vc=150V,Iz=0,3DG162B
VcB=200VIg0,3DG162C
Vcn-250V,I0,3DG162D
V8=5V,Ic-0
Vc=10V,
YYKAONYKCa
检验要求
最小值最大值
标志清晰,表
面无机械损伤
检验或试验
A2b分组
集电极-基极截止
华电极-发射极截
止电流
发射极-基极截止
共发射极正向电流
传输比
基极-发射极电压
集电极-发射极饱
和电压
A4分组
特征频率
IcBo<)
hpe(1)
VcB(Sat)
引用标准
GB10271--88
除非另有规定,T=25℃
(见GB4936.1第4章)
Vcs=-100V,Ig=0,3DG162A
VcB150V,I0,3DG162B
Vcn200V,Ig-0,3DC162C
Vc250V.I#0,3DG162D
Vc=100V.Ig0,3DG162A
Vc=150V.Ig=0,3DG16zB
Vce-200V,In-0,3DG162C
VcB-250V,1=0,3DG162D
VgB=5V,Ic=0
Vc=10V
Te=1GmA
Ig=1mA
Vcz=10V
f-30MHz
YYKAONTKAa
验验要
最小值最大值
GB10271-88
B组-逐批
只有标明(D)的试验是破坏性的(3.6.6)条
检验或试验
B1分姐
B3分组
引出端强度,
弯曲(D)
B4分组
可焊性
B5分组
温度变化
继之以
B8分组
电耐久性
最后测试:
集电极-基极截止
GB4937
GB4937,
IcBO(1)
引用标准
GB4938,2)
除非另有规定,T.mb=2\℃
(见GB49361第4章)
方法1
受试引出端数,:3
外加力:2.5N
试验b
受试引出端数,3
其它规定见本规范附录A
严格度,2
方水1
方法3试验液体,氟油”
工作寿命t=168h
Ptat=300mW
VcB=70V(3DG162A.B)
Vc=140V(3DG162C,D)
Vc=100V,Ig=0,3DG162A
VcB=150V,Ig=0,3DG162B
VeB=200V,Ig=0,3DG162C
VcB=250V,Ig0,3DG162D
YYKAONTKAa
检验要求
最小值最大值
按本规范第1
无损伤
按GB4937,
.cmas-1
检验或试验
共发射极正向电流
传输比
集电极-发射极饱
和电压
CRRL分组
引用标准
GB10271—88
除非另有规定,T.mb=25℃
(见GB4936.1第4章)
Vcg=10V
Ic=2mA
色标:橙
Ic=10mA
就B3、B4、B5和B8分组提供计数检查结果注:1)GB4937《半导体分立器件机械和气侯试验方法》。2)GB4938《半导体分立器件接收和可靠性》。C组—周期
只有标明(D)的试验是破坏性的(3.9.9)条
检验或试验
C1分组
C2a分组
共基极输出电容
C2b分组
集电极-基极截止
Icno(2)
引用标准
除非另有规定,T.6=2℃
(见GB49361第4章)
VcB-10V
T.m6=125℃
VcB=65V,Ig0.3DG162A
VcB=100V,Ig=0,3DG162B
VcB-130V,Ig0,3DG162C
VcB=165V,Ig0,3DG162D
YYKAONTKAa
检验要求
最小值最大值
检验要求
最小值最大值
按本规范第1
检验或试验
C3分组
引出端强度,
拉力(D)
C4分组
耐焊接热(D)
最后溯试
集电极-基极截止
共发射极正向电流
传输比
C6分组
恒定加速度
最后测试:
同C4分组
C8分组
电耐久性
最后溉试,
同B8分组
IcBo(1)
引用标准
CB4937,
GB4937,
GB4937
GB4938
GB10271-88
除非另有规定,T.==25℃
(见GB4936.1第4章)
受试引出端数:3
外加力:5N
方法1A,
恢复时间:30min,每6个月一次Vc100V,Ig=0,3DG162A
Vc-150V,Ig=0,3DG162B
Vc=200V,Ig=0,3DG162C
VcB-250V,Ig-0,3DG162D
VcE=10V
1c=2mA
色标橙
严格度,196000m/sl
加速度轴和方向:X、Y,方向。同C4分组
工作寿命=1000h
P...-00mw
VCB-70V(A, B)
Vcz-140V(CD)
同B8分组
YYKAONYKCa
检验要求
最小值最大值
按GB4937,
同C4分组
同88分组
检验或试验
C8分组
高温贮存(D)
最后测试
同B8分组
C11分组
标志耐久性
CRRL分组
引用标准
GB4937,
GB10271--88
除非另有规定,T,=25℃
(见GB4936.1第4章)
t=1000h
Tst=175℃
周B8分组
方法2
就C2、C3、C4、C6、C9分组提供计数检查结果,提供C8分组试验前后的计最检查结果。定批准试验
最小值最大值
同B8分组
按GB4937
D组试验除鉴定时必须进行外,每12个月应进行-一次,仅为了提供资料,不作验收依据。符
检验或试验
电耐久性
磁后测试:
间B8分组
CRRL分组
引用标准
除非另有规定,T.2℃
(见GB4938.1第4章)
工作寿命t=3000h
GB4938,
Ptot=300mW,Vcg-70V(A,B),
Vcn=140V(C, D)
同B8分组
提供D组试验前后的计量检查结果YYKAONYKCa
最小值最大值
同B8分组
A,1加速老化
GB10271--88
附录A
晶体管的可焊性
(补充件)
对于在器件制成后。又进行沾锡(或镀锡)的器件。需做加速老化。其条件是,100℃水蒸气中置放h。
A,2试验方法
a,优先采用槽焊法。
b。必要时,可采用称量法。按GB2423.32《电工电子产品基本环境试验规程润湿称量法可焊性试验方法》进行。润湿过程,按使用非活性焊剂时,在3s内达到理论润湿力的35%。附加说明,
本标准由上海市勤奋半导体器件厂负贵起草11
YYKAONrKa
小提示:此标准内容仅展示完整标准里的部分截取内容,若需要完整标准请到上方自行免费下载完整标准文档。