首页 > 电子行业标准(SJ) > SJ/T 11053-1996 电子器件详细规范 3DG182型高频放大环境额定双极型晶体管(可供认证用)
SJ/T 11053-1996

基本信息

标准号: SJ/T 11053-1996

中文名称:电子器件详细规范 3DG182型高频放大环境额定双极型晶体管(可供认证用)

标准类别:电子行业标准(SJ)

标准状态:现行

发布日期:1996-11-20

实施日期:1997-01-01

出版语种:简体中文

下载格式:.rar.pdf

下载大小:692831

相关标签: 电子器件 详细 规范 高频 放大 环境 额定 双极型 晶体管 认证

标准分类号

中标分类号:能源、核技术>>能源、核技术综合>>F01技术管理

关联标准

替代情况:原标准号GB 10272-88

采标情况:IEC TC47(CO)816 MOD

出版信息

出版社:中国标准出版社

页数:11页

标准价格:15.0 元

出版日期:1997-01-01

相关单位信息

起草单位:上海市勤奋半导体器件厂

发布部门:中华人民共和国国家质量监督检验检疫总局、中国国家标准化管理委员会

标准简介

本标准规定了3DG182型高频放大环境额定双极型晶体管的详细要求。本标准适用于3DG182型高频放大环境额定双极型晶体管。 SJ/T 11053-1996 电子器件详细规范 3DG182型高频放大环境额定双极型晶体管(可供认证用) SJ/T11053-1996 标准下载解压密码:www.bzxz.net

标准图片预览

SJ/T 11053-1996 电子器件详细规范 3DG182型高频放大环境额定双极型晶体管(可供认证用)
SJ/T 11053-1996 电子器件详细规范 3DG182型高频放大环境额定双极型晶体管(可供认证用)
SJ/T 11053-1996 电子器件详细规范 3DG182型高频放大环境额定双极型晶体管(可供认证用)
SJ/T 11053-1996 电子器件详细规范 3DG182型高频放大环境额定双极型晶体管(可供认证用)
SJ/T 11053-1996 电子器件详细规范 3DG182型高频放大环境额定双极型晶体管(可供认证用)

标准内容

中华人民共和国国家标准
电子元器件详细规范
3DG182型
高频放大环境额定双极型晶体管Detail specification for electronic componentBipolar transistor for ambient-ratedhigh-frequency amplification of type3DG182(可供认证用)
本标准规定了3DG182型高频放大环境额定双极型晶体管的详细要求。本标准适用于3DG182型高频放大环境额定双极型晶体管。GB10272—88
降为SJ/T1105396
本标准是按GB6217《高低频放大环境额定双极型晶体管空白详细规范》制订的,符合GB4936.1《半导体分立器件总规范》I类的要求。中国电子元器件质量认证委员会标准机构是中国电子技术标准化研究所。中华人民共和国电子工业部1988-04-22批准TTTKKAca
1989-08-01实施
评定器件质量的根据,
GB4936.1《半导体分立器件总规范》3DG182型详细规范
订货资料:见本规范第7章
1机械说明
GB10272-88
外形标准:GB7581《半导体分立器件外形尺寸》中代号A3--02B外形图及引出端识别:
9*9~07
标志,见本规范第6章
GB10272-88
2简略说明
高频放大用环境额定双极型晶体管半导体材料:N型硅
装:金属(空腔)
应用,电子线路中作高频放大。质量评定齿别
参考数据
Pta700mW(T.-25c)
Ic-300mA
f50MHz
VcE0>100V(3DG182A)
VcH0>150V(3DG182B)
Vc02200V(3DG182C)
Vco250V(3DG182D)
按本详细规范鉴定合格的器件,其制造厂的有关资料,见合格产品一览表。YYKAONYKCa
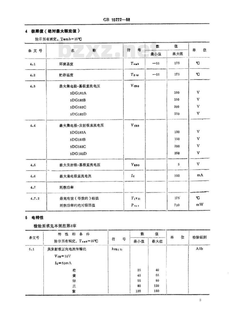
极限值(绝对最大额定值)
除非另有规定。Tamb=25℃
条文号
5电特性
环境温度
贮存温度
最大集电极-基极直流电压
3DG182A
3DG182B
3DG182C
3DG182D
GB10272--88
最大集电极-发射极直流电压
3DG182A
3DG182B
3DG182C
3DG182D
最大发射极-基极直流电压
最大集电极直流电流
耗散功率
最高有效(等效的)结温
耗散功率的绝对极限值
检验要求见本规范第8章
条文号
特性和条件
除非另有规定,T.m=25℃
共发射极正向电流传输比
Vce10V
Ic=50mA
hFB(I)
YYKAONTKa
最小值
最小值
最大值
最大值
检验组别
条文号
特性和条件
除非另有规定,T.mb=25℃
共发射极正向电流传输比
Veg10V
Ic=5mA
特征额率
Vc-10V
Ic-20mA
f-30MHz
集电极-基极截止电流
Vc100VIg-0,3DG182A
Vc=150V.Ig=0,3DG182B
Vc-200VIg=0,3DG182C
Vc250V,Ig-0,3DG1821)
集电极-发射极截止电流
Vc#=100V,I=0,3DG182A
Vc#-150V,Ig-0,3DG182B
VcB-200V,I=0,3DG182C
Vc=250V,I=0,3DG182D
高温下的集电极-基极裁止电流
T.b=125℃
VcB=65V.Ig0,3DG182A
Vca=100V,Ig-0,3DG182B
Vc=130V,Ig-0,3DG182C
Vc=165V.Ig=0,3DG182D
发射极-基极截止电流
Vm=5V,Ie0
GB10272-188
heeis)
IcBo(1)
IcBo(a)
YYKAONTKa
最小值
最大值
检验组别
条文号
特性和条件
除非另有规定,(T-25℃)
基极-发射极电压
Vcg-10V
Ic=50mA
集电极-发射极饱和电压
Ic=200mA
Ig20mA
共基极输出电容
VeB10V
f=1MHz
结到环境的热阻
注:h的允许测试误差为士10%。6标志
6.1器件上的标志
GB102T2--88
VcB(Sot)
Rn(i-aab)
a。型号和质量类别(放在型号后面),b,制造厂商标,
c检验批识别代码,
d。认证合格标志(适用时):
e。hre分档(按本规范5,1条)。6.2包装盒(袋)上的标志
a。型号和质量类别,
b.制造厂名称和商标,
c检验批识别代码,
d。认证合格标志(适用时),
e。hr分档(按本规范5.1条)
f。“怕湿”等。
7订货资料
a.型号,
b.本规范编号,
c。hre分档,
d.其它。
8试验条件和检验要求
最小值
最大值
℃/mw
检验组别
在本章中,除非另有规定,引用的条文号对应于GB4936.1的条文号,测试方法引自GB4936.1的6.1.1条.
YYKAONTKAa
全部试验都是非破坏性的(3.6.6)检验或试验
A1分组
外部目检
A2a分组
不工作器件
集电极-基极截止
发射极-基极截止
英发射极正向
电流传输比
A2b分组
集电极-基极截止
集电极-发射极截
止电流
发射极-基极截止
共发射极正向电流
传输比
基极-发射极电压
集电极-发射极饱
和电压
-A4分组
特征频率
IcBo()
hpE(I)
IcBo(1)
VcB(t)
引用标准
T--006
T--005
T--003
GB10272-88
A组—逐批
除非另有规定,Tm8=25℃
(见GB4936.1第4章)
VcB100V.Ig=0,3DG182A
Vc=150V,Ig0,3DG182B
VcB=200V,Ig=0,3DG182C
VcB-250V,Ig-0,3DG182D
Ven=5V,Ic=0
Vcg-10V
Ic=50mA
VcB=100V,Ig=0,3DG182A
Vc=150V,Ig0,3DG182B
Vcn=200V,Ig0,3DG182C
VcB=250V,Ig=0,3DG182D
Vc=100V,Ig=0,3DG182A
VcE=150V,Ig=0,3DG182B
Vce200V.IB03DG182C
Vcg250V,Ig-0,3DG182D
Vga=5V,lc0
Vce10V
Ic=50mA
色标橙
黄绿蓝紫
Vcg=10V
Ic=50mA
Ic=200mA
la=20mA
Vcg=10V
1c=20mA
f=30MHz
YYKAONYKCa
最小值最大值
标志湾晰,表
面无机械损伤
GB10272--88
B组—逐批
只有标明(D)的试验是破坏性的(3.6.6)条
检验或试验
B1分组
B3分组
引出端强度:
弯曲(D)
B4分组
可焊性
B5分组
温度变化
继之以
B8分组
电耐久性
引用标准
GB4937,1)
GB4937,
GB4937,
GB4937,
GB4938,
方法!
除非另有规定,Tm25℃
(见GB4936.1第4章)
受试引出端数:3
外加力,2.5N
试验b,
受试引出端数:3
其它规定见本规范附录A
严格度2
方法1
方法3,试验液体:氟油
工作寿命t=168h
Ptt=700mW
Vcz=70V(3DG182A.B)
Vce-140V(3DG182G、D)
注:1)GB4937《半导体分立器件机械和气候试验方法》。2)GB4938《半导体分立器件接收和可靠性》。YYKAONYKCa
检验要求
最小值最大值
按本规范第1
无损伤
按GB4937,
满串50mPa
检验或试验
最后测试:
集电极-基极截止
共发射极正向电流
传输比
集电极-发射极饱
和电压
CRRL分组
Icno(1)
hrg(1)
引用标准
GB10272—88
除非另有规定,T.==25℃
(见GB4936.1第4章)
Vc#100V,g=0,3DG182A
Vca=150V,Ig=0,3DG182B
Vc =200V, Ig=0, 3DG182C
Vc#=250V,Ig-0,3DG182D
Vea-iov
Ic-50mA
c=200mA
1g-20mA
就B3、B4、B5和B8分组提供计数检邀维果C组-
只有标明(D)的试验是被坏性的(3.6.6)检验或试验
C1分组
C2a分组
共基极输出电容
C2b分姐
共发射极正向电流
传输比
hpn(a)
引用标准
—周期
除非另有规定,T=25℃
(见CB4936.1第4章)
Ven-10V
f-1MHz
Vem-10V
Ie=5mA
YYKAONYKCa
检验要求
最小值最大值
最小值最大值
按规范第1章
!检验成试验
集电极-基极截止
C3分组
引出端强度:
拉力D)
C4分组
耐焊接热(D)
最后测试:
集电极-基极截止
共发射极正向电流
传输比
Ieso(s)
IcBO(I)
引用标准
GB4937
GB102T2--88
除非另有规定,T..25℃
(见GB4936.1第4章)
色标,橙
Taab-125℃
VoB=#65V,Ig=0,3DG182A
Vea100V,Ig0,3DG182B
VcB130V.0,3DG182C
Vc=165V.Fg=0,3DG182D
受试引出端数:3
外加力:5N
方法1A,
恢复时间30min,
每6个月一次
Vch=100V,Ig-U,3DG182A
Vcn=150V.Ig=0,3DG182B
Ve200V,Ig-0,3DG182C
Vc=250V.Ig0,3DG182D
Vcr=10V
Ic=50mA
YYKAONTKAa
最小值最大值
按CB4937,
检验或试验
C6分组
恒定加速度
最后测试:
同C4分组
C8分组
电耐久性
最后测试:
商B8分组
C8分组
高温贮存(D)
最后测试:
同B8分组
C11分组
标志耐久性
CRRL分组
引用标准
GB4937,
GB4938
GB4937
GB10272-88
除非另有规定,T26%
(见GB4936.1第4章)
严格度:196000m/sz
加速度轴和方向:X、Y,方向
同C4分组
工作寿命t=1000h
Pt-700mW
-Vc-70V(A: B)
Vce140V-C、D)
同B8分组
1=1000h
Tsta175C
同B8分组
方法2
最小值最大值
同C4分组
同B8分组
同B8分组
按GB4937,
就C2、C3、C4、C6、C9分组提供计数检查结果;提供C8分组试验前后的计量检查结果。鉴定批准试验
9D组-
D组试验除鉴定时必须进行外,每12个月应进行一次,仅为了提供资料。不作验收依据。条
检验或试验
电耐久性
最后测试:
同B8分组
CRRL分组
引用标准
GB4938www.bzxz.net
除非另有规定,Tmb25℃
(见GB4936.1第4章)
工作寿命t=3000h
Ptt=700mW,Vcz=70(A.B)
Vce140V(C, D)
同B8分组
提供D组试验前后的计量检查结果YYKAONYKCa
检验要求
最小值最大值
周B8分组
单位其类
A1加速老化
GB10272--88
附录A
晶体管的可焊性
(补充件)
对于在器件制成后,又进行沾锡(或镀锡)的器件。需做加速老化。其条件是:100℃水蒸气中置放1h。
A2试验方法
a,优先采用槽焊法。
b。必要时,可采用润湿称量法。按GB2423.32《电工电于产品基本环境试验规程润湿称量法可焊性试验方法》进行。润湿过程,按使用非活性焊剂时,在3s内达到理论润湿力的35%。附加说明:
本标准由上海市勤奋半导体器件厂负责起草。11
YYKAONrKa
小提示:此标准内容仅展示完整标准里的部分截取内容,若需要完整标准请到上方自行免费下载完整标准文档。