首页 > 电子行业标准(SJ) > SJ/T 11054-1996 电子器件详细规范 3DG140型高频放大环境额定双极型晶体管(可供认证用)
SJ/T 11054-1996

基本信息

标准号: SJ/T 11054-1996

中文名称:电子器件详细规范 3DG140型高频放大环境额定双极型晶体管(可供认证用)

标准类别:电子行业标准(SJ)

标准状态:现行

发布日期:1996-11-20

实施日期:1997-01-01

出版语种:简体中文

下载格式:.rar.pdf

下载大小:665695

相关标签: 电子器件 详细 规范 高频 放大 环境 额定 双极型 晶体管 认证

标准分类号

中标分类号:能源、核技术>>能源、核技术综合>>F01技术管理

关联标准

替代情况:原标准号GB 10273-88

采标情况:IEC 47(co)816 MOD

出版信息

出版社:中国标准出版社

页数:12页

标准价格:16.0 元

出版日期:1997-01-01

相关单位信息

起草单位:上海市半导体器件二十厂

发布部门:国家技术监督局

标准简介

本标准规定了3DG140型高频放大环境额定双极型晶体管的详细要求。本标准适用于3DG140型高频放大环境额定双极型晶体管。 SJ/T 11054-1996 电子器件详细规范 3DG140型高频放大环境额定双极型晶体管(可供认证用) SJ/T11054-1996 标准下载解压密码:www.bzxz.net

标准图片预览

SJ/T 11054-1996 电子器件详细规范 3DG140型高频放大环境额定双极型晶体管(可供认证用)
SJ/T 11054-1996 电子器件详细规范 3DG140型高频放大环境额定双极型晶体管(可供认证用)
SJ/T 11054-1996 电子器件详细规范 3DG140型高频放大环境额定双极型晶体管(可供认证用)
SJ/T 11054-1996 电子器件详细规范 3DG140型高频放大环境额定双极型晶体管(可供认证用)
SJ/T 11054-1996 电子器件详细规范 3DG140型高频放大环境额定双极型晶体管(可供认证用)

标准内容

中华人民共和国国家标准
电子元器件详细规范
3DG140型
高频放大环境额定双极型晶体管Detail specification for electronic componentBipolar transistor for ambient-ratedhigh-fregueneyamplification of type3DG140(可供认证用)
本标准规定了3DG140型高频放大环境额定双极型晶体管的详细要求。本标准适用于3DG140型高频放大环境额定双极型晶体管。GB
10273-88
降为SJ/T11054-96
本标准是按GB6217《高低频放大环境额定双极型晶体管空白详细规范》制订的,符合GB4936.1《半导体分立器件总规范》Ⅱ类的要求。中国电子元器件质量认证委员会标准机构是中国电子技术标准化研究所。中华人民共和国电子工业部1988-04-22批准-
TTTKKAca
1989-08-01实施
国家标准局
评定器件质盘的根据:
GB4936.1《半导体分立器件总规范》3DG140型详细规范
订货资料:见本规范第7章
机械说明
GB10273--88
GB10273--88
简略说明
外形标准:GB7581《半导体分立器件外形尺寸》中代号A4—01B
外形图及引出端识别:
标志:见本规范第6章
高频放大用环境额定双极型晶体管半导体材料:N型硅
装:金属(空腔)
应用:电子线路中作高频低噪声放大以及高频电路中的混频、本报。
质量评定类别
参考数据:
Ptet=100mW(Tab=25℃)
Ie=20mA
fr2600MHz
G>17dB
F,A4dB
按本详细规范鉴定合格的器件,其制造厂的有关资料,见合格产品一览表。YYKAONTKAa
极限值(绝对最大额定值)
除非另有规定,Tm一25℃
条文号
6电持性
环境温度
此存温度
最大电极-基极直流电压
最大集电极-发射极直流电压
最大发射极-基极直流电压
最大集电极(直流)电流
耗散功率的绝对极限值
最高有效(等效)结温
检验要求见本规范第8章
条文号
特性和条件
除非另有窥定,..=25℃
共发射极正向电流传输比静态值Vce-6V,IclmA
共发射极正向电流传输比静态值VcE=2V,Ic-3mA
共发射极正向电流传输比静态值Vcn-6V,Io0.2mA黄
GB10273---88
haiz(n)
haia(2)
her(s)
YYKAONTKa
殿小值
最小假
最大值
最大值
条文号
符性和条件
下mb25℃
除非另有豌定个
特征频率
VeB=6V
lc=imA
f=100MHz
集电极-基极截止电流
Vcn± 20V, Ig=0
集电极-发射极截止电流
Vc15V,Ig=0
高温下的集电极-基极截止电流
VcB-15V,Ig=0
T.8-125℃
发射极-基极截止电流
Vn-4V, Ic0
基极-发射极电压
Vc-6V,Ic-ImA
共基极输出电容
Vca ==6
Ig=0mA
f=1MHz
噪声系数最大值
Veg-6V
Ic=1mA
f=100MHz
GB10273-8B
IcBa(1)
YYKAONYKCa
最小值
最大值
条文号
6标志
特性和条件
除非另有规是=25℃
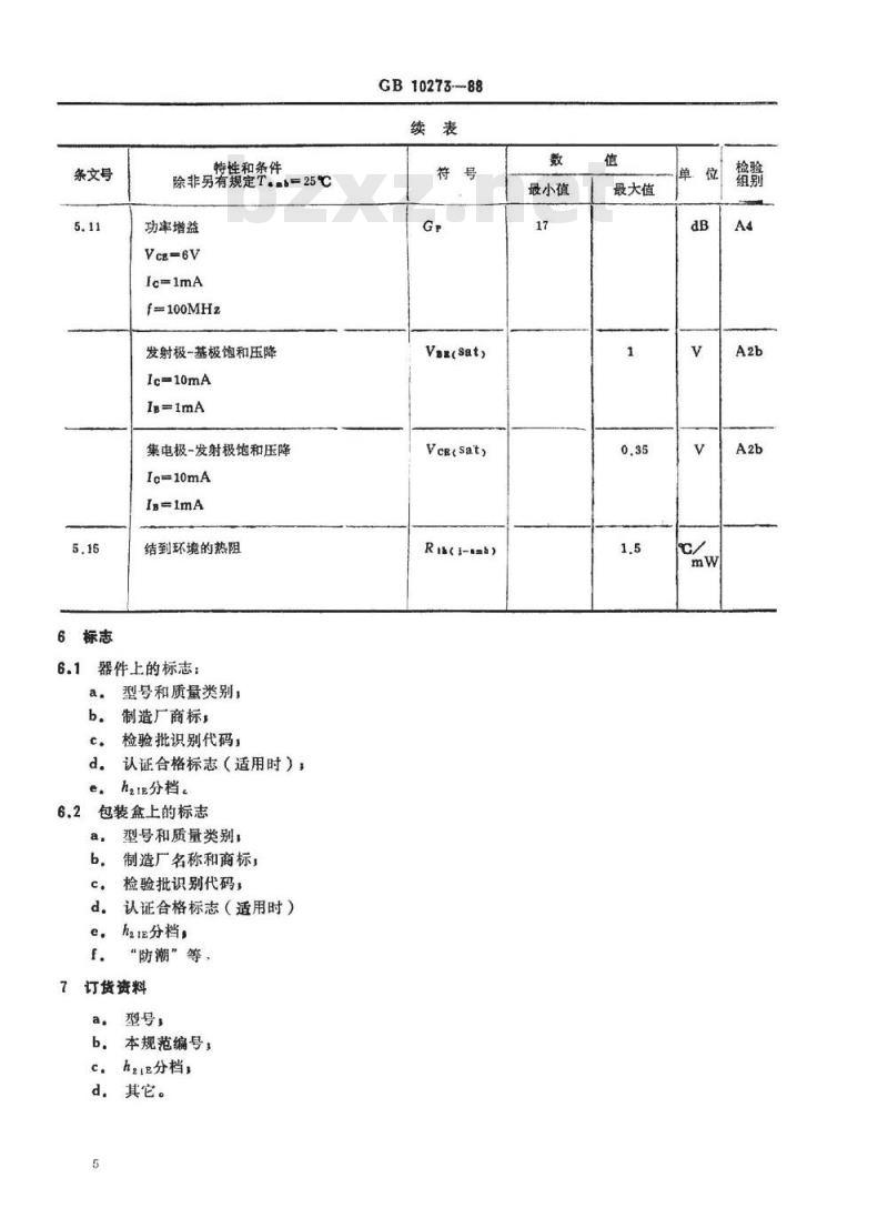
功率增益
Vca=6V
Ic=1mA
f=100MH2
发射极-基极饱和压降
Ic=10mA
Ig=1mA
集电极-发射极饱和压降
Ic=10mA
Ig=ImA
结到环境的热阻
6.1器件上的标志:
型号和质量类别,
制造厂商标,
检验批识别代码,
d。认证合格标志(适用时),
hgTe分档。
6.2包装盒上的标志
型号和质量类别:
制造厂名称和商标,
检验批识别代码,
认证合格标志(适用时)
ha1E分档,
“防潮”等,
订货资料
型号:
b.本规范编号,
C.h21E分档,
d其它。
GB10273-88
Vz(sat)
VcE(sat)
Ri(j-smb)
YYKAONTKAa
最小值
最大值
8试验条件和检验要求
GB10273-88
在本章中,除非另有规定,引用的条文号对应于GB4936.1的条文号,测试方法引自GB4936.1第6.1.1条.
A组逐批
全部试验都是非破坏性的(3.6.6)碳
除非另有规定
检验或试验
A1分组
外部目检
A2a分组
不工作器件
共发射极正向电流传输比静
发射极-基极截止电流
集电极-基极截止电流
A2b分组
hzE(1)
IcBo(1)
共发射极正向电流传输比静ha语(1)态值
集电极-基极截止电流
集电极-发射极截止电流
发射极-基极截止电流
基极-发射极电压
集电极-发射极饱和压降
发射极-基极饱和压降
IcBo(1)
VcE(sat)
VBe(sat)
引用标准
Tm25℃
(见GB4936.1第4章)
Vc=6V.Ic=1mA
VB4V,Ic=0
VcB=20V,Ig-0
Vcz=6V,Ic=1mA
Vc== 20V, Ig=0
Vce=15V,IB=0
VeB=4V,Ic=0
Vce=6V,Ic-1mA
Ic=10mAIg=1mA
Ic=10mA,In=1mA
YYKAONTKAa
检验要求
最小值最大值
标志清晰、表
面无机械损伤
检验或试验
A4分姐
功率增益
噪声系数
特征额率
CB10273-88
除非另有规定
引用标准
GB4587
T--041
注,1)GB4587《双极型晶体管测试方法》25℃
(见GB4036.1第4章
Vce=6V.Ic=1mA
f=100MHz
Vcg-6V,Ic=1mA
f-100MH
最小值最大值
Ic=ImA
f=100MHz
B组逐批
只有标明(D)的试验是破坏性的(3.6.6)件
除非另有规定
检验或试验
B1分组
B3分组
引出端强度,
弯曲(D)
B4分组
可焊性
引用标准
GB4937,1)
GB4937,
m=25℃
(见GB4936.1第4章)
方法!
受试引出端数:4
外加力,2.5N
试验b,
其它规定见本规范附录A
注:1)GB4337半导体分立器件机械和气候试验方法》。YYKAONTKa
S-—3
检验要求
最小值最大值
按本规范
第1章
无损伤
按GB4937,
位五类
检验或试验
B5分组
温度变化
继之以
B8分组
电耐久性
最后测试:
巢电极一基极截止电流
IcBo(1)
共发射极正向电流传输比
h2ie(1)
静态值
B9分组
高温贮存wwW.bzxz.Net
最后测试:
高B8分组
CRRL分组
GB10233--88
除非另有规定
用标准
GB4-37
GB4937
GB4937,
GB49381)
GB4937,
mb-25℃
(见GB4936.1第4章)
严格度:2
方法1
方法2,试验液体:
工作寿命t=168h
Pte1=100mW
VcB-1oV
VcB = 20V, Ig*(
Vee=6V,Ic-1mA
色标:黄
t=168h
T.kg115℃
同B8分组
就B3、B4、B5、B8和B9分组提供计数检查结果注,1)GB4938《半导体分立器件接收和可靠性》YYKAONTKAa
检验要求
最小值最大值
5×10~2
位亚类
按GB4937,
3.7.5.5.5
同B8分组
GB10273--88
C组周期
只有标明(D)的试验是破坏性的(3.6.6)条件
检验或试验
C1分组
C2a分组
共基极输出电容
C2b分组
共发射极正向电流传输比
静态值
共发射极正向电流传输比
静态值
高温下的集电极-基极截
止电流
C3分组
引出端强度,
拉力(D)
C4分组
耐焊接热(D)
最后测试,
集电极-基极截止电流
共发射极正向电流传输比
静态值
h21E(2)
h21E(8)
IcBo(2)
IcBo(1)
h21E(1)
引用标准
T—007
GB4937,
GB4937,
Tm=25℃
(见GB4936.1第4章)
Vc=6V,Ig-0mA
f=1MHz
Vc=2V,Ic=omA
Vcg-6V,Ic=0.2mA
Vca=15V,Ig=0
T.ab=125℃
外加力:5N
受试引出端数:4
每六个月一次,
方法1A
VcB-20V,Ig=0
Vce=6V
Ic=1mA
YYKAONTKAa
检验要求
最小值最大值
按本规范第
按GB4937,
位真类
检验或试验
C6分组
恒定加速度
最后测试:
集电极-基极截止电流
共发射极正向电流传输比
静态值
C8分组
电耐久性
最后测试:
集电极-基极截止电流
共发射极正向电流传输比
静态值
噪声系数
C9分组
高温贮存(D)
最后测试:
同B8分组
C11分组
标志耐久性
CRRL分组
IcBo(1)
h2iE(1)
IcBO(1)
h21E(1)
GB10273--88
除非另有规定
引用标准
GB4938
GB4937
GB4937,
(见GB4936.1第4章)
严格度:1.6000m/ss
加速度轴和方向:Y1、X
VcB-20V,Ig=0
VcE=6V
Ic-1mA
Peo1=170mW
VeE=15V
工作寿命t=1010h
VcB=20V.Ig-0
VcE=6V,
Vce=6V,Ic-1mA,
检验要求
最小值最大值
f-100MHz,Rg=50@B档
t=1000h
同B8分组
同B8分组
方法2
就C2、C3、C4、C7、C9分组提供计数检查结果,提供C8分组试验前后的计量检查结果。YYKAONTKa
按GB4937,
位亚类
9D组鉴定批准试验
GB10273-88
D组试验除鉴定时必须进行外。每12个月应进行一次,仅为了提供资料,不作验收依据。条
检验或试验
电耐久性
最后测试:
同C8分组
CRRL分组
引用标准
GB4938
除非另有短定,
Tamb=25℃
工作寿命,
Vc=10V,Pt100mw
t=3000h
同C8分组
提供D组试验前后的计最检查结果YYKANrKa
检验要求
最小值最大值
同C8分组
A1加速老化
GB10273--88
晶体管可焊性
(补充件)
对于在器件制成后,又进行活锡(或镀锡)的器件,需做加速老化。其条件是:100℃水蒸气中置放1h。
A2试验方法
优先采用槽焊法。
b.必要时,可采用润湿称量法。按GB2423.32《电工电子产品基本环境试验规程润湿称量法可焊性试验方法》进行。润湿过程,按使用非活性焊剂时,在3s内达到理论润湿力的35%。附加说明:
本标准由上海半导体器件二十一厂负责起草。12
YYKAONTKACa
小提示:此标准内容仅展示完整标准里的部分截取内容,若需要完整标准请到上方自行免费下载完整标准文档。