首页 > 电子行业标准(SJ) > SJ/T 11055-1996 电子器件详细规范 4CS119型硅高频双绝缘栅场效应晶体管(可供认证用)
SJ/T 11055-1996

基本信息

标准号: SJ/T 11055-1996

中文名称:电子器件详细规范 4CS119型硅高频双绝缘栅场效应晶体管(可供认证用)

标准类别:电子行业标准(SJ)

标准状态:现行

发布日期:1996-11-20

实施日期:1997-01-01

出版语种:简体中文

下载格式:.rar.pdf

下载大小:859579

相关标签: 电子器件 详细 规范 高频 绝缘 场效应 晶体管 认证

标准分类号

中标分类号:能源、核技术>>能源、核技术综合>>F01技术管理

关联标准

替代情况:原标准号GB 10274-88

出版信息

页数:11页

标准价格:15.0 元

相关单位信息

标准简介

SJ/T 11055-1996 电子器件详细规范 4CS119型硅高频双绝缘栅场效应晶体管(可供认证用) SJ/T11055-1996 标准下载解压密码:www.bzxz.net

标准图片预览

SJ/T 11055-1996 电子器件详细规范 4CS119型硅高频双绝缘栅场效应晶体管(可供认证用)
SJ/T 11055-1996 电子器件详细规范 4CS119型硅高频双绝缘栅场效应晶体管(可供认证用)
SJ/T 11055-1996 电子器件详细规范 4CS119型硅高频双绝缘栅场效应晶体管(可供认证用)
SJ/T 11055-1996 电子器件详细规范 4CS119型硅高频双绝缘栅场效应晶体管(可供认证用)
SJ/T 11055-1996 电子器件详细规范 4CS119型硅高频双绝缘栅场效应晶体管(可供认证用)

标准内容

UDC621.382.323
中华人民共和国国家标准
GB10274-88
降为SJ/T11055-96
电子元器件详细规范
4CS103、4CS119、4CS1191、4CS122、4CS142和4CS1421型硅高频双绝缘栅场效应晶体管
Detail specification for electronic componentHigh frequency silicon duai insulated-gatefield-effect transistor of
type 4CS103.4CS119、4CS119l,4CS122,4CS142and4CS1421国家技术监督局发布
TTTKKAca
中华人民共和国国家标准
电子元器件详细规范
4CS119型
硅高频双绝缘栅场效应晶体管
Detail specificationfor electronic componentHigh frequency silicon dual insulated-gatefield-effect transistor of type 4CS119本标准规定了4CS119型硅高频双绝缘榭场效应晶体管的详细要求。本标准适用于4CS119型硅高双绝缘栅场效应晶体管。GB10274-88
本标准是参照GB6219《1GHz、5W以下的单概场效应晶体管空白详细规范》制订的,符合GB4936.1《半导体分立器件总规范》类的要求。中华人民共和国电子工业部1988-04-22批准YYKAONKCa
1989-08-01实施
评定器件质量的根据,GB4936.1《半导体分立器件总规范》
4CS119型详细规范
订货资料:见本规范第章
1机械说明
GB10274—88
外形标准,GB7E81《半导体分立器件外形尺寸》中代号E4-06A
外形图及引出端识别
标志:见本规范第6章。
YYKAONTKa
GB10274--88
2简略说明
N沟道双绝缘栅耗尽型场效应晶体管半导体材料,P型硅
封装:塑料(非空腔)
应用,在VHF频段作高频放大用
注意,装配静电敏感器件应遵守预防措施。3质量评定类别
参考数据,
Pto1=250mW
1Y21s[>25mS
GP>20dB
IDss分档Q:08~7.0mA
R,4.0~10mA
4.极限值(绝对最大额定值)
除非另有规定,Tamb=25℃免费标准下载网bzxz
条文号
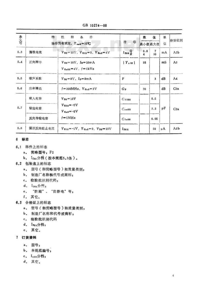
5电特性
环境温度
贮存温度
漏源电压
一期源电压
二栅源电压
漏极电流
沟道温度
耗散功率
检验要求见本规范第8章
祭文号
GB10274--88
除非另有规定,T*mb=25℃
一栅正向漏泄电流
一机反向滑泄电流
二栅正向漏泄电流
二栅反向漏泄电流
一栅源截止电压
二栅源截止电压
VDS-VG#S-0
VDE-VGIS-0
Vps=10V
VDs=10V
VGis-8V
Ve1s=6V
T.=100℃
VG1S=-8V
VGIs-aV
T.=1G0℃
VGzs=8V
VG2s=6V
VG-s=-8V
VGas=-3V
VGzs=4V
VGIS-4V
T.=100℃
T.=25℃C
T.=100℃
ID=100μA
ID=100μA
-YYKAONTKCa
最小值
IGISSF(I)
IGISSF(2)
IGISSR(I)
IGISSR(2)
IGeSSP()
IGSSP(8)
IGaSSR)
IGaSsR(n)
Veis(ott)
VGeS(oTt)
最大值
最小值最大值
检验组别
条文号
漏极电流
正向跨导
噪声系数
功率增益
输入电容
输出电容
反向传输电容
GB10274-88
和条件
除非另有规定,T。mb=25℃
Vps=-10V,VGIs=0,VGas=4V
Vps=10V,Ip=10mA
VG=ss=4V,f-1kHz
Vs=8VIp=8mA
f=200MHz,VG*s-3V
VDs=10V
VG1s-5V
VGa--5V
f=1MHz
源反向截止电流
6标志
6.1器件上的标志
a,简略型号,F2
VGis--5V,VG+s-0,Vs-15V
b。IDss分档(按本规范5.3条)。6.2包装盒上的标志
型号(和简略型号)和质量类别:a.
制造厂名称和代号或商标,
检验批识别代码,
d.Ipss分档,
“防潮”、“防静电”等,
f.其它。
6.3合格证上的标志
型号(和简略型号)和质量类别:b.
制造厂名称和代号或商标,
检验批识别代码
d。Ipgs分档,
e:其它。
7订货资料
a:型号,
b.本规范编号
cIpss分档,
d其它。
YYKAONTKAa
IYeisl
最小值最大值
检验组别
试验条件和检酸要求
GB1027488
在本章中,除非另有规定,引用的条文号对应于GB4936.1的条文号:测试方法引自GB4936.1第6.1.1条。
全部试验都是非被坏性的。
检验或试验
A1分组
外部目检
A2a分组
不工作器件
一栅源截止电压
二橱源稳止电压
A2b分组
一栅正向漏泄电流
栅反向漏泄电流
二正向漏泄电流
二栅反向漏泄电流
一栅源载止电压
二栅源载止电压
溉极电流
源反向截主电流
A3分组
正向跨导
A4分组
噪声系数
注:1)
VGis(otn)
VGrs(otn)
IGISSF(I)
IGISSR(N)
IGaSSP(1)
IG2ssR(n)
VGistotn
VGes(oTt)
IYaisi
引用标准
T-0741)
T--075
T--071
T—074
T--074
T--072
A组——逐批
除非另有规定
T=25℃
(见GB4936.1第4章)
ID=100μA
VDs-10V,VG-4V
In=100μA
VDS-10V VGI8-4V
VDs-VGas=0VGIs=8V
VDs-Vas-0, VGs--8V
VDs-VGIS-0,VG==8V
Vns-VG1s-0,VG.s--8V
Ip=100μA
VDs-10V,VGIg=-4V
Ip100uA
VDs-10V.VG1s-4V
VGis=o,Vps=10V,VGes=4V
VG1s--5V, VG25-0
VDS-15V
Vos-10V,Ip=10mA
Vazs=4V,f-1kHz
Vps=8V,In-8mA
VG2s3V,f-200MHz
用T—074方法无法判断时,可采用T075方法检验YYKAONYKCa
检验要
最小值最大值
标志清晰,表
面无机械损伤
GB10274--88
B组逐批
只有标明(D)的试验是破坏性的(见3.6.6)条
检验或试验
B1分组
B3分组
引出端强度:
弯曲(D)
B4分组
可焊性
B5分组
温度变化
继之以
交变湿热(D)
最后测试:
一栅源裁止电压
二栅源截止电压
一栅正向漏泄电流
VGis(oIf)
VGes(ot)
IGISSP(1)
一栅反向漏泄电流
IGissR(i)
二栅正向漏泄电流
二栅反向漏泄电流
B8分组
电耐久性
注:1)
IGassPtI)
IGsSSR(1)
引用标准
GB4937,
GB4937
GB4937
GB2423.42
T—074,
1—074
T—071
GB6219,
附录A
除非另有规定Tm=25℃
(见GB4936.1第4章)
方法1
外加力:2.5N
受试引出端数:4
试验b
TA--55C
T=-125℃
循环次数:5次
ti=30min
tg-2~3min
严酷等级:
温度,55℃,周期数6天
恢复条件;正常的试验大气条件VDs=10V,VG2s4V,Ip=100μA
VDs=10V,VGIs=4V,Ip=100μA
VDs=VG2s-0,VG1s-8V
VDs-VG29-0,Ve1s--8V
Vps-VG1s-0, VG1s=8V
VDs-VGis=0,VGas=--8V
工作寿命,t=168h
Pto=250mW
Vpg=12V
VG1s-VG2s=0~6V
《半导体分立器件机械和气候试验方法》。GB4937
检验要
最小值最大值
接本规范第1
无损伤
按GB4937
《电工电子产品基本环境试验规程试验Db:交变湿热试验方法》。YYKAONYKCa
检验或试验
最后测试:
一栅源截止电压
二栅源截止电压
一栅正向漏泄电流
一橱反向漏泄电流
VGis(ot)
VG2S(ofE)
IGISSF(I)
IG1SSB(1)
二栅正向漏泄电流
IGaSSF(1)
二栅反向漏泄电流
IGrssR()
漏极电流
B9分组
高温贮存
最后测试
同B8分组
CRRL分组
引用标准
T-074,
T—074
T--071
GB4937
GB10274—88
除非另有规定Tmb=25℃
(见GB4936.1第4章)
Vps=10V.VGs4V,Ip=100μA
VDs-10V.Vuis-4V,Ip-100μA
VDs-VGis-0,VGIs-8V
VD-VG#s=0,VG1s-—8V
Vps-Veis=0,VGzs=gV
VDs=VG1S=0,VGaS=--8V
Vs=10V,VG1S-0,VGs=4V
Tst125℃t=168h
同B8分组
就B3、B4、B5、B8和B9分组提供计数检查结果。C组一周期
只有标明(D)的试验是破坏性的(见3.6.6)条
检验或试验
C1分组
C2a分组
输入电容
输出电客
反向传输电容
功率增益
引用标准
T—076
T--084
除非另有规定Tmb=25℃
(见GB4936.1第4章)
Vp=-10V,VGIs=-5V
VGs#-5V,f=IMHz
VDs-10VVGIS--5V
VGs---5V,f=1MHz
Vos 10V, Vaig-5V
VG8--5V,f=IMHz
Vps=8V,Ip-8mA
VG-3V,f-200MHz
YYKAONYKCa
检验要求
最小值最大值
同B8分组
检验要求
最小值最大值
按本规范第1
检验或试验
C2b分组
一榭正向漏泄电流
一橱反向漏泄电流
二栅正向漏泄电流
栅二反向漏泄电流
C3分组
引出端强度:
拉力D)
耐焊接热(D)
最后测试
同B5分组
C7分组
稳态湿热(D)
最后测试
同B5分组
C8分组
电耐久性
最后测试:
(1)同B5分组
IGISSP(2)
IGISSR(2)
IG#SSF<2)
IG+SSR<2)
引用标准
T—071
GB4937,
GB4937,
GB10274-88
除非另有规定Tb=25℃
(见GB4936.1第4章)
VDS=VG1S-0
VG15=6V,Tomb=100℃
VDS=VGrS=0
VG1s=-6V,Taa6-100℃
VDS=Va1S-0
VGs=-6V,T.100℃
VDs-VGIS=0
VG2s--6V T.mb-100℃
拉力:5N
受试引出端数:4
方法1A
同B5分组
严格度1
GB6219,
附录A
VGIS-VG.5--6V
同B5分组
工作寿命t=1000h
Ptot=250mW
VDs-12V
VGI-VG=s=0~6V
同B8分组
YYKAONTKAa
最小值最大值
按GB4937
同B5分组
同B5分组
同B8分组
检验或试验
(2)正向跨导
C9分组
高温贮存(D)
最后测试
同B8分组
C11分组
标志耐久性
CRRL分组
引用标准
GB10274—-88
除非另有规定Tamb=25℃
(见GB4936.1第4章)
VDs10V,Ip=10mA
VGts-4V, f=1kHz
GB4937,
GB-4937,
T...=-125℃
t=1000h
同B8分组
方法2
就C2、C3、C4、C7、C9分组提供计数检查结果;提供C8分组试验前后的计量检查结果。鉴定批准试验
最小值最大值
同B8分组
按GB4937
D组试验除鉴定时必须进行外,每12个月应进行一次,仅为提供资料,不作验收依据。件
检验或试验
电耐久性
最后测试
同C8分组
CRRL分组
附加资料
特性曲线
引用标准
GB6219,
附录A
除非另有规定T..=25℃
(见GB4936.1第4章)
时间:至少2000h,在168h、1000h、2000h测试,其它同B8分组
同C8分组
提供D组试验前后的计量检查结果耗散功率-环境温度曲线(见图1)漏极电流-漏源电压曲线(见图2)功率增益-一栅源电压曲线(见图3)c.
漏极电流一一栅源电压曲线(见图4):d.
YYKAONYKCa
检验要求
最小值最大值
同C8分组
GB10274-88
漏极电流-二源电压曲线(见图5):e.
正向传输导纳一橱源电压典线(见图6)g.
噪声系数~一栅源电压曲线(见图了)。goo
环境温度()
120160206
耗散功率-环境温度曲线
Vos-8V
F=200MHz
VG2S-4V
一栅源电压(V)
图3功率增益-栅源电压曲线
(y)
Ve2ss4V
T25℃
VG1s=0.5V
漏源电压(V)
漏极电流-漏源电压曲线
Vc25-4V
Vesteioy
一翻源电压(V)
图4漏极电流-栅源电压曲线
YYKAONYKa
VeS=4V
GB10274-88
Vos-10v
二栅源电压(V)
(ap):
漏极电流-二栅源电压曲线
Vps=8V
=200MHz
VG25-1V
一栅源电压(V)
图7噪声系数-栅源电压
附加说明;
本标准由丹东半导体器件总厂起草。Bo
YYKAONYKa
一栅源电压(V)
正向传输导纳—栅源电压
小提示:此标准内容仅展示完整标准里的部分截取内容,若需要完整标准请到上方自行免费下载完整标准文档。