首页 > 电子行业标准(SJ) > SJ/T 11057-1996 电子器件详细规范 4CS142型硅高频双绝缘栅场效应晶体管(可供认证用)
SJ/T 11057-1996

基本信息

标准号: SJ/T 11057-1996

中文名称:电子器件详细规范 4CS142型硅高频双绝缘栅场效应晶体管(可供认证用)

标准类别:电子行业标准(SJ)

标准状态:现行

发布日期:1996-11-20

实施日期:1997-01-01

出版语种:简体中文

下载格式:.rar.pdf

下载大小:838777

相关标签: 电子器件 详细 规范 高频 绝缘 场效应 晶体管 认证

标准分类号

中标分类号:能源、核技术>>能源、核技术综合>>F01技术管理

关联标准

替代情况:原标准号GB 10276-88

采标情况:IEC 47(co)816 MOD

出版信息

页数:13页

标准价格:16.0 元

相关单位信息

标准简介

SJ/T 11057-1996 电子器件详细规范 4CS142型硅高频双绝缘栅场效应晶体管(可供认证用) SJ/T11057-1996 标准下载解压密码:www.bzxz.net

标准图片预览

SJ/T 11057-1996 电子器件详细规范 4CS142型硅高频双绝缘栅场效应晶体管(可供认证用)
SJ/T 11057-1996 电子器件详细规范 4CS142型硅高频双绝缘栅场效应晶体管(可供认证用)
SJ/T 11057-1996 电子器件详细规范 4CS142型硅高频双绝缘栅场效应晶体管(可供认证用)
SJ/T 11057-1996 电子器件详细规范 4CS142型硅高频双绝缘栅场效应晶体管(可供认证用)
SJ/T 11057-1996 电子器件详细规范 4CS142型硅高频双绝缘栅场效应晶体管(可供认证用)

标准内容

中华人民共和国国家标准
电子元器件详细规范
4CS142型
硅高频双绝缘栅场效应晶体管
Detail specification for electronic componentHigh frequency silicon dual insulated-gatefield-effect transistor of type 4CS142本标准规定了4CS142型硅高频双绝缘栅场效应晶体管的详细要求。本标准适用于4CS142型硅高频双绝缘栅场效应晶体管。GB10276—88
降为 SJ/T11057-96
本标准是参照GB6219《1GHz、5W以下的单栅场效应晶体管空白详细规范》制订的,符合GB4936.1《半导体分立器件总规范》类的要求。中华人民共和国电子工业部1988-04-22批准TTTKKAca
1989-08-01施
国家标准局
评定器件质量的根据,GB4936.1《半导体分立器件总规范》
4CS142型详细规范
订货资料、见本规范第7章
1机械说明
外形标准:GB7581《半导体分立器件外形尺寸》中代号E4—06A
外形图及引出端识别:
标志:见本规范第6章。
GB10276--88
YYKAONTKa
GB10276--88
2简略说明
N沟道双绝缘栅耗尽型场效应晶体管半导体材料:P型硅
封装:塑料(非空腔)
应用在UHF频段作高频放大用
注意:装配静电敏感器件应遵守预防措施3质量评定类别
参考数据:
P.c.=250mW
IY215I712S
F≤4.5dB
IDss分档
0.5~4.0mA
Q3.0~18mA
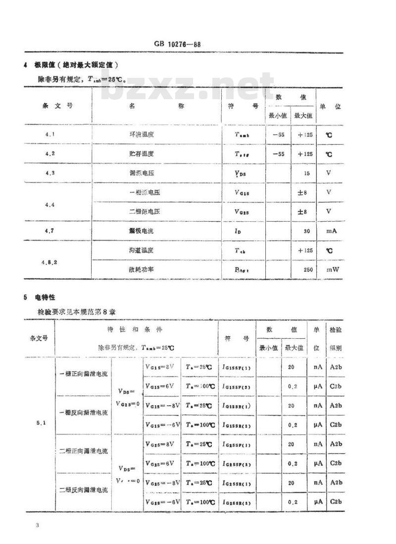
极限值(绝对最大额定值)
除非另有规定,Tm=25℃。
条文号
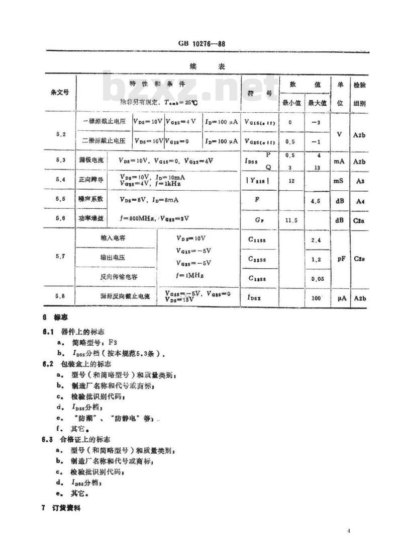
电特性
检验要求见本规范第8章
条文号
GB10276—88
环境温度
贮存温度
滞源电压
一橱源电压
二栅源电压
漏极电施
沟道温度
散耗功率
特性和条件
除非另有规定,2
Tamb=25℃
一栅正向漏泄电流
一栅反向漏泄电流
二栅正向漏泄电流
二栅反向漏泄电流
VGis&y
VG15=6V
VG15=--8V
VG1S6V
VGas=6V
VG2s-8V
T.=100℃
T.-100℃
T.=100℃
IG1SSF(1)
IGISSF(2)
IGISSE(1)
IGISSR(2)
IGESSF(I)
IG2SSP(2)
IG2SSR(I)
IG28SR(2)
YYKAONKCa
最小值
最小值
最大值
最大值
条文号
6标志
GB10276—88
特性和条件
除非另有规定,T.=25℃
一栅源裁截止电压
二栅源裁止电压
漏极电流
正向跨导
噪声系数
功率增益
VDs-10VVG2s-4V
Vps=-10VVe15=0
I=100μA
Ip=100μA
VDs=10V,VG1S=0,VG2s-4V
Vps= loV,
Va2s4V,
ID=10mA
VDs=gV.Ip=8mA
f-800MHz,Ve#s-gV
输入电容
输出电压
反向传输电容
滑源反向截止电流
8.1器件上的标志
简略型号,F3
Ipss分档(按本规范5.3条)。
包装盒上的标志
Vps=10V
VG1S--5V
VGaS=--5V
f=1MH2
VDS15V
型号(和简略型号)和质量类别:制造厂名称和代号或商标,
检验批识别代码,
Ipss分档,
“防潮”、
“防静电”等”
其它。
合格证上的标志
型号(和简略型号)和质量类别,制造厂名称和代号或商标,
检验批识别代码,
IDss分档,
其它。
7订货资科
YYKAONTKAa
VGistolt)
VG2stoIn)
最小值
最大值
a.型号,
b.本规范编号:
c.IDss分档,
d.其它。
8试验条件和检验要求
GB10276--88
在本章中,除非另有规定,引用的条文号对应于GB4936.1的条文号,测试方法引自GB4936.1第6.1.1条,
A组一—批逐
全部试验都是非破坏性的。
检验或试验
A1分组
外部目检
A2a分组
不工作器件
一栅源截止电压
二栅源截止电压
A2b分组
一栅正向漏泄电流
一杨反向漏泄电流
二栅正向漏泄电流
二栅反向漏泄电流
一橱源载止电压
二栅源截止电压
漏极电流
漏源反向裁止电流
VGistot)
VGzs(ett)
IGIssF()
IGisSR(I)
IGASSP(1)
IGESSR(1)
Vaistett)
VGes(ott)
引用标准
T—-0741)
T—071
T--074
T—072
除非另有规定T.-25℃
(见GB1936.1第4章)
ID-100μA
Vps-10V,VGts4V
ID=100μA
VDs-10V,VG1S-0
VDs-Vos-0,VisV
VDs=Ves=0,Ve15=-8V
VDs-VG1s-0, VGs-8V
检验要求
最小值最大值
标志清晰,表
面无机械损伤
VDs-=VG19-0.Vo25--8V
Ip=100μA
VDs10V.Vos-4V
Ip-100μA
VDs10V.Ve1s=0,
VGiso.Vaas4V.Vps1ov
VG1s--5V, Ve2s-0
Vps=15V
注:1)用T—074方法无法判断时,可采用T--075方法检验。5
YYKAONTKAa
检验或试验
A3分组
正向跨导
A4分组
噪声系数
IY21s1
引用标准
T—079
GB1027688
除非另有规定Tamb=25℃
(见GB4936.1第4章)
Vps=10,In=10mA
VG2s-4V,f=1kHz
Vps=8V,Ip=8mA
VG2s=3V,f=800MHz
B组一—逐批
只有标明(D)的试验是破坏性的(见3.6.6)条
检验或试验
B1分组
B3分组
引出端强度:
弯曲(D)
B4分组
可焊性
B5分组
温度变化
继之以
交变湿热(D)
引用标准
GB4937,
GB4937,
GB4937,
GB2423.42)
除非另有规定T。-25℃
(见GB4936.14第)章
方法1
外加力:2.5N
受试引出端数:4
试验b
T-55℃
TB-125C
循环次数,5次
t1=30min
ta=2~3min
严酷等级:
温度55℃,周期数6天,恢复条
件:正常的试验大气条件
注:1)GB4937《半导体分立器件机械和气候试验方法》极
检验要求
最小值最大值
检验要求
最小值最大值
按本规范
第1章
无损伤
按GB4937,
2)GB2423.4《电工电子产品基本环境试验规程试验D:交变湿热试验方法》。YYKAONTKAa
检验或试验
最后测试,
一栅源截止电压
二栅源截止电压
一栅正向漏泄电流
一栅反向漏泄电流
二栅正向漏泄电流
二栅反向漏泄电流
B8分组
电耐久性
最后测试:
一栅源载止电压
二栅源裁止电压
一橱正向漏泄电流
一栅反后漏泄电流
二栅正向漏泄电流
二栅反向漏泄电流
漏极电流
B9分组
高温贮存
最后测试,
同B8分组
CRRL分组
VGis(o1f)
Veastolt)
IGISSP(1)
IGISSR(1)
IGESSRI)
IGESSR(I)
VG1s(o11)
VGes(otf)
IGISSP(I)
IGISSR(1)
IGasSF(I)
IG2SSR(1)
GB10276—88
引用标准
除非另有规定T*=25℃
(见GB4936.1第4章)
VDs- 10V.Vegs-4V.
T-074,T-075
Ip100μA
检验要求
最小值最大值
T-074,T-075Vs=10VVG1s=0,Ip=100μAT-071
T--071
GB6219,
附录A
T-074,T-075
T-074,T-075
T--072
GB4937,3.2
Vps-Vos0, Ve15-8V
Vps-Vcas=e,VG1s=-8V
VDs-Ve1s0, Ve2s-8V
VDs Ve1s0, Vas --8V
工作寿命,t=168h
P250mW
VDs-12V
V15-VG2=06V
VDs= 10V,VGzs=4V.
Ip100HA
Vps= 10V, Veis=0,
ID=100μA
VDs=Ve2s0,VG1s8V
VpsVa2s0, VG1s--8V
Vps=Ve1so,Veas=8V
VDs-Vaiso,VoasgV
Yps=10V,Veis-0V,
VGAS4V
T.to=125℃.t=168h
同B8分组
就B3、B4、B6、B8和B9分组提供计数检查结果YYKAONTKAa
同B8分组
GB10276--88
一周期
只有标明(D)的试验是被坏性的(见3.6.6)条
检验或试验
C1分组
C2a分烟
输入电容
输出电容
反向传输电容
功率增益
C2b分烟
一栅正向漏泄电流
一橱反向漏泄电流
二栅正向漏泄电流
二栅反向漏泄电流
C3分组
引出端强度:拉力(D)
C4分组
耐焊接热(D)
最后测试,
同B5分组
IGiss(e)
IGISSR(2)
IGeSSF2)
IG#SSR(&)
引用标准
及本规范附录A
T--071
GB4937
GB4937,
除非另有规定Tml=25℃
(见GB4936.1第4章)
Vps10V,Veis-5V
Vass---5V.f-1MHz
Vps=10V,Ve1s=-5V
VG2s--5V.f-1MHz
Vps10V,Veis--5V
Voss--5V.f-1MHz
VDs=8V,ID-8mA
VG18-3V,f=800MHz
Vrs-Vees-0
VG136V,T.a1-100C
Vps-VGas0
VG1s=-6V,T.a=100℃
Vps-VeisD
VG2s=6V,T.m=100℃
VDs-VG1S-0
Ves-6V,Taas=100℃
拉力,5N
受试引出端数,4
方法1A
同B5分组
YYKAONTKAa
检验要求
最小值最大值
按本规范
第1章下载标准就来标准下载网
按GB4937,
同B5分组
检验或试验
C7分姐
稳态湿热(D)
最后测试:
同B5分组
CB分组
电耐久性
最后测试,
(1)同B8分组
(2)正向跨导
C9分组
高温贮存(D)
最后测试:
同BB分组
C11分组
标志耐久性
CRRL分组
引用标准
GB4937,
GB10276--88
GB6219
附录A
GB4937,3.2
GB 4937,4.2
除非另有规定T.一25℃
(见GB4936.1第4章)
严格度1
Vos=o,VGisVGas--6v
t=198h
同B5分组
工作寿命t=1000h
Pia1-250mW
Vis=12V
VG1g-VG2=0~6V
同B8分组
Vps10V,Ip10mA
VG2s=4V,f=1kHz
t=1000h
同B8分组
方法2
检验要求
最小值最大值
同B5分组
同B8分组
同B8分组
按GB4937,4.2
就C2、C3、C4、C7、C9分组提供计数检查结果,提供C8分组试验前后的计量检查结果。
D组一—监定批准试验
D组试验除鉴定时必须进行外,每12个月应进行次,仅为了提供资料,不作验收依据。9
YYKAONTKa
检验或试验
电耐久性
最后测试
同C8分组
CRRL分距
10附加资料
特性曲线
GB10276-88
引用标准
GB6219,
附录A
除非另有规定,T.25℃
(见GB4936.1第4章)
时间,至少2000h,在168h
1000h,2000h测试,其它同B8
同C8分组
提供D组试验前后的计量检查结果。耗散功率-环境温度曲线(见图1),漏极电流-漏源电压曲线(见图2),正向传输导纳一栅源电压曲线(见图3)漏极电流-一栅源电压曲线(见图4);d.
功率增益—栅源电压曲线(见图5)噪声系数一栅源电压曲线(见图6):功率增益一二棚源电压曲线(见图7)。YYKAONTKa
检验要求
最小值大值
同C8分组
(su)
环境温度了
环境温度()
耗散功率-环境温度曲线
Voslov
faiKHz
一栅源电压(V)
正向传输导纳--栅源电压曲线
BG10276—88
(Y)
VG25-4V
漏源电压(V)
漏极电流-漏源电压曲线
38ps10V
VGI5-AViV
栅源电压(V)
图4漏极电流-一榭源电压曲线
YYKAONKAa
(p)
一栅源电压(V)
=800MHz
T#25℃
功率增益--栅源电压
二栅源电压(V)
Vps=8V
+=800MHz
图7功率增益-二橱源电压
GB10276--88
YYKAONYKa
F=X00MH2
一栅源电压(V)
噪声系数-—概源电压:
小提示:此标准内容仅展示完整标准里的部分截取内容,若需要完整标准请到上方自行免费下载完整标准文档。