首页 > 电子行业标准(SJ) > SJ/T 11060-1996 电子器件详细规范 3DG3130型高频放大环境额定双极型晶体管(可供认证用)
SJ/T 11060-1996

基本信息

标准号: SJ/T 11060-1996

中文名称:电子器件详细规范 3DG3130型高频放大环境额定双极型晶体管(可供认证用)

标准类别:电子行业标准(SJ)

标准状态:现行

发布日期:1996-11-20

实施日期:1997-01-01

出版语种:简体中文

下载格式:.rar.pdf

下载大小:599519

相关标签: 电子器件 详细 规范 高频 放大 环境 额定 双极型 晶体管 认证

标准分类号

中标分类号:能源、核技术>>能源、核技术综合>>F01技术管理

关联标准

替代情况:原标准号GB 10279-88

采标情况:IEC 47(co)816 MOD

出版信息

出版社:中国标准出版社

页数:11页

标准价格:15.0 元

出版日期:1997-01-01

相关单位信息

起草单位:丹东半导体器件厂

发布部门:国家技术监督局

标准简介

本标准规定了3DG3130型高频放大环境额定双极型晶体管的详细要求。本标准适用于3DG3130型高频放大环境额定双极型晶体管。 SJ/T 11060-1996 电子器件详细规范 3DG3130型高频放大环境额定双极型晶体管(可供认证用) SJ/T11060-1996 标准下载解压密码:www.bzxz.net

标准图片预览

SJ/T 11060-1996 电子器件详细规范 3DG3130型高频放大环境额定双极型晶体管(可供认证用)
SJ/T 11060-1996 电子器件详细规范 3DG3130型高频放大环境额定双极型晶体管(可供认证用)
SJ/T 11060-1996 电子器件详细规范 3DG3130型高频放大环境额定双极型晶体管(可供认证用)
SJ/T 11060-1996 电子器件详细规范 3DG3130型高频放大环境额定双极型晶体管(可供认证用)
SJ/T 11060-1996 电子器件详细规范 3DG3130型高频放大环境额定双极型晶体管(可供认证用)

标准内容

中华人民共和国国家标准
电子元器件详细规范
3DG3130型
高频放大环境额定双极型晶体管Detail specification forelectroniccomponentBipolar transistor for ambient-ratedhigh-frequencyamplificationof type3DG3130本标准规定了3DG3130型高频放大环境额定双极型晶体管的详细要求本标准适用于3DG3130型高频放大环境额定双极型晶体管。GB10279—88
降为SJ/T11060-96
本标准是按GB6217《高低频放大环境额定双极型晶体管空白详细规范》制定的,符合GB4936.1《半导体分立器件总规范》I类的要求。中华人民共和国电子工业部1988-04-22批准1
TTTKKAca
1989-08-01实施
国家标准局
评定器件质量的根据:
《半导体分立器件总规范》
3DG31S0型详细规范
订货资料:见本规范第7章
1机械说明
GB10279—88
GB10279--88
2简要说明
外形标准,GB7581《半导体分立器件外形尺寸》中代号E3—01A型
外形图及引出端识别:
3~0千6°
0,65±0.15
标志:见本规范第6章
0.65±0.15
高频放大环境额定双极型晶体管半导体材料,N型硅
封装:塑料(非空腔)
应用,主要用于电子调谐器UHF、VHF频段本振,混频及其它高频电路中。
质量评定类别
参考数据
Plot=150mW
Ie=50mA
ft≥1400MHz
YYKAONYKa
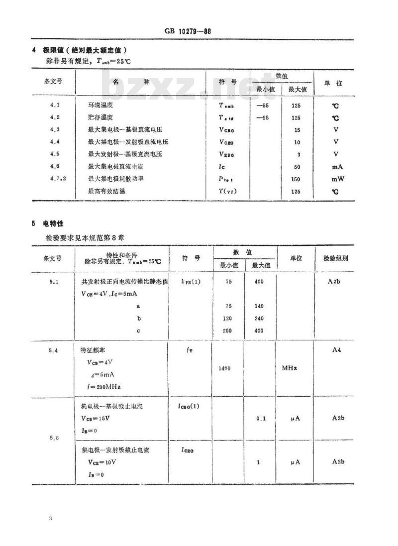
极限值(绝对最大额定值)
除非另有规定,Tamb=25℃
条文号
5电特性
环境温度
贮存温度
最大集电极一基极直流电压
GB10279--88
最大集电极一发射极直流电压
最大发射极一基极直流电压
最大集电极直流电流
最大集电极耗散功率
最高有效结温
检验要求见本规范第8章
条文号
特性和条件
除非另有规定,T.=25℃
共发射极正向电流传输比静态值Vc4V,Jc-5mA
特征频率
f200MHz
集电极一-基极载止电流
VcB-15V
集电极一发射极截止电流
Vcn10V
hFe(1)
IcBo(1)
最小值
YYKAONTKa
最小值
最大值
最大值
检验组别
条文号
6标志
特性和条件
除非另有规定,T.=25℃
高温下的集电极-一基极截止电流Ven=10V Ig-0
Tm.b=100℃
发射极一基极截止亢流
Vgm=2V
集电极一发射极饱和压降
Ie=20mA
共基极输出电容
f=1MHz
共基极反馈电容
VcB-4V
f=1MHz
集电极一基极时间第数
VcB=4V
Ig=5mA
6.1器件上的标志
a。简略型号,
b.制造厂商标。
6.2包装盒上的标志
型号(和简略型号)和质熹类别:a.
制造厂名称和商标,
检验批识别代码,
防潮”等。
GB10279-88
最小值
IcBo(2)
rh', Ce
YYKAONYKCa
最大值
检验组别
7订货资料
a:型号;
b.本规范编号,
c其它。
8试验条件和检验要求
GB10279-88
在本章中,除非另有规定,引用的条文号对应于GB4936.1的条文号,测试方法引自GB4936.1第6.1.1条
A组逐批
全部试验都是非破坏性的
检验或试验
A1分组
外部目检
A2a分组
不工作器件
共发射极正向电流传输比静
集电极一基极截止电流
A2b分组
共发射极正向电流传输比静
集电极一基极截止电流
集电极一发射极裁止电流
发射极一基极截止电流
集电极一发射极饱和压降
A4分组
特征频率
hre(1)
IcBoct)
hpE(1)
IcBoc)
VcE(rat)
引用标准
除非另有规定
T.m=25℃
VcE=4V,Ic-5mA
VcB=15V,Ig=0
VcE=4V,Ic-5mA
Vc=15V,Ig=0
VcE=10V,IB=0
Vg82V,Ic=0
Ic=20mA,Ip=4mA
VcB=4V,Ig=5mA
f=200MHz
YYKAONTKAa
检验要求
最小值最大值
标志清晰,表
面无机械损伤
只有标明(D)的试验是破坏性的检验或试验
B1分组
B3分组
引出端强度:
弯曲(D)
B4分组
可焊性
B5分组
温度变化
继之以
交变湿热(D)
最后测试,
集电极一基极截止电流
共发射极正向电流传输比静
GB10279—88
B组—逐批
引用标准
GB4937,1)
GB4937,
GB4937,
GB2423.42)
Icro(1)
方法1
除非另有规定wwW.bzxz.Net
Teab=25℃
受试引出端数:3
弯曲20°,1次
外加力:0.5N
试验b
受试引出端数:3
其它规定见本规范附录A
TA=55℃
Te=125℃
ti=30min
严酸等级:
温度55℃,
周期数6天
恢复条件、正常的试验
大气条件
按A2b分组
按A2b分组
检验要求
最小值最大值
按本规范
第1章
无损伤
按GB4937,
按A2b分组
按A2b分组
注;1)GB4937《半导体分立器件机械和气候试验方法》2)GB2423.4《电工电子产品基本环境试验规程试验D:交变湿热试验方法》.YYKAONTKa
检验或试验
B8分组
电耐久性
最后渺试
第电极一塞极截止电流
共发射极正向电流传输
比静态值
集电极一发射极饱和压降
B9分组
高温览存
最后测试:
同B8组
CRRL分组
IcBo(1)
hee(t)
GB10279--88
引用标准
GB49381)
T--006
GB4937,
除非另有规定
Tamb25℃
工作寿命t=168h
Pr.-150mW
Vcg-gv
VcB=15V,Ig=0
Vcz—4V
Ic=5mA
Ic-20mA,I=4mA
t=168h,T,t125℃
按B8分组
就B3、B4、B5、B8和B9分组提供计数检查结果注:1)GB4938《半导体分立器件接收和可靠性)。C组周期
只有标明(D)的试验是破坏性的条
检验或试验
C1分组
引用标准
除非另有规定
T-25℃
YYKAONTKAa
检验要求
最小值最大值
按B8分组
检验要求
最小值最大值
按本规范
第1章
检验或试验
C2a分组
共基极输出电容
基极反馈电容
集电极一基极时间
C2b分组
高温下集电极一基极载
止电流
C3分组
引出端强度,
拉力(D)
C4分组
耐焊接热(D)
最后测试,
同B5分组
C7分组
稳态湿热(D)
最后测试:
同B5分组
C8分组
电耐久性
最后测试:
同B8分组
Thbhicc
lc8o(2)
GB10270--B8
引用标准
GB4937
GB4937,
GB4938
除非另有规定
Vc8-4V, Ig-0
f=1MHz
Vc-4V,Ig=0
f=1MH名,本规范附录B
Vc=4V.Jg*5mA
f=31.9MHz,本规范附录C
Vc1-10V,Ig-0
T.m-100℃
外加力:IN
受试引出端数,3
方法1A
按B5分组
严格度1,
Vcgt12V,t168h
按B5分组
P1-150mW.Vcz-8V
工作寿命=1000h
按B8分组
YYKAONYKCa
检验娶求
最小值最大值
按GB4937,
B5分组
按B5分组
按B8分组
检验或试验
C9分组
高温存(D)
最后测试,
同B8分组
C11分组
标志耐久性
C12分组
易燃性(外部引起)
CRRL分组
9D组·一监定批准试验
GB10279--88
引用标准
GB4937,
GB4937,
CB4937,
除非另有规定
T.mb=25℃C
T.-125℃
t=1000h
按B8分组
方法2
按GB4937,
就C2、C3、C4、C7、C9分组提供计数检查结果:提供C8分组试验前后的计量检查结果检验要求
最小值最大值
按B8分组
按GB4937.
按GB4937,
D组试验除鉴定时必须进行外,每12个月应进行一次,仅为了提供资料,不作验收依据。条
检验或试验
电耐久性
最后测试:
同C8分组
CRRL分组
引用标准
GB4938
除非另有规定
m=259℃
(见GB4936.1第4章)
时间:至少2000h,在168h、
1000h、2000h测试,其它同
B8分组
同C8分组
提供D组试验前后的计量检查结果YYKAONTKa
检验要求
最小值最大值
同C8分组
A1加速老化
GB10279-88
附录A
器体管可焊性
(补充件)
对于在器件制成后,又进行沾锡(或镀锡)的器件,需做加速老化。其条件是:100℃水蒸气中置放一小时。
A2试验方法
优先采用槽焊法。
b。必要时,可采用润湿称量法。按国标GB2423.32《电工电子产品基本环境试验规程润湿称量法可焊性试验方法》进行。润湿过程,按使用非活性焊剂时,在3秒钟内达到理论润湿力的35%。附录B
基极反馈电容Ct测试图
(补充件)
YYKAONTKa
?输出
附加说明:
GB10279-88
附录C
集电极一基极时间常数测试电路(补充件)
100nHs
本标准由丹东半导体器件总厂起草11
10OHHI
3300pt
YYKAONYKa
小提示:此标准内容仅展示完整标准里的部分截取内容,若需要完整标准请到上方自行免费下载完整标准文档。