首页 > 电子行业标准(SJ) > SJ/T 11048-1996 电子器件详细规范 浪涌抑制用压敏电阻器 MYG1型过压保护压敏电阻器 评定水平E(可供认证用)
SJ/T 11048-1996

基本信息

标准号: SJ/T 11048-1996

中文名称:电子器件详细规范 浪涌抑制用压敏电阻器 MYG1型过压保护压敏电阻器 评定水平E(可供认证用)

标准类别:电子行业标准(SJ)

标准状态:现行

发布日期:1996-11-20

实施日期:1997-01-01

出版语种:简体中文

下载格式:.rar.pdf

下载大小:675077

相关标签: 电子器件 详细 规范 浪涌 抑制 压敏电阻 保护 评定 水平 认证

标准分类号

中标分类号:通信、广播>>通信、广播综合>>M01技术管理

关联标准

替代情况:原标准号GB 10196-88

出版信息

页数:12页

标准价格:16.0 元

相关单位信息

标准简介

SJ/T 11048-1996 电子器件详细规范 浪涌抑制用压敏电阻器 MYG1型过压保护压敏电阻器 评定水平E(可供认证用) SJ/T11048-1996 标准下载解压密码:www.bzxz.net

标准图片预览

SJ/T 11048-1996 电子器件详细规范 浪涌抑制用压敏电阻器 MYG1型过压保护压敏电阻器 评定水平E(可供认证用)
SJ/T 11048-1996 电子器件详细规范 浪涌抑制用压敏电阻器 MYG1型过压保护压敏电阻器 评定水平E(可供认证用)
SJ/T 11048-1996 电子器件详细规范 浪涌抑制用压敏电阻器 MYG1型过压保护压敏电阻器 评定水平E(可供认证用)
SJ/T 11048-1996 电子器件详细规范 浪涌抑制用压敏电阻器 MYG1型过压保护压敏电阻器 评定水平E(可供认证用)
SJ/T 11048-1996 电子器件详细规范 浪涌抑制用压敏电阻器 MYG1型过压保护压敏电阻器 评定水平E(可供认证用)

标准内容

621.316.8
中华人民共和国国家标准
GB10196-88
降为SJ/T11048-96
电子元器件详细规范
浪涌抑制用压敏电阻器
MYG1型过压保护压敏电阻器
评定水平E
Deatil specification for electronic componentsVaristors forsurgesuppressionType MYG1 varistors for over-voitage propectionAssessmentlevelE
1988-12-22发布
1989-08-01实施
国家技术监督局发布
IKAONIKACa
中华人民共和国国家标准
电子元器件详细规范
浪涌抑制用压敏电阻器
MYG1型过压保护压敏电阻器
评定水平E
Detail specificationforelectronic componentsVaristors for surge suppressionTypeMYGlvaristorsforover-voltagepropectionAssessmentlevelE
GB10196-88
本标准适用于MYGI型过压保护压敏电阻器,主要用于彩色电视机中抑制经交流电源侵入的瞬时过电压、顿扫描变压器工作尖峰和显像管保护。它是按照GB10195《电子设备用压敏电阻器第二部分:空白详细规范:浪涌抑制用压敏电阻器评定水平E》制订的。符合GB10193《电子设备用压敏电阻器第一部分:总规范》和GB10194《电子设备用压敏电阻器第二部分:分规范:浪涌抑制用压敏电阻器》的要求。
中国电子元器件质量认证委员会标准机构是中国电子技术标准化研究所。中华人民共和国电子工业部1988-10-20批准YYKAONYKCa
1989-08-01实施
国家技术监督局
GB1019688
按GB10193《电子设备用压敏电阻器第一部分:总规范》进行质量认证的电子元件(在规定的尺寸范围内允许形状有所不同)GB10195
GB10196
浪涌抑制用压敏电阻器
(MYGI型过压保护压电阻器)
主体材料:氧化锌
非绝缘型
评定水平:E
按本详细规范鉴定合格的元器件的有效数据在鉴定合格产品一览表中给出。2
YYKAONrKa
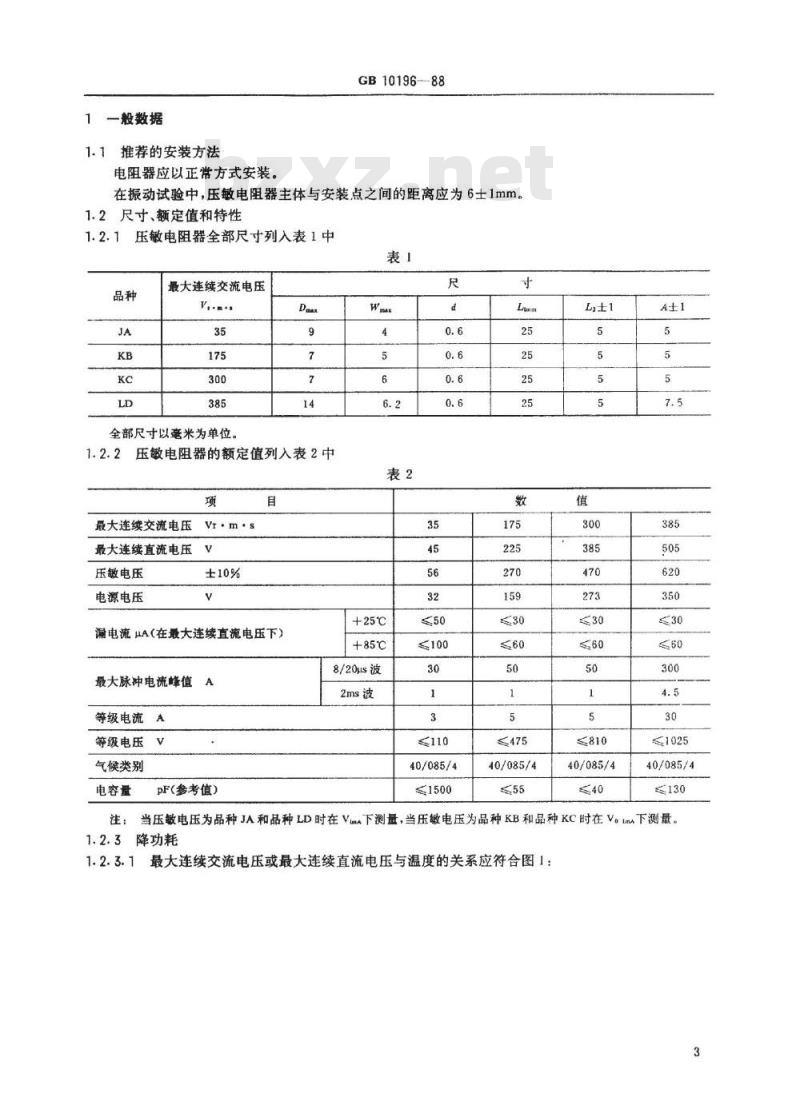
一般数据
1.1推荐的安装方法
电阻器应以正常方式安装。
GB1019688
在振动试验中,压敏电阻器主体与安装点之间的距离应为6士1mm。1.2尺寸、额定值和特性
1.2.1压敏电阻器全部尺寸列入表1中表!
最大连续交流电压
全部尺寸以毫米为单位。
1.2.2压敏电阻器的额定值列入表2中项
最大连续交流电压
最大连续直流电压
压敏电压
电源电压
漏电流μA(在最大连续直流电压下)最大脉冲电流峰值A
等级电流A
等级电压
气候类别Www.bzxZ.net
电容量
F(参考值)
+25℃
+85℃
8/20us波
2ms波
40/085/4
≤475
40/085/4
≤810
40/085/4
40/085/4
注:当压数电压为品种JA和品种LD时在Vm下测量,当压敏电压为品种KB和品种KC时在Vom下测量。1.2.3降功耗
最大连续交流电压或最大连续直流电压与温度的关系应符合图:1.2.3.1
YYKAONYKa
GB10196--88
环境温度℃
1.2.3.2最大脉冲电流峰值按图2、图3和图4降额:基片直径7(IA560)
脉冲宽度(us)
YYKAONKa
基片直径5(KB271、KC471)
1.3有关文件
脉冲宽度(uS)
GB10196-88
基片直起1000
电子设备用压敏电阻器
第部分:总规范
GB10193
GB10194
1.4标志
电子设备用压敏电阻器
脉冲宽度us)
第二部分:浪涌抑制用压敏电阻器分规范压敏电阻器及其包装上的标志应符合总规范GB10193第2.4的要求。在压敏电阻器的包装盒上应清晰地标明下列内容:e.
最大连续交流电压,
制造日期:
本规范代号和品种代号;
数量,
制造厂名称或商标。
在压敏电阻器的产品上至少应标出上述a项。1.5订货资料
订购本规范的压敏电阻器的订单应以文字或代码的形式列出下列内容:a.
品种代号,
最大连续交流电压;
本规范的编号和出版号。
示例:MYGIJA-
品种代号
1.6放行批证明记录
最大连续交流电压本规范的编号和出版号要求提供本记录时,应与制造者协商解决。附加内容(不作检验用)
-YYKAONTKCa
无附加内容。
GB10196—88
1.8对总规范和/或分规范的规定而言,增加或提高的严酷度和要求无规定。2检验要求
2.1程序
2.1.1鉴定批准程序应符合分规范GB10194第3.2的规定。2.1.2对于质量一致性检验,其试验一览表(表3)包括抽样、周期、严酷度和要求。分规范第3.3.1规定了检验批的组成。
注①试验项目和性能要求的条款号引自总规范GB10193。②检验水平(IⅡL)和合格质量水平(AQL)选自IEC410《计数检查抽样方案和程序》。④表中:
P周期,月:
一样本大小;
合格判定数(允许不合格品数);D破坏性的;
ND—非破坏性的
IL——检验水平
AQL—合格质量水平
IEC410。
碰擅试验和冲击试验可以互相替代,本规范规定进行碰撞试验。条款号和试验项目
(见注①)
A组检验
(逐批)
A1分组
4.3.1外观检查
4.3.2标志
A2分组
4.4压数电压
4.5漏电流
A3分组
4.3.3尺寸(量规检验)
B组检验
(逐批)
1分组
4.1G引出端强度
试验项目
(注①)
在规定电流下
在25℃最大连续直流电压下
应使用1/20mm量规
拉力:10N
弯曲(引出端总数的--半)
扭转(引出端总数的另一半)
YYKAONYKCa
见注?
性能要求
(见注①)
标志清楚并符合
本规范1.4规定
≤±10%
按本规范1.2.2
按本规范1.2.1
条款号和试验项目
(见注①)
4.11可焊性
4.21标志抗溶剂性
B2分组
4.6等级电压
条款号和试验项目
(见注①)
C组检验
周期)
C1分组
4.5最大脉冲电流峰值
C2分组
4.6最大脉冲电流峰值
外观检查
漏电流
GB10196—88
续表3
试验项目
(见注①)
方法1:精焊法
槽温:235士5℃
漫溃时间:2士0.5秒
漫渍深度:距电阻器本体2-0.6
a溶剂:按IEC68-2-45的
b溶剂温度:23+5℃
c试验:方法1(擦)
d擦拭材料:药棉
外观检查
等级电流按表2
试验条件
(见注①)
以8/20us波在一个方向上冲
击10次,每分钟2次(按表2
的电流)
外观检查
漏电流(在+25℃下)
压敏电压变化
以2ms方波在个方向上冲
击10次,每2分钟--次(按表
2的电流)
外观检查
满电流(在十25℃下)
压敏电压变化
YYKAONTKAa
见注?
样本大小和合格判定数
(见注③)
性能要求
(见注①)
无可见损伤
按本规范1.2.2
焊料应在不超过
2s内流合
标志应清楚
按本规范1.2.2
性能要求
(见注?)
无可见损伤
按本规范1.2.2
无可见损伤
按本规范1.2.2
条款号和试验项目
魔注?
C3A分组
(C3分中的7只样品)
4.7电容量
4.12耐焊接热
4.22元件抗溶剂性
4.13激度快速变化
C3B分组(CS分组中另外
的6只样品)
4.15碰撞
4.16振动
0016--88
绿丧,
试验条件
见注?
信号电平1V.m.
零偏值
方法14
持续时间.利
浸溃深度·即基注平面2+8.
外理检查
漏电流(在十25℃下)
a溶剂:按IEC68-2~45的
b溶剂溢温度:23-*℃
c试验:方法2(不擦拭)
d恢复时间:48h
外观检查
漏电流
6A:下限类别温度一40℃
6#:上限类别温度+85℃
共五个循环,每个极限温度下
放置30min。
外观检查
漏电流(在+25℃下)
玉敏电压变化
碰撑玖数:4000
加速度:390m/s2
外观检查
电流(在+25℃下)
频率范围:10~55Hz
振幅:0.75mm或加速度
98m/s(取较小者)
总持续时间:6h
循坏次数:10
YYKAONYKCa
样本大小和
合格判定数
(见注③)
性能要求
按本规范1.2.2
无可见损伤
按本规范1.2.2
无可见损伤、标志
按本规范1.2.2
无可见损伤
按本规范1.2.2
无可见损伤
按本规范1.2.2
条款号和试验项目
见注?
C3分组(C3A分组和C3B
分组的全部样品)
4.17气候顺序
循环湿热试验D,
第一个循环
C4分组
4.20上限类别温度耐久
D组检验
(周期)
D1分组
外观检查
GB10196-88
续表3
试验条件
(见注①)
漏电流(在+25℃下)
温度:+85℃
持续时间:16h
一个循环时间:24h
温度:+55℃
持续时间;2h
外观检查
漏电流(在+25℃下)
压敏电压变化
温度+85℃
施加电压:75%的最大连续交
流或最大连续直流电压
试验时间:1000h.分别在48h
500h、1000h测量
外观检查
电流:(在+25℃下)
压敏电压变化
等级电压(在1000h时测量)
YYKAONYKAa
样本大小和
合格判定数
(见注③)
性能要求
无可见损伤
按本规范1.2.2
无可见损伤标志
按本规范1.2.2
《±5%
无可见损伤标志
按本规范1.2.2
≤±10%
初始极限值的1、!倍
条款号和试验项目
见注?
4.18稳态湿热
D3分组
4.18阻燃
附加说明:
GB10196—88
续表3
试验条件
(见注①)
4只样品不施加电压、另4只
样品施加最大连续直流电压
的10%
严格度:4天
外观检查
漏电流(在+25C下)
压敏电压变化
安放位置:试样安装在正常使
用中最不利的位置
火焰施加点:电阻器侧面
严醛度5s
本标准由国营七九五厂负责制订本标准主要起草人:韩长生、李红耘10
YYKAONYKa
样本大小和
合格判定数
(见注③)
性能要求
无可见损伤标志
按本规范1.2.2
≤±10%
持续燃烧时间不
超过30s
小提示:此标准内容仅展示完整标准里的部分截取内容,若需要完整标准请到上方自行免费下载完整标准文档。