首页 > 电子行业标准(SJ) > SJ/T 11086-1996 FD08、FD12和FD15型间隙放电器技术条件
SJ/T 11086-1996

基本信息

标准号: SJ/T 11086-1996

中文名称:FD08、FD12和FD15型间隙放电器技术条件

标准类别:电子行业标准(SJ)

标准状态:现行

发布日期:1996-11-20

实施日期:1997-01-01

出版语种:简体中文

下载格式:.rar.pdf

下载大小:512954

相关标签: 间隙 电器 技术

标准分类号

中标分类号:能源、核技术>>能源、核技术综合>>F01技术管理

关联标准

替代情况:原标准号GB 11492-89

出版信息

页数:10页

标准价格:15.0 元

相关单位信息

标准简介

SJ/T 11086-1996 FD08、FD12和FD15型间隙放电器技术条件 SJ/T11086-1996 标准下载解压密码:www.bzxz.net

标准图片预览

SJ/T 11086-1996 FD08、FD12和FD15型间隙放电器技术条件
SJ/T 11086-1996 FD08、FD12和FD15型间隙放电器技术条件
SJ/T 11086-1996 FD08、FD12和FD15型间隙放电器技术条件
SJ/T 11086-1996 FD08、FD12和FD15型间隙放电器技术条件
SJ/T 11086-1996 FD08、FD12和FD15型间隙放电器技术条件

标准内容

UDC621.382:621.316.953
中华人民共和国国家标准
GB11492-89
降为SJ/T11086-96
FD08、FD12和FD15型
间隙放电器技术条件
Specification of gap sparkerfor typeFD08,FD12andFD15
1989-03-31发布
国家技术监督局发布
TTTKKACa
1990-03-01实施
1适用范围
中华人民共和国国家标准
FD08、FD12和FD15型
间隙放电器技术条件
Specification of gap sparkerfortypeFD08,FD12andFD15
GB11492—89
本标准适用于电视接收机和仪器仪表等作过压保护的间隙放电器(简称放电器)。2引用标准
GB4936.1半导体分立器件总规范GB4937
GB2423
GB2828
3术语和符号
半导体分立器件机械和气候试验方法电工电子产品基本环境试验规程逐批检查计数抽样程序及抽样表3.1额定放电电压V,
间放电器开始放电的电压值。
3.2绝缘电阻R
间隙放电器处于绝缘状态时的电阻值。3.3静电电容C.
间隙放电器在规定电势差下的静电容量。3.4放电寿命
间隙放电器放电电压和绝缘电阻数值变化不超过规定范围时的放电次数3.5放电引放时间t
间隙放电器从施加规定电压瞬间至开始放电瞬间之间的间隔时间。3.6放电消去特性
间隙放电器在规定条件下,停止放电后仍能承受规定电压的性能。4产品分类
4.1产品型号命名
型号命名如下所示。
额定放电电压规格
放电器
中华人民共和国机械电子工业部1989-03-21批准YYKAONTKa
1990-03-01实施
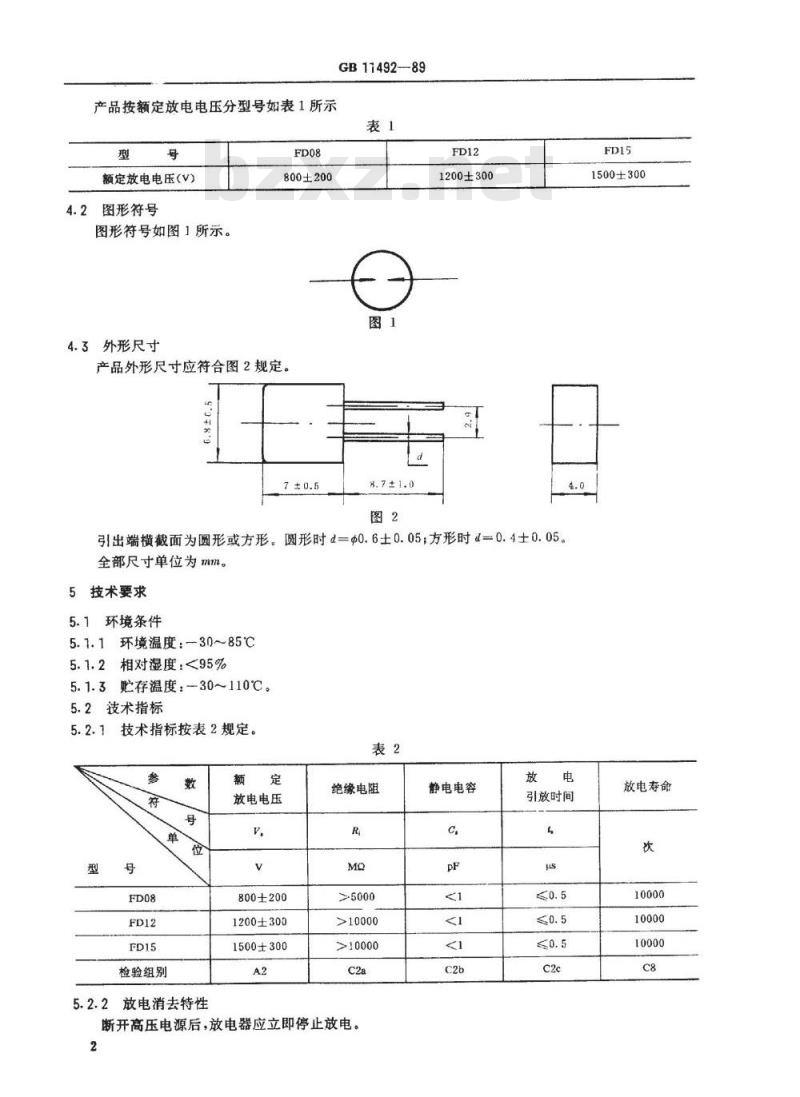
产品按额定放电电压分型号如表1所示型
额定放电电压(V)
4.2图形符号
图形符号如图1所示。
4.3外形尺寸
800±200
产品外形尺寸应符合图2规定。
GB11492—89
1200±300
引出端横截面为圆形或方形。圆形时d=$0.6士0.05;方形时=0.4士0.05。全部尺寸单位为mm。
5技术要求
5.1环境条件
5.1.1环境温度:-30~~85℃
5.1.2相对湿度:<95%
5.1.3贮存温度:-30~110℃。
5.2技术指标
5.2.7技术指标按表2规定。
检验组别
5.2.2放电消去特性
放电电压
800±200
1200±300
1500±300
绝缘电阻
>10000
>10000
断开高压电源后,放电器应立即停止放电。2
静电电容
YYKAONTKa
引放时间
1500±300
放电寿命
5.3材料
5.3.1引出端材料:无氧软性铜。5.3.2封装材料:改性环氧等。
GB11492—89
5.4外观
在正常照明和正常视力下,外形光洁无缺陷,引出端及涂层不变质、无锈斑。6测试和试验方法
所有测试和试验所用的测试仪表等,应符合测试精度要求6.1测试方法
6.1.1额定放电电压
在规定的电路中测试放电器的额定放电电压。原理电路
原理电路如图3所示
逐渐调节电压,从零直至放电器放电。由电压表所示放电器开始放电瞬间的电压值即为被测放电器的额定放电电压。
6.1.2绝缘电阻
a:目的
在规定条件下测试放电器的绝缘电阻。原理电路
原理电路如图4所示。
调节电压至规定值(由通过开关S并联的电压表指示),断开开关S。由兆欧表所示的电阻值即为被测放电器的绝缘电阻。
d.规定条件
应规定所加电压的值。
6.1.3静电电容
8。目的
在规定条件下测试放电器的静电电容。原理电路
原理电路如图5所示。
YYKAONYKCa
电容测试仪
GB11492--89
施加规定频率和幅值的信号,在零偏置下,由电容测试仪所示的值,即为被测放电器的静电电容。d.规定条件
应规定信号的幅值和频率等,
6.1.4放电引放时间
a。目的
在规定条件下测试放电器的放电引放时间。b.
原理电路
原理电路如图6所示。
时间记录仪
将开关S置于位置1,施加规定幅值的电压使电容器C充分充电。将开关S拨向位置2,使电容C向放电器放电。由测量仪所测电容C开始放电的瞬间至放电器开始放电的瞬间之间的时间间隔,即为被测放电器的放电引放时间。
d.规定条件
应规定所加电压为额定放电电压的2倍。6.1.5放电消去特性
试验放电器在规定条件下,停止放电后的施加电压能力。b.原理电路
原理电路如图7所示。
YYKAONYKCa
GB11492--89
将开关S合上1~3s后断开,放电现象应立即停止。d.规定条件
应规定下列条件:
放电前施加电源G的电压;
放电电源G2的电压。
6.2放电寿命试验方法
a。目的
在规定条件下验证放电器经受放电次数的能力。b.原理电路
原理电路如图8所示。
c步骤
调节电压至规定值,闭合开关S,使被试放电器放电0.05土0.01s后断开开关S.即为一次放电。然后,每间隔2s反复连续操作开关S直至规定的放电次数,恢复2h立即测试。d.测试
试验后测试被试放电器的绝缘电阻和放电电压是否符合规定,从而验证被试放电器经受放电的能力。
e.规定条件
应规定下列条件:
额定放电电压的上限;
放电次数。
7检验规则
检验包括鉴定检验和质量一致性检验,并由A组、B组和C组检验组成。A组检验的样品,应按GB2828的正常检查一次抽样方案从该检验批中随机抽取。B组检验的样品,应按GB4936.1的附录A从A组检验合格的批中随机抽取。C组检验的样品,应按GB4936.1的附录A从B组检验合格的批中随机抽取。7.1鉴定检验
鉴定检验是全面考核和验证产品是否符合本标准规定要求的检验。鉴定检验应对连续生产的三个检验批按表3的规定,分别进行A组检验;并从这些批中的至少·个批中随机抽取样品,按表1和表5的规定进行B组和C组检验。上述检验全部合格,则鉴定检验获得通过。当产品的设计、结构、材料或工艺有重大变动时,则应重新进行鉴定检验。7.2质量一致性检验
鉴定检验获得通过后。正常生产的产品应按下列规定进行检验。每批均应按表3进行A组检验。A组检验合格的批方能交货。每三个月应按表4进行B组检验,每年应按表5至少对一个批进行C组检验。B组和(或)C组检验不合格时,应停止交货。
标明(D)的试验是破坏性的,经受过破坏性试验的祥品不得交货。5
YYKAONYKCa
7.2.1A组检验(逐批)
外部目检
不能工作
额定放电电压
7.2.2B组检验(周期)
引出端强度:
曲(D)
可焊性
恒定湿热
放电寿命
高温处存
7.2.3C组检验(周期)
检验方法
见6.1.1条
见6.1.1条
检验方法
用游标卡尺检测
GB2423.29
GB2423.28
见6.2条
GB11492--89
条件和规定
除另有规定外,
Tab=25℃
见5.4条
条件和规定
除另有规定外,
T25℃
见5.4条
短路;
Vs小于表2规定下限
的0.5倍,或Vs大于表
2规定上限的1.5倍
符台表2规定
符合图2规定
试验U:方法1外加力5N
试验T.方法1
Tamb60C
相对湿度,90%~95%;
放置时间:24h。
恢复4h立即测试
V上限值,
连续放电2000次。
恢复2h立即测试
Taao110C;
贴存时间:16h。
恢复1h立即测试
YYKAONTKAa
无损伤
浸焊部分内未浸润
面积小于等于10%
,变化不超过其初
始值的士20%,R和
Cs符合表2规定
V.和R,符合表2规
,变化不超过其初
始值的士20%;R,和
Cs符合表2规定
检验水平
绝缘电阻
静电电容
放电引放时间
放电消去特性
引出端强度
拉力(D)
耐焊接热
放电寿命
高温贮存
标志耐久性
阻燃性
检验方法
用游标卡尺检测
见6.1.2条
见6.1.3条
见6.1.4条
见6.1.5条
GB2423.29
GB2423.28
见6.2条
GB4937,4.2
GB 4937,4.1.2
GB11492-89
条件和规定
除另有规定外,
Tamb=25℃
全部尺寸
直流500V下
f-1±0.1MHz
幅值-0.5~5.0V
有效值)
2倍额定放电电压
试验Uai,
外加力10N
试验Tb:方法1A,
恢复1h立即测试
,上限值:
按表2规定次数。
恢复2h立即测试
Tem=110℃;
贮存时间:96h。
恢复h立即测试
注:①B3、B4和C3分组检验的样品,可用电特性不合格的产品。判
符合图2规定
符合表2规定
符合表2规定
符合表2规定
应立即停止放电
本体与引出端不应松
动和损伤
V.符合表?规定
1和R表2规定
,变化不超过其初茹
值的士20%:R和C,符
合表2规定
标志保持清晰
不起火燃烧
②经受过A组、B1.C1.C2a或C2b分组检验后的样品,可用于其它检验分组。8标志、包装、贮存
8.1放电器上的标志
型号:
制造厂代号或商标,
检验批识别代码。
放电器上标志的位置如图9所示。8.2包装盒(袋)上的标志
型号:
制造厂名称和代号或商标;
数量;免费标准下载网bzxz
“防潮”等注意事项;
出厂日期。
8.3贮存
建总种国代码
制适厂代号式命析
YYKAONTKAa
GB11492-89
产品应保存在一10~十40℃,相对湿度不大于80%,清洁、防潮、防有害和腐蚀性气体的仓库内。附加说明:
本标准由机械电子工业部电子标准化研究所提出本标准由机械电子工业部归口。本标准由上海海燕半导体器件厂负责起草。本标准主要起草人:秦永康、董建国。8
YYKAONKAa
小提示:此标准内容仅展示完整标准里的部分截取内容,若需要完整标准请到上方自行免费下载完整标准文档。