首页 > 电子行业标准(SJ) > SJ/T 10696-1996 半导体分立器件 QL50型机动车用九管桥式整流组件详细规范
SJ/T 10696-1996

基本信息

标准号: SJ/T 10696-1996

中文名称:半导体分立器件 QL50型机动车用九管桥式整流组件详细规范

标准类别:电子行业标准(SJ)

标准状态:现行

发布日期:1996-07-22

实施日期:1996-11-01

出版语种:简体中文

下载格式:.rar.pdf

下载大小:619168

相关标签: 半导体 分立 器件 机动车 桥式 整流 组件 详细 规范

标准分类号

中标分类号:能源、核技术>>能源、核技术综合>>F01技术管理

关联标准

出版信息

出版社:电子工业部标准化研究

页数:13页

标准价格:15.0 元

出版日期:1996-10-01

相关单位信息

起草人:杨华、邹盛琳、刘东才

起草单位:中国振华集团永光电工厂

发布部门:中华人民共和国电子工业部

标准简介

SJ/T 10696-1996 半导体分立器件 QL50型机动车用九管桥式整流组件详细规范 SJ/T10696-1996 标准下载解压密码:www.bzxz.net

标准图片预览

SJ/T 10696-1996 半导体分立器件 QL50型机动车用九管桥式整流组件详细规范
SJ/T 10696-1996 半导体分立器件 QL50型机动车用九管桥式整流组件详细规范
SJ/T 10696-1996 半导体分立器件 QL50型机动车用九管桥式整流组件详细规范
SJ/T 10696-1996 半导体分立器件 QL50型机动车用九管桥式整流组件详细规范
SJ/T 10696-1996 半导体分立器件 QL50型机动车用九管桥式整流组件详细规范

标准内容

备案号:79-1997
中华人民共和国电子行业标准
SJ/T10696-1996
半导体分立器件
QL50型机动车用九管桥式整流组件详细规范
Semiconductor discretedeviceDetail specification for type QL50 in use for automotivenine diodes bridge rectifying modules1996-07-22发布
1996-11-01实施
中华人民共和国电子工业部发布TYYKAON KAca
本标准是为机动车发电机配套用整流桥制定的产品详细规范。它是按照GB6351-86《100A以下环境和管壳额定整流二极管(包括雪崩整流二极管)空白详细规范)标准制定的,符合GB4589.1一89(半导体器件分立器件和集成电路总规范》和GB1256090半导体器件分立器件分规范Ⅱ类的要求。另外根据组件特点又补充一些电参数。本标准主要引用了GB402386《半导体分立器件第2部分:整流二极管)。GB4937一85(半导体分立器件机械和气候试验方法》和GB4938一85(半导体分立器件接收和可靠性)。本标准建议于一九九七年一月日实施。本标准的附录A、附录B都是标准的附录。本标准由电子工业部标准化研究所归口。本标准由中国振华集团永光电工厂负责起草。本标准主要起草人:杨华、邹盛琳、刘东才。计划项目代号:S41007。
YYKAONrKAcas
中华人民共和国电子行业标准
半导体分立器件
QL50型机动车用九管桥式整流组件详细规范Semiconductordiscretedevice
Detail specifiation for type QL50 in use for automotivenine diodes bridge rectifying modules电子工业部
评定器件质量的根据:
GB4589.1-89(半导体器件分立器件和集成电路总规范)
GB12560—90
《半导体器件分立器件分规范)QL50型机动车用九管桥式整流组件详细规范订货资料:见本规范第7章
1机械说明:
外形图见图1
中华人民共和国电子工业部1996-07-22批准2简略说明:
半导体材料:硅
封装:非空腔封装
3质量评定类别:Ⅱ
SJ/T10696-1996
主整流单元封装材料:硅橡胶封装辅助整流单元封装材料:玻璃钝化封装
参考数据:
组件额定电流:1。
反向重复峰值电压:VRRM270V
辅助整流单元
额定电流:lal
工作结温:T
绝缘电压:Va
1996-11-01实施
rYKAOMrKAa
SI/T10696-1996
外形图wwW.bzxz.Net
YYKAONrKAcas
3-输人端
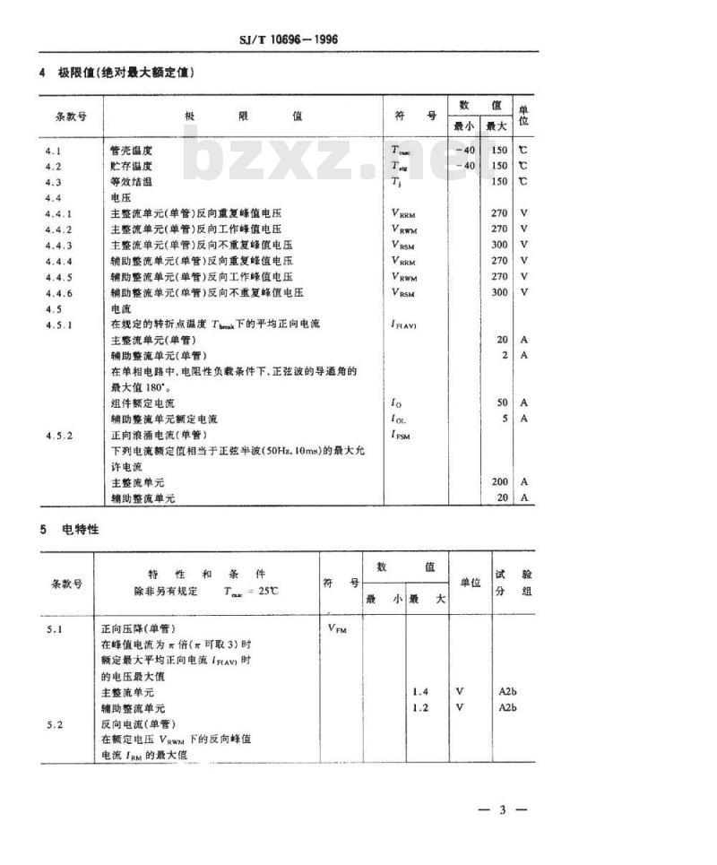
极限值(绝对最大额定值)
条款号
电特性
条款号
管壳温度
贮存温度
等效结温
SI/T10696-1996
主整流单元(单管)反向重复峰值电压主整流单元(单管)反向工作峰值电压值
主整流单元(单管)反向不重复峰值电压辅助整流单元(单管)反向重复峰值电压辅助整流单元(单管)反向工作峰值电压辅助整流单元(单管)反向不重复蜂值电压电流
在规定的转折点温度Thr下的平均正向电流主整流单元(单管)
辅助整流单元(单管)
在单相电路中,电阻性负载条件下,正弦波的导通角的最大值180°。
组件额定电流
辅助整流单元额定电流
正向浪涌电流(单管)
下列电流额定值相当于正弦半波(50Hz.10ms)的最大允许电流
主整流单元
辅助整流单元
特性和
除非另有规定
正向压降(单管)
Ta=25℃
在峰值电流为倍(元可取3)时
额定最大平均正向电流IAv时
的电压最大值
主整流单元
辅助整流单元
反向电流(单管)
在额定电压VrwM下的反向峰值
电流IRM的最大值
rYKAOMrKAa
条款号
SJ/T10696-1996
特性和条件
除非另有规定
Tean = 25t
室温反向蜂值电流
VR=270V
主整流单元
VR=270V
辅助整流单元
Teae=150时的反向峰值电流
主整流单元
辅助整流单元
组件上的标志
VR=270V
VR270V
引出端识别标志:
一组件型号、质量评定类别;
一制造厂商标:
检验批识别代码。
包装盒(箱)的标志
除引出端识别标志之外的6.1中所列的全部标志;一标上“防湿”等字样。
订货资料
订货资料中应包括以下内容:
一产品型号:
一订货数量:
一详细规范号;
其它。
试验条件与检验要求
在本节中,除非另有规定,引用的条款号应对应于GB12560一90的条款号,测试方法引自GB4023的第V章。
rYKAOMrKAa
所有的试验是非破坏性的。
检验或试验
外观检验
不能工作器件
正向峰值电压
反向峰值电压
组件模拟试验
功能测试
试验后测试
引用标准
GB4589.1-89
GB4023
GB4023
SJ/T10696-1996
一逐批
除非另有规定
Tam = 25t
标记清晰,表面涂、镀层光洁、无损伤、无脱落,紧固件无松动,散热器绝缘件、电子元器件无裂痕无开路、短路等异常现象
主整流单元Ig=3/F(AV)
辅助整流单元1#=3/FAV)
Ve=VwM
主整流单元I=3IprAV)
辅助整流单元1F=3/F(AV)
主整流单元V=VRWM
辅助整流单元VR=VRWM
工作时间:1min
组件输出电流1o=50A
辅助整流单元输出电流1o=5A
(不加风冷)
同A2b分组放置2h后进行
注:1可用A2b分组试验后的样品进行本组试验。表2B组
检验或试验
紧固力矩
引用标准
一逐批
除非另有规定
Tenig = 25℃
见本规范图1中60℃、5°
和3一M5的尺寸
用测力扳手施加力矩
最小,最大
极性颠倒
>10USL
>100USL
A2b分组
极限值
无松动、无
rYKAOMrKAa
检验或试验
可焊性
(仅适用于焊接
温度变化
继之以
交变湿热
最后测试
定频振动
变额振动
最后测试
电耐久性试验
(高温反偏)
最后测试
正向峰值电压
反向峰值电压
绝缘耐压
CRRL分组
引用标准
SJ/T10696-1996
续表2
除非另有规定
Tea = 25℃
GB4937-2.2.1
中的试验 C
GB4937
GB4937
GB4937
GB4938
GB4023
A形烙铁头
温度350±10
C,时间3.5±0.5s
受试端:1、2、3
TA=-40℃
Te=150c
循环次数:5次
严格度:2个循环
A2b分组
频率:10Hz
时间:10min
加还度:20g
频率范围
A2b分组
时间:2h
100Hz~2000Hz
Tamb=85c
1=168h
VR=270V
主整流单元1F=3I(AV)
辅助整流单元Ip=31FtAV)
主整流单元VR=VRwM
V=VRWM
辅助整流单元
本规范附录B
极限值
最小最大
锡层漫润良
好未没润面
积<5%,不
得集中在-
A2b分组
A2b分组
提供B3、B4、B5和B8的计数检查结果。B8分组前后的测试数据。rYKAOMrKAa
检验或试验
反向峰值电压
正向浪涌电流
最后测试
单管热阻
电耐久性(高
温反偏)
最后测试
正向峰值电压
反向峰值电压
高温贮存(D)
最后测试
正向蜂值电压
反向峰值电压
标志耐久性
CRRL分组
引用标准
GB4023
GB4023
GB4023
GB4938
GB4023
SJ/T10696-1996
表3C组一逐批
除非另有规定
Tee=25℃
本规范图1的全部尺寸
VRVRWM,Te=150C
f=50Hz
主整流单元
辅助整流单元
主整流单元(单管)
IFSM=200A
辅助整流单元(单管)
IFSM=20A
50Hz10ms
次数均为一次
A2b分组
Tamd=85
t=1000h
浪涌次数和周波
VR=270V
主整流单元=3IIAV)
辅助整流单元
IF=3IFAV)
主整流单元VR=VRwM
辅助整流单元V=VrwM
GB49373.2
GB4023
GB49374.2
T=150℃7=1000h
主整流单元IF=31AV)
IF=3IFAV)
辅助整流单元
主整流单元VR=VRWM
辅助整流单元VR=VrWM
提供C2分组的计数检查结果,C8分组前后的测试数据。rYKAOMrKAa
极限值
最小最大
A2b分组
D组试验
SJ/T10696-1996
对产品鉴定或已定型批量生产的产品,每三年至少应对一批产品进行高温高速耐久性试验。
试验按表4规定的条件进行,每次连续试验时间不少于4h,累计200h。表4D组试验
检验或试验
高温高速
耐久性试验
最后测试
正向峰值电压
反向峰值电压
CRRL分组
引用标准
GB4023
GB4023
除非另有规定
T25℃
箱内温度:85±2℃
电机转速:>8500r/min
输出电流:42.545A
试验时间:200h
主整流单元IF=3FIAV)
辅助整流单元IF=3IPrAV)
主整流单元VR=VrwM
辅助整流单元VR=YRWM
提供DI分组的计数检查结果。
补充资料
组件温度降额曲线(见图2)
电路原理图
10.2.1电路原理图
组件降额曲线
极限值
最小最大
Tae(C)
rYKAOMrKAa
SJ/T10696-1996
图3电路原理图
I部分为主整流单元(独立完成全波桥式整流功能)。D9i
Ⅱ部分为辅助整流单元(与主整流单元配合,完成桥式整流功能)。10.2.2
单管测试端
rYKAOMrKAa
附录A(标准的附录)
机动车用桥式整流组件inuseforautomotivebridgerectifyingmodulesA1
由主整流单元和辅助整流单元组成,用于机动车交流发电机整流的组件(见本规范图3)。主整流单元(主整流器)mainrectifyingunit(mainrectifier)A2
独立完成全波桥式整流功能的单元(见本规范图3I部分)辅助整流单元(励磁部分)auxiliaryrectifyingunit(excitationpart)A3
供发电机励磁用的整流单元,与主整流单元配套,完成桥式整流功能(见本规范3ⅡI部分)A4输入端inputterminal
与交流发电机定子输出端相连的整流组件的端(见本规范图3中1、2、3端)。A5
positive(negative)plate
正(负)极板
主整流单元的正(负)极输出端所在的散热板为正(负)极板。A6组件额定电流(I.)moduleratingcurrent在规定条件下,正负极板两端输出的最大直流电流。辅助整流单元额定电流(lor)auxiliaryrectifyingunitratingcurretA7
在规定条件下,辅助整流单元输出的最大直流电流。A8输出端outputterminal
本规范图3中标出的B(+)、E(-)、L(4)为输出端。10
YYKAONrKACa
小提示:此标准内容仅展示完整标准里的部分截取内容,若需要完整标准请到上方自行免费下载完整标准文档。