首页 > 电子行业标准(SJ) > SJ 2240-1982 空气介质片型微调电容器总技术条件
SJ 2240-1982

基本信息

标准号: SJ 2240-1982

中文名称:空气介质片型微调电容器总技术条件

标准类别:电子行业标准(SJ)

标准状态:现行

发布日期:1982-12-14

实施日期:1983-07-01

出版语种:简体中文

下载格式:.rar.pdf

下载大小:771674

相关标签: 空气 介质 微调 电容器 技术

标准分类号

中标分类号:矿业>>矿业综合>>D01技术管理

关联标准

出版信息

页数:10页

标准价格:15.0 元

相关单位信息

标准简介

SJ 2240-1982 空气介质片型微调电容器总技术条件 SJ2240-1982 标准下载解压密码:www.bzxz.net

标准图片预览

SJ 2240-1982 空气介质片型微调电容器总技术条件
SJ 2240-1982 空气介质片型微调电容器总技术条件
SJ 2240-1982 空气介质片型微调电容器总技术条件
SJ 2240-1982 空气介质片型微调电容器总技术条件
SJ 2240-1982 空气介质片型微调电容器总技术条件

标准内容

中华人民共和国电子工业部部标准SJ2240-82
空气介质片型微调电容器
1982-12-14发布
1983-07-01实施
中华人民共和国电子工业部
中华人民共和国电子工业部部标准空气介质片型微调电容器总技术条件SJ2240—82
本标准是对空气介质片型微调电容器的总的技术规定。该类电容器用于各种电子仪器和通讯设备中。
1总则
1.1本标准是空气介质片型微调电容器(以下简称电容器)的设计、生产和使用的共同依据,也是制订产品标准或产品技术条件的依据。1.2电容器的产品标准或技术条件应符合本标准的有关规定,特殊技术要求在产品标准中另作规定。
1.3电容器使用环境条件为:
环境温度:
相对湿度:
大气压力:
磁撞:
1.4型号及标记
—25~+70℃;
-55~+85℃;
温度为十40℃时、达96%;
350、170、64、33mmHg
振频10~55Hz,
振幅o.35mm、0.75mm;
加速度40g。
1.4.1型号:电容器的型号由主称代号和类别代号组成。1.4.1.1主称代号,用两个字母表示。“C”代表电容器,“W”代表微调。1.4.1,2类别代号,用字母和数字表示。一般结构型式只用1~2位数字表示,蝶形电容器在数字前加字母“D”;差动电容器则加字母“C”:凡带锁紧装置的电容器在数字后加“S”。
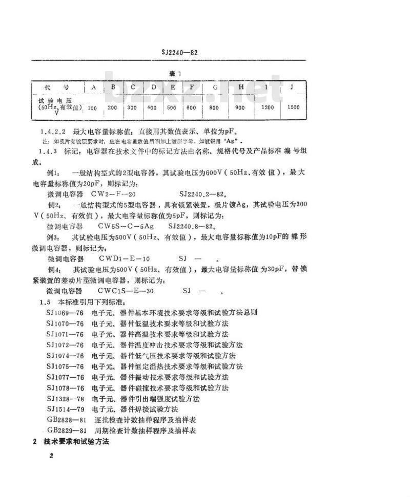
1.4.2规格代号:电容器的规格代号由型号、试验电压代号和最大电容量标称值组成。
试验电压及其代号见表1。
中华人民共和国电子工业部1982-12-14发布1983-07-01实施
试验电压
(60Hz,有效值)
SJ2240—82
1.4.2.2最大电容量标称值;直接用其数值表示、单位为pF。注:如极片有镀层要求时,应在电寄量数值后面加上镀层字母。如镀银用“Ag”1
1.4.3标记:电容器在技术文件中的标记方法由名称、规格代号及产品标准编号组成。
例1:一般结构型式的2型电容器,其试验电压为600V(50Hz、有效值),最大电容量标称值为20pF,则标记为:微调电容器CW2-F-20
例2:
SJ2240.2-82。
-一般结构型式的5型电容器,具有锁紧装置,极片镀Ag,其试验电压为300V(50Hz、有效值),最大电容量标称值为5pF,则标记为:微调电容器
例3:
CW5S--C--5Ag
SJ2240.8-82
其试验电压为500V(50Hz、有效值),最大电容量标称值为10pF的蝶形微调电容器,则标记为:
微调电容器
CWD1-E-10
其试验电压为500V(50Hz、有效值),最大电容量标称值为30pF,带锁例4:
紧装置的差动片型微调电容器,则标记为:微调电容器
CWCiS--E-30
1.5本标准引用下列标准:
SJ1069-76
SJ1070-76
SJ1071--76
SJ1072---76
SJ1074-76
SJ1075--76
SJ1077-76
SJ1078-76
SJ1328-78
SJ1514-79
GB2828—81
GB2829-—81
电子元、器件基本环境技术要求等级和试验方法总则电子元、器件低温技术要求等级和试验方法电子元、器件高温技术要求等级和试验方法电子元、器件温度冲击技术要求等级和试验方法电子元、器件低气压技术要求等级和试验方法电子元、器件恒定湿热技术要求等级和试验方法电子元、器件振动技术要求等级和试验方法电子元、器件碰撞技术要求等级和试验方法电子元、器件引出端强度试验方法电子元、器件焊接试验方法
逐批检查计数抽样程序及抽样表周期检查计数抽样程序及抽样表2技术要求和试验方法
2.1说明
SJ2240-82
2.1.1若本标准没有特别规定,则所有试验均应在SJ1069一76规定的正常大气条件下进行。
2.1.1除非另有规定,否则电容器的所有试验和测量均应在不引起异常应力的情况下,用可行的方法将其固定牢的条件下进行。2.2结构和尺寸
2.2.1要求:电容器的外形结构尺寸和安装尺寸应符合有关产品标准规定。2.2.2试验方法:用精度不低于0.02mm的任何量具测量。2.3外观
2.3.1要求:电容器应清洁,不得有裂纹、锈蚀及其它机械损伤;焊接应光滑,标志应清晰。
2.3.2试验方法:用外观视察法检验。2.4引出端强度(如需要时)
2.4.1拉力
2.4.1.1要求:电容器引出端应能承受SJ1328-78规定的拉力而无松动和机械损伤。
2.4.1.2试验方法:按SJ1328-78第1.2条规定进行2.4.2弯曲
2.4.2.1要求:电容器用于弯曲的引出端应能承受二次弯曲试验而无裂痕。2.4.2.2试验方法:按SJ1328一78第2.2条方法1的规定进行。2.5焊接性能
2.5.1要求Www.bzxZ.net
2.5.1.1可焊性:引出端用以焊接的部位经试验后应包锡良好。2.5.1.2耐焊接热:经试验后,引出端与电极间的连接仍应良好。2.5.2试验方法
2.5.2.1焊槽法
a,按SJ1514-79第1.4条的规定,将引出端浸入温度为270±5℃的锡档中进行可焊性试验,竹留时间为2±0.5秒。试验结束后,按SJ1514一79第1.4.4.4条的规定进行沾锡检查。
b,按SJ1514一79第2.2条的规定,将引出端浸入温度为260+5℃的锡槽中,仃留时间9.5±0.5秒钟进行耐焊接热试验,2.5.2.2烙铁法(仅适用于不能使用焊槽法的引出端):使用功率为45瓦电烙铁,烙铁头的无载温度为300~350℃,烙铁及焊料加到引出端的焊接部位时间为2±0.5秒时,用外观观察法进行沾锡检查;时间为10±0.5秒时,用外观观察法检查引出端与电极间的接触。
2.6转动力矩
SJ2240-82
2.6.1,要求:电容器转轴沿任何方向旋转时,其转动力矩范围应符合有关产品标准的规定。
2.6.2试验方法:将电容器转轴旋转3~5次后,用测量误差不超过士10%的任何量具测量。
2.7电容量
2.7.1要求:电容器的电容量应符合产品标准的规定。2.7.2试验方法:用误差不超过土(0.01C+0.2pF)的任何方法进行。测量频率为1000±200Hz
注:C为被测电容量的实际值,其单位为,F2.8锁紧(仅对带锁紧装置的电容器)2.8.1要求
2.8.1.1电容器动片轴用规定的力矩锁紧后,电容量变化应不超过1%或0.2pF(取较大值)。
2.8.1.2锁紧后的动片轴在施加规定的制动力矩后,电容量变化应不超过0.2%或0.2pF(取较大值)
2.8.2试验方法
2.8.2.1电容器置于最大电容量标称值的40~60%的位置。将产品标准规定的力矩施加在锁紧装置上,测量电容量并与锁紧前的电容量相比较。2.8.2.2先后在顺、道时针方向对锁紧了的动片轴施加产品标准规定的制动力矩后,测量其电容量,并分别与锁紧后的电容量比较。2.9耐锁紧力矩
2.9.1要求:在电容器的锁紧装置上,施加第2.8条规定的两倍的锁紧力矩后,各部分应无松动现象。
2.9.2试验方法:电容器按第2.8条规定的力矩锁紧后,再将两倍的锁紧力矩施加于锁紧装置。
2.10轴向推力
2.10.1要求:电容器承受1kgf的轴向推力时,其电容量变化应不超过1%或0.5pF之较大值。施加3kgf的推力,应无机械损伤。2.10.2试验方法:电容器置于最大电容量标称值的60~80%位置。将1kgf推力施加于出轴端,测量受力前与受力时的电容量值;施加3kgf的推力,持续10秒钟,检查外观。带锁紧装置的电容器,试验时,应将锁紧装置松开。2.11径向受力(如需要时)
2.11.1要求:电容器承受1kgf的径向力作用时。其电容最变化应不超过1%或0.2pF(取较大值)。
SJ2240—82
2.11.2试验方法:电容器置于最大电容量标称值的60~80%位置。出轴端离支承外表面长度大于5mm时,径向力施加于5mm处,长度小于5mm(包括5mm)时,径向力施加于轴端处。在相互垂直的两个方向上测量受力时的电容量。带锁紧装置的电容器,试验时,应将锁紧装置松开。
2.12损耗角正切值
2.12.1要求:电容器的损耗角正切值应不大于20×10-42.12.2试验方法:测量误差不超过规定的损耗角正切值的±10%,测量频率为1MHz。电容器在10pF处测量:最大电容量小于10pF的,在最大电容量位置测量。2.13绝缘电阻
2.13.1要求:电容器的动、定片组间绝缘电阻应不小于1000M9。2.13.2试验方法:电容器置于最大电容量位置。用误差不超过土10%的仪器测量。1测试电压如表2,施加电压60±5秒钟后记录指示值。裹2
额定工作电压UR(De)V
Ur>500
100≤UR<500
UR<100
注:额定工作电压为试验电压(有效值)的一半。2.14动片接触电阻
测试电压(Dc)V
500±50
100±15
2.14.1要求:电容器在任意转角位置,动片接触电阻应不大于0.01922.14.2试验方法:用电流不超过直流1A,电压降不超过20mV,测量误差不超过±10%的仪器进行测量。
2.15电容温度系数(如需要时)2.15.1要求:电容器的温度系数应符合产品标准的规定。2.15.2试验方法:用误差不超过±(0.1|α。/+10×10-/c°)的温度系数测试仪测量。电容器置于最大电容量标称值的60~80%的位置。试验时,从略高于室温开始,升温30℃,达到热稳定后进行测量。2.16耐电压
2.16.1要求:电容器动、定片组之间应能承受产品标准规定的试验电压,而无击穿飞弧。
2.16.2试验方法:用误差不超过土10%的耐电压试验设备进行试验。将试验电压施加于动、定片组之间,动片组在有效转角范围内转动2~3次,持续时间.60±5秒钟。在其它试验过程中或结束时,为进行测量起见,把电容器调至最大电容量或有关试5
验规定的其它位置,施加试验电压2秒钟。注:由于积尘而引起的最初跳火可以不计。SJ2240-82
2.16.3对于带有绝缘固定装置的电容器,其试验电压还应加在动片与固定板、定片与固定板之间。
2.17低气压
2.17.1要求:电容器动、定片组间在产品标准规定的低气压下,应能承受规定的试验电压而无击穿和飞弧。
2.17.2试验方法:电容器置于最大电容量位置,按SJ1074一76规定的方法进行。2.18温度冲击
2.18.1要求:电容器应按产品标准规定的高、低温等级进行五次温度冲击试验。此后:
a,外观应符合第2.3条的规定;b电容量变化应不超过0.5%或0.5pF之较大值;c.转动力矩应符合第2.6条的规定。2.18.2试验方法:电容器置于最大电容量位置,按SJ107276规定的方法进行,保持时间为30分钟,冲击五次后进行检查。带锁紧装置的电容器应按产品标准规定的力矩加以锁紧。
2.19恒定湿热
2.19.1要求:电容器应能承受温度为十40±2℃,相对度为93±3%,96小时的湿热作用。此后。
外观应符含第2.3条的规定;
电容量变化应符合产品标准的规定;c.
绝缘电阻应不小于100M2:
耐电压应符合第2.16条规定;
损耗角正切值应不大于30×10-4;f.
转动力矩应符合第2.6条的规定;动片接触电阻应不大于0.029。
2.19.2试验方法:电容器置于最大电容量位置,按SJ1075一76规定的方法进行。当电容器仍处于规定的湿热状态下,在箱内或从箱内取出后三分钟内完成绝缘电阻的测量,恢复2小时后,检查其它项目。带锁紧装置的电容器,应按产品标准规定的力短加以锁紧。2.20低温
2.20.1要求:电容器按产品标准规定的温度进行2小时的低温试验,此后:a.:外观应符合第2.3条的规定;b,电容量变化应符合产品标准的规定6
SJ2240-—82
c.转动力矩应符合第2.6条的规定。2.20.2试验方法:按SJ1070一76规定的不带温度冲击的方法进行。恢复2小时后,进行检查。试验时,电容器置于最大电容量位置。2.21高温
2.21.1要求:电容器应按产品标准规定的温度进行16小时的高温试验。此后:外观应符合第2.3条的规定:
b:电容量变化应符合产品标准的规定;C,转动力矩应符合第2.6条的规定。2.21.2试验方法:按SJ1071一76规定的不带温度冲击的方法进行。恢复2小时后,进行检。试验时,电容器置于最大电容量位置。2.22振动
2.22.1要求:电容器应能承受振频为10~55Hz,振幅为0.35或0.75mm,三个方向共15小时的振动作用。此后:a应无机械损伤
b,电容量变化应符合产品标准的规定。2.22,1试验方法:按SJ1077一76规定的耐扫描方式进行,不做最后共振检查。试验时,电容器置于最大电容量位置。动片轴应适当固定,以防转动,但以不影响其它活动为度。带有馈紧装置的电容器应在锁紧后进行。2.23碰撞
2.23.1要求:电容器应能承受加速度为40g、三个方向共4000次的碰撞作用,脉冲重复频率为40~80次/分。此后:a,应无机械损伤:
b,电容量变化应符合产品标准的规定。2.23.2试验方法:按SJ1078--76规定的方法进行。试验时,电容器置于最大电容量位置。动片轴应适当固定,以防转动,但以不影响其它活动为度。带有锁紧装置的电容器,应在锁紧后进行。
2.24机械耐久性
2.24.1要求:电容器的转动次数为200;500;1000次三挡。电容器经产品标准规定的次数转动后:
a,应无机械损伤
b,转动力矩应不大于产品标准规定的上限值的150%,不小于下限值的50%:C,动片接触电阻应不大于0.02Q。2.24.2试验方法:在模拟使用的专用设备上进行。转速为10~20次/分,动片在有效转角的90±5%之间(有止端的电容器应与止端有间隙)往返一次为转动一次。3验收规则
SJ2240--82
3.1电容器的试验分为交收试验和例行试验。3.2所有试验均应在制造厂或上级主管部门指定的单位进行。制造厂或被指定的试验单位应提供试验所需的一切条件。3.3订货方有权按本标准和产品标准的规定对产品进行验收。3.4交收试验
3.4.1交收试验的抽样方案应符合GB2828一81关于--次抽样方案的规定。使用一般检查水平直。
3.4.2交收试验的项目、顺序、合格质量水平AQL值应符合表3的规定。表3
结构和尺寸
转动力矩
电容量
损耗角正切值
绝缘电阻
动片接触电阻
耐电压
注:包装质量抽一箱按第4.2条进行检查。本标准条款号
合格质量水平AQL
3,43交收试验不合格时,则该批产品按不合格项目进行100%挑选。挑选后的产品可再次提交但应采用加严检查,并应附有该批产品报废数量及原因的说明。再次提交的产品若仍不符合要求,该批产品原则上不得再次提交验收。此时,应分析原因,提出改进措施和对该批产品的处理方法。3.5例行试验
3.5.1电容器的例行试验每季度进行一次。在更改结构、制造工艺、材料或仃产三个月以上文恢复生产时,亦需进行。经过例行试验的产品不得作为成品交货,例行试验的报告可根据订货方的要求予以提供。
3.5.2例行试验的抽样方案按GB2829-一81关于周期检查一次抽样方案的规定进行。判别水平为。
3.5.3例行试验的分组、顺序、样品数和允许失效数应符合表4的规定。8
试验项目
电容温度系数
引出端强度
焊接性能
轴向推力
径向受力
温度冲击
机械耐久性
耐锁紧力矩
低气压
恒定湿热
SJ2240--82
本标准条款号
样品数
允许失效数
例行试验中,若失效数超过表4的规定,则例行试验不合格,应行止对该批3.5.4
产品的交收或出厂。在生产中找出产生不合格的原因,并采取措施加以消除,直到例行试验合格。
4、标志、包装、运输、保管
4.1标志:电容器上应有制造厂商标、型号和制造年、月(小型产品允许只标最大电容量标称值和制造年、月)。4.2包装
4.2.1电容器应装入专用的包装盒内,4.2.2装有电容器的包装盒应放在干煤的并能防潮、防尘、防霉的包装箱内。包装盒在箱内应塞紧而不动,箱内应附有装箱单。4.2.3装箱单和包装盒的外表应注明产品的名称、型号、标准号、数量以及包装者,日期、检验印章等。
SJ2240-82
包装箱上应有符合GB191一73《包装贮运指示标志》中规定的相应的运输要求标4.3运输:包装成箱的电容器在避免雨、雪直接淋袭的条件下,可用任何运输工具运送。
4.4保管:包装成箱的电容器应在环境温度为一10~+40℃、相对湿度不大于80%,周围空气中没有酸性、碱性或其它腐蚀性气体的库房内保管。o
小提示:此标准内容仅展示完整标准里的部分截取内容,若需要完整标准请到上方自行免费下载完整标准文档。